Помогите - не работает мотор печки!
Модераторы: SNOOPER, Nbf, Romik, BAlex
- Антон2010
- Сообщения: 393
- Зарегистрирован: 20 май 2010, 15:27
- Двигатель:: 6G72
- Мой автомобиль(и):: Pajero 2
- Откуда: Оттуда
- Благодарил (а): 1 раз
- Поблагодарили: 14 раз
Помогите - не работает мотор печки!
Доброго времени дня и ночи господа!
Прошу помочь разобраться с давней проблемой! В поиске такого нет, во всяком случае я не встречал!
Давайте по порядку - машина Паджеро 2 1994/02 V43-4101561 правый руль, чистокровный японец, двиг 6G72 12 клапанный!
Из оборудования: две печки, двойной кондиционер, люк, ABS!
Теперь суть проблемы - не крутится мотор печки! Банально, но факт! (отдельно на аккумуляторе проверял, все работает!)
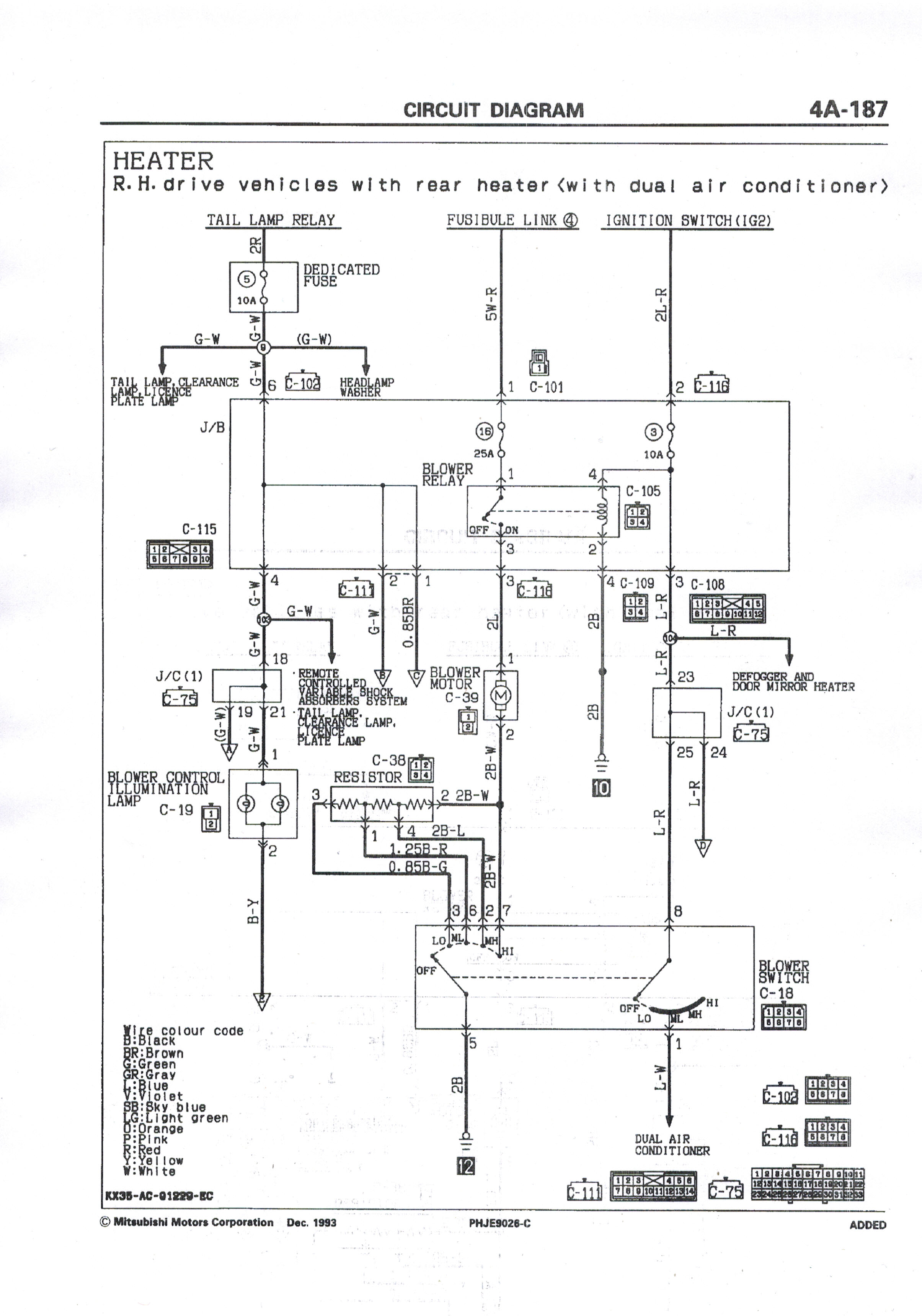
Для начала здесь нашел схему для своего года и типа: Правда толку от нее никакого - цветовая гамма проводов не совпадает, да и направление тоже, разве что просто посмотреть, что куда должно якобы идти!
И вот начал поверку с самого начала:
Предохранители — пара на 25А и на 10А: Все прозванивается на ура! И входит и уходит!
Поэтому дальнейший разбор полетов переместится в сторону пассажира, для этого оголил часть проводки, которая включает в себя элементы питания мотора печки: По схеме на мотор должен приходить провод 2L (голубой сечением 2 квадрата), он и приходит и питание на нем ЕСТЬ!
Поэтому предохранители и реле самого мотора считаю проверенным! (если неправ поправьте!) После этого и начинаются разногласия — по схеме он должен напрямую идти на мотор, а он идет на резистор! А вот с резистора то и идет голубой провод с белой полосой прямиком на мотор печки!
И питания на нем уже нет!!! Далее прозвон резистора под напряжением дал следующие результаты:
Тонкий провод (желтый с черной полосой) — питания нет! Идет на панель управления климатом — отдельно от питания прозванивается! Голубой с белой полосой сечением 2 квадрата — питания нет! Именно он и идет напрямую на мотор! Голубой 2 квадрата от предохранителя 25А — питание есть! Голубой с красной полосой, тонкий — питание есть! Отмечу — этот провод идет на одно из двух реле! (отмечено цифрой "2") Когда на панели климата черточки оборотов доходят до "MAX" реле щелкает и когда убираю одно деление также происходит щелчок!
Ну и просто добавлю фото добавочного сопротивления: Кстати сразу вопрос - как его проверить?
В общем прошу любую посильную помощь!
Заранее благодарю!
Прошу помочь разобраться с давней проблемой! В поиске такого нет, во всяком случае я не встречал!
Давайте по порядку - машина Паджеро 2 1994/02 V43-4101561 правый руль, чистокровный японец, двиг 6G72 12 клапанный!
Из оборудования: две печки, двойной кондиционер, люк, ABS!
Теперь суть проблемы - не крутится мотор печки! Банально, но факт! (отдельно на аккумуляторе проверял, все работает!)
Для начала здесь нашел схему для своего года и типа: Правда толку от нее никакого - цветовая гамма проводов не совпадает, да и направление тоже, разве что просто посмотреть, что куда должно якобы идти!
И вот начал поверку с самого начала:
Предохранители — пара на 25А и на 10А: Все прозванивается на ура! И входит и уходит!
Поэтому дальнейший разбор полетов переместится в сторону пассажира, для этого оголил часть проводки, которая включает в себя элементы питания мотора печки: По схеме на мотор должен приходить провод 2L (голубой сечением 2 квадрата), он и приходит и питание на нем ЕСТЬ!
Поэтому предохранители и реле самого мотора считаю проверенным! (если неправ поправьте!) После этого и начинаются разногласия — по схеме он должен напрямую идти на мотор, а он идет на резистор! А вот с резистора то и идет голубой провод с белой полосой прямиком на мотор печки!
И питания на нем уже нет!!! Далее прозвон резистора под напряжением дал следующие результаты:
Тонкий провод (желтый с черной полосой) — питания нет! Идет на панель управления климатом — отдельно от питания прозванивается! Голубой с белой полосой сечением 2 квадрата — питания нет! Именно он и идет напрямую на мотор! Голубой 2 квадрата от предохранителя 25А — питание есть! Голубой с красной полосой, тонкий — питание есть! Отмечу — этот провод идет на одно из двух реле! (отмечено цифрой "2") Когда на панели климата черточки оборотов доходят до "MAX" реле щелкает и когда убираю одно деление также происходит щелчок!
Ну и просто добавлю фото добавочного сопротивления: Кстати сразу вопрос - как его проверить?
В общем прошу любую посильную помощь!
Заранее благодарю!
MMC Pajero 2, 6G72, бодик 6см,пружины от Сафаря, Cooper Discoverer STT 33-12,5-15!
- drcham
- Модератор
- Сообщения: 14459
- Зарегистрирован: 08 апр 2006, 13:42
- Двигатель:: Бензин
- Мой автомобиль(и):: Wrangler JLU Rubicon
- Откуда: Москва
- Откуда: Москва ЮЗАО
- Благодарил (а): 63 раза
- Поблагодарили: 231 раз
- Контактная информация:
Re: Помогите - не работает мотор печки!
Я два раза перечитал... не понял.
2L идет на мотор. точнее там есть фишка C-35. На неё с одной стороны 2L приходит, а с другой 2B-W (черный с бел. полосой ?)
Вот черный с белой полосой идет на блок резисторов.
Так что получается, что управление идет минусом ? (я правильно понял?)
В общем берешь напряжометр и проверяешь самое главное. На фишка C35 ищешь +12в. Только не между кузовом и 2L, а четко между 2b-w и 2L во всех режимах работы печки. Ты это делал ?
Посмотрел схему от 19998г. Данный узел не менялся и должен совпадать с реальностью. Белые фишка Вы сами поставили ?
Я бы грешил на блок резисторов или проводку минусовую раз плюс Вы уже прозвонили. Это если исключить мертвый мотор.
2L идет на мотор. точнее там есть фишка C-35. На неё с одной стороны 2L приходит, а с другой 2B-W (черный с бел. полосой ?)
Вот черный с белой полосой идет на блок резисторов.
Так что получается, что управление идет минусом ? (я правильно понял?)
В общем берешь напряжометр и проверяешь самое главное. На фишка C35 ищешь +12в. Только не между кузовом и 2L, а четко между 2b-w и 2L во всех режимах работы печки. Ты это делал ?
Посмотрел схему от 19998г. Данный узел не менялся и должен совпадать с реальностью. Белые фишка Вы сами поставили ?
Я бы грешил на блок резисторов или проводку минусовую раз плюс Вы уже прозвонили. Это если исключить мертвый мотор.
4LO&GO! Wrangler JLU Rubicon
- Антон2010
- Сообщения: 393
- Зарегистрирован: 20 май 2010, 15:27
- Двигатель:: 6G72
- Мой автомобиль(и):: Pajero 2
- Откуда: Оттуда
- Благодарил (а): 1 раз
- Поблагодарили: 14 раз
Re: Помогите - не работает мотор печки!
Давайте по порядку!
2L идет на резистор, а с него уже напрямую на мотор уходит 2L-W (колхоз исключен, все штатное!)
Черный с белой полосой - я так подозреваю, что это масса! (все точки массы на кузове и панели проверил)
Управление думаю все же "+"!
Да и что то я разъема С-35 не вижу?
Белые фишки сам ставил - был отрезан разъем предыдущим хозяином!
И еще раз повторюсь - на данной схеме не совпадает цветовая гамма с моей и тем более порядок подключения!
Есть догадка, что на данной схеме показано механическое управление климатом, так как на мою панель климата не приходит ни один провод толщиной 2 квадрата!
2L идет на резистор, а с него уже напрямую на мотор уходит 2L-W (колхоз исключен, все штатное!)
Черный с белой полосой - я так подозреваю, что это масса! (все точки массы на кузове и панели проверил)
Управление думаю все же "+"!
Да и что то я разъема С-35 не вижу?
Белые фишки сам ставил - был отрезан разъем предыдущим хозяином!
И еще раз повторюсь - на данной схеме не совпадает цветовая гамма с моей и тем более порядок подключения!
Есть догадка, что на данной схеме показано механическое управление климатом, так как на мою панель климата не приходит ни один провод толщиной 2 квадрата!
MMC Pajero 2, 6G72, бодик 6см,пружины от Сафаря, Cooper Discoverer STT 33-12,5-15!
- drcham
- Модератор
- Сообщения: 14459
- Зарегистрирован: 08 апр 2006, 13:42
- Двигатель:: Бензин
- Мой автомобиль(и):: Wrangler JLU Rubicon
- Откуда: Москва
- Откуда: Москва ЮЗАО
- Благодарил (а): 63 раза
- Поблагодарили: 231 раз
- Контактная информация:
Re: Помогите - не работает мотор печки!
Вы на схему смотрели ? 2L идет на фишку C35 которая одевается на разъем на корпусе мотора.Антон2010 писал(а):Давайте по порядку!
2L идет на резистор, а с него уже напрямую на мотор уходит 2L-W (колхоз исключен, все штатное!)
Черный с белой полосой - я так подозреваю, что это масса! (все точки массы на кузове и панели проверил)
Управление думаю все же "+"!
Да и что то я разъема С-35 не вижу?
Белые фишки сам ставил - был отрезан разъем предыдущим хозяином!
И еще раз повторюсь - на данной схеме не совпадает цветовая гамма с моей и тем более порядок подключения!
Есть догадка, что на данной схеме показано механическое управление климатом, так как на мою панель климата не приходит ни один провод толщиной 2 квадрата!
2B-W идет на выключатель отопителя и на блок резисторов. В целом проверка простая. При включении вентилятора на максимум питание идет минуя блок резисторов. В таком случае на проводе 2B-W должная быть масса. И на фишке будет напряжение. Проверьте.
На блок климата там ничего не идет. Оно завязано только на самой панели где включается вентилятор.
4LO&GO! Wrangler JLU Rubicon
- drcham
- Модератор
- Сообщения: 14459
- Зарегистрирован: 08 апр 2006, 13:42
- Двигатель:: Бензин
- Мой автомобиль(и):: Wrangler JLU Rubicon
- Откуда: Москва
- Откуда: Москва ЮЗАО
- Благодарил (а): 63 раза
- Поблагодарили: 231 раз
- Контактная информация:
Re: Помогите - не работает мотор печки!
Фишка блока резисторов C38 и на ней должно быть 4 разъема.
4LO&GO! Wrangler JLU Rubicon
- Антон2010
- Сообщения: 393
- Зарегистрирован: 20 май 2010, 15:27
- Двигатель:: 6G72
- Мой автомобиль(и):: Pajero 2
- Откуда: Оттуда
- Благодарил (а): 1 раз
- Поблагодарили: 14 раз
Re: Помогите - не работает мотор печки!
Вот именно, что С-38!
Еще раз повторю - на эту фишку питание приходит, с нее НЕТ!
Масса везде есть, сегодня проверил!
Еще раз повторю - на эту фишку питание приходит, с нее НЕТ!
Масса везде есть, сегодня проверил!
MMC Pajero 2, 6G72, бодик 6см,пружины от Сафаря, Cooper Discoverer STT 33-12,5-15!
- drcham
- Модератор
- Сообщения: 14459
- Зарегистрирован: 08 апр 2006, 13:42
- Двигатель:: Бензин
- Мой автомобиль(и):: Wrangler JLU Rubicon
- Откуда: Москва
- Откуда: Москва ЮЗАО
- Благодарил (а): 63 раза
- Поблагодарили: 231 раз
- Контактная информация:
Re: Помогите - не работает мотор печки!
Скорее всего дело в блоке резисторов. Его надо снять с фишки и проверить. Но даже в таком случае печка на максимуме должна работать когда цепь будет через выход Hi (7 нога на переключателе) и оттуда через 2B-W на фишку C-35 (BLOWER MOTOR).
Вытаскиваешь фишку C-35 (размыкаешь цепь). И начинаешь выяснять наличие контакта с кузовом с клеммой на фишке C-35 в разных положениях переключателя.
На эту фишку(что на блок резисторов) приходит питание т.к. мотор цел (нет разрыва).
Как устроен блок резисторов я не знаю. Может быть там обрыв, а может и диоды стоят поэтому нет на выходе питания.
Вытаскиваешь фишку C-35 (размыкаешь цепь). И начинаешь выяснять наличие контакта с кузовом с клеммой на фишке C-35 в разных положениях переключателя.
На эту фишку(что на блок резисторов) приходит питание т.к. мотор цел (нет разрыва).
Как устроен блок резисторов я не знаю. Может быть там обрыв, а может и диоды стоят поэтому нет на выходе питания.
4LO&GO! Wrangler JLU Rubicon
-
Старый_Пень
- Сообщения: 153
- Зарегистрирован: 01 авг 2013, 21:31
- Двигатель:: 6G72
- Мой автомобиль(и):: Паджеро2
- Откуда: Тюмень
- Благодарил (а): 3 раза
- Поблагодарили: 2 раза
Re: Помогите - не работает мотор печки!
влезу в тему, ТС извиняй))), вообщем у меня паджеро 2 бензиновый, печка обычные крутилки, 93 года левый руль. вообщем еще прошлой зимой появилась проблема, печка свистит пока не прогреется, и в морозы порой просто не запускалась, стояла немного и все нормально работало. так пару раз было в сильные морозы, потом нормально, так и забил, теперь осень опять печка свистеть начала пока холодная. сегодня завел машину греться, печка стояла на 4 скорости, начала сильно дуть, выключил совсем для более быстрого прогрева, когда машина немного прогрелась, печка уже не включилась ни на какой скорости, завтра не знаю что будет. дак вот, может у кого такое было?
- bambrr
- Сообщения: 302
- Зарегистрирован: 17 июн 2009, 01:41
- Двигатель:: 6G72
- Мой автомобиль(и):: Mitsubishi Моntero Sport
- Откуда: Казахстан г.Актау
- Благодарил (а): 4 раза
- Поблагодарили: 17 раз
Re: Помогите - не работает мотор печки!
To Антон2010
У меня проблема была - вентилятор работал только на двух крайних положениях крутилки. Виноват был резистор (MR 315432),который стоит на корпусе самого вентилятора. По книжке проверяется сопротивление между ножками колодки.Керамический корпус был в микротрещинах. Поставил новый резистор - заработал без проблем. Цена вопроса - чуток меньше 1000р.
ЗЫ. Правда у меня Монтеро Спорт...
У меня проблема была - вентилятор работал только на двух крайних положениях крутилки. Виноват был резистор (MR 315432),который стоит на корпусе самого вентилятора. По книжке проверяется сопротивление между ножками колодки.Керамический корпус был в микротрещинах. Поставил новый резистор - заработал без проблем. Цена вопроса - чуток меньше 1000р.
ЗЫ. Правда у меня Монтеро Спорт...
Mitsubishi Моntero Sport LS,AWD,6G72, 2002 г. золотистый, ГБО BRC, Air Lift 1000 в пружинах,Cooper AT-3 265/70 R16, Multitronics RIF-500
- igor-857
- Сообщения: 1339
- Зарегистрирован: 23 окт 2010, 17:40
- Двигатель:: 6G75
- Мой автомобиль(и):: PAJERO 4
- Откуда: 190Rus
- Откуда: Домодедово
- Поблагодарили: 25 раз
Re: Помогите - не работает мотор печки!
на праворуких авто-2 разьёма.на леворуких-4drcham писал(а):Фишка блока резисторов C38 и на ней должно быть 4 разъема.
pajero2-5 дв-1993-1996-1999 г.в-5 мкпп.super-select-2500td-2800td было
pajero4-5 дв-2007 г.в-5 акпп.super-select.3200td-было
pajero4-5 дв-2007 г.в-5 акпп.super-select 3800l-сейчас\газ.оборуд\
тел-8 968 412 43 86
Активация Autel ap200,Launch,Autocom
pajero4-5 дв-2007 г.в-5 акпп.super-select.3200td-было
pajero4-5 дв-2007 г.в-5 акпп.super-select 3800l-сейчас\газ.оборуд\
тел-8 968 412 43 86
Активация Autel ap200,Launch,Autocom
-
Natasha_N
- Сообщения: 4
- Зарегистрирован: 26 окт 2014, 00:14
- Двигатель:: дизель
- Мой автомобиль(и):: Паджеро
- Откуда: Уфа
- Откуда: Москва
Re: Помогите - не работает мотор печки!
Из задней печки дует теплый воздух, но не настолько теплый, чтобы прогреть машину в морозы, а на панели вообще дует холодный, на лобовое дует чуть чуть теплый. В прошлую зиму в салоне даже лед на стеклах намерзал. Съездила в 2 сервиса. Никакого результата. Что делать?
- Nbf
- Дикий Админ
- Сообщения: 27693
- Зарегистрирован: 30 авг 2006, 17:58
- Двигатель:: 4D56t,
- Мой автомобиль(и):: L200'Беззубик Citroen'Мария
- Откуда: из тех ворот, что и весь народ
- Откуда: Ст.Купавна, Балашиха-1
- Благодарил (а): 1128 раз
- Поблагодарили: 1465 раз
- Контактная информация:
Re: Помогите - не работает мотор печки!
http://pajero4x4.ru/bbs/phpBB2/viewtopi ... lit=+печкаNatasha_N писал(а):Из задней печки дует теплый воздух, но не настолько теплый, чтобы прогреть машину в морозы, а на панели вообще дует холодный, на лобовое дует чуть чуть теплый. В прошлую зиму в салоне даже лед на стеклах намерзал. Съездила в 2 сервиса. Никакого результата. Что делать?
Павел.
Терпение и труд - мне не идут!
______________
L-200, '08, SS, АКПП, 4D56t, MT 285/75/16, EW-12000.
тел. (Ч95)6Ч2ЗО92
Юридические услуги http://www.expertcity.ru
Группа Паджеро в ТГ: https://t.me/pajeroclubru
Группа Паджеро в VK: https://vk.com/pajerorussia
Терпение и труд - мне не идут!
______________
L-200, '08, SS, АКПП, 4D56t, MT 285/75/16, EW-12000.
тел. (Ч95)6Ч2ЗО92
Юридические услуги http://www.expertcity.ru
Группа Паджеро в ТГ: https://t.me/pajeroclubru
Группа Паджеро в VK: https://vk.com/pajerorussia
-
Andrey_Sel
- Сообщения: 4
- Зарегистрирован: 22 дек 2014, 03:43
- Двигатель:: 4M40
- Мой автомобиль(и):: Mitsubishi Pajero2 V-46
- Откуда: Сахалин
Re: Помогите - не работает мотор печки!
Добрый день!
Нужна помощь, проблема по своей сути почти как выше изложено у Антон2010. Но вот у меня вентилятор работает только на 4-ом положении, а 1-2-3 отсутствует. я полез искать резистор, нашел. Но к моему удивлению на нем всего два контакта, а на схеме показано четыре контакта. печка с электронным управлением.
Нужна помощь, проблема по своей сути почти как выше изложено у Антон2010. Но вот у меня вентилятор работает только на 4-ом положении, а 1-2-3 отсутствует. я полез искать резистор, нашел. Но к моему удивлению на нем всего два контакта, а на схеме показано четыре контакта. печка с электронным управлением.
- fishplus
- Сообщения: 75
- Зарегистрирован: 01 окт 2015, 19:37
- Двигатель:: бензин
- Мой автомобиль(и):: монтеро-спорт
- Откуда: пушкино
Re: Помогите - не работает мотор печки!
Так же разбираюсь с проблемой. Когда померал гена, то и умерла печка. Мотор печки не крутится не на 1.2.3.4 положение. резистор новый. предохранители целы. регулятор живой. отдельно мотор работает. куда рыть не знаю.
-
ionizator
- Сообщения: 34
- Зарегистрирован: 13 ноя 2013, 22:04
- Двигатель:: 3.0 V6
- Мой автомобиль(и):: pajero 2 1998 3.0 из ОАЭ/ opel astra H SW/ lada 2108 280h.p
- Откуда: Москва
- Откуда: from www.lada.cc
- Контактная информация:
Re: Помогите - не работает мотор печки!
всем привет!
не работает 3 из 4 скоростей.
Pajero 2 6g72 1998 Год
я так понял скорей всего это резистор\ы где их искать с какой стороны кто подскажет (может также есть у кого номер его).
заранее спасибо
не работает 3 из 4 скоростей.
Pajero 2 6g72 1998 Год
я так понял скорей всего это резистор\ы где их искать с какой стороны кто подскажет (может также есть у кого номер его).
заранее спасибо
Помощь при ДТП http://www.lada.cc/board/index.php?showtopic=102879
- bambrr
- Сообщения: 302
- Зарегистрирован: 17 июн 2009, 01:41
- Двигатель:: 6G72
- Мой автомобиль(и):: Mitsubishi Моntero Sport
- Откуда: Казахстан г.Актау
- Благодарил (а): 4 раза
- Поблагодарили: 17 раз
Re: Помогите - не работает мотор печки!
не знаю как на Паджеро 2, на Монтеро Спорт MR 315432
Если он нашахнулся, будет только максимальная скорость. Стоит в корпусе вентилятора печки.
Если он нашахнулся, будет только максимальная скорость. Стоит в корпусе вентилятора печки.
Mitsubishi Моntero Sport LS,AWD,6G72, 2002 г. золотистый, ГБО BRC, Air Lift 1000 в пружинах,Cooper AT-3 265/70 R16, Multitronics RIF-500
- Captain Sergio
- Сообщения: 4557
- Зарегистрирован: 30 янв 2012, 22:01
- Двигатель:: 4G18
- Мой автомобиль(и):: Pajero Пинин, 1999, АКПП, BMW X5
- Откуда: Ульяновск
- Благодарил (а): 264 раза
- Поблагодарили: 346 раз
Re: Помогите - не работает мотор печки!
Это резисторы. Номер mb657428 искать по идее около вентилятора отопителя
Сергей. Все будет хорошо! Грязезащита для рамных автомобилей.
-
ionizator
- Сообщения: 34
- Зарегистрирован: 13 ноя 2013, 22:04
- Двигатель:: 3.0 V6
- Мой автомобиль(и):: pajero 2 1998 3.0 из ОАЭ/ opel astra H SW/ lada 2108 280h.p
- Откуда: Москва
- Откуда: from www.lada.cc
- Контактная информация:
Re: Помогите - не работает мотор печки!
спасибо большое за помощь!
А како номер на Pajero2? и в чём разница??
MR 315432 или mb657428
А како номер на Pajero2? и в чём разница??
MR 315432 или mb657428
Помощь при ДТП http://www.lada.cc/board/index.php?showtopic=102879
- Captain Sergio
- Сообщения: 4557
- Зарегистрирован: 30 янв 2012, 22:01
- Двигатель:: 4G18
- Мой автомобиль(и):: Pajero Пинин, 1999, АКПП, BMW X5
- Откуда: Ульяновск
- Благодарил (а): 264 раза
- Поблагодарили: 346 раз
Re: Помогите - не работает мотор печки!
Мой на Паджеро 2. В чем разница - ХЗ
Сергей. Все будет хорошо! Грязезащита для рамных автомобилей.
-
Валюта
- Сообщения: 20
- Зарегистрирован: 20 авг 2012, 16:32
- Двигатель:: 4m40
- Мой автомобиль(и):: Pajero
- Откуда: Братск
- Поблагодарили: 2 раза
Re: Помогите - не работает мотор печки!
Такая же проблема. После замены радиатора переднего отопителя моторчик стал работать не корректно. Пульт управления у меня mr201969 с ж/к дисплеем. На первом положении моторчик крутит еле-еле. При добавлении оборотов с 1 по 7 положение ничего не меняется. При включении 8 начинает крутить быстрее,но не на максимальных оборотах. В чем дело? Кто поможет разобраться? Help!!!!!
