Посидел немного, подумал
Получилось все достаточно красиво
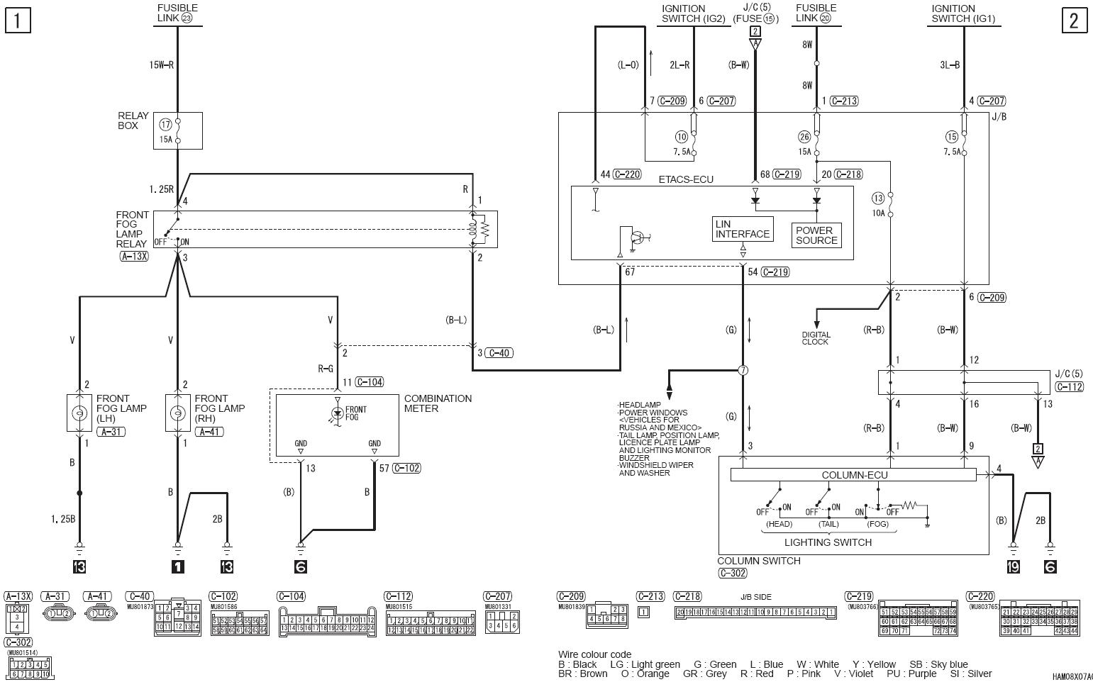
Вообщем идея такова, что в комплектации S05 есть штатные противотуманные фары. Они сидят на своем предохранителе и штатно подключены через реле, которое управляется появлением минуса при включении противотуманок на рукоятке руля.
Вот этот минус мы и будем подавать самостоятельно на реле противотуманных фар.
Слева от руля, внизу есть блок предохранителей, к которому подходят с левого боку два разъема, в ближнем разъеме есть черный провод с синей полосой. Достаточно на него подать землю, как сразу включатся противотуманные фары. (это 67 контакт разъема C-219)
При этом ключа в замке зажигания нет, а фары загораются, причем загораются только фары
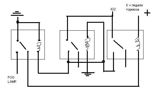
Также разработал схему на 3-ех реле с автоподхватом, к которым подходят IG2, "+" педали тормоза земля и вышеописанный провод - всего 4-ре провода.
При нажатии на педаль тормоза и включенном зажигании зажгутся противотуманные фары и будут гореть до тех пор пока не будет выключено зажигание - что мне и надо было
Если кому будет интересно сброшу схему из трех реле, просто ее еще нарисовать надо в компьютере, пока у меня она на бумаге
окончательный вариант
