Куда капать? У кого есть схемы на Четверку?
При заведенном двигателе горит задний левый стоп
Модераторы: SNOOPER, Nbf, Romik, BAlex
- Алекс
- Модератор
- Сообщения: 3040
- Зарегистрирован: 10 июн 2003, 16:10
- Двигатель:: 4D56, 4M40, Out III 2.4
- Мой автомобиль(и):: I, II, II+, Out III
- Откуда: Ростов-на-Дону
- Откуда: г. Ростов-на-Дону, Юг России
- Благодарил (а): 1 раз
- Поблагодарили: 13 раз
- Контактная информация:
При заведенном двигателе горит задний левый стоп
Паджеро IV дизель длинный от 2007 года. Постоянно горит задний левый стоп. Не важно нажата ли педаль тормоза или нет, включены габариты или нет, от сигналки ли завелся двигатель или с ключа - горит и все. Даже колодка в которую вставлена лампочка начала чернеть. НА разьем лампочки при включении двигла приходит 12 вольт. Остальные лампочки работают штатно - реагируют на нажатие педали.
Куда капать? У кого есть схемы на Четверку?
Куда капать? У кого есть схемы на Четверку?
Рай без проституток и вина, но с попами ? - Да это - ад какой-то !
- Алекс
- Модератор
- Сообщения: 3040
- Зарегистрирован: 10 июн 2003, 16:10
- Двигатель:: 4D56, 4M40, Out III 2.4
- Мой автомобиль(и):: I, II, II+, Out III
- Откуда: Ростов-на-Дону
- Откуда: г. Ростов-на-Дону, Юг России
- Благодарил (а): 1 раз
- Поблагодарили: 13 раз
- Контактная информация:
Re: При заведенном двигателе горит задний левый стоп
нету
Рай без проституток и вина, но с попами ? - Да это - ад какой-то !
- megranny
- Сообщения: 6152
- Зарегистрирован: 18 июл 2011, 01:22
- Двигатель:: дизель 4M41
- Мой автомобиль(и):: Subaru Forester III(S12),MP IV-3,2 Di-D Ultimate
- Откуда: ЦФО,76
- Благодарил (а): 16 раз
- Поблагодарили: 79 раз
Re: При заведенном двигателе горит задний левый стоп
Есть ли тут где копать,хз.Посмотри самАлекс писал(а): ... Куда капать? У кого есть схемы на Четверку?
I made in Japan
- Алекс
- Модератор
- Сообщения: 3040
- Зарегистрирован: 10 июн 2003, 16:10
- Двигатель:: 4D56, 4M40, Out III 2.4
- Мой автомобиль(и):: I, II, II+, Out III
- Откуда: Ростов-на-Дону
- Откуда: г. Ростов-на-Дону, Юг России
- Благодарил (а): 1 раз
- Поблагодарили: 13 раз
- Контактная информация:
Re: При заведенном двигателе горит задний левый стоп
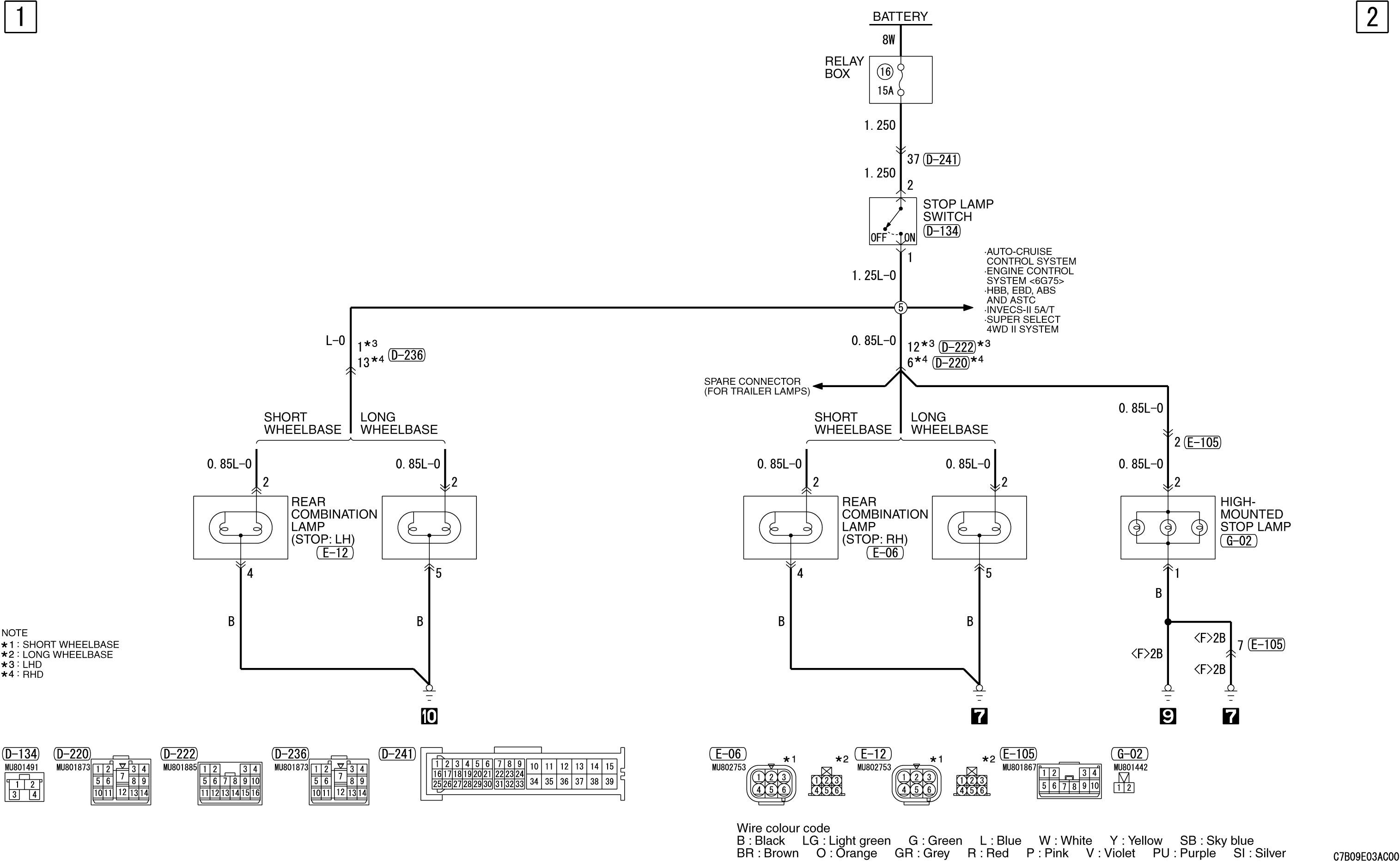
Да оно! На контактах 2 и 5 разьема F16 при запуске двигателя 12 В. При этом на правой стороне нету напряжения!
Спасибо. Дай схему, чтобы понять где расположены разьемы D222 и D236!
Насколько я понял раз разьем с наименованием D - то это значит dashPanel - под портпризом?
Спасибо. Дай схему, чтобы понять где расположены разьемы D222 и D236!
Насколько я понял раз разьем с наименованием D - то это значит dashPanel - под портпризом?
Последний раз редактировалось Алекс 14 апр 2012, 23:53, всего редактировалось 1 раз.
Рай без проституток и вина, но с попами ? - Да это - ад какой-то !
- megranny
- Сообщения: 6152
- Зарегистрирован: 18 июл 2011, 01:22
- Двигатель:: дизель 4M41
- Мой автомобиль(и):: Subaru Forester III(S12),MP IV-3,2 Di-D Ultimate
- Откуда: ЦФО,76
- Благодарил (а): 16 раз
- Поблагодарили: 79 раз
Re: При заведенном двигателе горит задний левый стоп
Спросил,дак спросил!Алекс писал(а):...Дай схему, чтобы понять где расположены разьемы D222 и D236!
Т.к. схематического расположения коннекторов в книге не нашел.Сейчас пошарюсь,конечно еще,но вряд ли есть такое дело.
Надо искать фишку под торпедой,похожую на рисунок.
I made in Japan
- Алекс
- Модератор
- Сообщения: 3040
- Зарегистрирован: 10 июн 2003, 16:10
- Двигатель:: 4D56, 4M40, Out III 2.4
- Мой автомобиль(и):: I, II, II+, Out III
- Откуда: Ростов-на-Дону
- Откуда: г. Ростов-на-Дону, Юг России
- Благодарил (а): 1 раз
- Поблагодарили: 13 раз
- Контактная информация:
Re: При заведенном двигателе горит задний левый стоп
Я вижу по схеме только один разьем d222 под панелью на коробочке называемой Junction box, но я смотрю в мануал на Тройку и соответственно не нахожу D236. У тебя схемы на Четверку?
Рай без проституток и вина, но с попами ? - Да это - ад какой-то !
- megranny
- Сообщения: 6152
- Зарегистрирован: 18 июл 2011, 01:22
- Двигатель:: дизель 4M41
- Мой автомобиль(и):: Subaru Forester III(S12),MP IV-3,2 Di-D Ultimate
- Откуда: ЦФО,76
- Благодарил (а): 16 раз
- Поблагодарили: 79 раз
Re: При заведенном двигателе горит задний левый стоп
Да,схема с четверки .
Вот смотри еще схема задних фонарей.Там тоже эти разъемы.
Может быть эти фишки-разъемы рядом с фонарями?
Вот смотри еще схема задних фонарей.Там тоже эти разъемы.
Может быть эти фишки-разъемы рядом с фонарями?
I made in Japan
- megranny
- Сообщения: 6152
- Зарегистрирован: 18 июл 2011, 01:22
- Двигатель:: дизель 4M41
- Мой автомобиль(и):: Subaru Forester III(S12),MP IV-3,2 Di-D Ultimate
- Откуда: ЦФО,76
- Благодарил (а): 16 раз
- Поблагодарили: 79 раз
Re: При заведенном двигателе горит задний левый стоп
Тем более,что с правого фонаря идет разводка на прицеп.
I made in Japan
- Алекс
- Модератор
- Сообщения: 3040
- Зарегистрирован: 10 июн 2003, 16:10
- Двигатель:: 4D56, 4M40, Out III 2.4
- Мой автомобиль(и):: I, II, II+, Out III
- Откуда: Ростов-на-Дону
- Откуда: г. Ростов-на-Дону, Юг России
- Благодарил (а): 1 раз
- Поблагодарили: 13 раз
- Контактная информация:
Re: При заведенном двигателе горит задний левый стоп
Последняя схема это лампочки заднего хода. Горит у меня лампочка левая.
Как снимаешь левый задний фонарь он соединен с кузовной проводкой через разьем Е12 - он расположен на нижней горизонтальной плоскости ниши фонаря. Фонарь отключаешь, а на 2 контакте - 12В (5 контакт общий - земля)
Еще в схеме ошибка - цвет провода подходящего к контакту 2 разьема Е12 - светло зеленый. На схеме он обозначен как L-O. Я бы расшифровал как светло оранжевый, но такого цвета в диаграммах нет.
Нада определяться с разьемом D236 иначе бы и правый фонарь горел.
Как снимаешь левый задний фонарь он соединен с кузовной проводкой через разьем Е12 - он расположен на нижней горизонтальной плоскости ниши фонаря. Фонарь отключаешь, а на 2 контакте - 12В (5 контакт общий - земля)
Еще в схеме ошибка - цвет провода подходящего к контакту 2 разьема Е12 - светло зеленый. На схеме он обозначен как L-O. Я бы расшифровал как светло оранжевый, но такого цвета в диаграммах нет.
Нада определяться с разьемом D236 иначе бы и правый фонарь горел.
Последний раз редактировалось Алекс 15 апр 2012, 00:30, всего редактировалось 1 раз.
Рай без проституток и вина, но с попами ? - Да это - ад какой-то !
- SNOOPER
- Модератор
- Сообщения: 57430
- Зарегистрирован: 11 дек 2004, 19:49
- Двигатель:: 4D56
- Мой автомобиль(и):: NewMPS
- Откуда: 78
- Откуда: Spb
- Благодарил (а): 1027 раз
- Поблагодарили: 4785 раз
Re: При заведенном двигателе горит задний левый стоп
ПользуйАлекс писал(а): . Дай схему, чтобы понять где расположены разьемы D222 и D236!
- Вложения
-
- G.pdf
- (73.73 КБ) 38 скачиваний
- Алекс
- Модератор
- Сообщения: 3040
- Зарегистрирован: 10 июн 2003, 16:10
- Двигатель:: 4D56, 4M40, Out III 2.4
- Мой автомобиль(и):: I, II, II+, Out III
- Откуда: Ростов-на-Дону
- Откуда: г. Ростов-на-Дону, Юг России
- Благодарил (а): 1 раз
- Поблагодарили: 13 раз
- Контактная информация:
Re: При заведенном двигателе горит задний левый стоп
Ай да спасибки!!!!! Просто слов нет! Преисполнен благодарности! Завтра полезу смотреть, что там и как!
Рай без проституток и вина, но с попами ? - Да это - ад какой-то !
- Алекс
- Модератор
- Сообщения: 3040
- Зарегистрирован: 10 июн 2003, 16:10
- Двигатель:: 4D56, 4M40, Out III 2.4
- Мой автомобиль(и):: I, II, II+, Out III
- Откуда: Ростов-на-Дону
- Откуда: г. Ростов-на-Дону, Юг России
- Благодарил (а): 1 раз
- Поблагодарили: 13 раз
- Контактная информация:
Re: При заведенном двигателе горит задний левый стоп
Саш, а есть откуда это все качнуть, чтобы вас не беспокоить?
Рай без проституток и вина, но с попами ? - Да это - ад какой-то !
- SNOOPER
- Модератор
- Сообщения: 57430
- Зарегистрирован: 11 дек 2004, 19:49
- Двигатель:: 4D56
- Мой автомобиль(и):: NewMPS
- Откуда: 78
- Откуда: Spb
- Благодарил (а): 1027 раз
- Поблагодарили: 4785 раз
- megranny
- Сообщения: 6152
- Зарегистрирован: 18 июл 2011, 01:22
- Двигатель:: дизель 4M41
- Мой автомобиль(и):: Subaru Forester III(S12),MP IV-3,2 Di-D Ultimate
- Откуда: ЦФО,76
- Благодарил (а): 16 раз
- Поблагодарили: 79 раз
Re: При заведенном двигателе горит задний левый стоп
А почему на схеме две лампочки нарисованы?Их действительно две?может и глупый вопрос,но даже не интересовался в эту сторону.
I made in Japan
- Алекс
- Модератор
- Сообщения: 3040
- Зарегистрирован: 10 июн 2003, 16:10
- Двигатель:: 4D56, 4M40, Out III 2.4
- Мой автомобиль(и):: I, II, II+, Out III
- Откуда: Ростов-на-Дону
- Откуда: г. Ростов-на-Дону, Юг России
- Благодарил (а): 1 раз
- Поблагодарили: 13 раз
- Контактная информация:
Re: При заведенном двигателе горит задний левый стоп
Большущее спасибо! Есть чем руки завтра занять 
Рай без проституток и вина, но с попами ? - Да это - ад какой-то !
- Алекс
- Модератор
- Сообщения: 3040
- Зарегистрирован: 10 июн 2003, 16:10
- Двигатель:: 4D56, 4M40, Out III 2.4
- Мой автомобиль(и):: I, II, II+, Out III
- Откуда: Ростов-на-Дону
- Откуда: г. Ростов-на-Дону, Юг России
- Благодарил (а): 1 раз
- Поблагодарили: 13 раз
- Контактная информация:
Re: При заведенном двигателе горит задний левый стоп
Это не две лампочки - это одна двухнитевая лампочка. 5W - Габарит, 21W - Стопmegranny писал(а):А почему на схеме две лампочки нарисованы?Их действительно две?может и глупый вопрос,но даже не интересовался в эту сторону.
Рай без проституток и вина, но с попами ? - Да это - ад какой-то !
- megranny
- Сообщения: 6152
- Зарегистрирован: 18 июл 2011, 01:22
- Двигатель:: дизель 4M41
- Мой автомобиль(и):: Subaru Forester III(S12),MP IV-3,2 Di-D Ultimate
- Откуда: ЦФО,76
- Благодарил (а): 16 раз
- Поблагодарили: 79 раз
Re: При заведенном двигателе горит задний левый стоп
Ага,а габариты правильно горят?Левая лампа включается и выключается?
I made in Japan
- SNOOPER
- Модератор
- Сообщения: 57430
- Зарегистрирован: 11 дек 2004, 19:49
- Двигатель:: 4D56
- Мой автомобиль(и):: NewMPS
- Откуда: 78
- Откуда: Spb
- Благодарил (а): 1027 раз
- Поблагодарили: 4785 раз
Re: При заведенном двигателе горит задний левый стоп
Эх ты............... знай и люби свой форум http://www.pajero4x4.ru/bbs/phpBB2/view ... 60&t=34997Алекс писал(а):Саш, а есть откуда это все качнуть, чтобы вас не беспокоить?
