Пересветка приборной панели и кнопок

Mitsubishi Pajero/Montero III

Модераторы: SNOOPER, Nbf, Romik, BAlex, drcham, DenVer

Аватара пользователя
hc2hunter
Сообщения: 7164
Зарегистрирован: 03 фев 2013, 14:29
Двигатель:: 6G74 MPI
Мой автомобиль(и):: Montero 3 Limited, 2001
Откуда: Смоленск
Благодарил (а): 444 раза
Поблагодарили: 450 раз

Re: Пересветка приборной панели

Сообщение hc2hunter »

М-де... :(

А напыление со шкал с обратной стороны ты сдирал как на фотках выше? прямо "до белого" ?
И, как я понимаю, отражатели все-таки остаются на месте, над лентами.
Montero 3 LTD 2001, 3.5 6G74 MPI, АКПП v5a51
- Как показала практика — для начала неплохо было бы ознакомиться с теорией (с)
Аватара пользователя
Morgan24
Сообщения: 328
Зарегистрирован: 20 мар 2011, 20:18
Двигатель:: 6G74
Мой автомобиль(и):: Montero 3
Откуда: Красноярск
Благодарил (а): 1 раз
Поблагодарили: 10 раз
Контактная информация:

Re: Пересветка приборной панели

Сообщение Morgan24 »

мелкой наждачкой все прекрасно сдирается
Аватара пользователя
hc2hunter
Сообщения: 7164
Зарегистрирован: 03 фев 2013, 14:29
Двигатель:: 6G74 MPI
Мой автомобиль(и):: Montero 3 Limited, 2001
Откуда: Смоленск
Благодарил (а): 444 раза
Поблагодарили: 450 раз

Re: Пересветка приборной панели

Сообщение hc2hunter »

Вроде пересветил...
Использовал ленту диодную 120 диодов / метр.
Лента самоклеящаяся, но в некоторых местах страховал каплями герметика.
Тонировку со шкал смывал женской жидкостью для снятия лака и ватными дисками.

Стрелки придумал как пометить и как снять. Посадил назад в точности как и были.
В общем, с ними так:
  1. стрелки бензина и температуры и так находятся уже в крайнем положении. на краешке коричневой подкладки напротив их кончиков просто ставим маленькие точечки фломастером. в месте, которое в будущем закрыто черной крышкой с "колодцами". ну и потом соответственно просто одеваем стрелки как было.
  2. со стрелками спидометра и тахометра несколько сложнее, т.к. им мешает упасть на крайнее положение ограничитель.
    я слегка приподнял их вверх миллиметра на 3, а потом аккуратно перевел через ограничитель (гибкости хватает чтобы это сделать ничего не погнув). ну и соответственно опять помечаем фломастером куда кончики смотрят.
    назад наоборот. одеваем слегонца, не глубоко, направив на точку. переводим за ограничитель. окончательно утапливаем.
Световоды остались на месте. Также в штатные места воткнул патроны с мощными SMD-диодами для подсветки стрелок. Кое-где видно на фото даже комбинировал их по 2 штучки, чтобы они точнее смотрели в световоды.

В целом в-живую смотрится гораздо лучше, чем на фото...
Вложения
priborka5.jpg
priborka4.jpg
priborka3.jpg
priborka2.jpg
priborka1.jpg
Оригиальное напыление на циферблатах
Оригиальное напыление на циферблатах
Смытое напыление
Смытое напыление
Montero 3 LTD 2001, 3.5 6G74 MPI, АКПП v5a51
- Как показала практика — для начала неплохо было бы ознакомиться с теорией (с)
Аватара пользователя
hc2hunter
Сообщения: 7164
Зарегистрирован: 03 фев 2013, 14:29
Двигатель:: 6G74 MPI
Мой автомобиль(и):: Montero 3 Limited, 2001
Откуда: Смоленск
Благодарил (а): 444 раза
Поблагодарили: 450 раз

Re: Пересветка приборной панели

Сообщение hc2hunter »

Покатался сегодня...
Светит шопипец )))
Красиво, конечно, равномерно. Но даже хода реостата не хватает, чтобы приглушить подсветку шкал достаточно сильно. Ярко даже на солнце.
Придется видимо перед светодиодными лентами, подсвечивающими шкалы, вставить сопротивления толстенькие на 30-50 Ом, чтобы хотя бы 2-3 Вольта со шкал сожрали.
Montero 3 LTD 2001, 3.5 6G74 MPI, АКПП v5a51
- Как показала практика — для начала неплохо было бы ознакомиться с теорией (с)
Аватара пользователя
HiTEX
Сообщения: 7008
Зарегистрирован: 29 мар 2009, 20:13
Двигатель:: 6G72 24V
Мой автомобиль(и):: Pajero III коротыш
Откуда: Алма-Ата
Благодарил (а): 74 раза
Поблагодарили: 327 раз

Re: Пересветка приборной панели

Сообщение HiTEX »

Греться будет твоё сопротивление... "шопипец )))"
Дед Василь
Аватара пользователя
hc2hunter
Сообщения: 7164
Зарегистрирован: 03 фев 2013, 14:29
Двигатель:: 6G74 MPI
Мой автомобиль(и):: Montero 3 Limited, 2001
Откуда: Смоленск
Благодарил (а): 444 раза
Поблагодарили: 450 раз

Re: Пересветка приборной панели

Сообщение hc2hunter »

А я потому и написал "толстенькие".
Думаю, 0,5...1 Ватт должно быть нормально, т.к. одна шкала съедает примерно 1-1,5 Ватта.
(прикинул на пальцах расчетами).

Опять же все в лабораторных условиях. Дома на балконе.
Включил подсветку на полчасика... и потом можно пощупать как что греется. Сделать выводы, обдумать.
Montero 3 LTD 2001, 3.5 6G74 MPI, АКПП v5a51
- Как показала практика — для начала неплохо было бы ознакомиться с теорией (с)
Аватара пользователя
hc2hunter
Сообщения: 7164
Зарегистрирован: 03 фев 2013, 14:29
Двигатель:: 6G74 MPI
Мой автомобиль(и):: Montero 3 Limited, 2001
Откуда: Смоленск
Благодарил (а): 444 раза
Поблагодарили: 450 раз

Re: Пересветка приборной панели

Сообщение hc2hunter »

Приглушил, вставив резисторы в эти цепи по 150 Ом 0,5 Вт.
Резисторы вообще холодные, даже не греются.
Общее потребление всей приборки по подсветке 0,34 А.


Но был сегодня выявлен и досадный косяк... Перестала работать лампочка CRUISE.
Днем ездил, обратил внимание.
Сам круиз работает как ни в чем ни бывало. Все корректно, а индикация его отсутствует.
Лампочка проверена, целая. В какую сторону посмотреть? В неконтакте на разъеме приборке как-то сомневаюсь...

Правда, вот, пока сегодня возился с другими салонными лампочками спалил предохранитель салонного освещения (под капотом 10А). Заменил.
Может быть как-то связано? Может еще что-то где-то спалилось?
Но, повторюсь, сам блок круиза работает без нареканий.
Montero 3 LTD 2001, 3.5 6G74 MPI, АКПП v5a51
- Как показала практика — для начала неплохо было бы ознакомиться с теорией (с)
Аватара пользователя
hc2hunter
Сообщения: 7164
Зарегистрирован: 03 фев 2013, 14:29
Двигатель:: 6G74 MPI
Мой автомобиль(и):: Montero 3 Limited, 2001
Откуда: Смоленск
Благодарил (а): 444 раза
Поблагодарили: 450 раз

Re: Пересветка приборной панели

Сообщение hc2hunter »

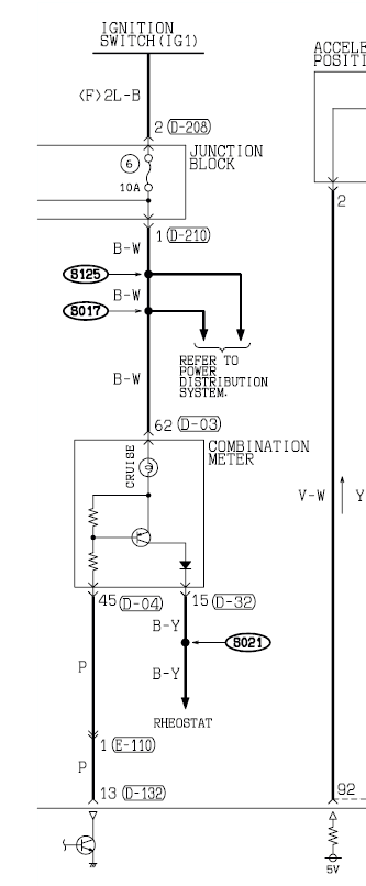
Нашел по круизу кусок схемы, как задействована лампочка.
А нафига так хитро сделано...? :*SCRATCH*:
Вложения
cruise_circuit.png
Montero 3 LTD 2001, 3.5 6G74 MPI, АКПП v5a51
- Как показала практика — для начала неплохо было бы ознакомиться с теорией (с)
Аватара пользователя
hc2hunter
Сообщения: 7164
Зарегистрирован: 03 фев 2013, 14:29
Двигатель:: 6G74 MPI
Мой автомобиль(и):: Montero 3 Limited, 2001
Откуда: Смоленск
Благодарил (а): 444 раза
Поблагодарили: 450 раз

Re: Пересветка приборной панели

Сообщение hc2hunter »

Круиз заработал.
Так и не понял до конца что с ним было... Но похоже лампочка родная была севшая до такой степени, что когда реостат выкручиваешь в минимум её вообще не видно. Вставил вместо нее диод.
Montero 3 LTD 2001, 3.5 6G74 MPI, АКПП v5a51
- Как показала практика — для начала неплохо было бы ознакомиться с теорией (с)
Аватара пользователя
hc2hunter
Сообщения: 7164
Зарегистрирован: 03 фев 2013, 14:29
Двигатель:: 6G74 MPI
Мой автомобиль(и):: Montero 3 Limited, 2001
Откуда: Смоленск
Благодарил (а): 444 раза
Поблагодарили: 450 раз

Re: Пересветка приборной панели

Сообщение hc2hunter »

Рассматривал подстветку PRND и раздатки.
Там вот на раздатке стоит лампочка в синем презервативе, и освещает надписи 2H-4H-4HLc-4LLc.
Так вот панелька с буквами с обратной стороны покрыта каким-то голубым не то лаком... не то полиэтиленом.
В общем пробовать смывать стремно, т.к. не смылись бы и буквы тоже... :*SCRATCH*:

В то время как на подсветке PRND уже с завода стоит диод и на него подается 3.5 вольта.

Хайтех, ты не ковырялся в том районе с подсветкой?
Montero 3 LTD 2001, 3.5 6G74 MPI, АКПП v5a51
- Как показала практика — для начала неплохо было бы ознакомиться с теорией (с)
Аватара пользователя
HiTEX
Сообщения: 7008
Зарегистрирован: 29 мар 2009, 20:13
Двигатель:: 6G72 24V
Мой автомобиль(и):: Pajero III коротыш
Откуда: Алма-Ата
Благодарил (а): 74 раза
Поблагодарили: 327 раз

Re: Пересветка приборной панели

Сообщение HiTEX »

Ковырялся. Влепил светодиодную полосу. Да и поменял шрифт (правда не нравится) буду переделывать.... когда - нибудь
Вложения
DSC03902.JPG
DSC03903.JPG
Дед Василь
Аватара пользователя
hc2hunter
Сообщения: 7164
Зарегистрирован: 03 фев 2013, 14:29
Двигатель:: 6G74 MPI
Мой автомобиль(и):: Montero 3 Limited, 2001
Откуда: Смоленск
Благодарил (а): 444 раза
Поблагодарили: 450 раз

Re: Пересветка приборной панели

Сообщение hc2hunter »

эх блин... у тебя же не суперселект...
значит ты с моей проблемой и не сталкивался...

а эту полосу что у тебя с буквами - смывал? было голубое напыление?
Montero 3 LTD 2001, 3.5 6G74 MPI, АКПП v5a51
- Как показала практика — для начала неплохо было бы ознакомиться с теорией (с)
Аватара пользователя
HiTEX
Сообщения: 7008
Зарегистрирован: 29 мар 2009, 20:13
Двигатель:: 6G72 24V
Мой автомобиль(и):: Pajero III коротыш
Откуда: Алма-Ата
Благодарил (а): 74 раза
Поблагодарили: 327 раз

Re: Пересветка приборной панели

Сообщение HiTEX »

Признаться, не помню что и как там. Помню, что из чёрного аракала вырезал подложку с буквафками и цыфирями, и заклеивал цветным аракалом
Дед Василь
Аватара пользователя
hc2hunter
Сообщения: 7164
Зарегистрирован: 03 фев 2013, 14:29
Двигатель:: 6G74 MPI
Мой автомобиль(и):: Montero 3 Limited, 2001
Откуда: Смоленск
Благодарил (а): 444 раза
Поблагодарили: 450 раз

Re: Пересветка приборной панели и кнопок

Сообщение hc2hunter »

С кнопкой поворота зеркал я сделал следующим образом (может кому пригодится опыт).
Т.к. у меня к ней подсветка не подведена, то я завел ее проводочком от соседней кнопки включения противотуманок.
Проковырял дырку в центре сенсоров и приклеил туда светодиодик на 12В.

Получилось вот что:
Вложения
zerk4.jpg
zerk3.jpg
zerk2.jpg
zerk1.jpg
Montero 3 LTD 2001, 3.5 6G74 MPI, АКПП v5a51
- Как показала практика — для начала неплохо было бы ознакомиться с теорией (с)
Аватара пользователя
HiTEX
Сообщения: 7008
Зарегистрирован: 29 мар 2009, 20:13
Двигатель:: 6G72 24V
Мой автомобиль(и):: Pajero III коротыш
Откуда: Алма-Ата
Благодарил (а): 74 раза
Поблагодарили: 327 раз

Re: Пересветка приборной панели и кнопок

Сообщение HiTEX »

Эх! Полезу завтра синенький светодиод выпаивать из ленты.Только сделаю запитку от штатных подводов, пусть постоянно светится когда зажигание включаешь
Дед Василь
Аватара пользователя
hc2hunter
Сообщения: 7164
Зарегистрирован: 03 фев 2013, 14:29
Двигатель:: 6G74 MPI
Мой автомобиль(и):: Montero 3 Limited, 2001
Откуда: Смоленск
Благодарил (а): 444 раза
Поблагодарили: 450 раз

Re: Пересветка приборной панели и кнопок

Сообщение hc2hunter »

HiTEX, расскажи, а как именно ты подсвечивал стрелки красным?
Интересуют фактические подробности - тип диода, один диод или два на стрелку, куда ты его там вкрячил, как он держится....
Montero 3 LTD 2001, 3.5 6G74 MPI, АКПП v5a51
- Как показала практика — для начала неплохо было бы ознакомиться с теорией (с)
Аватара пользователя
HiTEX
Сообщения: 7008
Зарегистрирован: 29 мар 2009, 20:13
Двигатель:: 6G72 24V
Мой автомобиль(и):: Pajero III коротыш
Откуда: Алма-Ата
Благодарил (а): 74 раза
Поблагодарили: 327 раз

Re: Пересветка приборной панели и кнопок

Сообщение HiTEX »

Вырезал из ПВС пластика (мягкий и прочный) вот такое крепление, наклеил два красных светодиода из ленты ну провода пустил по ножке крепления этого. Естественно подогнул верхнее колечко и кончик ножки, чтоб в плоскости были (красным пунктиром указаны места)
Вложения
Снимок.PNG
Дед Василь
Аватара пользователя
hc2hunter
Сообщения: 7164
Зарегистрирован: 03 фев 2013, 14:29
Двигатель:: 6G74 MPI
Мой автомобиль(и):: Montero 3 Limited, 2001
Откуда: Смоленск
Благодарил (а): 444 раза
Поблагодарили: 450 раз

Re: Пересветка приборной панели и кнопок

Сообщение hc2hunter »

эм... погоди.
а световоды ты все-таки выкинул?
(ну которые фигурные прозрачные пластины под шкалами).
Они же видимо будут мешать заколхозить свою подсветку стрелки.
Montero 3 LTD 2001, 3.5 6G74 MPI, АКПП v5a51
- Как показала практика — для начала неплохо было бы ознакомиться с теорией (с)
Аватара пользователя
HiTEX
Сообщения: 7008
Зарегистрирован: 29 мар 2009, 20:13
Двигатель:: 6G72 24V
Мой автомобиль(и):: Pajero III коротыш
Откуда: Алма-Ата
Благодарил (а): 74 раза
Поблагодарили: 327 раз

Re: Пересветка приборной панели и кнопок

Сообщение HiTEX »

Да не помню я. Что отламывал, что не отламывал, разницы то ни какой. Лампочки однозначно назад не поставлю
Дед Василь
Аватара пользователя
HiTEX
Сообщения: 7008
Зарегистрирован: 29 мар 2009, 20:13
Двигатель:: 6G72 24V
Мой автомобиль(и):: Pajero III коротыш
Откуда: Алма-Ата
Благодарил (а): 74 раза
Поблагодарили: 327 раз

Re: Пересветка приборной панели и кнопок

Сообщение HiTEX »

Увидел сегодня. Световоды (они служат упорами для стрелок температуры и топлива) я сточил и сделал упоры иголками от шприца.
Ну и фотки той полочки для подсветки блока приводов и открытых дверей.
Полез пропаивать резистор на стрелку топлива, за одно поменял ленту диодную (с 60 на 120 штук на метр) ::-D: Дальше не полез менять, лениво стрелки потом устанавливать на места
Вложения
DSC03907.JPG
DSC03909.JPG
DSC03910.JPG
Дед Василь
Ответить

Вернуться в «Mitsubishi Pajero/Montero III»