Есть ли смысл менять помпу на ТО-90
Модераторы: SNOOPER, Nbf, Romik, BAlex, drcham, DenVer, SoundSpeed
-
бон
- Сообщения: 14
- Зарегистрирован: 18 ноя 2010, 10:57
- Двигатель:: 6G72
- Мой автомобиль(и):: Pajero-IV 5D 2010 г. 3.0 Instayl.
- Откуда: Москва
Есть ли смысл менять помпу на ТО-90
Прошу совета у сведующих спецов. Подходит срок прохождения ТО-90.Что нужно делать знаю (в том числе и рекомендуемые работы) Остается открытым только вопрос в целесобразности замены помпы. Спецы от Оф. дилера и от "Анкара" рекомендуют соориентироваться по месту во время замены ремней приводных. Помпа стоит у них раза в два дореже чем в "Экзисте"Так что хотелось бы сэкономить в цене на помпу. Вообщем хотелось бы совета от спецов: стоит купить заранее и поменять еее во время прохождения ТО,или есть смысл ждать пока она реально "крякнет"? Леко ли ее поменять потом?
Буду благодарн за толковый совет.
Буду благодарн за толковый совет.
- Captain Sergio
- Сообщения: 4557
- Зарегистрирован: 30 янв 2012, 22:01
- Двигатель:: 4G18
- Мой автомобиль(и):: Pajero Пинин, 1999, АКПП, BMW X5
- Откуда: Ульяновск
- Благодарил (а): 264 раза
- Поблагодарили: 345 раз
Re: Есть ли смысл менять помпу на ТО-90
Чтобы поменять нужно заново всю процедуру замены ремня ГРМ сделать, то есть если завтра крякнется помпа стоить замена будет еще столько же. Помпа у меня, например, стоила 2500 (GMB, Exist). По сравнению с деньгами которые ты сейчас отдашь за замену ремня это не так много. Зато спать будешь спать спокойней. Я делал замену ремня сам, если потечет, сделаю еще раз, т.е. бесплатно. А если в сервисе - менять заодно. Не забудь колечко на задней части помпы поменять. Важно.
Сергей. Все будет хорошо! Грязезащита для рамных автомобилей.
- Lebed
- Сообщения: 10748
- Зарегистрирован: 25 июл 2010, 11:23
- Двигатель:: ******
- Мой автомобиль(и):: ******
- Откуда: ***
- Откуда: ***
- Благодарил (а): 236 раз
- Поблагодарили: 431 раз
Re: Есть ли смысл менять помпу на ТО-90
Топикстартерую
А смысл дуплета? http://pajero4x4.ru/bbs/phpBB2/viewtopi ... 0&t=115452
А смысл дуплета? http://pajero4x4.ru/bbs/phpBB2/viewtopi ... 0&t=115452
"Если театр начинается с вешалки, то за такие пьесы нужно вешать." (с)
P.S. Для упырей- "Мы с тобой Гималаи; остальные — ничтожества." (с)
P.S. Для упырей- "Мы с тобой Гималаи; остальные — ничтожества." (с)
- kuznetc51
- Сообщения: 621
- Зарегистрирован: 14 апр 2011, 22:30
- Двигатель:: дизель
- Мой автомобиль(и):: Паджеро 4
- Откуда: Апатиты
- Откуда: Мурманская область, Апатиты
- Благодарил (а): 35 раз
- Поблагодарили: 72 раза
Re: Есть ли смысл менять помпу на ТО-90
Менять с ремнём ГРМ смысл есть.бон писал(а):Прошу совета у сведующих спецов. Подходит срок прохождения ТО-90.Что нужно делать знаю (в том числе и рекомендуемые работы) Остается открытым только вопрос в целесобразности замены помпы. Спецы от Оф. дилера и от "Анкара" рекомендуют соориентироваться по месту во время замены ремней приводных. Помпа стоит у них раза в два дореже чем в "Экзисте"Так что хотелось бы сэкономить в цене на помпу. Вообщем хотелось бы совета от спецов: стоит купить заранее и поменять еее во время прохождения ТО,или есть смысл ждать пока она реально "крякнет"? Леко ли ее поменять потом?
Буду благодарн за толковый совет.
Что мешает купить помпу самостоятельно и привести ОД для замены?
- Captain Sergio
- Сообщения: 4557
- Зарегистрирован: 30 янв 2012, 22:01
- Двигатель:: 4G18
- Мой автомобиль(и):: Pajero Пинин, 1999, АКПП, BMW X5
- Откуда: Ульяновск
- Благодарил (а): 264 раза
- Поблагодарили: 345 раз
Re: Есть ли смысл менять помпу на ТО-90
Дык и я про это. Только они наверняка выеживаться будут и разводить товарища на бабки. Типа с твоей помпой гарантии не будет и т.д.
Сергей. Все будет хорошо! Грязезащита для рамных автомобилей.
-
бон
- Сообщения: 14
- Зарегистрирован: 18 ноя 2010, 10:57
- Двигатель:: 6G72
- Мой автомобиль(и):: Pajero-IV 5D 2010 г. 3.0 Instayl.
- Откуда: Москва
Re: Есть ли смысл менять помпу на ТО-90
Спасибо всем за советы. Отдельно "Leded" за ссылку на "дуплет" (просто я хреново общаюсь с компом и в поиске не нашел) Сегодня был в "Галф Крылатское".Мастер-приемщик не рекомендовал менять помпу на ТО-90,так как по его словам она ходит явно больше 90 т. км. и он что то не припомнит за последние годы что бы кто то приезжал с "крякнувшей" помпой.Сказал,что ни в обязательном регламенте,ни в рекомендуемом замена не предусмотрена. Вообщем "хозяин-барин". время подумать еще есть,но боязно попасть в Экзисте на некачественное изделие. Наверное менять не буду. Еще раз всем спасибо!
-
Алексей64
- Сообщения: 188
- Зарегистрирован: 26 апр 2012, 17:47
- Двигатель:: 6G72
- Мой автомобиль(и):: MMS 2000
- Откуда: Санкт-Петербург
- Поблагодарили: 7 раз
Re: Есть ли смысл менять помпу на ТО-90
Хорошенько подумайте над помпой.
Очень мало людей, которые честно скажут, что на 95-100 т. км летят помпы, если она у Вас крякнет - естественнен ответ: Вы у нас один из 100 000 клиентов у которого это произошло.
В глазах приемщика будет щелкать калькулятор, который будет показывать сумму замены равную ТО90.
Очень мало людей, которые честно скажут, что на 95-100 т. км летят помпы, если она у Вас крякнет - естественнен ответ: Вы у нас один из 100 000 клиентов у которого это произошло.
В глазах приемщика будет щелкать калькулятор, который будет показывать сумму замены равную ТО90.
- Lebed
- Сообщения: 10748
- Зарегистрирован: 25 июл 2010, 11:23
- Двигатель:: ******
- Мой автомобиль(и):: ******
- Откуда: ***
- Откуда: ***
- Благодарил (а): 236 раз
- Поблагодарили: 431 раз
Re: Есть ли смысл менять помпу на ТО-90
Фор Алексей64.
От себя могу добавить лишь одно- не одним Экзистом мир един)))
От себя могу добавить лишь одно- не одним Экзистом мир един)))
"Если театр начинается с вешалки, то за такие пьесы нужно вешать." (с)
P.S. Для упырей- "Мы с тобой Гималаи; остальные — ничтожества." (с)
P.S. Для упырей- "Мы с тобой Гималаи; остальные — ничтожества." (с)
- BabyHummer A-328
- Сообщения: 6030
- Зарегистрирован: 27 июн 2012, 12:30
- Двигатель:: Бензин 3.8
- Мой автомобиль(и):: Mitsubishi Pajero IV
- Откуда: Москва, Бабушкинская
- Откуда: Москва
- Благодарил (а): 166 раз
- Поблагодарили: 212 раз
Re: Есть ли смысл менять помпу на ТО-90
Судя по ответам в этой теме, а также здесь http://www.pajero4x4.ru/bbs/phpBB2/view ... 0&t=115452 и здесь http://www.pajero4x4.ru/bbs/phpBB2/view ... 0%BF%D1%8B
, замена помпы на 90 тыщах не является необходимостью. Почти в тему вопрос: Что необходимо заменить на ТО-90(я не имею ввиду масла,конечно же), а что не обязательно? Как в случае с той же помпой, которая у многих и по 200 тыщ выхаживает.
, замена помпы на 90 тыщах не является необходимостью. Почти в тему вопрос: Что необходимо заменить на ТО-90(я не имею ввиду масла,конечно же), а что не обязательно? Как в случае с той же помпой, которая у многих и по 200 тыщ выхаживает.
С уважением, Андрей
Псакой буду, если вру! :-)
Псакой буду, если вру! :-)
- Captain Sergio
- Сообщения: 4557
- Зарегистрирован: 30 янв 2012, 22:01
- Двигатель:: 4G18
- Мой автомобиль(и):: Pajero Пинин, 1999, АКПП, BMW X5
- Откуда: Ульяновск
- Благодарил (а): 264 раза
- Поблагодарили: 345 раз
Re: Есть ли смысл менять помпу на ТО-90
Я менял на ТО-180. А ездил при этом всего год на машине. И не знал в каком она состоянии и когда ее меняли. Поэтому не стал рисковать. Помпа кстати свежая была, без люфтов и подтеков, лежит. Также не забывайте про резиновое кольцо, которое на хвосте помпы стоит между головами. Условия там адские. И 200 тысяч оно вряд-ли выдержит. Его я бы по любому заменил.
Сергей. Все будет хорошо! Грязезащита для рамных автомобилей.
- юрок
- Сообщения: 766
- Зарегистрирован: 02 июл 2007, 00:24
- Двигатель:: 6G75, 6G72
- Мой автомобиль(и):: Mitsubishi Pajero IV 3.8 i , Mitsubishi Pajero Sport 1
- Откуда: Архангельская обл.
- Благодарил (а): 20 раз
- Поблагодарили: 27 раз
Re: Есть ли смысл менять помпу на ТО-90
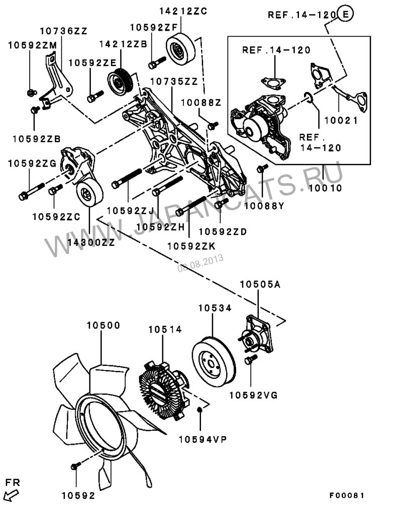
Что за кольцо? Покажите на схеме если возможно.Captain Sergio писал(а):Я менял на ТО-180. А ездил при этом всего год на машине. И не знал в каком она состоянии и когда ее меняли. Поэтому не стал рисковать. Помпа кстати свежая была, без люфтов и подтеков, лежит. Также не забывайте про резиновое кольцо, которое на хвосте помпы стоит между головами. Условия там адские. И 200 тысяч оно вряд-ли выдержит. Его я бы по любому заменил.
Montero Sport 3л.2001-продан
Pajero IV-3.8 2007 -продан
Pajero Sport 3л.2005 -продан
Pajero IV-3.8 2007 -продан
Pajero Sport 3л.2005 -продан
- Captain Sergio
- Сообщения: 4557
- Зарегистрирован: 30 янв 2012, 22:01
- Двигатель:: 4G18
- Мой автомобиль(и):: Pajero Пинин, 1999, АКПП, BMW X5
- Откуда: Ульяновск
- Благодарил (а): 264 раза
- Поблагодарили: 345 раз
Re: Есть ли смысл менять помпу на ТО-90
Номер 16.юрок писал(а):Что за кольцо? Покажите на схеме если возможно.Captain Sergio писал(а):Я менял на ТО-180. А ездил при этом всего год на машине. И не знал в каком она состоянии и когда ее меняли. Поэтому не стал рисковать. Помпа кстати свежая была, без люфтов и подтеков, лежит. Также не забывайте про резиновое кольцо, которое на хвосте помпы стоит между головами. Условия там адские. И 200 тысяч оно вряд-ли выдержит. Его я бы по любому заменил.
Сергей. Все будет хорошо! Грязезащита для рамных автомобилей.
- Dimmm
- Сообщения: 9589
- Зарегистрирован: 14 янв 2008, 10:44
- Двигатель:: 4D56
- Мой автомобиль(и):: ослик unlimited :)
- Откуда: Питер
- Откуда: СПб Ржевка-Купчино
- Благодарил (а): 15 раз
- Поблагодарили: 61 раз
- Контактная информация:
Re: Есть ли смысл менять помпу на ТО-90
не меняй
помпа развалится, грм соскочит, загнет клапана. ремонт встанет рублей в 100 а на дилере в 200)
жди когда крякнет
помпа развалится, грм соскочит, загнет клапана. ремонт встанет рублей в 100 а на дилере в 200)
жди когда крякнет
НМПС :)
ослик... Был :)
MМS LTD "грязный" 6G74 был.
Прочистка канализации. Оборудование http://zasorovnet.ru/
ослик... Был :)
MМS LTD "грязный" 6G74 был.
Прочистка канализации. Оборудование http://zasorovnet.ru/
- Captain Sergio
- Сообщения: 4557
- Зарегистрирован: 30 янв 2012, 22:01
- Двигатель:: 4G18
- Мой автомобиль(и):: Pajero Пинин, 1999, АКПП, BMW X5
- Откуда: Ульяновск
- Благодарил (а): 264 раза
- Поблагодарили: 345 раз
Re: Есть ли смысл менять помпу на ТО-90
Добрый ты Dimm 
Сергей. Все будет хорошо! Грязезащита для рамных автомобилей.
- Виктор74
- Сообщения: 1430
- Зарегистрирован: 02 дек 2011, 20:12
- Двигатель:: 6G72
- Мой автомобиль(и):: Mitsubishi Pajero4 2007г. Нива 21213 1996г.
- Откуда: Магнитогорск
- Благодарил (а): 49 раз
- Поблагодарили: 84 раза
Re: Есть ли смысл менять помпу на ТО-90
)))Dimmm писал(а):не меняй
помпа развалится, грм соскочит, загнет клапана. ремонт встанет рублей в 100 а на дилере в 200)
жди когда крякнет
Откуда такие страшилки?
1)Помпа приводится не ремнем ГРМ а ремнем агрегатов.
2)Поверхность шкива помпы гладкая и контачит с обратной (тоже гладкой) стороной ремня
Так что даже в случае клина помпы (а это мало вероятно,т.к.скорее она зашумит или потечет) ремень будет тупо скользить по шкиву со свистом или вонью))
- Dimmm
- Сообщения: 9589
- Зарегистрирован: 14 янв 2008, 10:44
- Двигатель:: 4D56
- Мой автомобиль(и):: ослик unlimited :)
- Откуда: Питер
- Откуда: СПб Ржевка-Купчино
- Благодарил (а): 15 раз
- Поблагодарили: 61 раз
- Контактная информация:
Re: Есть ли смысл менять помпу на ТО-90
это с какого? покажите мне ремень который крутит помпуПомпа приводится не ремнем ГРМ а ремнем агрегатов
НМПС :)
ослик... Был :)
MМS LTD "грязный" 6G74 был.
Прочистка канализации. Оборудование http://zasorovnet.ru/
ослик... Был :)
MМS LTD "грязный" 6G74 был.
Прочистка канализации. Оборудование http://zasorovnet.ru/
- Виктор74
- Сообщения: 1430
- Зарегистрирован: 02 дек 2011, 20:12
- Двигатель:: 6G72
- Мой автомобиль(и):: Mitsubishi Pajero4 2007г. Нива 21213 1996г.
- Откуда: Магнитогорск
- Благодарил (а): 49 раз
- Поблагодарили: 84 раза
Re: Есть ли смысл менять помпу на ТО-90
Я выше рисунок вставил.Dimmm писал(а):это с какого? покажите мне ремень который крутит помпуПомпа приводится не ремнем ГРМ а ремнем агрегатов
Помпа посередине.
- Виктор74
- Сообщения: 1430
- Зарегистрирован: 02 дек 2011, 20:12
- Двигатель:: 6G72
- Мой автомобиль(и):: Mitsubishi Pajero4 2007г. Нива 21213 1996г.
- Откуда: Магнитогорск
- Благодарил (а): 49 раз
- Поблагодарили: 84 раза
Re: Есть ли смысл менять помпу на ТО-90
Притом я сам менял на своем авто ремень ГРМ так что устриц ел)
А по теме-на 90 тык помпу тоже не менял,тактильно определил,что пройдет еще столько же:)
А по теме-на 90 тык помпу тоже не менял,тактильно определил,что пройдет еще столько же:)
- Dimmm
- Сообщения: 9589
- Зарегистрирован: 14 янв 2008, 10:44
- Двигатель:: 4D56
- Мой автомобиль(и):: ослик unlimited :)
- Откуда: Питер
- Откуда: СПб Ржевка-Купчино
- Благодарил (а): 15 раз
- Поблагодарили: 61 раз
- Контактная информация:
Re: Есть ли смысл менять помпу на ТО-90
ок)) уговорили))
но всетаки ГРМ косается шкива помпы?
у меня этот самый шкив чуть не сломался. помпа развалилась и потекла. чудом вовремя заглушил)
но всетаки ГРМ косается шкива помпы?
у меня этот самый шкив чуть не сломался. помпа развалилась и потекла. чудом вовремя заглушил)
НМПС :)
ослик... Был :)
MМS LTD "грязный" 6G74 был.
Прочистка канализации. Оборудование http://zasorovnet.ru/
ослик... Был :)
MМS LTD "грязный" 6G74 был.
Прочистка канализации. Оборудование http://zasorovnet.ru/
