Venator писал(а):Наконец победил, эти болты развала.
Не так страшен черт, как его малюют.
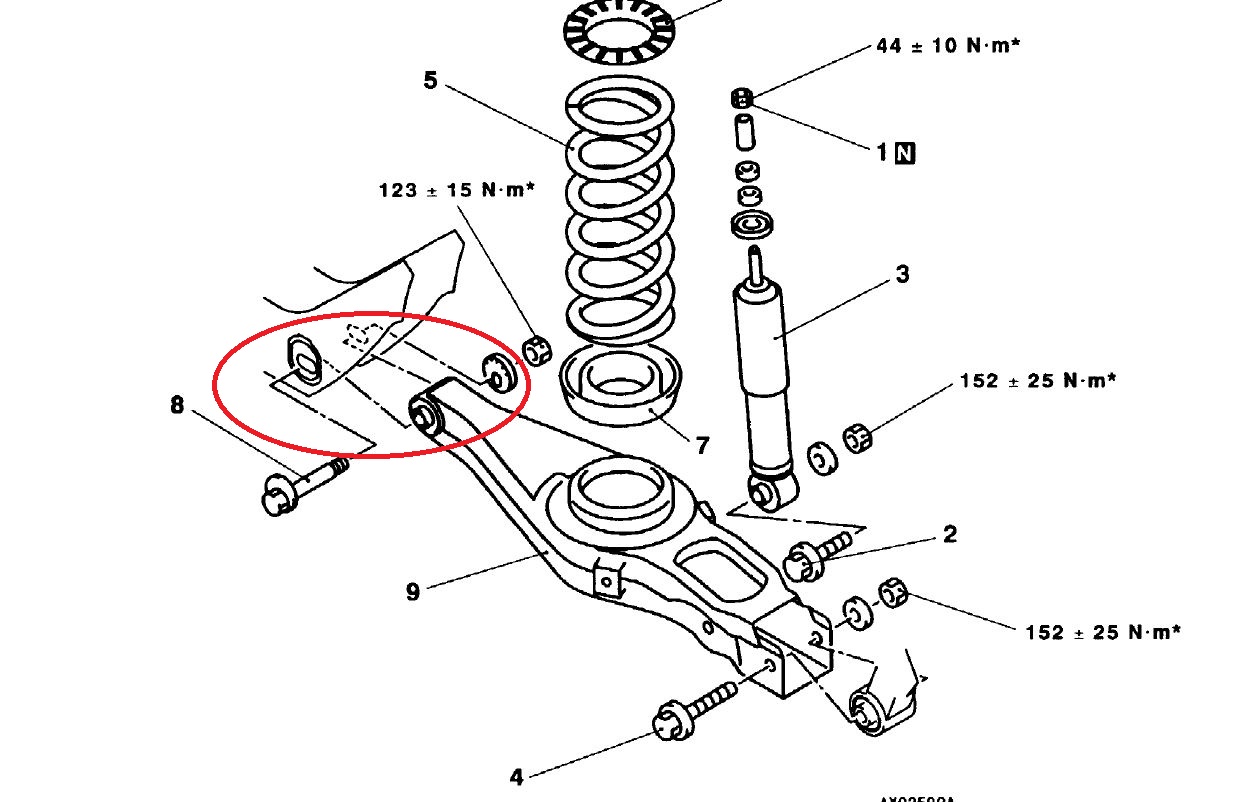
Предистория: закисли впереди один болт из четырех, сзади все четыре.
Все болты резал сабельной пилой, болгаркой не пользовался вообще.
При пилении необходимо почаще смазывать пилку маслом, тогда на дольше хватает. Можно произвести данную операцию даже не имея ямы, на яме я только сайлентблоки затягивал в рабочем положении.
Певый пил необходимо делать с внутренней стороны головки болта прям по выступу сайлента (диаметр пила составляет примерно 35мм.), потом со стороны резьбы (рычаг с сайлентом сдвигаются на ширину пила, диаметр пила составляет примерно 12-15мм.).
Впереди сайлентблок менял на Febest, задний нижний "оригинал", рычаг который рег. схождение (с шаровой) менял в сборе на "оригинал", но его можно не покупать в сборе, в нем сайлентблок едентичный с нижним поперечным рычагом (все размеры совпадают), значит тоже можно поставить перепрессовать "оригинал". Все сайлентблоки менял на СТО.
Затраты перед:
MR418673 Болт развала - 1 х 170,00
Сайлентблок Febest (номер не помню) - 1 х 650,00
Затраты зад:
MR374672 Сайлентблок заднего нижн поперечного рычага внутренний - 2 х 330,00
MR418674 Болт сходразвала задний - 2 х 260,00
MR990822 Рычаг задней подвески (с шаровой) - 2 х 2560,00
(или можно только сайлентблок MR374672 - 2 х 330,00)
MR418739 Болт схождения - 2 х 330,00
(почему то болты каталог выдал разные на оба рычага, заказывал разные,
размер абсолютно одинаковый, разница только в буквах на головке болта (и цене),
на одном "L", на втором "Т").
Гайки и шайбы оставил старые.
Замена сайлентов на СТО - 3 х 300,00
Сабельная пила - 1 х 3000,00
Пилки - 4 х 125,00
Сход-Развал - 1100,00
Итого: 13280,00 руб плюс два выходных дня.
Попутно поставил проставки под пружины вперед 15 мм. зад 30 мм.
А проставки где брали? Заводские или сами делали?
