Ну вот и закончилась моя борьба за работу тахо)
При поддержке нашего дорогого одноклубника Димы он же dvm99 который мне очень сильно помог в данной проблеме эта война с тахо закончилась победой!
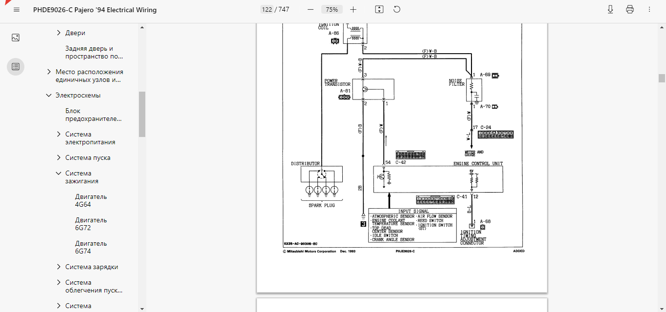
И так что я имел а имел я колхоз от прошлого хозяина фильтр был не родной с маркировкой HMC и кондер неизвестного происхождения без провода
И так был заказан фильтр родной mb488821 подходит 100% и были заказаны кондеры от классики фирмы Бош 1237330809 емкость 0.25 uf и так как у нашего родного кондера емкость 0.5uf было заказано 2 и параллельно соединены
Но это еще не все после сборки банной системы фильтрации сигнала на приборную панель и поиска провода идущего от фильтра к приборке (он кстати на арабе 96г белый без полос в подкапотной косе, превращается в салоне в белый с синей полосой) при подключении тахо так и не работал итог отпаянные и лопнутые по пайке резисторы в количестве 5 шт после пропайки всех соединений и резисторов тахо заработал и я доволен как слон
