TRT - Вдоль р.Киржач. Для стандартных 4х4 (08.11.25) Форум Обсуждение FAQ
	Проблемы с МКП
Модераторы: SNOOPER, Alex_SH, Nbf, BAlex, drcham, SoundSpeed
					Правила форума
Дорогие друзья!
Пожалуйста, при создании и поиске сообщений не забывайте пользоваться гиперссылками на тематические разделы, расположенными на главной странице раздела "Новый Pajero Sport"
	Дорогие друзья!
Пожалуйста, при создании и поиске сообщений не забывайте пользоваться гиперссылками на тематические разделы, расположенными на главной странице раздела "Новый Pajero Sport"
- Свят
 - Сообщения: 6581
 - Зарегистрирован: 27 авг 2010, 20:08
 - Двигатель:: дизель
 - Мой автомобиль(и):: Pajero Sport NEW 2.5 AT
 - Откуда: Калининград
 - Откуда: Мурманск
 - Благодарил (а): 438 раз
 - Поблагодарили: 1135 раз
 
Re: Проблемы с МКП
По деньгам хз
Нужно снять кпп с раздаткой, разьеденить их, разобрать кпп на много маленьких деталек
 
И собрать взад)
Кто занимается коропками- за день сделают.
Зы. В прошлом году в Перми за такую работу взяли 10 круб. Но ценообразование по стране ооооочень разное...
			
			
									
						Нужно снять кпп с раздаткой, разьеденить их, разобрать кпп на много маленьких деталек
И собрать взад)
Кто занимается коропками- за день сделают.
Зы. В прошлом году в Перми за такую работу взяли 10 круб. Но ценообразование по стране ооооочень разное...
S09 2010, LINE-X, 4D56 power by APC&FGC&overboost, мосты 4,272, прямоток, шнорк, body lift,  Lovells, 35", без заднего стаба, железо по кругу, Come Up 9.5
+7921 030четыре030 Святослав
ФАНТОМ
Toyota Tundra
			
						+7921 030четыре030 Святослав
ФАНТОМ
Toyota Tundra
- 
				grade86
 - Сообщения: 347
 - Зарегистрирован: 03 апр 2013, 12:38
 - Двигатель:: дизель
 - Мой автомобиль(и):: NMPS 2014 AT
 - Откуда: москва
 - Благодарил (а): 9 раз
 - Поблагодарили: 5 раз
 
Re: Проблемы с МКП
а официалы сколько просят?
Кстати сколько сцепуха ходит? при 95 процентах асцвальта.
			
			
									
						Кстати сколько сцепуха ходит? при 95 процентах асцвальта.
- Пыж81
 - Сообщения: 803
 - Зарегистрирован: 06 апр 2011, 11:00
 - Двигатель:: 4D56
 - Мой автомобиль(и):: MPS New
 - Откуда: www.krym4x4.com
 - Благодарил (а): 47 раз
 - Поблагодарили: 29 раз
 
Re: Проблемы с МКП
У кого как. У меня 211,5 часто не по асфальту, пока еще родное...
			
			
									
						BFG 37". Защита 3мм, Power inverter 1500w, Доп бак 65л,  SAFARI snorkel ss660hf, перед DWM 10,0, зад Стократ 9,5,лифт подвески 2",боди 40мм. ГП 4,636 Грязный, иногда черный. Для души!
			
						- 
				est412
 - Сообщения: 37
 - Зарегистрирован: 06 мар 2012, 21:37
 - Двигатель:: 4D56
 - Мой автомобиль(и):: Pajero Sport New
 - Откуда: Казань
 - Благодарил (а): 12 раз
 - Поблагодарили: 1 раз
 
Re: Проблемы с МКП
Для информации - цены в Казани.
Нераспальцованный сервис. Запчасть - 4800 (через них же), работа 12000.
			
			
									
						Нераспальцованный сервис. Запчасть - 4800 (через них же), работа 12000.
- Пыж81
 - Сообщения: 803
 - Зарегистрирован: 06 апр 2011, 11:00
 - Двигатель:: 4D56
 - Мой автомобиль(и):: MPS New
 - Откуда: www.krym4x4.com
 - Благодарил (а): 47 раз
 - Поблагодарили: 29 раз
 
Re: Проблемы с МКП
А кто сам менял данный ремкомплект? Есть подводные камни?
			
			
									
						BFG 37". Защита 3мм, Power inverter 1500w, Доп бак 65л,  SAFARI snorkel ss660hf, перед DWM 10,0, зад Стократ 9,5,лифт подвески 2",боди 40мм. ГП 4,636 Грязный, иногда черный. Для души!
			
						- 
				est412
 - Сообщения: 37
 - Зарегистрирован: 06 мар 2012, 21:37
 - Двигатель:: 4D56
 - Мой автомобиль(и):: Pajero Sport New
 - Откуда: Казань
 - Благодарил (а): 12 раз
 - Поблагодарили: 1 раз
 
Re: Проблемы с МКП
Кстати, совсем недавно официал насчитал мне 20 тыс с небольшим вместе со стоимостью запчасти! Кризис?...
			
			
									
						- Пыж81
 - Сообщения: 803
 - Зарегистрирован: 06 апр 2011, 11:00
 - Двигатель:: 4D56
 - Мой автомобиль(и):: MPS New
 - Откуда: www.krym4x4.com
 - Благодарил (а): 47 раз
 - Поблагодарили: 29 раз
 
Re: Проблемы с МКП
Я купил пол года назад ремкомплект № 2526A265 с рук за 2700 руб. Ставить буду сам.
			
			
									
						BFG 37". Защита 3мм, Power inverter 1500w, Доп бак 65л,  SAFARI snorkel ss660hf, перед DWM 10,0, зад Стократ 9,5,лифт подвески 2",боди 40мм. ГП 4,636 Грязный, иногда черный. Для души!
			
						- Свят
 - Сообщения: 6581
 - Зарегистрирован: 27 авг 2010, 20:08
 - Двигатель:: дизель
 - Мой автомобиль(и):: Pajero Sport NEW 2.5 AT
 - Откуда: Калининград
 - Откуда: Мурманск
 - Благодарил (а): 438 раз
 - Поблагодарили: 1135 раз
 
Re: Проблемы с МКП
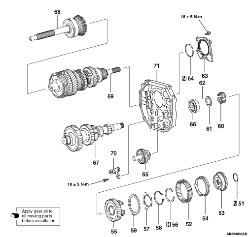
Никаких камней, если не пролюбишь))) мелкие детали- пины валов и шарики))Пыж81 писал(а):А кто сам менял данный ремкомплект? Есть подводные камни?
http://mmc-manuals.ru/manuals/pajero_sp ... dex_M1.htm
Идёшь:
MANUAL TRANSMISSION OVERHAUL<V5MB1>
TRANSMISSION
TRANSMISSION DISASSEMBLY AND REASSEMBLY
Там всё пошагово.
S09 2010, LINE-X, 4D56 power by APC&FGC&overboost, мосты 4,272, прямоток, шнорк, body lift,  Lovells, 35", без заднего стаба, железо по кругу, Come Up 9.5
+7921 030четыре030 Святослав
ФАНТОМ
Toyota Tundra
			
						+7921 030четыре030 Святослав
ФАНТОМ
Toyota Tundra
- 
				АлександрК
 - Сообщения: 2827
 - Зарегистрирован: 05 июн 2013, 13:37
 - Двигатель:: 4D56, 6G72, 4N15
 - Мой автомобиль(и):: Pajero Sport New 2.5 МКП, Pajero Sport New 2.5 АКПП, Pajero Sport III АКПП, Pajero 4 3.0 АКПП
 - Откуда: Россия
 - Благодарил (а): 175 раз
 - Поблагодарили: 136 раз
 
Re: Проблемы с МКП
У меня что-то около 220 000 км на сегодня. И не только асфальта. Казахстан там всякий, Укок, ЮБТО... Коллега недавно ездил, сказал, что когда в грязи буксовал - воняло сцеплением. Но после этого - всё продолжает работать. Шумов, рывков - ничего нет.grade86 писал(а):а официалы сколько просят?
Кстати сколько сцепуха ходит? при 95 процентах асцвальта.
С уважением, Александр.
			
						- VAZ
 - Сообщения: 5551
 - Зарегистрирован: 23 янв 2010, 10:34
 - Двигатель:: 4N15 дизель
 - Мой автомобиль(и):: МПС III МТ 2017г
 - Откуда: МО Одинцовский р-н
 - Откуда: МО Одинцовский р-н
 - Благодарил (а): 12 раз
 - Поблагодарили: 376 раз
 
Re: Проблемы с МКП
У меня, прежде чем спалил, раз 5-6 хорошо так воняло в песке, в снегу и в говналине. Потом в заключение ещё как то раз грузовичёк тонны на 3-4 из снега дёрнул и после этого уже на трассе буксануло первый раз. Буксовало только если тапку в пол резко давануть, а если аккуратно разгоняться, то машина нормально ехала. В связи с острой необходимостью 1000км ещё после этого в аккуратном режиме проехал и ни разу не буксануло. Вскрытие показало, диск в некоторых местах до заклёпок, корзина вся в цветах побежалости и лепестки волнами.АлександрК писал(а):У меня что-то около 220 000 км на сегодня. И не только асфальта. Казахстан там всякий, Укок, ЮБТО... Коллега недавно ездил, сказал, что когда в грязи буксовал - воняло сцеплением. Но после этого - всё продолжает работать. Шумов, рывков - ничего нет.grade86 писал(а):а официалы сколько просят?
Кстати сколько сцепуха ходит? при 95 процентах асцвальта.
НМПС декабрь2008, 3.2, МКПП, Т-54 сток (ушёл на трейдин); МПС III 2017, дизель, МКПП полный сток, но в багажнике цепиTZC, T-Max6500 кевлар на цепях, Хай-Джжек 120см,  LIFTMATE и БСЛ110,   зима Nordman SUV 265/70R17.
			
						- Пыж81
 - Сообщения: 803
 - Зарегистрирован: 06 апр 2011, 11:00
 - Двигатель:: 4D56
 - Мой автомобиль(и):: MPS New
 - Откуда: www.krym4x4.com
 - Благодарил (а): 47 раз
 - Поблагодарили: 29 раз
 
Re: Проблемы с МКП
Это только на картинке. Сегодня с 10.00 успел поменять сцепу, установить кит в РК и чуть-чуть недобрался до синхра 3 передачи. Закончил в 17.00.Завтра продолжениеСвят писал(а):Никаких камней, если не пролюбишь))) мелкие детали- пины валов и шарики))Пыж81 писал(а):А кто сам менял данный ремкомплект? Есть подводные камни?
http://mmc-manuals.ru/manuals/pajero_sp ... dex_M1.htm
Идёшь:
MANUAL TRANSMISSION OVERHAUL<V5MB1>
TRANSMISSION
TRANSMISSION DISASSEMBLY AND REASSEMBLY
Там всё пошагово.
BFG 37". Защита 3мм, Power inverter 1500w, Доп бак 65л,  SAFARI snorkel ss660hf, перед DWM 10,0, зад Стократ 9,5,лифт подвески 2",боди 40мм. ГП 4,636 Грязный, иногда черный. Для души!
			
						- Пыж81
 - Сообщения: 803
 - Зарегистрирован: 06 апр 2011, 11:00
 - Двигатель:: 4D56
 - Мой автомобиль(и):: MPS New
 - Откуда: www.krym4x4.com
 - Благодарил (а): 47 раз
 - Поблагодарили: 29 раз
 
Re: Проблемы с МКП
Кстати пробег 251 тык. С асфальта съезжаю регулярно.
			
			
									
						BFG 37". Защита 3мм, Power inverter 1500w, Доп бак 65л,  SAFARI snorkel ss660hf, перед DWM 10,0, зад Стократ 9,5,лифт подвески 2",боди 40мм. ГП 4,636 Грязный, иногда черный. Для души!
			
						- Пыж81
 - Сообщения: 803
 - Зарегистрирован: 06 апр 2011, 11:00
 - Двигатель:: 4D56
 - Мой автомобиль(и):: MPS New
 - Откуда: www.krym4x4.com
 - Благодарил (а): 47 раз
 - Поблагодарили: 29 раз
 
Re: Проблемы с МКП
Победил. Все работает как нужно. В реалии можно брать не весь ремкомплект, а только ступицу синхронизатора 2526A092.
Для замены нужны мощные съемники, мощный разжим стопорных колец и желательно пресс. Еще ОБЯЗАТЕЛЬНО МОЩНЫЙ молоток.
			
			
									
						Для замены нужны мощные съемники, мощный разжим стопорных колец и желательно пресс. Еще ОБЯЗАТЕЛЬНО МОЩНЫЙ молоток.
BFG 37". Защита 3мм, Power inverter 1500w, Доп бак 65л,  SAFARI snorkel ss660hf, перед DWM 10,0, зад Стократ 9,5,лифт подвески 2",боди 40мм. ГП 4,636 Грязный, иногда черный. Для души!
			
						- 
				maksg21
 - Сообщения: 396
 - Зарегистрирован: 21 окт 2011, 17:18
 - Двигатель:: 4D56
 - Мой автомобиль(и):: Новый Pajero Sport
 - Откуда: Самара
 - Благодарил (а): 32 раза
 - Поблагодарили: 27 раз
 
Re: Проблемы с МКП
Да, что то весь ремкомплект 2526A265 почти на десяточку тянет с поставкой на месяц и более,а 2526A092 4757 автодок, 4880 эксист. Ступицы одной точно достаточно?Пыж81 писал(а):В реалии можно брать не весь ремкомплект, а только ступицу синхронизатора 2526A092.
- Пыж81
 - Сообщения: 803
 - Зарегистрирован: 06 апр 2011, 11:00
 - Двигатель:: 4D56
 - Мой автомобиль(и):: MPS New
 - Откуда: www.krym4x4.com
 - Благодарил (а): 47 раз
 - Поблагодарили: 29 раз
 
Re: Проблемы с МКП
Да. 
Ремкомплект состоит из ступицы, 7 стопорных колец, 2 шпонок и 3х болтиков. Все кроме ступицы можно оставить. Болтики достаточно намазать фиксатором резьбы. Если что спрашивай.
			
			
									
						Ремкомплект состоит из ступицы, 7 стопорных колец, 2 шпонок и 3х болтиков. Все кроме ступицы можно оставить. Болтики достаточно намазать фиксатором резьбы. Если что спрашивай.
BFG 37". Защита 3мм, Power inverter 1500w, Доп бак 65л,  SAFARI snorkel ss660hf, перед DWM 10,0, зад Стократ 9,5,лифт подвески 2",боди 40мм. ГП 4,636 Грязный, иногда черный. Для души!
			
						- 
				maksg21
 - Сообщения: 396
 - Зарегистрирован: 21 окт 2011, 17:18
 - Двигатель:: 4D56
 - Мой автомобиль(и):: Новый Pajero Sport
 - Откуда: Самара
 - Благодарил (а): 32 раза
 - Поблагодарили: 27 раз
 
Re: Проблемы с МКП
Заказал в автодоке ступицу.Кольца,шпонки,болтики, как понимаю, старые остаются рабочие?В смысле замены не требуют?Делать будут в сервисе.Чтоб после разбора не дозаказывать и без машины не сидеть.И ещё.Колец почему 7.Тут вроде одно.Хотя по номерам вываливается 7 вариантов.Пыж81 писал(а):Да.
Ремкомплект состоит из ступицы, 7 стопорных колец, 2 шпонок и 3х болтиков. Все кроме ступицы можно оставить. Болтики достаточно намазать фиксатором резьбы. Если что спрашивай.
- Пыж81
 - Сообщения: 803
 - Зарегистрирован: 06 апр 2011, 11:00
 - Двигатель:: 4D56
 - Мой автомобиль(и):: MPS New
 - Откуда: www.krym4x4.com
 - Благодарил (а): 47 раз
 - Поблагодарили: 29 раз
 
Re: Проблемы с МКП
Да все пойдет старое. 
4 кольца от вилок переключения 2 с передних подшипников и почемуто 1 с заднего вторичного вала.
			
			
									
						4 кольца от вилок переключения 2 с передних подшипников и почемуто 1 с заднего вторичного вала.
BFG 37". Защита 3мм, Power inverter 1500w, Доп бак 65л,  SAFARI snorkel ss660hf, перед DWM 10,0, зад Стократ 9,5,лифт подвески 2",боди 40мм. ГП 4,636 Грязный, иногда черный. Для души!
			
						- 
				HukTo
 - Сообщения: 6
 - Зарегистрирован: 18 июл 2016, 13:15
 - Двигатель:: Дизель
 - Мой автомобиль(и):: Mitsubishi Pagero Sport 3
 - Откуда: Кировская область
 
Re: Проблемы с МКП
Всем привет! Столкнулся с данной проблемой и возник вопрос.   весь ремкомплект 2526A265 стоит на экзисте 5 839 ₽, а ступица  2526A092 11 541 ₽ экзист. Не понял в ремкомплекте нет ступицы????
			
			
									
						- Пыж81
 - Сообщения: 803
 - Зарегистрирован: 06 апр 2011, 11:00
 - Двигатель:: 4D56
 - Мой автомобиль(и):: MPS New
 - Откуда: www.krym4x4.com
 - Благодарил (а): 47 раз
 - Поблагодарили: 29 раз
 
Re: Проблемы с МКП
Есть! Ценообразование на ЗЧ не поймешь!
			
			
									
						BFG 37". Защита 3мм, Power inverter 1500w, Доп бак 65л,  SAFARI snorkel ss660hf, перед DWM 10,0, зад Стократ 9,5,лифт подвески 2",боди 40мм. ГП 4,636 Грязный, иногда черный. Для души!
			
						