TRT - Вдоль р.Киржач. Для стандартных 4х4 (08.11.25) Форум Обсуждение FAQ

Фаркоп на НМПС3

Модераторы: SNOOPER, Alex_SH, VAZ, Nbf, BAlex, drcham

mall
Сообщения: 1000
Зарегистрирован: 29 окт 2017, 22:14
Двигатель:: нету
Мой автомобиль(и):: нетушки
Откуда: SPB
Благодарил (а): 33 раза
Поблагодарили: 81 раз

Фаркоп на НМПС3

Сообщение mall »

Nbf писал(а): С какого делирия они начнут светиться???
есть два вида сторонних блоков согласования 1)эконом вариант без доп питания 2)с доп питанием(как штатный). догадаешься откуда первый берет питание (подсказка ниже)?
Nbf писал(а): Там просто нет питания в случае с отсутствием куска провода.
да есть оно там - когда нажмешь на педаль тормоза, когда включишь поворотники или габариты или противотуманный фонарь - только это стоит воспримать как управляющий сигнал, а эконом вариант воспринимает его как питание.
З.Ы. пусть у тебя на ауте и L200 есть эта линия +, но на новых калужских МПС3 ее нет (как не было в свое время на калужских МПС2) и комплект штатной проводки фаркопа/БС имеет эти недостающие куски и если используются нештатные комплекты нужно это понимать(вся моя мысль в этой горе текста)!
PTxqC7aykdVcvBPYHAsGN-OokdPKqpM.jpg
C0jp0bayp6HfZiWs89EwQ2Byp6dJcKU.jpg
4kQP4rayTq05VcygR-XZT4ZBTquvQ0w.jpg
Последний раз редактировалось mall 11 фев 2021, 15:17, всего редактировалось 2 раза.
Аватара пользователя
Nbf
Дикий Админ
Сообщения: 27342
Зарегистрирован: 30 авг 2006, 17:58
Двигатель:: 4D56t,
Мой автомобиль(и):: L200'Беззубик Citroen'Мария
Откуда: из тех ворот, что и весь народ
Откуда: Ст.Купавна, Балашиха-1
Благодарил (а): 1080 раз
Поблагодарили: 1422 раза
Контактная информация:

Фаркоп на НМПС3

Сообщение Nbf »

mall писал(а): да есть оно там - когда нажмешь на педаль тормоза, когда включишь поворотники или габариты или противотуманный фонарь - только это стоит воспримать как управляющий сигнал, а эконом вариант воспринимает его как питание.
Открой тайну: если между этим блоком и АКБ нет куска провода - откуда там управляющий сигнал?
Павел.
Терпение и труд - мне не идут!
______________
L-200, '08, SS, АКПП, 4D56t, MT 285/75/16, EW-12000.

тел. (Ч95)6Ч2ЗО92
Юридические услуги http://www.expertcity.ru

Группа Паджеро в ТГ: https://t.me/pajeroclubru
Группа Паджеро в VK: https://vk.com/pajerorussia
mall
Сообщения: 1000
Зарегистрирован: 29 окт 2017, 22:14
Двигатель:: нету
Мой автомобиль(и):: нетушки
Откуда: SPB
Благодарил (а): 33 раза
Поблагодарили: 81 раз

Фаркоп на НМПС3

Сообщение mall »

Nbf писал(а): Открой тайну: если между этим блоком и АКБ нет куска провода - откуда там управляющий сигнал?
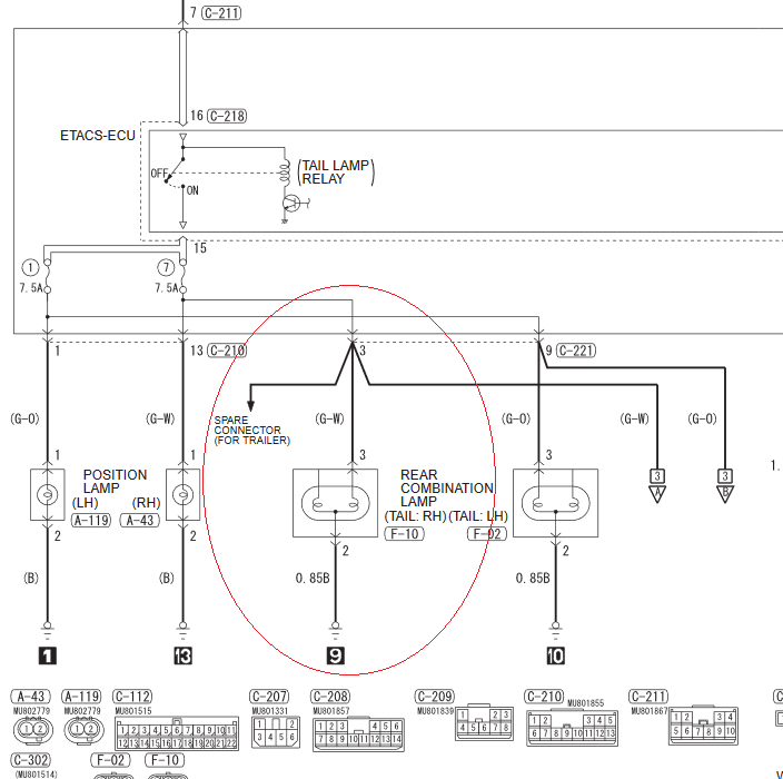
делюсь сакральными знаниями - в фишке в крыле эти контакты запараллелены с контактами идущими с ETACS-а на лампы.
пример.png
Аватара пользователя
Nbf
Дикий Админ
Сообщения: 27342
Зарегистрирован: 30 авг 2006, 17:58
Двигатель:: 4D56t,
Мой автомобиль(и):: L200'Беззубик Citroen'Мария
Откуда: из тех ворот, что и весь народ
Откуда: Ст.Купавна, Балашиха-1
Благодарил (а): 1080 раз
Поблагодарили: 1422 раза
Контактная информация:

Фаркоп на НМПС3

Сообщение Nbf »

mall писал(а): делюсь сакральными знаниями
Ценю, но, увы - это для меня китайская грамота. А вот тот факт, что на колодке не было и намека на напругу, пока не подключили подкапотный разъем - факт. Допускаю - тут могут быть отличия у машин. Вот только вот-это вот все не меняет факта бессмысленности использования оригинальных комплектующих на МПС2 и не может повлиять на необходимость использования таковых в МПС3.
Павел.
Терпение и труд - мне не идут!
______________
L-200, '08, SS, АКПП, 4D56t, MT 285/75/16, EW-12000.

тел. (Ч95)6Ч2ЗО92
Юридические услуги http://www.expertcity.ru

Группа Паджеро в ТГ: https://t.me/pajeroclubru
Группа Паджеро в VK: https://vk.com/pajerorussia
Аватара пользователя
VAZ
Сообщения: 5551
Зарегистрирован: 23 янв 2010, 10:34
Двигатель:: 4N15 дизель
Мой автомобиль(и):: МПС III МТ 2017г
Откуда: МО Одинцовский р-н
Откуда: МО Одинцовский р-н
Благодарил (а): 12 раз
Поблагодарили: 376 раз

Фаркоп на НМПС3

Сообщение VAZ »

Поставил фаркоп "Бизон"
20250423_151307.jpg
Подключил напрямую без всякого согласующего устройства
yjID1Z3_-Y0GN_nuRAb9KlIxDTk-1920.jpg
Благо распиновка разъёма известна. Конечно приятно осознааать, что согласующее устройство проводит стабилизацию прицепа. Но жаба категорически откпзалась платить 18тыр за оригинальное согласующее устройство от Мицубиси. 5тыр за китайщину с Озона тоже ставить смысла не вижу, так как пишут что были случаи, когда это китайское СУ само коротнуло и свело с ума бортовую электрику машины... .
20250422_145111.jpg
20250426_204240.jpg
Корпус фишки ответного разъёма 400 руб, пины в фишку 153 руб. десяток, проводка фаркопа с розеткой 500 руб. Итого 1100руб. за всю электрику.
НМПС декабрь2008, 3.2, МКПП, Т-54 сток (ушёл на трейдин); МПС III 2017, дизель, МКПП полный сток, но в багажнике цепиTZC, T-Max6500 кевлар на цепях, Хай-Джжек 120см, LIFTMATE и БСЛ110, зима Nordman SUV 265/70R17.
Аватара пользователя
SNOOPER
Модератор
Сообщения: 56905
Зарегистрирован: 11 дек 2004, 19:49
Двигатель:: 4D56
Мой автомобиль(и):: NewMPS
Откуда: 78
Откуда: Spb
Благодарил (а): 1007 раз
Поблагодарили: 4665 раз

Фаркоп на НМПС3

Сообщение SNOOPER »

А что пять реле с коммутировать лень?
Блок согласования это и есть по сути пять реле.))
Аватара пользователя
VAZ
Сообщения: 5551
Зарегистрирован: 23 янв 2010, 10:34
Двигатель:: 4N15 дизель
Мой автомобиль(и):: МПС III МТ 2017г
Откуда: МО Одинцовский р-н
Откуда: МО Одинцовский р-н
Благодарил (а): 12 раз
Поблагодарили: 376 раз

Фаркоп на НМПС3

Сообщение VAZ »

SNOOPER писал(а): 05 май 2025, 20:18 что пять реле с коммутировать лень?
Блок согласования это и есть по сути пять реле.))
Как говаривал мой тезка Василий Иванович, в академию не приняли, потому что квадратный трёхчлен на одночлены разложить не смог. Да и как я его разложу, если я его даже представить себе не могу :*WALL*:

Коммутировать, это не очень моя тема. Максимум что я могу по этому вопросу, это скоммутировать вилку с розеткой. Что я и сделал. Тем более мне не автодом по трассе через пол страны таскать, а прицеп с мотоциклом по ближайшему подмосковью.
НМПС декабрь2008, 3.2, МКПП, Т-54 сток (ушёл на трейдин); МПС III 2017, дизель, МКПП полный сток, но в багажнике цепиTZC, T-Max6500 кевлар на цепях, Хай-Джжек 120см, LIFTMATE и БСЛ110, зима Nordman SUV 265/70R17.
Аватара пользователя
Chumahod
Сообщения: 12645
Зарегистрирован: 02 дек 2007, 21:56
Двигатель:: 6G72
Мой автомобиль(и):: Pajero Sport 2000г
Откуда: МСК
Откуда: Москва, ЮВАО
Благодарил (а): 784 раза
Поблагодарили: 765 раз

Фаркоп на НМПС3

Сообщение Chumahod »

VAZ писал(а): 05 май 2025, 21:42 Тем более мне не автодом по трассе через пол страны таскать, а прицеп с мотоциклом по ближайшему подмосковью.
:*SCRATCH*: Ну тут, сильно большой разницы то и нет... Последнее, даже более травматично для проводки, как ни странно...
"Есть люди которые помнят добро, а есть все остальные." (с)
МКПП, 380ткм (пробег по н/в), Venom Power Terra Hunter X/T 265/70-16, подвеска ОМЕ, демпфер Proсomp, диодный рабочий свет по кругу, защита, пороги и ещё куча вкусных ништяков на машинке:)
Аватара пользователя
VAZ
Сообщения: 5551
Зарегистрирован: 23 янв 2010, 10:34
Двигатель:: 4N15 дизель
Мой автомобиль(и):: МПС III МТ 2017г
Откуда: МО Одинцовский р-н
Откуда: МО Одинцовский р-н
Благодарил (а): 12 раз
Поблагодарили: 376 раз

Фаркоп на НМПС3

Сообщение VAZ »

https://rutube.ru/video/656f7bfabb3a228 ... dcda6/?r=a
Ну если я эту шайтан машину по жордочкам из ямы лебёдкой вытащил, то уже на дороге то с фаркопом думаю как нибудь не завалю.
НМПС декабрь2008, 3.2, МКПП, Т-54 сток (ушёл на трейдин); МПС III 2017, дизель, МКПП полный сток, но в багажнике цепиTZC, T-Max6500 кевлар на цепях, Хай-Джжек 120см, LIFTMATE и БСЛ110, зима Nordman SUV 265/70R17.
Аватара пользователя
Chumahod
Сообщения: 12645
Зарегистрирован: 02 дек 2007, 21:56
Двигатель:: 6G72
Мой автомобиль(и):: Pajero Sport 2000г
Откуда: МСК
Откуда: Москва, ЮВАО
Благодарил (а): 784 раза
Поблагодарили: 765 раз

Фаркоп на НМПС3

Сообщение Chumahod »

VAZ писал(а): 05 май 2025, 22:40 Ну если я эту шайтан машину по жордочкам из ямы лебёдкой вытащил, то уже на дороге то с фаркопом думаю как нибудь не завалю
Тебе немножко не о том пытаемся сказать. :*YES*:
Техническое вооружение в ролике конечно впечатляет, но на этом фоне теперь совсем не понятна экономия на оригинальном блоке фаркопа... :*SCRATCH*: :*WALL*:
Коротко - все шансы сжечь полмашины. Оно тебе надо?
Ну, либо как сказал Саша - сваять вместе 5 реле))) имхо, правильными руками это даже надёжнее ориги выйдет! :*YES*:
"Есть люди которые помнят добро, а есть все остальные." (с)
МКПП, 380ткм (пробег по н/в), Venom Power Terra Hunter X/T 265/70-16, подвеска ОМЕ, демпфер Proсomp, диодный рабочий свет по кругу, защита, пороги и ещё куча вкусных ништяков на машинке:)
Аватара пользователя
VAZ
Сообщения: 5551
Зарегистрирован: 23 янв 2010, 10:34
Двигатель:: 4N15 дизель
Мой автомобиль(и):: МПС III МТ 2017г
Откуда: МО Одинцовский р-н
Откуда: МО Одинцовский р-н
Благодарил (а): 12 раз
Поблагодарили: 376 раз

Фаркоп на НМПС3

Сообщение VAZ »

Ну как проще сжечь полмашины с согласующим устройством или без него, это эщё большой вопрос
Screenshot_20250503-062015_Chrome.jpg
При подключении на прямую я что то таких иетересных историй не встречал, да и почему при прямом подключении в случае КЗ что то должно сгореть, кроме соответствующего предохранителя?
НМПС декабрь2008, 3.2, МКПП, Т-54 сток (ушёл на трейдин); МПС III 2017, дизель, МКПП полный сток, но в багажнике цепиTZC, T-Max6500 кевлар на цепях, Хай-Джжек 120см, LIFTMATE и БСЛ110, зима Nordman SUV 265/70R17.
Аватара пользователя
SNOOPER
Модератор
Сообщения: 56905
Зарегистрирован: 11 дек 2004, 19:49
Двигатель:: 4D56
Мой автомобиль(и):: NewMPS
Откуда: 78
Откуда: Spb
Благодарил (а): 1007 раз
Поблагодарили: 4665 раз

Фаркоп на НМПС3

Сообщение SNOOPER »

VAZ писал(а): 05 май 2025, 23:39 При подключении на прямую я что то таких иетересных историй не встречал, да и почему при прямом подключении в случае КЗ что то должно сгореть, кроме соответствующего предохранителя?
История действительно интересная.
Особенно если учесть что ему в уши дилер напел выше крыши.
Блок согласования это не что иное как печатная плата с установленными на ней реле в количестве пять штук.
Никаких кан-ман и прочего там нет и не предвиделось.
Защита блока и ВСЕГО света на прицепе, выполнена одним предохранителем. Связи и какого либо пересечения с проводкой автомобиля минимальны, практически просто нет.
Автомобиль через колодку к которой ты подключился просто подаёт питание на соответствующие реле. В твоём случае идёт полноценная коммутация прицепа. Тоесть ты повесил на родную проводку неучтённую нагрузку. В случае же с блоком согласования автомобиль не получает дополнительной нагрузки.
При каком либо замыкании и тп на прицепе или в розетке фаркопа, максимум сгорит ОДИН предохранитель или будет "новогодняя елка" на фонарях прицепа. Никаким образом не влияющие на поведение самого автомобиля.
В твоём же случае к примеру при периодическом замыкании габарита на тормоз, ты будешь иметь непредсказуемое срабатывание ESP, что может очень сильно попортить жизнь. А оно тебе надо?!
Так что подключение "на прямую" при кажущейся простоте, имеет больше минусов, особенно в перспективе. Когда розетка просто сгниёт от реагентов....
Вот тогда "историй" будет выше крыши. )
Аватара пользователя
VAZ
Сообщения: 5551
Зарегистрирован: 23 янв 2010, 10:34
Двигатель:: 4N15 дизель
Мой автомобиль(и):: МПС III МТ 2017г
Откуда: МО Одинцовский р-н
Откуда: МО Одинцовский р-н
Благодарил (а): 12 раз
Поблагодарили: 376 раз

Фаркоп на НМПС3

Сообщение VAZ »

Но однако, кроме "новогодней ёлки" человек реально получил не включение переднего моста. Это же ему не дилер напел, а у него реально передний мост перестал включаться, когда согласующее коротнуло.
НМПС декабрь2008, 3.2, МКПП, Т-54 сток (ушёл на трейдин); МПС III 2017, дизель, МКПП полный сток, но в багажнике цепиTZC, T-Max6500 кевлар на цепях, Хай-Джжек 120см, LIFTMATE и БСЛ110, зима Nordman SUV 265/70R17.
Аватара пользователя
SKS
Сообщения: 4194
Зарегистрирован: 20 апр 2008, 18:58
Двигатель:: 4N15
Мой автомобиль(и):: PAJERO SPORT 2.4 Ultimate, 2017 г., белый
Откуда: Тюмень
Откуда: Тюмень
Благодарил (а): 700 раз
Поблагодарили: 471 раз

Фаркоп на НМПС3

Сообщение SKS »

SNOOPER писал(а): 06 май 2025, 00:34 Защита блока и ВСЕГО света на прицепе, выполнена одним предохранителем. Связи и какого либо пересечения с проводкой автомобиля минимальны, практически просто нет.
Вопрос. Оригинальный блок согласования (у меня стоит, ставил сам по приложенному руководству), имеет подключение к проводке авто помимо колодки в багажнике: одно в разрыв за задним бампером, одно в ногах водителя за левой накладкой, и плюс выводится отдельный предохранитель. Для чего?
В руководстве написано, что якобы он может отключать парктроники и задние габаритные огни на авто (этого не происходит, все работает, как обычно). Плюс в самом руководстве по эксплуатации авто есть раздел с указанием, что при подключении прицепа, как я понимаю, с помощью этого блока ЭБУ видит это и таким образом активируется режим работы системы стабилизации с названием TSA именно с расчетом прицепа. Но поскольку эта информация нигде не выводится на панели приборов, то я например, так и не смог понять меняется там что-то или нет.
Отсюда: что дает оригинальный блок согласования, кроме защиты от КЗ и предупреждения о неправильном подключении к розетке авто? Или нам дилеры продавали пустышки, коих на том же озоне продают пачками?
Аватара пользователя
SNOOPER
Модератор
Сообщения: 56905
Зарегистрирован: 11 дек 2004, 19:49
Двигатель:: 4D56
Мой автомобиль(и):: NewMPS
Откуда: 78
Откуда: Spb
Благодарил (а): 1007 раз
Поблагодарили: 4665 раз

Фаркоп на НМПС3

Сообщение SNOOPER »

Отдельный предохранитель естественно для защиты.)
Кусок провода в ногах водителя, это для того чтоб усложнить жизнь. Если его не поставить, не будет плюса в багажнике на блок.
По сути это прямой провод из под капота в багажник.
Отключать то он наверное может. Да вот комплектация в Россию идёт не та.
Для того чтоб блок и машина понимала что подключен прицеп. В розетке должен стоять микрик который коммутируется при вставленной вилке прицепа. А этого увы я не встречал. Точнее встречал один раз на П3 из Германии....
А вообще нужно смотреть схему самого блока.
Выше я описывал блок на второй спорт, что по сути одинаково. Если на родном не работают заявленные плюшки.
Я не агитирую за родной блок, я говорю что есть решение проще и не хуже.)

ПС Сам купился на описание блока что он умеет и поставил себе родной. За куеву тучу денег.......
А там по сути пустышка.

ПСС нужно на досуге изучить более подробно данный вопрос, для общего развития.))
Аватара пользователя
SKS
Сообщения: 4194
Зарегистрирован: 20 апр 2008, 18:58
Двигатель:: 4N15
Мой автомобиль(и):: PAJERO SPORT 2.4 Ultimate, 2017 г., белый
Откуда: Тюмень
Откуда: Тюмень
Благодарил (а): 700 раз
Поблагодарили: 471 раз

Фаркоп на НМПС3

Сообщение SKS »

Ну в общем я так и понял. На МПС2 не стал вообще ставить, но там и с прицепом не ездил, только велоплатформу изредка цеплял. На МПС3 с покупкой мини-кемпера решил, что надо, тем более столько всего про этот блок понаписано (какой он умный). По факту ничего это нет и по сути можно было действительно самый простой и бюджетный блок купить, коих на рынке по рублю за пучек.
Ответить

Вернуться в «Паджеро-Спорт 2016-...»