ЕГР ........ нет слов.
Модераторы: SNOOPER, Nbf, drcham, алексей - Маленький Мук, Romik, BAlex, DenVer, Алекс
- Павел Чернов
- Сообщения: 88
- Зарегистрирован: 19 дек 2009, 18:34
- Двигатель:: 4M41
- Мой автомобиль(и):: Паджеро 4 3,2дизель
- Откуда: Челябинск
- Благодарил (а): 1 раз
Re: ЕГР ........ нет слов.
Про принцып понятно, на спорте с этим небыло проблем, но вот вопрос в чем - А "Чек" не загорится, потом диллеру зем ты там лазил в авте с пробегом 400км)))))))))))))))))))
Паджеро 4, 3,2л, 200л.с. Пружины "от Влада", Шипованная резина Хакка7))))))))))))))
- Vitalya-74
- Сообщения: 3998
- Зарегистрирован: 30 дек 2007, 13:01
- Двигатель:: 4М41
- Мой автомобиль(и):: Pajero
- Откуда: Челябинск
- Откуда: Уссурийск, Белогорск и уже Челябинск [74]
- Благодарил (а): 1 раз
- Поблагодарили: 150 раз
Re: ЕГР ........ нет слов.
Чек не загорится. После того как заглушишь пластинами, шарик в вакуумную трубку не вставляй, пускай исполнительный механизм работает себе на здоровье. Тебе что жалко?!?! И ни один дилер ни когда не узнает о том что вы сделали!!!
Москвич-412, Corolla-88 дв.4е;Crown-89.дв.2LTE; Chaser-90 дв.1G-GE; RVR-95 дв.4D65; Land Cruiser Prado-95 дв.1KZ-TE; Bighorn-99 дв.4JX1; Toyota Harrier-99 дв.5S; Pajero-3-2000 дв.4M41/г.в; AUDI A6 allroad quattro 2007 г.в
- Павел Чернов
- Сообщения: 88
- Зарегистрирован: 19 дек 2009, 18:34
- Двигатель:: 4M41
- Мой автомобиль(и):: Паджеро 4 3,2дизель
- Откуда: Челябинск
- Благодарил (а): 1 раз
Re: ЕГР ........ нет слов.
спасибо
Паджеро 4, 3,2л, 200л.с. Пружины "от Влада", Шипованная резина Хакка7))))))))))))))
- stranger699
- Сообщения: 1336
- Зарегистрирован: 23 ноя 2008, 18:01
- Двигатель:: 4М41
- Мой автомобиль(и):: П3 5 doors 2002 АКПП
- Откуда: Белгород
- Откуда: Белгород
- Благодарил (а): 9 раз
- Поблагодарили: 19 раз
- Контактная информация:
Re: ЕГР ........ нет слов.
трубку оставить открытой?Vitalya-74 писал(а):Чек не загорится. После того как заглушишь пластинами, шарик в вакуумную трубку не вставляй, пускай исполнительный механизм работает себе на здоровье. Тебе что жалко?!?! И ни один дилер ни когда не узнает о том что вы сделали!!!
"— Мам, а ты мне хайджек купишь? — Конечно! И хайджек тебе купим, и джип к нему купим, и друзей-расп...яев, бл..ь, купим, чтобы все, как у отца было!"
- Vitalya-74
- Сообщения: 3998
- Зарегистрирован: 30 дек 2007, 13:01
- Двигатель:: 4М41
- Мой автомобиль(и):: Pajero
- Откуда: Челябинск
- Откуда: Уссурийск, Белогорск и уже Челябинск [74]
- Благодарил (а): 1 раз
- Поблагодарили: 150 раз
Re: ЕГР ........ нет слов.
Ну конечно. Чем она тебе помешает, если ты перекроишь выход из выхлопной.
Москвич-412, Corolla-88 дв.4е;Crown-89.дв.2LTE; Chaser-90 дв.1G-GE; RVR-95 дв.4D65; Land Cruiser Prado-95 дв.1KZ-TE; Bighorn-99 дв.4JX1; Toyota Harrier-99 дв.5S; Pajero-3-2000 дв.4M41/г.в; AUDI A6 allroad quattro 2007 г.в
-
shubba
- Сообщения: 1283
- Зарегистрирован: 04 дек 2005, 17:42
- Двигатель:: 4m41-был
- Мой автомобиль(и):: Паджеро-3- продан, крузак сотка 4.2 дизель
- Откуда: Москва
- Откуда: Москва,Юго-западная
- Поблагодарили: 7 раз
- Контактная информация:
Re: ЕГР ........ нет слов.
Трубку оставить надетой на место и не глушить
Падж-3 DID-3.2 BFG MT 285/75/16 подвеска IronMan 2001г -Продан, теперь управляю мечтой
TLC-100 4.2 дизель.
http://www.nostraterra.ru
TLC-100 4.2 дизель.
http://www.nostraterra.ru
- ЕвгенийСамарский
- Сообщения: 536
- Зарегистрирован: 11 фев 2010, 19:28
- Благодарил (а): 17 раз
- Поблагодарили: 12 раз
Re: ЕГР ........ нет слов.
шланг надет на клапан!stranger699 писал(а):а куда дели шланг тогда?евгенийсамарский писал(а):я заглушил пару лет назад...
две прокладки из нержавейки(1мм, у отца в гараже много хлама...ценного),
одну поставил на выходе из выпускного коллектора,
вторую на входе во впускной...привод клапана(трубочку) никак не глушил...
все в норме!
я всю систему не снимал...она стоит на прежнем месте...
чтоб в гараже не потерялась!
так что клапан срабатывает, а магистраль надёжно заглушена!
если будете снимать всю эту лабудень, считаю можно поставить заглушки на выпуске и впуске(наверное потолще, по крайней мере на выхлопе)
а в конец "освободившегося" шланга засуньте болтик(или шарик)...
и трубочку подвязать аккуратненько в подходящем месте...
либо вообще снять её, а штуцер заглушить(на электромагнитном клапаночке...)
от заз968 до Pajero3 V78W 4M41 АКПП 2004г
за рулем с 1993
за рулем с 1993
- stranger699
- Сообщения: 1336
- Зарегистрирован: 23 ноя 2008, 18:01
- Двигатель:: 4М41
- Мой автомобиль(и):: П3 5 doors 2002 АКПП
- Откуда: Белгород
- Откуда: Белгород
- Благодарил (а): 9 раз
- Поблагодарили: 19 раз
- Контактная информация:
Re: ЕГР ........ нет слов.
вот я про что и спрашивал...если глушить,то снять все это к чертовой .......евгенийсамарский писал(а):шланг надет на клапан!stranger699 писал(а):а куда дели шланг тогда?евгенийсамарский писал(а):я заглушил пару лет назад...
две прокладки из нержавейки(1мм, у отца в гараже много хлама...ценного),
одну поставил на выходе из выпускного коллектора,
вторую на входе во впускной...привод клапана(трубочку) никак не глушил...
все в норме!
я всю систему не снимал...она стоит на прежнем месте...
чтоб в гараже не потерялась!:):)
так что клапан срабатывает, а магистраль надёжно заглушена!
если будете снимать всю эту лабудень, считаю можно поставить заглушки на выпуске и впуске(наверное потолще, по крайней мере на выхлопе)
а в конец "освободившегося" шланга засуньте болтик(или шарик)...
и трубочку подвязать аккуратненько в подходящем месте...
либо вообще снять её, а штуцер заглушить(на электромагнитном клапаночке...)
"— Мам, а ты мне хайджек купишь? — Конечно! И хайджек тебе купим, и джип к нему купим, и друзей-расп...яев, бл..ь, купим, чтобы все, как у отца было!"
- ЕвгенийСамарский
- Сообщения: 536
- Зарегистрирован: 11 фев 2010, 19:28
- Благодарил (а): 17 раз
- Поблагодарили: 12 раз
Re: ЕГР ........ нет слов.
...потеряется...stranger699 писал(а):вот я про что и спрашивал...если глушить,то снять все это к чертовой .......евгенийсамарский писал(а):шланг надет на клапан!stranger699 писал(а): ...
а куда дели шланг тогда?
я всю систему не снимал...она стоит на прежнем месте...
чтоб в гараже не потерялась!:):)
так что клапан срабатывает, а магистраль надёжно заглушена!
если будете снимать всю эту лабудень, считаю можно поставить заглушки на выпуске и впуске(наверное потолще, по крайней мере на выхлопе)
а в конец "освободившегося" шланга засуньте болтик(или шарик)...
и трубочку подвязать аккуратненько в подходящем месте...
либо вообще снять её, а штуцер заглушить(на электромагнитном клапаночке...)
от заз968 до Pajero3 V78W 4M41 АКПП 2004г
за рулем с 1993
за рулем с 1993
- stranger699
- Сообщения: 1336
- Зарегистрирован: 23 ноя 2008, 18:01
- Двигатель:: 4М41
- Мой автомобиль(и):: П3 5 doors 2002 АКПП
- Откуда: Белгород
- Откуда: Белгород
- Благодарил (а): 9 раз
- Поблагодарили: 19 раз
- Контактная информация:
Re: ЕГР ........ нет слов.
в моем бардаке сложно что то потерять...ах,извините,в творческом беспорядке:)
"— Мам, а ты мне хайджек купишь? — Конечно! И хайджек тебе купим, и джип к нему купим, и друзей-расп...яев, бл..ь, купим, чтобы все, как у отца было!"
- saibl
- Сообщения: 127
- Зарегистрирован: 17 ноя 2011, 09:58
- Двигатель:: 4M41
- Мой автомобиль(и):: Pajero 2001г. 3,2 DiD
- Откуда: Биларус
- Благодарил (а): 4 раза
- Поблагодарили: 2 раза
Re: ЕГР ........ нет слов.
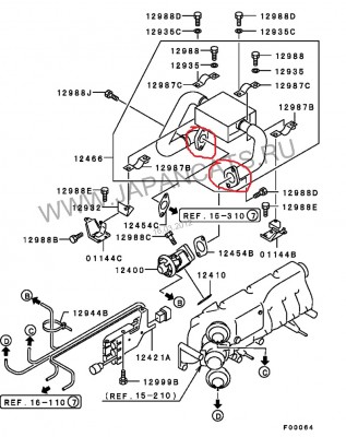
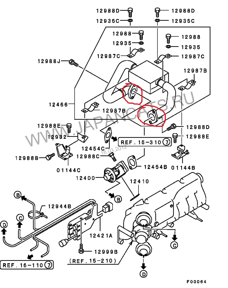
Коллеги! Я так понял, что достаточно на выделенные на картинке фланцевые соединения поставить хорошую плотную прокладку (металлическую) и процес отключения ЕГР завершен. Или же еще нужно глушить какие то трубочки на клапане.
- stranger699
- Сообщения: 1336
- Зарегистрирован: 23 ноя 2008, 18:01
- Двигатель:: 4М41
- Мой автомобиль(и):: П3 5 doors 2002 АКПП
- Откуда: Белгород
- Откуда: Белгород
- Благодарил (а): 9 раз
- Поблагодарили: 19 раз
- Контактная информация:
Re: ЕГР ........ нет слов.
вы,уважаемый правильно все поняли,глушить...а трубочку на вакуум оставить болтаться в воздухе
и судя по всему,НАДО мыть выпуск...смотрел у себя,так там сажы до е....... матери...потеплет,совмещу с переборкой передней подвески
и судя по всему,НАДО мыть выпуск...смотрел у себя,так там сажы до е....... матери...потеплет,совмещу с переборкой передней подвески
"— Мам, а ты мне хайджек купишь? — Конечно! И хайджек тебе купим, и джип к нему купим, и друзей-расп...яев, бл..ь, купим, чтобы все, как у отца было!"
- Vitalya-74
- Сообщения: 3998
- Зарегистрирован: 30 дек 2007, 13:01
- Двигатель:: 4М41
- Мой автомобиль(и):: Pajero
- Откуда: Челябинск
- Откуда: Уссурийск, Белогорск и уже Челябинск [74]
- Благодарил (а): 1 раз
- Поблагодарили: 150 раз
Re: ЕГР ........ нет слов.
А зачем оставлять болтаться в воздухе? можно одеть на место, пускай работает! Один хрен всё заглушено. А впуск очень хорошо кипятить в дешёвом порошке. Эффективно и бюджетно.
Москвич-412, Corolla-88 дв.4е;Crown-89.дв.2LTE; Chaser-90 дв.1G-GE; RVR-95 дв.4D65; Land Cruiser Prado-95 дв.1KZ-TE; Bighorn-99 дв.4JX1; Toyota Harrier-99 дв.5S; Pajero-3-2000 дв.4M41/г.в; AUDI A6 allroad quattro 2007 г.в
- ЕвгенийСамарский
- Сообщения: 536
- Зарегистрирован: 11 фев 2010, 19:28
- Благодарил (а): 17 раз
- Поблагодарили: 12 раз
Re: ЕГР ........ нет слов.
я бы посоветовал со стороны впускного коллектора поставить прокладку с другой стороны клапана ЕГР(на картинке, где цифирка 12410).saibl писал(а):Коллеги! Я так понял, что достаточно на выделенные на картинке фланцевые соединения поставить хорошую плотную прокладку (металлическую) и процес отключения ЕГР завершен. Или же еще нужно глушить какие то трубочки на клапане.
от заз968 до Pajero3 V78W 4M41 АКПП 2004г
за рулем с 1993
за рулем с 1993
- stranger699
- Сообщения: 1336
- Зарегистрирован: 23 ноя 2008, 18:01
- Двигатель:: 4М41
- Мой автомобиль(и):: П3 5 doors 2002 АКПП
- Откуда: Белгород
- Откуда: Белгород
- Благодарил (а): 9 раз
- Поблагодарили: 19 раз
- Контактная информация:
Re: ЕГР ........ нет слов.
есть мысль в продолжение:
со стороны выпускного усилить пластину герметиком для выпускных систем (хорошая вещь,проверял)
а со стороны впуска добавить термостойкий герметик (обычно пользую виктор рейнц до 300 градусов)
со стороны выпускного усилить пластину герметиком для выпускных систем (хорошая вещь,проверял)
а со стороны впуска добавить термостойкий герметик (обычно пользую виктор рейнц до 300 градусов)
"— Мам, а ты мне хайджек купишь? — Конечно! И хайджек тебе купим, и джип к нему купим, и друзей-расп...яев, бл..ь, купим, чтобы все, как у отца было!"
-
nikolay44
- Сообщения: 73
- Зарегистрирован: 01 окт 2011, 10:23
- Двигатель:: 4м41
- Мой автомобиль(и):: Mitsubishi Pajero 3 3.2 DID GLS 2002 г.в
- Откуда: Кострома
- Поблагодарили: 1 раз
Re: ЕГР ........ нет слов.
Очистку коллектора производим с помощью средства "ПИЛОЧИСТ" !!! Естественно снятого...... Налили прямо в коллектор и все -через 5 мин начинает лезть пена ,отдирает все и вся!!! Продается в магазинах где занимаются оборудованием для лесопилок (чистят им ленточные пилы).Уходит примерно 2 часа на коллектор! Пьете пиво и снимаете пенку ,,,,
- stranger699
- Сообщения: 1336
- Зарегистрирован: 23 ноя 2008, 18:01
- Двигатель:: 4М41
- Мой автомобиль(и):: П3 5 doors 2002 АКПП
- Откуда: Белгород
- Откуда: Белгород
- Благодарил (а): 9 раз
- Поблагодарили: 19 раз
- Контактная информация:
Re: ЕГР ........ нет слов.
с пива или "пилочиста"?nikolay44 писал(а):Очистку коллектора производим с помощью средства "ПИЛОЧИСТ" !!! Естественно снятого...... Налили прямо в коллектор и все -через 5 мин начинает лезть пена ,отдирает все и вся!!! Продается в магазинах где занимаются оборудованием для лесопилок (чистят им ленточные пилы).Уходит примерно 2 часа на коллектор! Пьете пиво и снимаете пенку ,,,,
"— Мам, а ты мне хайджек купишь? — Конечно! И хайджек тебе купим, и джип к нему купим, и друзей-расп...яев, бл..ь, купим, чтобы все, как у отца было!"
-
Alex574
- Сообщения: 1
- Зарегистрирован: 18 мар 2012, 09:14
- Двигатель:: 3M41
- Мой автомобиль(и):: Pajero 3
Re: ЕГР ........ нет слов.
Убил егора, прокладка из шпателя + болт в вакуумник, разницы в динамике ни какой, но утром при прогреве почти не дымит, раньше с утра дымила на холодную.
- ЕвгенийСамарский
- Сообщения: 536
- Зарегистрирован: 11 фев 2010, 19:28
- Благодарил (а): 17 раз
- Поблагодарили: 12 раз
Re: ЕГР ........ нет слов.
а ежели ещё и коллектор(а лучше весь впуск) почистить...Alex574 писал(а):Убил егора, прокладка из шпателя + болт в вакуумник, разницы в динамике ни какой, но утром при прогреве почти не дымит, раньше с утра дымила на холодную.
пс
какой у вас необычный ДВС...судя по подписи...
от заз968 до Pajero3 V78W 4M41 АКПП 2004г
за рулем с 1993
за рулем с 1993
- Vitalya-74
- Сообщения: 3998
- Зарегистрирован: 30 дек 2007, 13:01
- Двигатель:: 4М41
- Мой автомобиль(и):: Pajero
- Откуда: Челябинск
- Откуда: Уссурийск, Белогорск и уже Челябинск [74]
- Благодарил (а): 1 раз
- Поблагодарили: 150 раз
Re: ЕГР ........ нет слов.
Москвич-412, Corolla-88 дв.4е;Crown-89.дв.2LTE; Chaser-90 дв.1G-GE; RVR-95 дв.4D65; Land Cruiser Prado-95 дв.1KZ-TE; Bighorn-99 дв.4JX1; Toyota Harrier-99 дв.5S; Pajero-3-2000 дв.4M41/г.в; AUDI A6 allroad quattro 2007 г.в
