4D56T Моя первая капиталка.
Модераторы: SNOOPER, Nbf, drcham, алексей - Маленький Мук, Romik, BAlex, DenVer, Алекс
- koks74
- Сообщения: 73
- Зарегистрирован: 03 июн 2012, 08:28
- Двигатель:: 4D56T
- Мой автомобиль(и):: В поиске.
- Откуда: Пермский край.
- Благодарил (а): 1 раз
- Поблагодарили: 2 раза
Re: 4D56T Моя первая капиталка.
Не торопись снимать ГБЦ,замерь компресию сначала сам,может кольца залегли,проверь так:замерь компрессию,если мала то добавь в цилиндры масло (немного из шприца) и снова проверь компресию,если поднялась,то раскоксовывателем попробуй,если не изменилась,смотри ГБЦ.Заводить пробуй с бутылки сначала.
«Это невозможно!» - сказала Причина.
«Это безрассудство!» - заметил Опыт.
«Это бесполезно!» - отрезала Гордость.
«Попробуй…» - шепнула Мечта.
«Это безрассудство!» - заметил Опыт.
«Это бесполезно!» - отрезала Гордость.
«Попробуй…» - шепнула Мечта.
- Fil
- Сообщения: 3362
- Зарегистрирован: 09 окт 2005, 12:34
- Двигатель:: 4D56T, 4D56U
- Мой автомобиль(и):: Pajero-2: V5MT1, SS, 5,285 R/D lock. L 200 IV AT, SS, 4,1 R/D lock
- Откуда: Рязань
- Откуда: Рязань (62)
- Благодарил (а): 54 раза
- Поблагодарили: 62 раза
- Контактная информация:
Re: 4D56T Моя первая капиталка.
И если прям ну оч хоцца на цилиндры глянуть, то, думается, поддон снять проще и ДЕШЕВЛЕ (не надо 18 болтв и прокладку за 2рэ).
По теме - коса тнвд адекватная? АКБ с геной как себя чувствуют?
По теме - коса тнвд адекватная? АКБ с геной как себя чувствуют?
91 г.в., 3дв., арки подстрижены,нелинейка 60-0, 285/75/16"М/T, гена 110А под капотом+OPTIMA YT, танковый ближний ксенон, Recaro, демпфер Nissan и ещё амортизаторы от разных машин - был...
2011, почти сток.
Делай как задумал! (с) Мой Батя.
2011, почти сток.
Делай как задумал! (с) Мой Батя.
- egorka29
- Сообщения: 41
- Зарегистрирован: 13 ноя 2011, 01:58
- Двигатель:: 4D55T
- Мой автомобиль(и):: mitsubishi pajero 1 1987 short. 2.3 TD коротыш metall top
- Благодарил (а): 5 раз
Re: 4D56T Моя первая капиталка.
раскоксовыватель делали вначале зимы 2 бутыли лили , компрессия не поднялась как была низкая так и осталась 12 (с маслом 30) , но несмотря на такую компрессию он заводился в -10 у меня когда в гараже мучали крутили "на глаз" уов после замены ремня грм , а вот ремонтники почемуто летом и не смогли его завести ,зимой вначале заводили вообще без ремней (только грм стоял) просто проверить заводится-не заводится, заводился, работал и глох , до сих пор так ощущение что вырабатывает где то запас пока тыркаем его и потом нивкакую даже не схватывает ... потом брат стал копать стартер думал что коротит в ремонте сказали что так и есть коротит , отвезли в ремонт (другим) итог они его помыли коротыша не стало (субъективно крутит пободрее) но со стартера заводится не хочет , тут на форуме прочитал про сеточку в эл.м. клапане , просто ради интереса сам выверну посмотрю, да потом с бутылочки заведу попробую , самому интересно ... брат сложил руки теперь я буду мучатьkoks74 писал(а):Не торопись снимать ГБЦ,замерь компресию сначала сам,может кольца залегли,проверь так:замерь компрессию,если мала то добавь в цилиндры масло (немного из шприца) и снова проверь компресию,если поднялась,то раскоксовывателем попробуй,если не изменилась,смотри ГБЦ.Заводить пробуй с бутылки сначала.
коса тнвд адекватная , одна ветка неродная но течи нигде нет , прокладки под обратку (шайбы с дырками) поставил оригинал , акб нормальный 76 а/ч(не новый но у меня их 2 , бывало и параллель включали ,крутит также)
pajero1 2,3TD 4D55T 87г. мкпп лев.руль
-
elankot
- Сообщения: 20
- Зарегистрирован: 15 июн 2012, 12:32
- Двигатель:: 4d56
- Мой автомобиль(и):: mitsubishi l200
Re: 4D56T Моя первая капиталка.
Здравствуйте, уважаемые! Помогите, пожалуйста, советом. На моем L200 раскрутился болт коленвала и под замену пошли все шестеренки, шкив и сам коленвал. Двигатель был снят и заменены все запчасти. После сборки завелся без всяких проблем, но работал жестковато и его незначительно потряхивало. Времени не оставалось и я решил позже этим заняться, проехав километров 10 появился стук в районе клапанной крышки и сильный расколбас двигателя, единственное, что успели посмотреть, то что метки привода грм на месте. Я понимаю, что диагноз заочно не поставить, но может кто сталкивался.
-
Pteradaktel
- Сообщения: 16362
- Зарегистрирован: 14 июн 2011, 16:42
- Двигатель:: 4D56
- Мой автомобиль(и):: Pajero2
- Откуда: Пермь
- Откуда: Пермь
- Благодарил (а): 109 раз
- Поблагодарили: 311 раз
Re: 4D56T Моя первая капиталка.
Тут вариантов много...скинуть клапанную, а там уже и пасмотрим))
как то так
как то так
- Passim
- Сообщения: 325
- Зарегистрирован: 23 авг 2010, 14:28
- Двигатель:: 4D56
- Мой автомобиль(и):: Mitsubishi Pajero 1993 г.
- Откуда: Казахстан, Шымкент
- Благодарил (а): 19 раз
- Поблагодарили: 10 раз
Re: 4D56T Моя первая капиталка.
Всем привет!
Мужики подскажите как снимается двигатель (4D56 коробка автомат). Интересует процесс отделения от коробки так сказать, надо ли масло с коробки сливать? Нигде толком не могу найти инфы
Буду наверное двигатель менять, так как в старом пару дней назад лопнул коленвал
а менять коленвал особого желания нет, так как не уверен что у нас продаются качественные они, если еще найду. А по цене в екзисте дешевле двигатель б/у взять на разборке (есть одна, машины с Англии привозят)
Мужики подскажите как снимается двигатель (4D56 коробка автомат). Интересует процесс отделения от коробки так сказать, надо ли масло с коробки сливать? Нигде толком не могу найти инфы
P-II '93 3dr, 4d56, АКПП, SS, правый руль, си-би, шноркель. Был со мной 8 лет, продан.
PAJERO IV 3.0 2007 г. араб.
PAJERO IV 3.0 2007 г. араб.
-
Pteradaktel
- Сообщения: 16362
- Зарегистрирован: 14 июн 2011, 16:42
- Двигатель:: 4D56
- Мой автомобиль(и):: Pajero2
- Откуда: Пермь
- Откуда: Пермь
- Благодарил (а): 109 раз
- Поблагодарили: 311 раз
Re: 4D56T Моя первая капиталка.
Passim, а че мануал говорит? у меня механика, а потому я этот вопрос непроходил))
как то так
как то так
- ruber
- Сообщения: 1903
- Зарегистрирован: 18 июл 2006, 15:33
- Двигатель:: 4D57T (2600сс)
- Мой автомобиль(и):: PII V24W
- Откуда: Ижевск
- Откуда: Ижевск
- Благодарил (а): 1 раз
- Поблагодарили: 12 раз
Re: 4D56T Моя первая капиталка.
открутить ГТ. открутить колокол. все... вынимать двиг при этом следить чтобы ГТ не вывалилась
MMC PAJERO II '93 3DR 4D57T (2600сс) A/T (А343) Solid Axle 5.285
2 DiffLock, 2 х ComeUp DS 9.5, Interco TSL 16/38.5-15 на дисках с двусторонним бэдлоком
GPSmap 276C + 2Gb, MegaJet 3031M + Lemm 2001 Turbo, Yaesu VX-6R, Yaesu FT-7900R + OPEK VU-1503
2 DiffLock, 2 х ComeUp DS 9.5, Interco TSL 16/38.5-15 на дисках с двусторонним бэдлоком
GPSmap 276C + 2Gb, MegaJet 3031M + Lemm 2001 Turbo, Yaesu VX-6R, Yaesu FT-7900R + OPEK VU-1503
- Passim
- Сообщения: 325
- Зарегистрирован: 23 авг 2010, 14:28
- Двигатель:: 4D56
- Мой автомобиль(и):: Mitsubishi Pajero 1993 г.
- Откуда: Казахстан, Шымкент
- Благодарил (а): 19 раз
- Поблагодарили: 10 раз
Re: 4D56T Моя первая капиталка.
А гт как откручивается, через нижний лючок в колоколе? Там кажется на маховике болты есть.ruber писал(а):открутить ГТ. открутить колокол. все... вынимать двиг при этом следить чтобы ГТ не вывалилась
P-II '93 3dr, 4d56, АКПП, SS, правый руль, си-би, шноркель. Был со мной 8 лет, продан.
PAJERO IV 3.0 2007 г. араб.
PAJERO IV 3.0 2007 г. араб.
- Fil
- Сообщения: 3362
- Зарегистрирован: 09 окт 2005, 12:34
- Двигатель:: 4D56T, 4D56U
- Мой автомобиль(и):: Pajero-2: V5MT1, SS, 5,285 R/D lock. L 200 IV AT, SS, 4,1 R/D lock
- Откуда: Рязань
- Откуда: Рязань (62)
- Благодарил (а): 54 раза
- Поблагодарили: 62 раза
- Контактная информация:
Re: 4D56T Моя первая капиталка.
а в тоталдизеле колено за 15рэ взять религия не позволяет?Passim писал(а):Всем привет!
Мужики подскажите как снимается двигатель (4D56 коробка автомат). Интересует процесс отделения от коробки так сказать, надо ли масло с коробки сливать? Нигде толком не могу найти инфыБуду наверное двигатель менять, так как в старом пару дней назад лопнул коленвал
а менять коленвал особого желания нет, так как не уверен что у нас продаются качественные они, если еще найду. А по цене в екзисте дешевле двигатель б/у взять на разборке (есть одна, машины с Англии привозят)
91 г.в., 3дв., арки подстрижены,нелинейка 60-0, 285/75/16"М/T, гена 110А под капотом+OPTIMA YT, танковый ближний ксенон, Recaro, демпфер Nissan и ещё амортизаторы от разных машин - был...
2011, почти сток.
Делай как задумал! (с) Мой Батя.
2011, почти сток.
Делай как задумал! (с) Мой Батя.
- ruber
- Сообщения: 1903
- Зарегистрирован: 18 июл 2006, 15:33
- Двигатель:: 4D57T (2600сс)
- Мой автомобиль(и):: PII V24W
- Откуда: Ижевск
- Откуда: Ижевск
- Благодарил (а): 1 раз
- Поблагодарили: 12 раз
Re: 4D56T Моя первая капиталка.
Да, через лючок. изогнутым ключом на 14.Passim писал(а):А гт как откручивается, через нижний лючок в колоколе? Там кажется на маховике болты есть.ruber писал(а):открутить ГТ. открутить колокол. все... вынимать двиг при этом следить чтобы ГТ не вывалилась
MMC PAJERO II '93 3DR 4D57T (2600сс) A/T (А343) Solid Axle 5.285
2 DiffLock, 2 х ComeUp DS 9.5, Interco TSL 16/38.5-15 на дисках с двусторонним бэдлоком
GPSmap 276C + 2Gb, MegaJet 3031M + Lemm 2001 Turbo, Yaesu VX-6R, Yaesu FT-7900R + OPEK VU-1503
2 DiffLock, 2 х ComeUp DS 9.5, Interco TSL 16/38.5-15 на дисках с двусторонним бэдлоком
GPSmap 276C + 2Gb, MegaJet 3031M + Lemm 2001 Turbo, Yaesu VX-6R, Yaesu FT-7900R + OPEK VU-1503
- Passim
- Сообщения: 325
- Зарегистрирован: 23 авг 2010, 14:28
- Двигатель:: 4D56
- Мой автомобиль(и):: Mitsubishi Pajero 1993 г.
- Откуда: Казахстан, Шымкент
- Благодарил (а): 19 раз
- Поблагодарили: 10 раз
Re: 4D56T Моя первая капиталка.
К нам доставки от них нетFil писал(а):а в тоталдизеле колено за 15рэ взять религия не позволяет?
А так корейское колено я бы наверное у себя нашел. Просто затраты при ремонте могут выйти дороже или как стоимость б/у двигателя, а так даже ваши 15рэ это почти треть стоимости двигла (с нависным).
P-II '93 3dr, 4d56, АКПП, SS, правый руль, си-би, шноркель. Был со мной 8 лет, продан.
PAJERO IV 3.0 2007 г. араб.
PAJERO IV 3.0 2007 г. араб.
- Fil
- Сообщения: 3362
- Зарегистрирован: 09 окт 2005, 12:34
- Двигатель:: 4D56T, 4D56U
- Мой автомобиль(и):: Pajero-2: V5MT1, SS, 5,285 R/D lock. L 200 IV AT, SS, 4,1 R/D lock
- Откуда: Рязань
- Откуда: Рязань (62)
- Благодарил (а): 54 раза
- Поблагодарили: 62 раза
- Контактная информация:
Re: 4D56T Моя первая капиталка.
Доставить может кто угодно - тоталдизель не курьерская контора
А где б/у двиги с нетреснутыми головами, не ведёными блоками и коленами за 45рэ с навесным (а следовательно с нелюфтящей и негонящей масло турбиной, адекватными тнвд с форсунками)? я б себе бы взял бы.
91 г.в., 3дв., арки подстрижены,нелинейка 60-0, 285/75/16"М/T, гена 110А под капотом+OPTIMA YT, танковый ближний ксенон, Recaro, демпфер Nissan и ещё амортизаторы от разных машин - был...
2011, почти сток.
Делай как задумал! (с) Мой Батя.
2011, почти сток.
Делай как задумал! (с) Мой Батя.
- Passim
- Сообщения: 325
- Зарегистрирован: 23 авг 2010, 14:28
- Двигатель:: 4D56
- Мой автомобиль(и):: Mitsubishi Pajero 1993 г.
- Откуда: Казахстан, Шымкент
- Благодарил (а): 19 раз
- Поблагодарили: 10 раз
Re: 4D56T Моя первая капиталка.
Ну там не ровно 45рэ получается, я примерно написал
где то 50-54рэ будет если с нашего на ваш курс перевести, короче в долларах 1800 и 2200 за с 100 тысячным пробегом
насчет турбины и остального не знаю, но дают гарантию. Машины таскают с Англии.
Этой ночью подумав решил все таки самому делать, менять на корейское колено
Вот возник еще один вопрос, можно менять поршень не комплектом, а один. У меня на одном поршне нет кусочка сверху, думал попробовать найти один б/у и поменять заодно
а то вибрация кажется из за него идет.
И еще, номер коленвала корейского этот OEM: 23111-42020 Аналоги: 23111-42002, 23111-42011, 23111-42110, MD102601, MD376960 ? И вкладыши тоже можно сразу ихние брать?
Этой ночью подумав решил все таки самому делать, менять на корейское колено
И еще, номер коленвала корейского этот OEM: 23111-42020 Аналоги: 23111-42002, 23111-42011, 23111-42110, MD102601, MD376960 ? И вкладыши тоже можно сразу ихние брать?
P-II '93 3dr, 4d56, АКПП, SS, правый руль, си-би, шноркель. Был со мной 8 лет, продан.
PAJERO IV 3.0 2007 г. араб.
PAJERO IV 3.0 2007 г. араб.
- Passim
- Сообщения: 325
- Зарегистрирован: 23 авг 2010, 14:28
- Двигатель:: 4D56
- Мой автомобиль(и):: Mitsubishi Pajero 1993 г.
- Откуда: Казахстан, Шымкент
- Благодарил (а): 19 раз
- Поблагодарили: 10 раз
Re: 4D56T Моя первая капиталка.
Потихоньку после работы начал освобождать двиг от лишнего для его снятия. При снятии ремня ГРМ и балансирного обнаружил, что половина балансирного ремня без зубчиков, срезало под чистую. Балансиры крутятся свободно не клинят вроде. Эт что усталость ремня? Или из-за того что лопнуло колено. Месяц назад я его просматривал (ремень) был нормальный.
P-II '93 3dr, 4d56, АКПП, SS, правый руль, си-би, шноркель. Был со мной 8 лет, продан.
PAJERO IV 3.0 2007 г. араб.
PAJERO IV 3.0 2007 г. араб.
- Fil
- Сообщения: 3362
- Зарегистрирован: 09 окт 2005, 12:34
- Двигатель:: 4D56T, 4D56U
- Мой автомобиль(и):: Pajero-2: V5MT1, SS, 5,285 R/D lock. L 200 IV AT, SS, 4,1 R/D lock
- Откуда: Рязань
- Откуда: Рязань (62)
- Благодарил (а): 54 раза
- Поблагодарили: 62 раза
- Контактная информация:
Re: 4D56T Моя первая капиталка.
Всем здравствовать! Залил синтетику эссо 5вэ40 к зиме. Ощущение, что движёк стал работать мягче. Масляный фильтр о5 поставил от галлопера, но теперь уже синий (другой артикул). Защиту картера так и не поставил - нет времени убедиться, что синтетика не капает, по щупу вроде не заметно. По ходу начинает мондить турбина. На днях поеду смотреть, что из себя представляет бычко турбина более детально, а не на расстоянии витрины.
91 г.в., 3дв., арки подстрижены,нелинейка 60-0, 285/75/16"М/T, гена 110А под капотом+OPTIMA YT, танковый ближний ксенон, Recaro, демпфер Nissan и ещё амортизаторы от разных машин - был...
2011, почти сток.
Делай как задумал! (с) Мой Батя.
2011, почти сток.
Делай как задумал! (с) Мой Батя.
- Дедон69
- Сообщения: 2312
- Зарегистрирован: 25 сен 2010, 21:24
- Двигатель:: 4М41
- Мой автомобиль(и):: Паджеро 4
- Откуда: Тверская обл.Молоковский р-н
- Благодарил (а): 5 раз
- Поблагодарили: 60 раз
Re: 4D56T Моя первая капиталка.
У меня три поршня в гараже висят.Я менял по два,чтобы баланс не нарушать,можно свешать на электронных весах.И коленвал,номинал,точить не надо!Passim писал(а):Ну там не ровно 45рэ получается, я примерно написалгде то 50-54рэ будет если с нашего на ваш курс перевести, короче в долларах 1800 и 2200 за с 100 тысячным пробегом
насчет турбины и остального не знаю, но дают гарантию. Машины таскают с Англии.
Этой ночью подумав решил все таки самому делать, менять на корейское коленоВот возник еще один вопрос, можно менять поршень не комплектом, а один. У меня на одном поршне нет кусочка сверху, думал попробовать найти один б/у и поменять заодно
а то вибрация кажется из за него идет.
И еще, номер коленвала корейского этот OEM: 23111-42020 Аналоги: 23111-42002, 23111-42011, 23111-42110, MD102601, MD376960 ? И вкладыши тоже можно сразу ихние брать?
П.1,88г4д56,мкпп ,попил крови,зато теперь все знаем!П2 93г,4д56т,мкпп ,люк,был,П2рестайл,98г.4м40, Акпп был,.Ради удовольствия в грязь не полезу,!П-4,снова дизель,07г.4М41.акпп,был. L-200-Люська, была, П-4 дизель конечно!
- Passim
- Сообщения: 325
- Зарегистрирован: 23 авг 2010, 14:28
- Двигатель:: 4D56
- Мой автомобиль(и):: Mitsubishi Pajero 1993 г.
- Откуда: Казахстан, Шымкент
- Благодарил (а): 19 раз
- Поблагодарили: 10 раз
Re: 4D56T Моя первая капиталка.
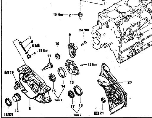
Всем привет! Нужна помощь
Вчера поменял коленвал, начал ставить переднюю крышку и тут затык
Проблема с шестерней привода маслонасоса на рисунке номер 12
Она на каленвалу вращается от руки свободно хотя в ней есть шпонпаз на коленвалу его нет, что на старом что на новом. И тут меня взяли соменния, так и должна стоять свободно на коленвалу?
Вчера поменял коленвал, начал ставить переднюю крышку и тут затык
Она на каленвалу вращается от руки свободно хотя в ней есть шпонпаз на коленвалу его нет, что на старом что на новом. И тут меня взяли соменния, так и должна стоять свободно на коленвалу?
P-II '93 3dr, 4d56, АКПП, SS, правый руль, си-би, шноркель. Был со мной 8 лет, продан.
PAJERO IV 3.0 2007 г. араб.
PAJERO IV 3.0 2007 г. араб.
- Fil
- Сообщения: 3362
- Зарегистрирован: 09 окт 2005, 12:34
- Двигатель:: 4D56T, 4D56U
- Мой автомобиль(и):: Pajero-2: V5MT1, SS, 5,285 R/D lock. L 200 IV AT, SS, 4,1 R/D lock
- Откуда: Рязань
- Откуда: Рязань (62)
- Благодарил (а): 54 раза
- Поблагодарили: 62 раза
- Контактная информация:
Re: 4D56T Моя первая капиталка.
Должна сидеть на шпонке. Шпонок 2 - на одной из них 12-я звезда, на другой - звезда ГРМ и шкив кв. Ты б глянул первые странички, там и фотки есть, глядишь, поможет чем, а то в теме уже более 60 станиц и куча вопросов по второму кругу идёт.
ЗЫ! Анекдоты от тебя ваще Агонь!
ЗЫ! Анекдоты от тебя ваще Агонь!
91 г.в., 3дв., арки подстрижены,нелинейка 60-0, 285/75/16"М/T, гена 110А под капотом+OPTIMA YT, танковый ближний ксенон, Recaro, демпфер Nissan и ещё амортизаторы от разных машин - был...
2011, почти сток.
Делай как задумал! (с) Мой Батя.
2011, почти сток.
Делай как задумал! (с) Мой Батя.
- Passim
- Сообщения: 325
- Зарегистрирован: 23 авг 2010, 14:28
- Двигатель:: 4D56
- Мой автомобиль(и):: Mitsubishi Pajero 1993 г.
- Откуда: Казахстан, Шымкент
- Благодарил (а): 19 раз
- Поблагодарили: 10 раз
Re: 4D56T Моя первая капиталка.
Щас фотки посмотрел, точно на первой шпонке сидит
Просто мне показалось что шестерня не достает до этой шпонки, наверное "разволновался" из за этого и не понял ничего
Первый раз в жизни двигатель разбираю/собираю сам, волнительный процесс

Стараюсь!Fil писал(а):ЗЫ! Анекдоты от тебя ваще Агонь!
P-II '93 3dr, 4d56, АКПП, SS, правый руль, си-би, шноркель. Был со мной 8 лет, продан.
PAJERO IV 3.0 2007 г. араб.
PAJERO IV 3.0 2007 г. араб.
