Вот самое хреновое, когда не задают вопросов по текущим непоняткам.Mr.Maddog писал(а):да не понял я вообще нихрена там,кислородный датчик это лямбда или же который в воздухане?
Датчик кислорода, он же лямда-зонд, а для быстроты набивания клавишами- ДК, находится на штанах в выхлпе перед катализатором.
Ты писал, что он у тебя меняный (предпологаю что новый).
Дык вот к нему и надо прицепить индикатор.
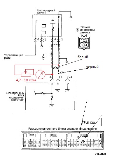
В этом датчике четыре вывода.
Два из которых- нагреватель (они нам не интиресны).
Два других- это сигнал с активного элемента датчика, к ним и надо прицепить индикатор.
По сути надо лишь спаять элементарную схемку, что во вложении нарисована красным. Тебе это сделают в любой мастерской (распечатай или на флешку скинь), где чинят радиоаппаратуру или компьютеры. Принеси им только два провода разноцветных длинной метра 2 и свой индикатор. Переменный резистор они найдут сами у себя. Этот резистор желательно припаять вблизи индикатора.
Индикатор можешь взять :
любой из этих
http://prodano.by/media/images/post/303/3039684_0.jpg
или такой
http://klincy.iprodam-bryansk.ru/images ... 693696.jpg
В мастерской спаяют кишку, тебе останется только прицепить.
Если сам не можешь, ну найди ты хоть какого-то электрика, только трезвого.
И сунь ему схему, что я выложил.
Задача- прицепиться к косе, которая идёт к контроллеру.
Контроллер находится под пластиком справа от ноги пассажирского места.
У контроллера три разъёма.
Нужно найти провода белый и чёрный, кторые идут к соответствующим контактам: 4 и 17 (или 24 - без разницы) самого большого разъёма.
На этих проводах срезать изоляцию в удобном месте и прицепить два провода от кишки. Можно и не паять, а хорошо скрутить, и потом заизолировать.
Провод кишки для удобства можно протянуть через бардачок, чтоб индикатор можно было разместить где-то на панели.
По монтажу вроде всё.
Заводишься.
На непрогретом моторе где-то через полминуты индикатор должен показывать "богато" на время разогрева до 45 градусов, т.е. стрелка должна отклониться и там остаться.
Если она отклонилась слабенько или наоборот зашкалила, то крутишь переменный резистор так, чтоб стрелка была в конце шкалы, но не зашкаливала.
После прогрева мотора более 45 градусов на холостом ходу стрелка должна начать "тикать", т.е. должна примерно 1 раз в секунду отклоняться от минимума до максимума..
Сделай пока это.
Что делать дальше, расскажу после...
