TRT - Вдоль р.Киржач. Для стандартных 4х4 (08.11.25) Форум Обсуждение FAQ

Отвечу на вопросы по автоэлектрике

Электрика в Pajero

Модераторы: SNOOPER, Nbf, Romik, BAlex

Аватара пользователя
dvm99
Сообщения: 21729
Зарегистрирован: 21 май 2012, 20:59
Двигатель:: 6G72, 12клап.,
Мой автомобиль(и):: Pajero2, Запорожец- Ланос
Откуда: Свердловская обл.
Благодарил (а): 706 раз
Поблагодарили: 1026 раз

Re: Отвечу на вопросы по автоэлектрике

Сообщение dvm99 »

presna писал(а): Действительно поплавленые контакты куда устанавливается реле печки. Как это можно вылечить?
Резать к чертовой матери, не дожидаясь перитонитов! (с)
Т.е. только менять.
Вариантов не много: либо весь разъём (возможно с разборки), либо попытаться заменить косяные контакты (желателен опыт в таких делах)
Дмитрий

Боливар2 - П2, 92г., V43, 6G72(12V), V4AW2, RD/L, пруль (чистокровный японский рысак)
Боливар1 - П2, 93г., 6G72(12V), МКПП, V43, RD/L, Европа (славный был конь, но уже донор)
БРЮС
Сообщения: 34
Зарегистрирован: 21 сен 2012, 22:23
Двигатель:: 4D56 дизель МКПП
Мой автомобиль(и):: мицубиси паджеро 3 дв.
Откуда: АСТАНА
Поблагодарили: 1 раз

Re: Отвечу на вопросы по автоэлектрике

Сообщение БРЮС »

Приветствую форумчан! Сегодня столкнулся с такой ситуацией, завёл машину, реле свечей накала отработало как положено, отключилось после запуска через несколько секунд, немного прогрелся, и поехал. И тут на ходу защёлкало реле самопроизвольно. Да у меня стоит один аккум, и два реле свечей накала. Свечи стоят родные. Кто сталкивался с подобной проблемой, подскажите где искать причину?
Аватара пользователя
Капитан ДИН
Сообщения: 4621
Зарегистрирован: 10 ноя 2014, 01:05
Двигатель:: 4D56, МКПП, дизель
Мой автомобиль(и):: Паджеро Спорт 2014
Откуда: Комсомольск на Амуре.
Благодарил (а): 173 раза
Поблагодарили: 399 раз

Re: Отвечу на вопросы по автоэлектрике

Сообщение Капитан ДИН »

presna писал(а):Добрый день, заметил что подплавился один контакт на реле вентилятора печки. В прошлом году перестало работать это же реле, я его заменил и смазал моторчик печки. Дайте совет, где еще можнт быть на этой сети большая нагрузка? Скорости у печки переключают нормально...
Попробуйте поджать греющийся контакт (маму), возможно он ослаб, отсюда и все проблемы. Лучше поджать все контакты, поёрзать в них релюшкой несколько раз, вставить/вынуть, и в конце вновь поджать. Если контакты сильно не подгорели, то болезнь пройдёт.
С уважением, Капитан ДИН.
Valuter
Сообщения: 11
Зарегистрирован: 15 ноя 2009, 19:14

Re: Отвечу на вопросы по автоэлектрике

Сообщение Valuter »

Подскажите пожалуйста , купил поджеро 1 дизель 2.5 л 85г выпуска пуквально а прошлой неделе , приехал дамой заглушил на утро перестали работоть свечи накала замеру на планку 12 воль приходит свечи не звонятся , выкрутил свечи оказались на 6 вольт по подключены были не парами последовательно а все параллельно то есть в них шло 12 в потому наверное и згарели , купил свечи на 11в поставил все заработало ,
Сегодня завожусь стартером крутил сек 15 наверное завелся при включении зажигания лампочка лампа свечей не горит как только стартером крутить начинаешь горит ,
что может быть ?
Аватара пользователя
alzh09
Сообщения: 95
Зарегистрирован: 01 фев 2010, 11:36
Двигатель:: 6G72
Мой автомобиль(и):: pajero sport 1
Откуда: Moscow
Откуда: лефортово
Контактная информация:

Re: Отвечу на вопросы по автоэлектрике

Сообщение alzh09 »

День добрый! подскажите пожалуйста блок комфорта MR 482401 возможно заменить каким нибудь другим например MR 482416
Аватара пользователя
Dennis001
Сообщения: 185
Зарегистрирован: 02 фев 2014, 10:50
Двигатель:: 6G74 GDI
Мой автомобиль(и):: FFocus2 был, П2 1997
Откуда: Новосибирск (54/154)
Откуда: Новосибирск (54/154)
Благодарил (а): 5 раз
Контактная информация:

Re: Отвечу на вопросы по автоэлектрике

Сообщение Dennis001 »

Гуру, доброго времени суток!
Озадачился не горящей лампой низкого давления масла на приборке. Лампа стоит, живая.
Нашел скрутки и отсутствующие пины на фишках, на 10 и 2 часа.
Смотрел схемы, нихрена не понял. Подскажите, так и надо или кто из предыдущих владельцев так погасил эту лампу? Манометр периодически залипает на ниже 0 :*WALL*:
Вложения
Включенное зажигание
Включенное зажигание
Фишка на 10
Фишка на 10
2 скрутки
2 скрутки
Фишка на 2
Фишка на 2
Скрутка раз
Скрутка раз
Скрутка 2
Скрутка 2
Grader
Сообщения: 15
Зарегистрирован: 24 авг 2015, 01:07
Двигатель:: 4D56 дизель
Мой автомобиль(и):: Mitsubishi Pajero Sport 2.5 TD
Откуда: Nikopol
Благодарил (а): 9 раз
Поблагодарили: 3 раза

Re: Отвечу на вопросы по автоэлектрике

Сообщение Grader »

Не могу разобраться с назначением реле и их распиновкой в блоке предохранителей по капотом (НМПС 2013 г.в.)

p.s. в букваре только предохранители обозначены ::-(:

И ещё,... где находится предохранитель или реле на передние габариты?
Вложения
Блок предохранителей под капотом НМПС.
Блок предохранителей под капотом НМПС.
Аватара пользователя
SNOOPER
Модератор
Сообщения: 56893
Зарегистрирован: 11 дек 2004, 19:49
Двигатель:: 4D56
Мой автомобиль(и):: NewMPS
Откуда: 78
Откуда: Spb
Благодарил (а): 1007 раз
Поблагодарили: 4664 раза

Re: Отвечу на вопросы по автоэлектрике

Сообщение SNOOPER »

Grader писал(а):Не могу разобраться с назначением реле и их распиновкой в блоке предохранителей по капотом (НМПС 2013 г.в.)

p.s. в букваре только предохранители обозначены ::-(:

И ещё,... где находится предохранитель или реле на передние габариты?
Вложения
нпс.jpg
Grader
Сообщения: 15
Зарегистрирован: 24 авг 2015, 01:07
Двигатель:: 4D56 дизель
Мой автомобиль(и):: Mitsubishi Pajero Sport 2.5 TD
Откуда: Nikopol
Благодарил (а): 9 раз
Поблагодарили: 3 раза

Re: Отвечу на вопросы по автоэлектрике

Сообщение Grader »

SNOOPER - спасибо за ответ!
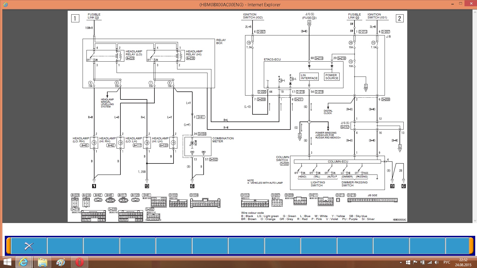
Еще бы разобраться с релюхами, которые обозначены как "Headlamp relay LO" и "Headlamp relay HI" . Так понимаю, что LO - это ближний свет, а HI - это дальний свет. Просто пробовал вытаскивать данные реле и измерять напряжение на клеммах (хочу подключить блок ДХО дальний в пол-накала). После данной процедуры перестал включаться дальний свет, от подрулевого выключателя включается ближний свет вместо дальнего и почему-то не фиксируется, а только на период удержания подрулевого рычага.
Аватара пользователя
SNOOPER
Модератор
Сообщения: 56893
Зарегистрирован: 11 дек 2004, 19:49
Двигатель:: 4D56
Мой автомобиль(и):: NewMPS
Откуда: 78
Откуда: Spb
Благодарил (а): 1007 раз
Поблагодарили: 4664 раза

Re: Отвечу на вопросы по автоэлектрике

Сообщение SNOOPER »

Grader писал(а):SNOOPER - спасибо за ответ!
Еще бы разобраться с релюхами, которые обозначены как "Headlamp relay LO" и "Headlamp relay HI" . Так понимаю, что LO - это ближний свет, а HI - это дальний свет. Просто пробовал вытаскивать данные реле и измерять напряжение на клеммах (хочу подключить блок ДХО дальний в пол-накала). После данной процедуры перестал включаться дальний свет, от подрулевого выключателя включается ближний свет вместо дальнего и почему-то не фиксируется, а только на период удержания подрулевого рычага.
Реле управляется с ЕТАКСа. А он получает команду от подрулевого по LIN шине.
Не хороший симптом. :(
Вложения
гс.jpg
uru-ru71
Сообщения: 10
Зарегистрирован: 17 дек 2014, 17:36
Двигатель:: 6g74 Бензин
Мой автомобиль(и):: Мицубиси Паджеро-3
Откуда: Москва

Re: Отвечу на вопросы по автоэлектрике

Сообщение uru-ru71 »

Здравствуйте Уважаемые!!!
Перегорела лампочка подсветки пепельницы на Паджеро-3, бензин 3,5 коротыш, автомат, 2005 г.в. Решил поменять сам. Когда покупал, то мне сказали,что если не будет гореть при замени лампочка, значит я не той стороной вставил ее и не совпадает полярность, но стоит вставить ее другой стороной и все будет гореть и при этом ничего не случится из-за того что в первый раз не правильно была установлена.
Я так и сделал и получилось так , что с первого раза не попал на правильную полярность и у меня перестал гореть передний правый габарит. Нашел перегоревший предохранитель, заменил и габарит стал гореть. Но так как я так и не установил лампочку на подсветку пепельницы, то я снова вставил и снова не правильно( на лампочке нет указателя где + и где - . Светодиодная. На это раз снова перестал гореть габарит, хотя лампочка не перегорела, я проверял. Но к этому еще прибавилось то, что перестала гореть еще и подсветка всей приборной доски и всех кнопок и при этом все предохранители целые и невредимые. Сервис-сервисом , но я хочу для себя знать что бы могло случится и так же по возможности устранить самому эту поломку.
Отзовитесь , помогите.!
Спасибо!!!
Аватара пользователя
Dennis001
Сообщения: 185
Зарегистрирован: 02 фев 2014, 10:50
Двигатель:: 6G74 GDI
Мой автомобиль(и):: FFocus2 был, П2 1997
Откуда: Новосибирск (54/154)
Откуда: Новосибирск (54/154)
Благодарил (а): 5 раз
Контактная информация:

Re: Отвечу на вопросы по автоэлектрике

Сообщение Dennis001 »

Уважаемые знатоки, доброй ночи!

Бог с ними, со скрутками, это на сигналку. Как оказалось, у меня нет датчика и проводки на лампу низкого давления масла. Т.к. манометр п... показывает "не совсем точно", решил поставить датчик и задействовать штатную лампу. Народ, подскажите, с какой фишки на дорестайле на нее идёт питалово? В схемах если честно, не шибко волоку.((
Заранее благодарю!
Grader
Сообщения: 15
Зарегистрирован: 24 авг 2015, 01:07
Двигатель:: 4D56 дизель
Мой автомобиль(и):: Mitsubishi Pajero Sport 2.5 TD
Откуда: Nikopol
Благодарил (а): 9 раз
Поблагодарили: 3 раза

Re: Отвечу на вопросы по автоэлектрике

Сообщение Grader »

SNOOPER писал(а):
Grader писал(а):SNOOPER - спасибо за ответ!
Еще бы разобраться с релюхами, которые обозначены как "Headlamp relay LO" и "Headlamp relay HI" . Так понимаю, что LO - это ближний свет, а HI - это дальний свет. Просто пробовал вытаскивать данные реле и измерять напряжение на клеммах (хочу подключить блок ДХО дальний в пол-накала). После данной процедуры перестал включаться дальний свет, от подрулевого выключателя включается ближний свет вместо дальнего и почему-то не фиксируется, а только на период удержания подрулевого рычага.
Реле управляется с ЕТАКСа. А он получает команду от подрулевого по LIN шине.
Не хороший симптом. :(
Задам еще пару вопросов по своей ситуации:
1. При вытащенном реле дальнего света ближний загорается от включения дальнего подрулевым переключателем. При вытащенном реле ближнего света - не включается никакой свет, кроме габаритов и туманок.
2. При вытащенном реле дальнего света и замыкании контактов реле (обозначенных на фото +12v/-12v) дальний свет включается. Т.е. нет сигнала на реле. Пробовал менять реле местами - не помогает.
3. Измерение напряжения на контактах обмотки реле дальнего света показывает наличие напряжения +12v на одном из контактов. При нажатии на подрулевой рычаг - напряжение не меняется.

Может причина в подрулевом переключателе?
Вложения
Копия Блок предохранителей и реле.jpeg
Аватара пользователя
SNOOPER
Модератор
Сообщения: 56893
Зарегистрирован: 11 дек 2004, 19:49
Двигатель:: 4D56
Мой автомобиль(и):: NewMPS
Откуда: 78
Откуда: Spb
Благодарил (а): 1007 раз
Поблагодарили: 4664 раза

Re: Отвечу на вопросы по автоэлектрике

Сообщение SNOOPER »

Grader писал(а):
Задам еще пару вопросов по своей ситуации:
1. При вытащенном реле дальнего света ближний загорается от включения дальнего подрулевым переключателем. При вытащенном реле ближнего света - не включается никакой свет, кроме габаритов и туманок.
2. При вытащенном реле дальнего света и замыкании контактов реле (обозначенных на фото +12v/-12v) дальний свет включается. Т.е. нет сигнала на реле. Пробовал менять реле местами - не помогает.
3. Измерение напряжения на контактах обмотки реле дальнего света показывает наличие напряжения +12v на одном из контактов. При нажатии на подрулевой рычаг - напряжение не меняется.

Может причина в подрулевом переключателе?
Не думаю. Ибо как сами выше писали:
Просто пробовал вытаскивать данные реле и измерять напряжение на клеммах (хочу подключить блок ДХО дальний в пол-накала). После данной процедуры перестал включаться дальний свет
По схеме что я выше давал явно видно что и как там работает.
Grader
Сообщения: 15
Зарегистрирован: 24 авг 2015, 01:07
Двигатель:: 4D56 дизель
Мой автомобиль(и):: Mitsubishi Pajero Sport 2.5 TD
Откуда: Nikopol
Благодарил (а): 9 раз
Поблагодарили: 3 раза

Re: Отвечу на вопросы по автоэлектрике

Сообщение Grader »

SNOOPER тогда остается обозначенный на схеме транзистор ЭБУ ? Если так, то можно его заменить в принципе?
Вложения
схема.png
jonikder
Сообщения: 28
Зарегистрирован: 15 ноя 2014, 20:46
Двигатель:: 4M41
Мой автомобиль(и):: Mitsubishi Pajero 3
Откуда: Северодвинск

Re: Отвечу на вопросы по автоэлектрике

Сообщение jonikder »

Здрасте есть вопросик: короче у меня на паджеро 3 стоит тюненгованная оптика раздельные круглые линзованные с ксеноном фары и можно сделать чтобы при включении дальнего не выключался ближний.
Dimass75
Сообщения: 5
Зарегистрирован: 28 авг 2015, 11:00
Двигатель:: 4D56
Мой автомобиль(и):: MMCPajero V24
Откуда: Иркутск

Re: Отвечу на вопросы по автоэлектрике

Сообщение Dimass75 »

Здравствуйте! Паджеро 2 коротыш, 4D56T переделан на МКПП.
Взял его в печальном состоянии довожу до ума, начал с электрички восстановил все правда под капотом остались два неизвестных провода зеленый с черной полосой выходит из основного жгута в районе фишки к Тнвд и синий с красной полосой болтается рядом с фишкой на вентилятор и температуру куллера что за провода не подскажете?
Alex80
Сообщения: 248
Зарегистрирован: 09 июн 2010, 17:28
Двигатель:: 6G75, 3,8 л
Мой автомобиль(и):: Mitsubishi Montero III Limited . 2003г, 3,8 л, 218л,с АКПП
Откуда: Ногинск
Откуда: Ногинск, Московская область
Благодарил (а): 18 раз

Re: Отвечу на вопросы по автоэлектрике

Сообщение Alex80 »

Здравствуйте,пропал плюс на замок зажигание и сигнализацию,где искать? предохранители все норм. Заранее Спасибо)
Санек174
Сообщения: 249
Зарегистрирован: 07 мар 2013, 14:34
Двигатель:: 6G72 12v
Мой автомобиль(и):: Pajero 2 (рестайл)
Откуда: Магнитогорск
Откуда: Челябинская область
Благодарил (а): 2 раза
Поблагодарили: 10 раз

Re: Отвечу на вопросы по автоэлектрике

Сообщение Санек174 »

Alex80 писал(а):Здравствуйте,пропал плюс на замок зажигание и сигнализацию,где искать? предохранители все норм. Заранее Спасибо)
Какой плюс? Прямой с аккумулятора? Плюс на зажигание? Если пропал прямой плюс (что скорее всего, раз отрубилась сигналка), то смотреть провод между замком зажигания и аккумулятором
П-2 рестайл, араб, пружины от тлк 100, 31 ат, шнорк - был 11 лет
Тлк 100
Affrizi
Сообщения: 206
Зарегистрирован: 09 окт 2012, 21:45
Двигатель:: 6G72
Мой автомобиль(и):: Mitsubishi Pajero 4
Откуда: Башкирия, Бакалы
Благодарил (а): 15 раз
Поблагодарили: 10 раз

Re: Отвечу на вопросы по автоэлектрике

Сообщение Affrizi »

Здраствуйте, отсутствует питание на катушку 3,6 цилиндра, как проверить коммутатор на монтеро 3, свечи выкрутил новые как с завода на эти цилиндры. Фото свечей тут: (http://www.pajero4x4.ru/bbs/phpBB2/view ... 2&t=144310)
Мой автомобиль PAJERO IV 3.0 LWB 2014 год.
MONTERO (V75W) 3500/LONG WAGON 01M.
Комплектация LRHVL2M XLS (ES4), 4FA/T FED, год 06/2002, продан
Ответить

Вернуться в «Электрика»