TRT - Вдоль р.Киржач. Для стандартных 4х4 (08.11.25) Форум Обсуждение FAQ

Проблемы полного привода моргают лампочки, не вкл/выкл. мост

Паджеро/Монтеро Спорт
Наш сайт: psport.pajero4x4.ru

Модераторы: SNOOPER, Nbf, Romik, BAlex, drcham, Podzemshik

Igor8080
Сообщения: 94
Зарегистрирован: 28 июл 2012, 11:24
Двигатель:: 6G72
Мой автомобиль(и):: МПС 3.0 2004г. АКПП
Благодарил (а): 2 раза
Поблагодарили: 4 раза

Re: Проблемы полного привода (не вкл/выключается передний мо

Сообщение Igor8080 »

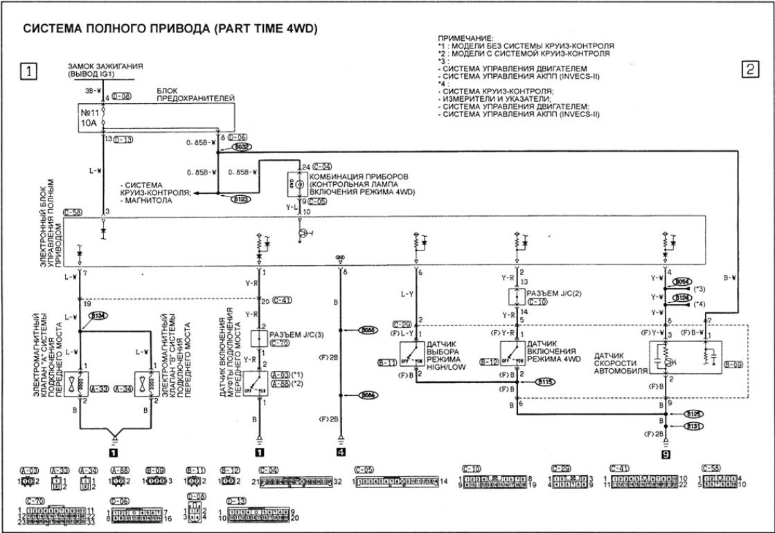
dvm99 писал(а):Так-то бы нормальную схему неплохо перед глазами иметь... У меня её нет.
Схему чего ? Если только блока , так она и не нужна, на другом спорте блок работает нормально.
Если схему всего полного , то это не проблема
Вложения
4WD.JPG
Аватара пользователя
dvm99
Сообщения: 21741
Зарегистрирован: 21 май 2012, 20:59
Двигатель:: 6G72, 12клап.,
Мой автомобиль(и):: Pajero2, Запорожец- Ланос
Откуда: Свердловская обл.
Благодарил (а): 706 раз
Поблагодарили: 1028 раз

Re: Проблемы полного привода (не вкл/выключается передний мо

Сообщение dvm99 »

Во! А где такие рускоязычные схемы выдают? :)

Так-то и схему самого блока не плохо бы... А то я поглядел на стр. 48, тяжеловато по дорожкам ползать. Но, что высмотрел- это то, что на управление транзистора сигнал приходит с микросхемы IC1 через резистор, который стоит между микросхемами (он там один, его номер не разглядеть). По идее надо смотреть, есть ли сигнал с микросхемы. Если его там нету, то вот и нужна схема блока, чтоб разобраться, как он там появляется. Ещё стоит маленький транзистор, который тоже влияет на сигнал (вполне возможно что блокирует его).
Дмитрий

Боливар2 - П2, 92г., V43, 6G72(12V), V4AW2, RD/L, пруль (чистокровный японский рысак)
Боливар1 - П2, 93г., 6G72(12V), МКПП, V43, RD/L, Европа (славный был конь, но уже донор)
Igor8080
Сообщения: 94
Зарегистрирован: 28 июл 2012, 11:24
Двигатель:: 6G72
Мой автомобиль(и):: МПС 3.0 2004г. АКПП
Благодарил (а): 2 раза
Поблагодарили: 4 раза

Re: Проблемы полного привода (не вкл/выключается передний мо

Сообщение Igor8080 »

dvm99 писал(а):Во! А где такие рускоязычные схемы выдают? :)
Дня 3 убил на поиски , но нашел легионовскую книгу в инете , в pdf формате :)

Схемы блока нет.
Я сам электронщик и схему блока (если прижмёт) могу прочитать и по плате , но не вижу смысла его копать.
Ибо блок ставился на другую машину и там блок работает так как надо.
Значит проблема не в нём.
Наверно всё же буду снимать датчики с раздатки. Как вариант - для тестера они показывают нормальную работу , а для блока что то не так.
Хотя с другой стороны при проверке , я эмулировал (дублировал) работу датчиков путём подачи земли на соответствующие контакты блока.
Аватара пользователя
dvm99
Сообщения: 21741
Зарегистрирован: 21 май 2012, 20:59
Двигатель:: 6G72, 12клап.,
Мой автомобиль(и):: Pajero2, Запорожец- Ланос
Откуда: Свердловская обл.
Благодарил (а): 706 раз
Поблагодарили: 1028 раз

Re: Проблемы полного привода (не вкл/выключается передний мо

Сообщение dvm99 »

Igor8080 писал(а): Ибо блок ставился на другую машину и там блок работает так как надо.
Значит проблема не в нём.
Да, скорее всего не в нём (я и не говорил, что он неисправен). Хотя пайки и контакты проверить - не лишнее.
Igor8080 писал(а):
Наверно всё же буду снимать датчики с раздатки. Как вариант - для тестера они показывают нормальную работу , а для блока что то не так.
Вот-вот! Там же на входах наверняка стоят формирователи/ограничители, плюс длинные линии могут вносить свою лепту. Кстати, нужно чтоб и с массами полный порядок был. Входные сигналы инверсные, если на массе , откуда подцеплен датчик, присутствует потенциал, то сигнал может быть "кривой".
Igor8080 писал(а): Хотя с другой стороны при проверке , я эмулировал (дублировал) работу датчиков путём подачи земли на соответствующие контакты блока.
Ну и как результат? При эмуляции работает? Если работает, то почему бы постепенно не замещать эмулируемые сигналы родными или наоборот.

Кому как удобнее, но в подобных случаях я привык разбираться в самом блоке, начиная с конца, и постепенно выходить на косячный вход, а потом разбираться, почему он не срабатывает.
Кстати, если быть до конца корректным, то вы выше писали о замыкании общего провода на вывод 10. Общий брали в самом блоке или откуда-то с массы? Здесь это важно. Нужно по идее брать с самого блока!
Дмитрий

Боливар2 - П2, 92г., V43, 6G72(12V), V4AW2, RD/L, пруль (чистокровный японский рысак)
Боливар1 - П2, 93г., 6G72(12V), МКПП, V43, RD/L, Европа (славный был конь, но уже донор)
Igor8080
Сообщения: 94
Зарегистрирован: 28 июл 2012, 11:24
Двигатель:: 6G72
Мой автомобиль(и):: МПС 3.0 2004г. АКПП
Благодарил (а): 2 раза
Поблагодарили: 4 раза

Re: Проблемы полного привода (не вкл/выключается передний мо

Сообщение Igor8080 »

dvm99 писал(а):
Igor8080 писал(а): Ну и как результат? При эмуляции работает? Если работает, то почему бы постепенно не замещать эмулируемые сигналы родными или наоборот.


Да в том то и дело что при эмуляции тоже не работает. Работало бы - тут было бы всё ясно .
dvm99 писал(а):Кстати, если быть до конца корректным, то вы выше писали о замыкании общего провода на вывод 10. Общий брали в самом блоке или откуда-то с массы? Здесь это важно. Нужно по идее брать с самого блока!
Просто отсоединял блок и сажал перемычку прямо в разьёме с 8 на 10 контакт. Лампочка загоралась.
Тоесть и земля есть в разьёме и цепь лампочки от разьёма до лампочки в приборке исправна.
Аватара пользователя
dvm99
Сообщения: 21741
Зарегистрирован: 21 май 2012, 20:59
Двигатель:: 6G72, 12клап.,
Мой автомобиль(и):: Pajero2, Запорожец- Ланос
Откуда: Свердловская обл.
Благодарил (а): 706 раз
Поблагодарили: 1028 раз

Re: Проблемы полного привода (не вкл/выключается передний мо

Сообщение dvm99 »

Так, ладно... А сигнал с тахометра? Как вы его эмулировали? Кстати, для чего он в болк заведён? Вообще, на сколько я знаю, этот сигнал имеет корни с блока зажигания.
Дмитрий

Боливар2 - П2, 92г., V43, 6G72(12V), V4AW2, RD/L, пруль (чистокровный японский рысак)
Боливар1 - П2, 93г., 6G72(12V), МКПП, V43, RD/L, Европа (славный был конь, но уже донор)
Igor8080
Сообщения: 94
Зарегистрирован: 28 июл 2012, 11:24
Двигатель:: 6G72
Мой автомобиль(и):: МПС 3.0 2004г. АКПП
Благодарил (а): 2 раза
Поблагодарили: 4 раза

Re: Проблемы полного привода (не вкл/выключается передний мо

Сообщение Igor8080 »

dvm99 писал(а):Так, ладно... А сигнал с тахометра? Как вы его эмулировали? Кстати, для чего он в болк заведён? Вообще, на сколько я знаю, этот сигнал имеет корни с блока зажигания.
А никак ::-D: Просто исходил из того что за 70 предыдущих страниц , ни разу ни у кого от этого проблем не было. Да и судя по реакции лампочки ABS при включении полного привода (она сразу загорается) , сигнал идёт скорее ИЗ блока , а не НА блок. Тоесть блок говорит ABS что у него ошибка включения (при этом не зажигает свою лампу) , а ABS принимает меры - выключается.
Аватара пользователя
dvm99
Сообщения: 21741
Зарегистрирован: 21 май 2012, 20:59
Двигатель:: 6G72, 12клап.,
Мой автомобиль(и):: Pajero2, Запорожец- Ланос
Откуда: Свердловская обл.
Благодарил (а): 706 раз
Поблагодарили: 1028 раз

Re: Проблемы полного привода (не вкл/выключается передний мо

Сообщение dvm99 »

Тьфу, блин! Прошу прощения, спутал датчик скорости тахометром, ступил... :)
Но всё равно, мне кажется, что вы ошибаетесь на счёт направления сигнала. Если верить блок-схеме , то провод заходит в абс на выход ключа, который никак не может принять сигнал, а может лишь посадить его на общий, т.е. выдать сигнал. Да и по аналогии с другими входами блока это видно (по диодам).
Дмитрий

Боливар2 - П2, 92г., V43, 6G72(12V), V4AW2, RD/L, пруль (чистокровный японский рысак)
Боливар1 - П2, 93г., 6G72(12V), МКПП, V43, RD/L, Европа (славный был конь, но уже донор)
Igor8080
Сообщения: 94
Зарегистрирован: 28 июл 2012, 11:24
Двигатель:: 6G72
Мой автомобиль(и):: МПС 3.0 2004г. АКПП
Благодарил (а): 2 раза
Поблагодарили: 4 раза

Re: Проблемы полного привода (не вкл/выключается передний мо

Сообщение Igor8080 »

dvm99 писал(а):Но всё равно, мне кажется, что вы ошибаетесь на счёт направления сигнала. Если верить блок-схеме , то провод заходит в абс на выход ключа, который никак не может принять сигнал, а может лишь посадить его на общий, т.е. выдать сигнал. Да и по аналогии с другими входами блока это видно (по диодам).
Возможно ошибаюсь ... но тогда почему зажигается ABS при некорректном включении переднего моста . Точнее поставим вопрос по другому - как ABS определила (где она взяла данные) что мост не включился правильно ?

Судя по схеме эти данные может дать только блок и только 4 контактом разьёма. Других вариантов просто нет.
Аватара пользователя
DDW2003
Сообщения: 125
Зарегистрирован: 03 июл 2012, 23:31
Двигатель:: 4D56
Мой автомобиль(и):: Pajero Sport TD
Откуда: Псков
Откуда: Псков
Благодарил (а): 5 раз
Поблагодарили: 3 раза

Re: Проблемы полного привода (не вкл/выключается передний мо

Сообщение DDW2003 »

Igor8080 писал(а):
dvm99 писал(а):Но всё равно, мне кажется, что вы ошибаетесь на счёт направления сигнала. Если верить блок-схеме , то провод заходит в абс на выход ключа, который никак не может принять сигнал, а может лишь посадить его на общий, т.е. выдать сигнал. Да и по аналогии с другими входами блока это видно (по диодам).
Возможно ошибаюсь ... но тогда почему зажигается ABS при некорректном включении переднего моста . Точнее поставим вопрос по другому - как ABS определила (где она взяла данные) что мост не включился правильно ?

Судя по схеме эти данные может дать только блок и только 4 контактом разьёма. Других вариантов просто нет.
Если взять схему включения АБС, то на ней хорошо видно датчики 4WD и датчик переднего моста, так что видимо в этой схеме недорисован стык с блоком АБС. Я неделю долбался искал в чем причина оказалось от переднего моста не доходил сиглальный провод до блока ПП (т.е. постоянная масса на блоке была, а которая должна размыкаться не было), я кидал провод отдельно, и все заработало, только АБС не заработает сразу, пока не скинешь ошибки (замыкаешь нижний правый контакт на разъеме OBD2 на массу, нажимаешь на тормоз, включаешь зажигание, отпускаешь тормоз, и девять раз очень быстро нажимаешь на педаль тормоза, отпускаешь тормоз и выключаешь зажигание(все это сделать надо за 5 секунд), ошибки должны уйти, если не ушли то считываешь и ищешь причину, если есть коды 25 и 26, то дело в датчиках переда и 4WD.
Pajero Sport 2,5 TD, Hibrid LSD, BFG 265/75/16, 2003 г.в.
Аватара пользователя
dvm99
Сообщения: 21741
Зарегистрирован: 21 май 2012, 20:59
Двигатель:: 6G72, 12клап.,
Мой автомобиль(и):: Pajero2, Запорожец- Ланос
Откуда: Свердловская обл.
Благодарил (а): 706 раз
Поблагодарили: 1028 раз

Re: Проблемы полного привода (не вкл/выключается передний мо

Сообщение dvm99 »

Ну вот! А мне все мозги свернули :*CRAZY*:
Дмитрий

Боливар2 - П2, 92г., V43, 6G72(12V), V4AW2, RD/L, пруль (чистокровный японский рысак)
Боливар1 - П2, 93г., 6G72(12V), МКПП, V43, RD/L, Европа (славный был конь, но уже донор)
Аватара пользователя
msvsv
Сообщения: 1085
Зарегистрирован: 08 сен 2010, 22:24
Двигатель:: 6G72 24V бензин, ГБО
Мой автомобиль(и):: MITSUBISHI MONTERO SPORT 1999г.в.
Откуда: Москва
Откуда: Краснодар,Москва Сокол
Благодарил (а): 25 раз
Поблагодарили: 27 раз

Re: Проблемы полного привода (не вкл/выключается передний мо

Сообщение msvsv »

Т.е кидал провод с контакта разъема датчика переднего моста клемма 2 по схеме на вывод 1 блока управления?
Аватара пользователя
DDW2003
Сообщения: 125
Зарегистрирован: 03 июл 2012, 23:31
Двигатель:: 4D56
Мой автомобиль(и):: Pajero Sport TD
Откуда: Псков
Откуда: Псков
Благодарил (а): 5 раз
Поблагодарили: 3 раза

Re: Проблемы полного привода (не вкл/выключается передний мо

Сообщение DDW2003 »

msvsv писал(а):Т.е кидал провод с контакта разъема датчика переднего моста клемма 2 по схеме на вывод 1 блока управления?
Да, соединял как на схеме с блоком, есть и другая схема (распиновка разъема блока, на плате и схеме схеме разные!!!), Я взял провод от датчика и соединил с первым контактом по твоей схеме, по моей это тоже первый, но тот конец который уходит в жгут проводов тоже подсоединил (где то есть отвод на блок АБС). Теперь при включении зажигания на заднем приводе значок моргает, заводишь машину и он перестает моргать, включаешь ПП от начинает гореть когда мост подключится. Проверить можно легко, включаем ПП, взять скрепку, замкнуть в 8 и 1 пин, и лампа должна загореться на панели, если моргает то нет сигнала от датчика 4 WD, его тоже можно замкнуть 2 и 8 пин на блоке.
Вложения
М169.jpg
Pajero Sport 2,5 TD, Hibrid LSD, BFG 265/75/16, 2003 г.в.
Аватара пользователя
msvsv
Сообщения: 1085
Зарегистрирован: 08 сен 2010, 22:24
Двигатель:: 6G72 24V бензин, ГБО
Мой автомобиль(и):: MITSUBISHI MONTERO SPORT 1999г.в.
Откуда: Москва
Откуда: Краснодар,Москва Сокол
Благодарил (а): 25 раз
Поблагодарили: 27 раз

Re: Проблемы полного привода (не вкл/выключается передний мо

Сообщение msvsv »

Спасибо, поковыряюсь на досуге.
Igor8080
Сообщения: 94
Зарегистрирован: 28 июл 2012, 11:24
Двигатель:: 6G72
Мой автомобиль(и):: МПС 3.0 2004г. АКПП
Благодарил (а): 2 раза
Поблагодарили: 4 раза

Re: Проблемы полного привода (не вкл/выключается передний мо

Сообщение Igor8080 »

Итоги : Опустил сегодня раздатку , снял и проверил оба датчика. Оба датчика мертвые. Мертвые настолько , что добиться от них какой либо реакции на тестер, удалось только после 10 минут проливки WD и маслания туда - сюда. За неимением новых , восстанавливал с помощью WD-40 и всё таки восстановил оба.
Лампочка полного привода сразу загорелась без всяких морганий.
Опускание раздатки и снятие датчиков - ни проблема совсем. 11 несложных болтов. После опускания раздатки датчики и разъемы - как на ладони , снять и проверить их -дело 10 минут. Я с датчиком переднего моста больше помучился чем с этими двумя.
Все мои промеры тестером с контактов блока - туфта , которая меня же ввела в заблуждение.
Последний раз редактировалось Igor8080 03 сен 2012, 09:29, всего редактировалось 1 раз.
Аватара пользователя
Slavutich
Сообщения: 597
Зарегистрирован: 29 июл 2012, 13:40
Двигатель:: 6g72
Мой автомобиль(и):: pajero МПС-1
Откуда: Мск
Благодарил (а): 6 раз
Поблагодарили: 3 раза

Re: Проблемы полного привода (не вкл/выключается передний мо

Сообщение Slavutich »

Что делать в ситуации, когда самопроизвольно происходит включение переднего моста??????
Пример еду в пробке примерно от 3 до 10км/ч происходит резкий удар в переднем мосту и начинает мигать лампочка на приборке полного привода рычаг не трогал стоит на 2wd проблема наблюдается уже как 3й-5й день но она не постоянна может за поездку 2-3 раза произойти а может и за весь день не разу.
Гашу лампочку переводом рычага на 4wd буквально на минутку, затем обратно на 2wd и все вроде бы отлично мост отключается и еду дальше.
Barsilla
Сообщения: 686
Зарегистрирован: 31 авг 2011, 18:07
Двигатель:: 6G72
Мой автомобиль(и):: MPS 2007
Откуда: Москва
Откуда: Москва
Благодарил (а): 23 раза
Поблагодарили: 34 раза

Re: Проблемы полного привода (не вкл/выключается передний мо

Сообщение Barsilla »

Тоже столкнулся с похожей бедой в конце весны. Когда по трассе едешь все норм, в пробке при подтормаживании слышится небольшой хруст и подключается передок, мигает лампочка полного привода. Рычаг раздатки в 2H. При включении полного рычагом лампа горит. При отключении лампа мигает - передок не отключился. Купил клапана от хендай/киа (тут на форуме нашел) думал они. В Обнинске у знакомых на сервисе поехали проверять - клапана родные в норме, вакуум переключают. Грешил на мембрану ту что на самом мосту. Купил новую. Но пока заказал, пока забрал... Проблема не появлялась. В общем сейчас имею новую мембрану и клапана в запасе. Передок за лето сам не включался.
А вот еще вспомнил. Весной когда включался для отключения помогала только езда со скоростью более 70 км/ч в течении некоторого времени, передок отключался. Или что машина выключенная постояла. По-другому я не мог отрубить передний мост.
Если с приходом осени опять вылезет такая проблема - поменяю мембрану и клапана, благо уже лежат.
Pajero Sport 3 л АКПП, 2007 г, SS, STT 285\75\16 с резаными крыльями, силовик от Pajero Shop с доработкой МШУ + китайская Electriс Winch 12000, Ci-Bi в подочечнике, бокс на крыше. В гараже ждет задний с калиткой.
Аватара пользователя
Slavutich
Сообщения: 597
Зарегистрирован: 29 июл 2012, 13:40
Двигатель:: 6g72
Мой автомобиль(и):: pajero МПС-1
Откуда: Мск
Благодарил (а): 6 раз
Поблагодарили: 3 раза

Re: Проблемы полного привода (не вкл/выключается передний мо

Сообщение Slavutich »

Поеду на диагностику в среду в БЛОК моторс к друзьям пущай думают. По предварительному разговору по телефону думают какой-то вакуумный шланг хандрит но как говорится вскрытие покажет.
Аватара пользователя
dvm99
Сообщения: 21741
Зарегистрирован: 21 май 2012, 20:59
Двигатель:: 6G72, 12клап.,
Мой автомобиль(и):: Pajero2, Запорожец- Ланос
Откуда: Свердловская обл.
Благодарил (а): 706 раз
Поблагодарили: 1028 раз

Re: Проблемы полного привода (не вкл/выключается передний мо

Сообщение dvm99 »

Я бы в первую очередь смотрел контакты и датчики. Поведение уж больно на плохой контакт походит. Делайте акцент на то, что передок у нас при заглушенном двигателе подключен, а во время запуска, если раздатка на 2нн, он наоборот отключается. Если при заводке двигателя у вас всё всегда отключается нормально, а траблы происходят во время езды, то скорее всего с вакуумом всё нормально.

Зы
Я тут давеча в суете заглушил двигатель, ещё не остановившись, и получил имитацию того, что вы здесь описываете (удар в передке). Пришлось отматерить себя :) .
Дмитрий

Боливар2 - П2, 92г., V43, 6G72(12V), V4AW2, RD/L, пруль (чистокровный японский рысак)
Боливар1 - П2, 93г., 6G72(12V), МКПП, V43, RD/L, Европа (славный был конь, но уже донор)
Аватара пользователя
Slavutich
Сообщения: 597
Зарегистрирован: 29 июл 2012, 13:40
Двигатель:: 6g72
Мой автомобиль(и):: pajero МПС-1
Откуда: Мск
Благодарил (а): 6 раз
Поблагодарили: 3 раза

Re: Проблемы полного привода (не вкл/выключается передний мо

Сообщение Slavutich »

Примем к сведениям
Ответить

Вернуться в «Паджеро/Монтеро Спорт 1996-2008»