Домино Трофи 2026 - 25 Апреля - Обсудить и спросить тут.
6G72 свист на холодную
Модераторы: SNOOPER, Nbf, Romik, BAlex, drcham, DenVer, SoundSpeed
-
AdB0kaT
- Сообщения: 878
- Зарегистрирован: 05 мар 2014, 07:37
- Двигатель:: 6G72
- Мой автомобиль(и):: Pajero IV Instyle 2013г.
- Откуда: Магнитогорск
- Благодарил (а): 16 раз
- Поблагодарили: 45 раз
Re: 6G72 свист на холодную
Паразитные ролики расположены сверху их диагностировать легко. Их я менял за счет дилера в первую очередь, не помогло. А вот шум в районе нижних шкивов сливается воедино с общим шумом двигателя. Да и орудовать там "прослушками" во время работы привода очень неудобно. Плюс ко всему свист непостоянный) Посему и забил.
- BabyHummer A-328
- Сообщения: 6030
- Зарегистрирован: 27 июн 2012, 12:30
- Двигатель:: Бензин 3.8
- Мой автомобиль(и):: Mitsubishi Pajero IV
- Откуда: Москва, Бабушкинская
- Откуда: Москва
- Благодарил (а): 166 раз
- Поблагодарили: 212 раз
Re: 6G72 свист на холодную
Не помню, есть ли паразитный ролик внизу. Но если нет, значит свист идет из какого-то более серьезного источника. И даже, возможно, из ГРМ. Можно попробовать снять ремень навесных агрегатов и руками покрутить, пощупать. Авось и найдешь.AdB0kaT писал(а):Паразитные ролики расположены сверху их диагностировать легко. Их я менял за счет дилера в первую очередь, не помогло. А вот шум в районе нижних шкивов сливается воедино с общим шумом двигателя. Да и орудовать там "прослушками" во время работы привода очень неудобно. Плюс ко всему свист непостоянный) Посему и забил.
С уважением, Андрей
Псакой буду, если вру! :-)
Псакой буду, если вру! :-)
- Виктор74
- Сообщения: 1430
- Зарегистрирован: 02 дек 2011, 20:12
- Двигатель:: 6G72
- Мой автомобиль(и):: Mitsubishi Pajero4 2007г. Нива 21213 1996г.
- Откуда: Магнитогорск
- Благодарил (а): 49 раз
- Поблагодарили: 84 раза
Re: 6G72 свист на холодную
Сегодня тумана не было и перепад температур небольшой.AdB0kaT писал(а):сегодня с утра было -11. Я вооружился деревянной палкой (черенок от детской лопаты) хотел послушать свист. А свист в этот раз не проявился вообще никак. Вобщем все это дело похоже на подземные стуки. Пока что решил забить, хороший стук наружу все равно вылезет.
Может все же от этого что то зависит?
-
AdB0kaT
- Сообщения: 878
- Зарегистрирован: 05 мар 2014, 07:37
- Двигатель:: 6G72
- Мой автомобиль(и):: Pajero IV Instyle 2013г.
- Откуда: Магнитогорск
- Благодарил (а): 16 раз
- Поблагодарили: 45 раз
Re: 6G72 свист на холодную
Это вряд ли. Свист пока не в такой стадии, чтобы его источник на неработающих агрегатах отловить. Он и во время работы только при прогреве есть да и то не всегда.BabyHummer A-328 писал(а):Можно попробовать снять ремень навесных агрегатов и руками покрутить, пощупать. Авось и найдешь.
-
АлександрК
- Сообщения: 2827
- Зарегистрирован: 05 июн 2013, 13:37
- Двигатель:: 4D56, 6G72, 4N15
- Мой автомобиль(и):: Pajero Sport New 2.5 МКП, Pajero Sport New 2.5 АКПП, Pajero Sport III АКПП, Pajero 4 3.0 АКПП
- Откуда: Россия
- Благодарил (а): 175 раз
- Поблагодарили: 136 раз
Re: 6G72 свист на холодную
Свистит осенью и весной, когда температура чуть выше нуля и сыро. В морозы и по теплу тихо. Не обращаю внимания.
С уважением, Александр.
- Victorin
- Сообщения: 726
- Зарегистрирован: 04 окт 2007, 15:28
- Двигатель:: 6G72
- Мой автомобиль(и):: Pajero Sport 1 4D56 2006, Pajero 4 2014
- Откуда: Москва
- Благодарил (а): 12 раз
- Поблагодарили: 33 раза
Re: 6G72 свист на холодную
У меня тоже такое было на дизельном Спорте. Это ремни, там их много, это же 4D56. Обсуждается 6G72.АлександрК писал(а):Свистит осенью и весной, когда температура чуть выше нуля и сыро. В морозы и по теплу тихо. Не обращаю внимания.
- Delika379
- Сообщения: 1579
- Зарегистрирован: 17 сен 2008, 21:33
- Двигатель:: D4 2,4TD
- Мой автомобиль(и):: Volvo xc70
- Откуда: Москва - Куркино
- Откуда: Москва-Куркино
- Благодарил (а): 6 раз
- Поблагодарили: 45 раз
- Контактная информация:
Re: 6G72 свист на холодную
На 6g72 один ремень. И что мешает его утром снять и запустить двигатель? Тем более это дело одной минуты. ???
PAJERO IV 3.0 2008г.в АРАБ. Продан.
Евгений
Евгений
-
AdB0kaT
- Сообщения: 878
- Зарегистрирован: 05 мар 2014, 07:37
- Двигатель:: 6G72
- Мой автомобиль(и):: Pajero IV Instyle 2013г.
- Откуда: Магнитогорск
- Благодарил (а): 16 раз
- Поблагодарили: 45 раз
Re: 6G72 свист на холодную
Delika379 да беда в том, что пока не отловил условия, при которых этот свист проявляется. Вот сегодня с утра было -12, но свист не проявился. И вчера не было. А позавчера при этой же температуре свист был в течение 2-3 мин.
- Свят
- Сообщения: 6581
- Зарегистрирован: 27 авг 2010, 20:08
- Двигатель:: дизель
- Мой автомобиль(и):: Pajero Sport NEW 2.5 AT
- Откуда: Калининград
- Откуда: Мурманск
- Благодарил (а): 438 раз
- Поблагодарили: 1135 раз
Re: 6G72 свист на холодную
У нас уже неоднократно термомуфту пропеллера на свежих трехлитровиках приговаривали к замене. Подшипник...
В момент свиста ее качнуть и все сразу станет понятно. Всмысле она-неона
В момент свиста ее качнуть и все сразу станет понятно. Всмысле она-неона
S09 2010, LINE-X, 4D56 power by APC&FGC&overboost, мосты 4,272, прямоток, шнорк, body lift, Lovells, 35", без заднего стаба, железо по кругу, Come Up 9.5
+7921 030четыре030 Святослав
ФАНТОМ
Toyota Tundra
+7921 030четыре030 Святослав
ФАНТОМ
Toyota Tundra
- Victorin
- Сообщения: 726
- Зарегистрирован: 04 окт 2007, 15:28
- Двигатель:: 6G72
- Мой автомобиль(и):: Pajero Sport 1 4D56 2006, Pajero 4 2014
- Откуда: Москва
- Благодарил (а): 12 раз
- Поблагодарили: 33 раза
Re: 6G72 свист на холодную
Что значит "качнуть"?Свят писал(а):У нас уже неоднократно термомуфту пропеллера на свежих трехлитровиках приговаривали к замене. Подшипник...
В момент свиста ее качнуть и все сразу станет понятно. Всмысле она-неона
- BabyHummer A-328
- Сообщения: 6030
- Зарегистрирован: 27 июн 2012, 12:30
- Двигатель:: Бензин 3.8
- Мой автомобиль(и):: Mitsubishi Pajero IV
- Откуда: Москва, Бабушкинская
- Откуда: Москва
- Благодарил (а): 166 раз
- Поблагодарили: 212 раз
Re: 6G72 свист на холодную
Интересно, там подшипник заменяемый? Реально его вытащить? Я к тому, что мои попытки заменить подшипники паразитных роликов окончились... смертью съемника(правда, уже современного, сделанного из материала типа "говнилин", как выяснилось. Съемник еще советского производства где-то профукался в недрах гаража). Настолько сильно они там запрессованы.Свят писал(а):У нас уже неоднократно термомуфту пропеллера на свежих трехлитровиках приговаривали к замене. Подшипник...
В момент свиста ее качнуть и все сразу станет понятно. Всмысле она-неона
С уважением, Андрей
Псакой буду, если вру! :-)
Псакой буду, если вру! :-)
- onoff
- Сообщения: 560
- Зарегистрирован: 03 июл 2014, 07:03
- Двигатель:: 6g72
- Мой автомобиль(и):: Pajero4 mt
- Откуда: Югра
- Благодарил (а): 131 раз
- Поблагодарили: 31 раз
Re: 6G72 свист на холодную
заскакивал к ОД. все как написано. рукой тормозится вентилятор. свиста нет. качнули свист есть.Свят писал(а):У нас уже неоднократно термомуфту пропеллера на свежих трехлитровиках приговаривали к замене. Подшипник... В момент свиста ее качнуть и все сразу станет понятно. Всмысле она-неона
сказали можно продолжать ездить
бойтесь равнодушных
- Свят
- Сообщения: 6581
- Зарегистрирован: 27 авг 2010, 20:08
- Двигатель:: дизель
- Мой автомобиль(и):: Pajero Sport NEW 2.5 AT
- Откуда: Калининград
- Откуда: Мурманск
- Благодарил (а): 438 раз
- Поблагодарили: 1135 раз
Re: 6G72 свист на холодную
Ну на работающую лучше пальцы не отбивать)))
Просишь кента завести мотор, сам перед стартом берешь крепко лопость пропеллера и держишь. Мотор завелся, пропеллер держишь. аккуратно, ибо все ремни и шкивы крутятся, пальцы падают на защиту очень быстро.
Так вот, держишь лопасть и качаешь ей от радиатора к мотору и обратно. Без фанатизма.
Новые/старые звуки если пропадают/появляются- подшипнику пи....
Я пока не разобрался, как безболезненно разобрать, а что более важно собрать обратно термомуфту на новом подшипнике. Что-то по этому поводу выкладывал в ветке нового спорта....
Просишь кента завести мотор, сам перед стартом берешь крепко лопость пропеллера и держишь. Мотор завелся, пропеллер держишь. аккуратно, ибо все ремни и шкивы крутятся, пальцы падают на защиту очень быстро.
Так вот, держишь лопасть и качаешь ей от радиатора к мотору и обратно. Без фанатизма.
Новые/старые звуки если пропадают/появляются- подшипнику пи....
Я пока не разобрался, как безболезненно разобрать, а что более важно собрать обратно термомуфту на новом подшипнике. Что-то по этому поводу выкладывал в ветке нового спорта....
S09 2010, LINE-X, 4D56 power by APC&FGC&overboost, мосты 4,272, прямоток, шнорк, body lift, Lovells, 35", без заднего стаба, железо по кругу, Come Up 9.5
+7921 030четыре030 Святослав
ФАНТОМ
Toyota Tundra
+7921 030четыре030 Святослав
ФАНТОМ
Toyota Tundra
-
Frank NN
- Сообщения: 351
- Зарегистрирован: 03 июн 2009, 20:50
- Откуда: Нижний Новгород
- Благодарил (а): 23 раза
- Поблагодарили: 28 раз
Re: 6G72 свист на холодную
Свят писал(а):Ну на работающую лучше пальцы не отбивать)))
Просишь кента завести мотор, сам перед стартом берешь крепко лопость пропеллера и держишь. Мотор завелся, пропеллер держишь. аккуратно, ибо все ремни и шкивы крутятся, пальцы падают на защиту очень быстро.
Так вот, держишь лопасть и качаешь ей от радиатора к мотору и обратно. Без фанатизма.
Новые/старые звуки если пропадают/появляются- подшипнику пи....
Я пока не разобрался, как безболезненно разобрать, а что более важно собрать обратно термомуфту на новом подшипнике. Что-то по этому поводу выкладывал в ветке нового спорта....
Немного конкретики:
Первое: Работы по удержанию вентилятора за лопасть производить строго на слегка прогретом моторе и немного поработавшем на холостых, т.к. если мотор холодный или если даже теплый, но после стоянки, то из принципа работы муфты видно, что рабочая жидкость, а именно силикон стекает в нижнюю часть муфты в полость которая обеспечивает передачу сильного крутящего момента на крыльчатку.В подтверждение этого мы слышим при заводке холодного и теплого , но постоявшего двигателя рык вентилятора. Если был холодный рык проходит медленно, т.к. пока нагревается силикон и разходится по муфте, если был теплый быстрее пока силикон разойдется по всей внутренней полости муфты, но не разблокирует переток в другую область для передачи максимального момента.
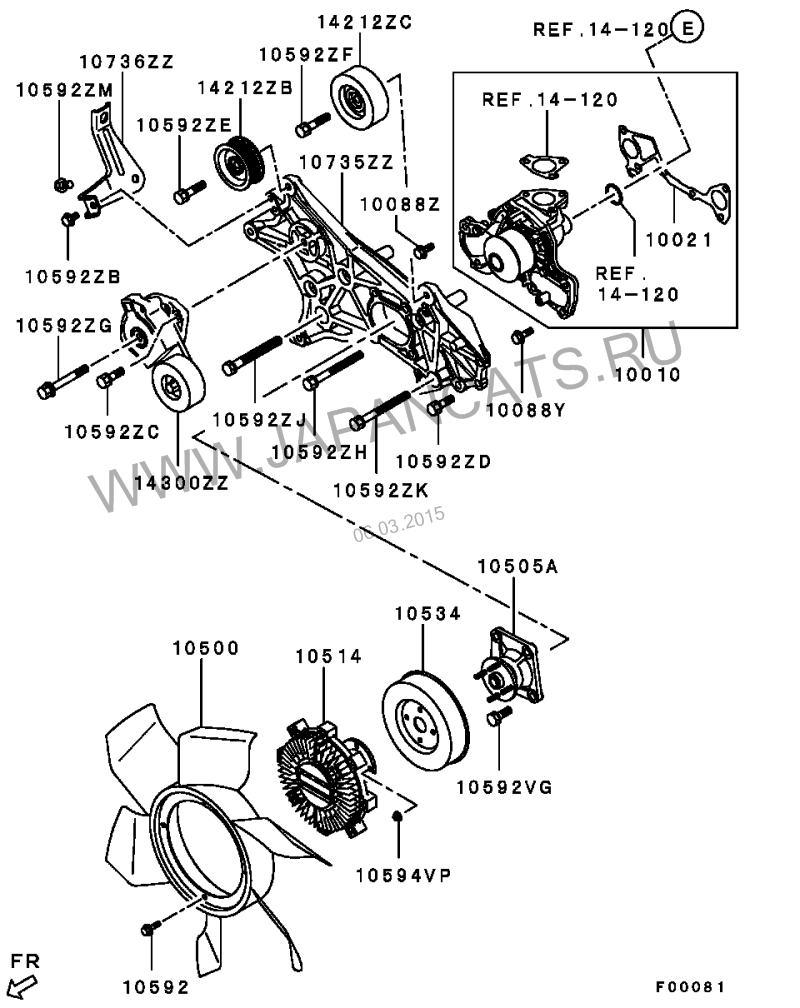
Второе: В механизме муфты могут скрипеть два подшипника, первый это тот который стоит между муфтой(с крыльчаткой) и осью, на которой они закреплены.(на рис. Его не видно, на него указывает штрих 10594VP). Этот имхо сложно заменить.
Второй, это подшипник Кронштейна муфты на рис. 10505А этот можно попробовать заменить.
Но народ на тройках покупет хюндаевский кронштейн за 1 т.р. и не парится.
Джорджевич(P4) 3,8
-
Dim_krsk
- Сообщения: 7
- Зарегистрирован: 02 апр 2014, 22:13
- Двигатель:: 6G72
- Мой автомобиль(и):: Pajero IV
- Откуда: Красноярск
- Благодарил (а): 1 раз
Re: 6G72 свист на холодную
Тоже обращался к ОД со свистом при прогреве, на пробеге в районе 55-60 тысяч. Сменили по гарантии вискомуфту. Дело было в ноябре 13 года... В январе 14 свист уже вернулся
Свистит и по сей день, забил.
-
VAN73
- Сообщения: 87
- Зарегистрирован: 14 окт 2018, 15:25
- Двигатель:: 6G72
- Мой автомобиль(и):: Митсубиси Паджеро 4
- Откуда: Москва
- Откуда: Москва
- Благодарил (а): 24 раза
6G72 свист на холодную
Здравствуйте камрады. Подскажите, какой поликлиновый ремень лучше поставить? Оригинал стоит 5+ т.р., есть ещё заменители, Gates стоит 2,2 т.р. и Masuma стоит 1,6 т.р. И какие до кучи ролики поменять, хотя они не шумят?
П4, 3.0, пробег 120т.км.
Спасибо.
П4, 3.0, пробег 120т.км.
Спасибо.
- BabyHummer A-328
- Сообщения: 6030
- Зарегистрирован: 27 июн 2012, 12:30
- Двигатель:: Бензин 3.8
- Мой автомобиль(и):: Mitsubishi Pajero IV
- Откуда: Москва, Бабушкинская
- Откуда: Москва
- Благодарил (а): 166 раз
- Поблагодарили: 212 раз
6G72 свист на холодную
На нем есть поперечные трещины и/или надрывы? Если нет, то не заморачивайтесь. Впрочем, как и роликами. Если зашумят, тогда и меняйте.
С уважением, Андрей
Псакой буду, если вру! :-)
Псакой буду, если вру! :-)
-
VAN73
- Сообщения: 87
- Зарегистрирован: 14 окт 2018, 15:25
- Двигатель:: 6G72
- Мой автомобиль(и):: Митсубиси Паджеро 4
- Откуда: Москва
- Откуда: Москва
- Благодарил (а): 24 раза
6G72 свист на холодную
Брал машинку из трейдина. В рекомендациях " замена поликлинового ремня"BabyHummer A-328 писал(а): ↑ есть поперечные трещины и/или надрывы?
- Виктор74
- Сообщения: 1430
- Зарегистрирован: 02 дек 2011, 20:12
- Двигатель:: 6G72
- Мой автомобиль(и):: Mitsubishi Pajero4 2007г. Нива 21213 1996г.
- Откуда: Магнитогорск
- Благодарил (а): 49 раз
- Поблагодарили: 84 раза
6G72 свист на холодную
9 лет назад поставил Gates, проехал на нем почти 190 тык, он до сих пор в отличном состоянии, старый вожу на всякий случай)
-
VAN73
- Сообщения: 87
- Зарегистрирован: 14 окт 2018, 15:25
- Двигатель:: 6G72
- Мой автомобиль(и):: Митсубиси Паджеро 4
- Откуда: Москва
- Откуда: Москва
- Благодарил (а): 24 раза
