Электроантенна. Проблемы
Модераторы: SNOOPER, Nbf, Romik, BAlex
-
mosazer
- Сообщения: 31
- Зарегистрирован: 27 авг 2014, 08:53
- Двигатель:: 4D56 дизель
- Мой автомобиль(и):: МПС 2011
- Откуда: Новороссийск
- Благодарил (а): 1 раз
Re: Электроантенна. Проблемы
Всем привет, в тему про антенну и выключатель... помогите с парт намбером заглушки вместо выключателя антенны.. Хочу гнездо прикуривателя туда врезать...Дополнительное..
- Pol@ATOM
- Сообщения: 5316
- Зарегистрирован: 06 июл 2005, 11:00
- Откуда: Планета 78
- Благодарил (а): 33 раза
- Поблагодарили: 93 раза
Re: Электроантенна. Проблемы
Комрады, подскажите детально, как система понимает, что антенна полностью задвинута и надо снять питание с моторчика? Можно ли её обмануть?
Броня крепка и спирт залит в канистры!
- Chumahod
- Сообщения: 13173
- Зарегистрирован: 02 дек 2007, 21:56
- Двигатель:: 6G72
- Мой автомобиль(и):: Pajero Sport 2000г
- Откуда: МСК
- Откуда: Москва, ЮВАО
- Благодарил (а): 885 раз
- Поблагодарили: 829 раз
Re: Электроантенна. Проблемы
http://pajero4x4.ru/bbs/phpBB2/viewtopi ... 3&start=90Pol@ATOM писал(а):Комрады, подскажите детально, как система понимает, что антенна полностью задвинута и надо снять питание с моторчика? Можно ли её обмануть?
"Есть люди которые помнят добро, а есть все остальные." (с)
МКПП, 395ткм (пробег по н/в), Venom Power Terra Hunter X/T 265/70-16, подвеска ОМЕ, демпфер Proсomp, диодный рабочий свет по кругу, защита, пороги и ещё куча вкусных ништяков на машинке:)
МКПП, 395ткм (пробег по н/в), Venom Power Terra Hunter X/T 265/70-16, подвеска ОМЕ, демпфер Proсomp, диодный рабочий свет по кругу, защита, пороги и ещё куча вкусных ништяков на машинке:)
- Pol@ATOM
- Сообщения: 5316
- Зарегистрирован: 06 июл 2005, 11:00
- Откуда: Планета 78
- Благодарил (а): 33 раза
- Поблагодарили: 93 раза
Re: Электроантенна. Проблемы
- если ты про это, то зачем тогда трехпроводная фишка на самой улитке?Chumahod писал(а):...срабатывает по току...Justin писал(а):По-какому принципу срабатывает реле отключения нагрузки?
В данный момент пытаюсь понять - или еще чистить от грязи, перебирать, смазывать или все же отказаться от этой затеи и найти другую антенну?
Или проблема в блоке управления?
Броня крепка и спирт залит в канистры!
- Chumahod
- Сообщения: 13173
- Зарегистрирован: 02 дек 2007, 21:56
- Двигатель:: 6G72
- Мой автомобиль(и):: Pajero Sport 2000г
- Откуда: МСК
- Откуда: Москва, ЮВАО
- Благодарил (а): 885 раз
- Поблагодарили: 829 раз
Re: Электроантенна. Проблемы
Затем!Pol@ATOM писал(а):- если ты про это, то зачем тогда трехпроводная фишка на самой улитке?Chumahod писал(а):...срабатывает по току...Justin писал(а):По-какому принципу срабатывает реле отключения нагрузки?
В данный момент пытаюсь понять - или еще чистить от грязи, перебирать, смазывать или все же отказаться от этой затеи и найти другую антенну?
Или проблема в блоке управления?![]()
Вот здесь схемы: http://www.pajero4x4.ru/bbs/phpBB2/view ... 31&t=23084
"Есть люди которые помнят добро, а есть все остальные." (с)
МКПП, 395ткм (пробег по н/в), Venom Power Terra Hunter X/T 265/70-16, подвеска ОМЕ, демпфер Proсomp, диодный рабочий свет по кругу, защита, пороги и ещё куча вкусных ништяков на машинке:)
МКПП, 395ткм (пробег по н/в), Venom Power Terra Hunter X/T 265/70-16, подвеска ОМЕ, демпфер Proсomp, диодный рабочий свет по кругу, защита, пороги и ещё куча вкусных ништяков на машинке:)
- Pol@ATOM
- Сообщения: 5316
- Зарегистрирован: 06 июл 2005, 11:00
- Откуда: Планета 78
- Благодарил (а): 33 раза
- Поблагодарили: 93 раза
Re: Электроантенна. Проблемы
Chumahod, настало время офигительных историй
Не пишите пожалуйста глупости.
На моторе есть двухконтактная фишка. Она подаёт питание на мотор, плюс и минус. От блока идёт отдельный провод - на массу под болт. И ВНИМАНИЕ! На улитке трёхконтактная фишка... Нужен алгоритм...
Броня крепка и спирт залит в канистры!
- Chumahod
- Сообщения: 13173
- Зарегистрирован: 02 дек 2007, 21:56
- Двигатель:: 6G72
- Мой автомобиль(и):: Pajero Sport 2000г
- Откуда: МСК
- Откуда: Москва, ЮВАО
- Благодарил (а): 885 раз
- Поблагодарили: 829 раз
Re: Электроантенна. Проблемы
По ходу, да настало!Pol@ATOM писал(а):Chumahod, настало время офигительных историйНе пишите пожалуйста глупости.
На моторе есть двухконтактная фишка. Она подаёт питание на мотор, плюс и минус. От блока идёт отдельный провод - на массу под болт. И ВНИМАНИЕ! На улитке трёхконтактная фишка... Нужен алгоритм...
http://pdf.pajero4x4.ru/2003_Montero_Sp ... 800-54.pdf#[0,{%22name%22:%22FitH%22},795]
Открой 221 страницу сервис-мануала, и ткни пжлст носом в схему = где я нашёл "глупость"???
"Есть люди которые помнят добро, а есть все остальные." (с)
МКПП, 395ткм (пробег по н/в), Venom Power Terra Hunter X/T 265/70-16, подвеска ОМЕ, демпфер Proсomp, диодный рабочий свет по кругу, защита, пороги и ещё куча вкусных ништяков на машинке:)
МКПП, 395ткм (пробег по н/в), Venom Power Terra Hunter X/T 265/70-16, подвеска ОМЕ, демпфер Proсomp, диодный рабочий свет по кругу, защита, пороги и ещё куча вкусных ништяков на машинке:)
- Deem-On
- Сообщения: 1014
- Зарегистрирован: 18 мар 2011, 17:49
- Двигатель:: 4M40
- Мой автомобиль(и):: Паджеро 2, был
- Откуда: Ярославль
- Благодарил (а): 8 раз
- Поблагодарили: 95 раз
Re: Электроантенна. Проблемы
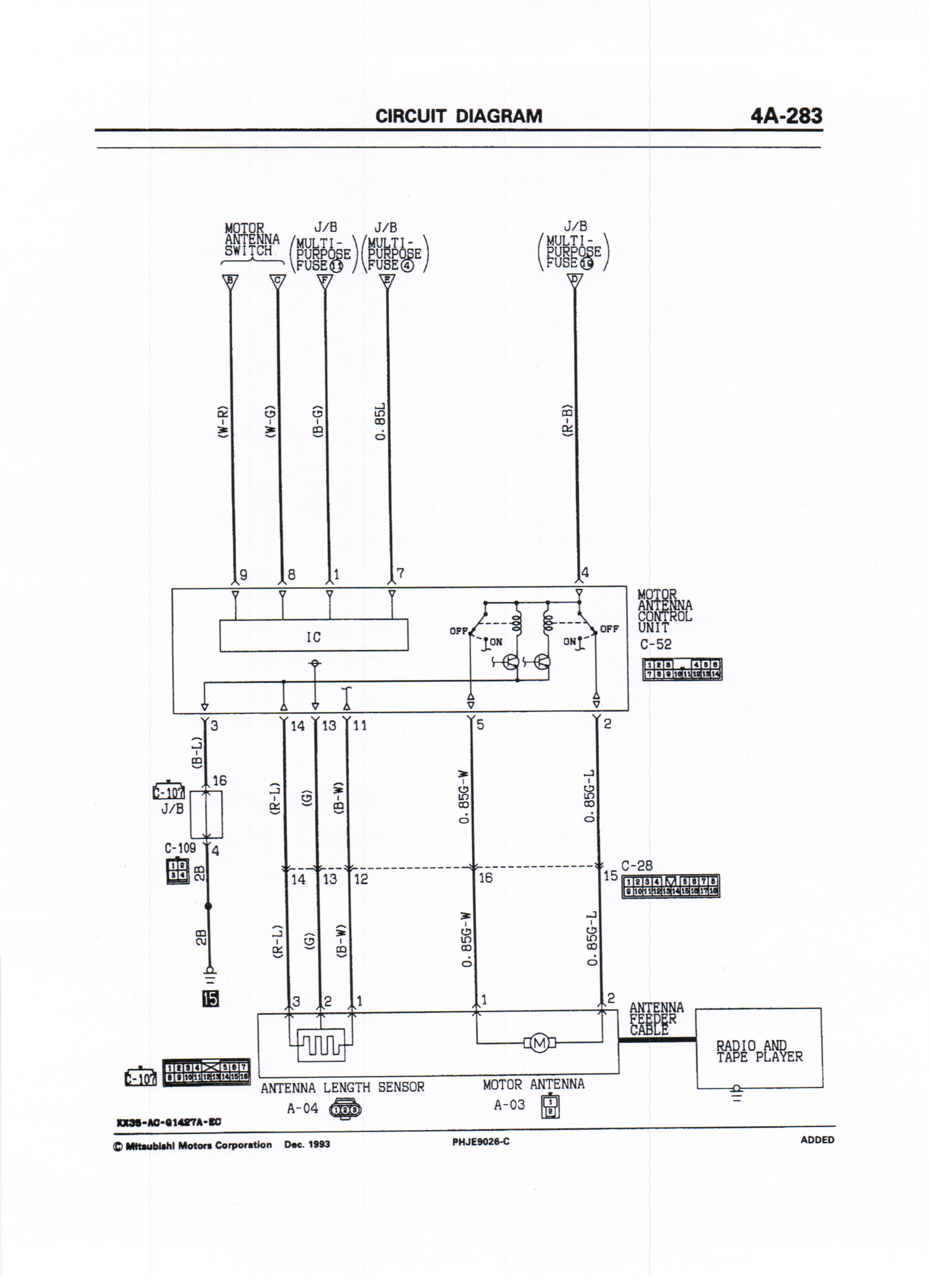
Да пожалуйста, вот схема, разъем А-04, датчик высоты выдвигания штыря антенныChumahod писал(а):Заодно, мне оч. интересно взглянуть на "трёхконтактную фишку на улитке".
П-2 1994 длинный,GLS,4М40,АКПП,SS,А/Т32"-увы, уже донор
- Chumahod
- Сообщения: 13173
- Зарегистрирован: 02 дек 2007, 21:56
- Двигатель:: 6G72
- Мой автомобиль(и):: Pajero Sport 2000г
- Откуда: МСК
- Откуда: Москва, ЮВАО
- Благодарил (а): 885 раз
- Поблагодарили: 829 раз
Re: Электроантенна. Проблемы
Да спасибо!Deem-On писал(а): Да пожалуйста, вот схема, разъем А-04, датчик высоты выдвигания штыря антенны, но он есть не у всех, а только у того, у кого антенна может выдвигаться либо наполовину, либо полностью.
![]()
Изначально вопрос был поставлен так:
Соответственно, первое что смотрим - базовую схему. В схеме без среднего положения отключение идёт по току. Про "фишку" - честно забыл даж как она выглядит, хотя у самого антенна именно со средним положением. По той схеме, которую ты выложил, всё то же самое, только на "улитку" добавлен датчик Холла, а её более продвинутый блок запоминает количество импульсов от начала до конца. Просто изначально не понятно, что увж. Pol@ATOM хочет заставить делать эту антенну...Pol@ATOM писал(а):Комрады, подскажите детально, как система понимает, что антенна полностью задвинута и надо снять питание с моторчика? Можно ли её обмануть?
"Есть люди которые помнят добро, а есть все остальные." (с)
МКПП, 395ткм (пробег по н/в), Venom Power Terra Hunter X/T 265/70-16, подвеска ОМЕ, демпфер Proсomp, диодный рабочий свет по кругу, защита, пороги и ещё куча вкусных ништяков на машинке:)
МКПП, 395ткм (пробег по н/в), Venom Power Terra Hunter X/T 265/70-16, подвеска ОМЕ, демпфер Proсomp, диодный рабочий свет по кругу, защита, пороги и ещё куча вкусных ништяков на машинке:)
- Deem-On
- Сообщения: 1014
- Зарегистрирован: 18 мар 2011, 17:49
- Двигатель:: 4M40
- Мой автомобиль(и):: Паджеро 2, был
- Откуда: Ярославль
- Благодарил (а): 8 раз
- Поблагодарили: 95 раз
Re: Электроантенна. Проблемы
Это чёй-то так? Как раз туда, вопрос был про трехконтактный разъем, я на него ответил.Chumahod писал(а): Да спасибо!Ход мысли правильный, только не туда.
![]()
А по поводу вопроса изначального, таки да, непонятна постановка задачи, т.е. какого результата надо достичь.
П-2 1994 длинный,GLS,4М40,АКПП,SS,А/Т32"-увы, уже донор
- Chumahod
- Сообщения: 13173
- Зарегистрирован: 02 дек 2007, 21:56
- Двигатель:: 6G72
- Мой автомобиль(и):: Pajero Sport 2000г
- Откуда: МСК
- Откуда: Москва, ЮВАО
- Благодарил (а): 885 раз
- Поблагодарили: 829 раз
Re: Электроантенна. Проблемы
Pol@ATOMа интересует алгоритм.Deem-On писал(а): Это чёй-то так? Как раз туда, вопрос был про трехконтактный разъем, я на него ответил.![]()
А по поводу вопроса изначального, таки да, непонятна постановка задачи, т.е. какого результата надо достичь.
P.S. По твоей схеме на датчике Холла: красный "-", чёрный "+", зелёный "импульс" (как ни странно, но в схеме блока так).
"Есть люди которые помнят добро, а есть все остальные." (с)
МКПП, 395ткм (пробег по н/в), Venom Power Terra Hunter X/T 265/70-16, подвеска ОМЕ, демпфер Proсomp, диодный рабочий свет по кругу, защита, пороги и ещё куча вкусных ништяков на машинке:)
МКПП, 395ткм (пробег по н/в), Venom Power Terra Hunter X/T 265/70-16, подвеска ОМЕ, демпфер Proсomp, диодный рабочий свет по кругу, защита, пороги и ещё куча вкусных ништяков на машинке:)
- Deem-On
- Сообщения: 1014
- Зарегистрирован: 18 мар 2011, 17:49
- Двигатель:: 4M40
- Мой автомобиль(и):: Паджеро 2, был
- Откуда: Ярославль
- Благодарил (а): 8 раз
- Поблагодарили: 95 раз
Re: Электроантенна. Проблемы
Ну схему не я рисовал, а такто да, нелогично. Возможно очередной косяк, ошибка в схеме. Перед тем, как что-то свое мутить, надоб прозвонить красный на массу.Chumahod писал(а):Deem-On писал(а): Pol@ATOMа интересует алгоритм.Т.е. как понимаю, и твой ответ его не устроил.
Подождём, мож всё таки расколется, чего мутит.
![]()
P.S. По твоей схеме на датчике Холла: красный "-", чёрный "+", зелёный "импульс" (как ни странно, но в схеме блока так).
И что там можно сколхозить, непонятно. Если родной блок не работает, заменить, да и все, все уже придумано, что там улучшать/изменять?
п.с. после того, как я сломал в лесу вторую по счету антенну(а до этого гнул/правил/чистил/смазывал), решил подойти радикально к этому вопросу, купил штырь от хундая, верхнюю гайку отнес токарю, он по ней сделал другую, с резьбой М6 в верхней части, и все я прикрутил на место.
Вот так это выглядит. При этом блок управления антенной остался без дела, так что кому надо могу подогнать.
П-2 1994 длинный,GLS,4М40,АКПП,SS,А/Т32"-увы, уже донор
- Chumahod
- Сообщения: 13173
- Зарегистрирован: 02 дек 2007, 21:56
- Двигатель:: 6G72
- Мой автомобиль(и):: Pajero Sport 2000г
- Откуда: МСК
- Откуда: Москва, ЮВАО
- Благодарил (а): 885 раз
- Поблагодарили: 829 раз
Re: Электроантенна. Проблемы
Хороший вариант.Deem-On писал(а): Ну схему не я рисовал, а такто да, нелогично. Возможно очередной косяк, ошибка в схеме. Перед тем, как что-то свое мутить, надоб прозвонить красный на массу.
И что там можно сколхозить, непонятно. Если родной блок не работает, заменить, да и все, все уже придумано, что там улучшать/изменять?
п.с. после того, как я сломал в лесу вторую по счету антенну(а до этого гнул/правил/чистил/смазывал), решил подойти радикально к этому вопросу, купил штырь от хундая, верхнюю гайку отнес токарю, он по ней сделал другую, с резьбой М6 в верхней части, и все я прикрутил на место.Теперь никогда не сломается, а прием не хуже чем на родной.
Вот так это выглядит. При этом блок управления антенной остался без дела, так что кому надо могу подогнать.
Вот ещё вариант для тех, кто не хочет ломать антенну в лесу и хочет сохранить аутентичность авто:
http://pajero4x4.ru/bbs/phpBB2/viewtopi ... 3&start=45
"Есть люди которые помнят добро, а есть все остальные." (с)
МКПП, 395ткм (пробег по н/в), Venom Power Terra Hunter X/T 265/70-16, подвеска ОМЕ, демпфер Proсomp, диодный рабочий свет по кругу, защита, пороги и ещё куча вкусных ништяков на машинке:)
МКПП, 395ткм (пробег по н/в), Venom Power Terra Hunter X/T 265/70-16, подвеска ОМЕ, демпфер Proсomp, диодный рабочий свет по кругу, защита, пороги и ещё куча вкусных ништяков на машинке:)
- Pol@ATOM
- Сообщения: 5316
- Зарегистрирован: 06 июл 2005, 11:00
- Откуда: Планета 78
- Благодарил (а): 33 раза
- Поблагодарили: 93 раза
Re: Электроантенна. Проблемы
Друзья, спасибо за информацию и схему. Открываю карты.... Имею длинный П2 GLS 95 гв с родной антенной и кнопкой на 2 положения. Антенна сдохла. Есть живая антенна от п-спорт (мучо спасибос Фёдору 78), визуально такая же.... Но.. "есть нюансы" (С). Спортовская антенна та же по фишкам и почти та же по внешнему виду улитки, но габариты разные. Нижнюю часть крепления - "лапки" под улиткой я переставлю, после чего она сядет на штатные посадочные места на кузове. А вот верхняя часть - та люминиевая трубка, к которой идёт радиокабель, на спорте короче.... Соответственно, пытаюсь понять - имеет ли смысл использовать спортовскую сборку "улитка + мотор" и надевать на неё более длинную верхнюю трубку от П2? Как работает алгоритм управления? После тестового опускания-подъма система запомнит новое нижнее крайнее положение? Или будет пытаться убрать антенну сильнее, ожидая коммутации на трёхконтактной фишке?
Броня крепка и спирт залит в канистры!
- Chumahod
- Сообщения: 13173
- Зарегистрирован: 02 дек 2007, 21:56
- Двигатель:: 6G72
- Мой автомобиль(и):: Pajero Sport 2000г
- Откуда: МСК
- Откуда: Москва, ЮВАО
- Благодарил (а): 885 раз
- Поблагодарили: 829 раз
Re: Электроантенна. Проблемы
Запомнит. Просто посчитает новое кол-во импульсов. Даже если допустить, что управление питанием идёт по импульсам с Холла, то как только импульсы прекратятся, блок должен снять питание. В любом случае, я б для начала собрал "на соплях" (не ставя на машину), и "на коленке" проверил бы работу блока со Спортовской антенной.Pol@ATOM писал(а):Друзья, спасибо за информацию и схему. Открываю карты.... Имею длинный П2 GLS 95 гв с родной антенной и кнопкой на 2 положения. Антенна сдохла. Есть живая антенна от п-спорт (мучо спасибос Фёдору 78), визуально такая же.... Но.. "есть нюансы" (С). Спортовская антенна та же по фишкам и почти та же по внешнему виду улитки, но габариты разные. Нижнюю часть крепления - "лапки" под улиткой я переставлю, после чего она сядет на штатные посадочные места на кузове. А вот верхняя часть - та люминиевая трубка, к которой идёт радиокабель, на спорте короче.... Соответственно, пытаюсь понять - имеет ли смысл использовать спортовскую сборку "улитка + мотор" и надевать на неё более длинную верхнюю трубку от П2? Как работает алгоритм управления? После тестового опускания-подъма система запомнит новое нижнее крайнее положение? Или будет пытаться убрать антенну сильнее, ожидая коммутации на трёхконтактной фишке?
"Есть люди которые помнят добро, а есть все остальные." (с)
МКПП, 395ткм (пробег по н/в), Venom Power Terra Hunter X/T 265/70-16, подвеска ОМЕ, демпфер Proсomp, диодный рабочий свет по кругу, защита, пороги и ещё куча вкусных ништяков на машинке:)
МКПП, 395ткм (пробег по н/в), Venom Power Terra Hunter X/T 265/70-16, подвеска ОМЕ, демпфер Proсomp, диодный рабочий свет по кругу, защита, пороги и ещё куча вкусных ништяков на машинке:)
- Pol@ATOM
- Сообщения: 5316
- Зарегистрирован: 06 июл 2005, 11:00
- Откуда: Планета 78
- Благодарил (а): 33 раза
- Поблагодарили: 93 раза
Re: Электроантенна. Проблемы
- Спасибо! Но блок снимать с машины не охота....Chumahod писал(а):Запомнит. Просто посчитает новое кол-во импульсов. Даже если допустить, что управление питанием идёт по импульсам с Холла, то как только импульсы прекратятся, блок должен снять питание. В любом случае, я б для начала собрал "на соплях" (не ставя на машину), и "на коленке" проверил бы работу блока со Спортовской антенной.Pol@ATOM писал(а):Друзья, спасибо за информацию и схему. Открываю карты.... Имею длинный П2 GLS 95 гв с родной антенной и кнопкой на 2 положения. Антенна сдохла. Есть живая антенна от п-спорт (мучо спасибос Фёдору 78), визуально такая же.... Но.. "есть нюансы" (С). Спортовская антенна та же по фишкам и почти та же по внешнему виду улитки, но габариты разные. Нижнюю часть крепления - "лапки" под улиткой я переставлю, после чего она сядет на штатные посадочные места на кузове. А вот верхняя часть - та люминиевая трубка, к которой идёт радиокабель, на спорте короче.... Соответственно, пытаюсь понять - имеет ли смысл использовать спортовскую сборку "улитка + мотор" и надевать на неё более длинную верхнюю трубку от П2? Как работает алгоритм управления? После тестового опускания-подъма система запомнит новое нижнее крайнее положение? Или будет пытаться убрать антенну сильнее, ожидая коммутации на трёхконтактной фишке?
Броня крепка и спирт залит в канистры!
- IIpuzpak
- Сообщения: 99
- Зарегистрирован: 07 апр 2017, 12:01
- Двигатель:: 6G72 Бензин
- Мой автомобиль(и):: PAJERO 3, 3 литра, АКПП, 6G72. АРАБ
- Откуда: ДЗЕРЖИНСК
Re: Электроантенна. Проблемы
А есть у кого фотки внутренностей, свою сегодня разобрал, такое очучение, что там не все, в нее лазали, зубчатой гребенки нет
-
IKossstas
- Сообщения: 6
- Зарегистрирован: 26 янв 2015, 10:52
- Двигатель:: 6G72
- Мой автомобиль(и):: Mitsubishi Challenger
- Откуда: Алматы
Re: Электроантенна. Проблемы
Всем добрый день!
Небольшая предыстория.
Владею паджером, думаю как любой владелец желаю, что бы все работало, все включалось и так далее. Не работала аварийка, повороты включались, но при включении аварийки всё замолкало. Прочел форумы, начал искать, нашел! Обрыв был в под левым крылом, постоянного плюса, как все и писали. Красный провод с белой полосой и серыми метками, точно такой же как и на кнопке.
А так же давно была сломана антенна, при снятии крыла обнаружил, что кто приколхозил китайскую антенну, хочу теперь всё привести в порядок, от сюда вопросы.
В салоне есть кнопка с рисунком антенны, расскажите, как она работает и за что отвечает? Она без фиксации, для регулировки антенны кнопку нужно держать, или её функция, это выдвинуть и задвинуть?
Еще знаю, что где то есть блок антенны, как можно его проверить? И есть ли какие нибудь схемы для него? Нужно ли ему какое то управление с магнитоллы?
Под крылом есть фишка с 3 контактами, один постоянный минус, при включении зажигания на 2 остальных провода подается плюс. Я так понимаю это и есть управление антенной? Расскажите как вообще она должна работать в идеале?
Завел машину, она выдвинулась, или она зависит от магнитоллы? А если кнопкой управлять, то возможно ли её в среднем положении остановить?
Помогите разобраться, очень хочется всё выяснить и сделать без соплей и колхоза....
Заранее спасибо всем за ответы.
Небольшая предыстория.
Владею паджером, думаю как любой владелец желаю, что бы все работало, все включалось и так далее. Не работала аварийка, повороты включались, но при включении аварийки всё замолкало. Прочел форумы, начал искать, нашел! Обрыв был в под левым крылом, постоянного плюса, как все и писали. Красный провод с белой полосой и серыми метками, точно такой же как и на кнопке.
А так же давно была сломана антенна, при снятии крыла обнаружил, что кто приколхозил китайскую антенну, хочу теперь всё привести в порядок, от сюда вопросы.
В салоне есть кнопка с рисунком антенны, расскажите, как она работает и за что отвечает? Она без фиксации, для регулировки антенны кнопку нужно держать, или её функция, это выдвинуть и задвинуть?
Еще знаю, что где то есть блок антенны, как можно его проверить? И есть ли какие нибудь схемы для него? Нужно ли ему какое то управление с магнитоллы?
Под крылом есть фишка с 3 контактами, один постоянный минус, при включении зажигания на 2 остальных провода подается плюс. Я так понимаю это и есть управление антенной? Расскажите как вообще она должна работать в идеале?
Завел машину, она выдвинулась, или она зависит от магнитоллы? А если кнопкой управлять, то возможно ли её в среднем положении остановить?
Помогите разобраться, очень хочется всё выяснить и сделать без соплей и колхоза....
Заранее спасибо всем за ответы.
- Chumahod
- Сообщения: 13173
- Зарегистрирован: 02 дек 2007, 21:56
- Двигатель:: 6G72
- Мой автомобиль(и):: Pajero Sport 2000г
- Откуда: МСК
- Откуда: Москва, ЮВАО
- Благодарил (а): 885 раз
- Поблагодарили: 829 раз
Re: Электроантенна. Проблемы
Ну как бы в этой теме всё есть, в т.ч. ссылки на перекрёстные темы, схемы и т.д.IKossstas писал(а):Всем добрый день!
Небольшая предыстория.
Владею паджером, думаю как любой владелец желаю, что бы все работало, все включалось и так далее. Не работала аварийка, повороты включались, но при включении аварийки всё замолкало. Прочел форумы, начал искать, нашел! Обрыв был в под левым крылом, постоянного плюса, как все и писали. Красный провод с белой полосой и серыми метками, точно такой же как и на кнопке.
А так же давно была сломана антенна, при снятии крыла обнаружил, что кто приколхозил китайскую антенну, хочу теперь всё привести в порядок, от сюда вопросы.
В салоне есть кнопка с рисунком антенны, расскажите, как она работает и за что отвечает? Она без фиксации, для регулировки антенны кнопку нужно держать, или её функция, это выдвинуть и задвинуть?
Еще знаю, что где то есть блок антенны, как можно его проверить? И есть ли какие нибудь схемы для него? Нужно ли ему какое то управление с магнитоллы?
Под крылом есть фишка с 3 контактами, один постоянный минус, при включении зажигания на 2 остальных провода подается плюс. Я так понимаю это и есть управление антенной? Расскажите как вообще она должна работать в идеале?
Завел машину, она выдвинулась, или она зависит от магнитоллы? А если кнопкой управлять, то возможно ли её в среднем положении остановить?
Помогите разобраться, очень хочется всё выяснить и сделать без соплей и колхоза....
Заранее спасибо всем за ответы.
Надо только не лениться.
"Есть люди которые помнят добро, а есть все остальные." (с)
МКПП, 395ткм (пробег по н/в), Venom Power Terra Hunter X/T 265/70-16, подвеска ОМЕ, демпфер Proсomp, диодный рабочий свет по кругу, защита, пороги и ещё куча вкусных ништяков на машинке:)
МКПП, 395ткм (пробег по н/в), Venom Power Terra Hunter X/T 265/70-16, подвеска ОМЕ, демпфер Proсomp, диодный рабочий свет по кругу, защита, пороги и ещё куча вкусных ништяков на машинке:)
