TRT - Вдоль р.Киржач. Для стандартных 4х4 (08.11.25) Форум Обсуждение FAQ
штатный электровентилятор охлаждения
Модераторы: SNOOPER, Alex_SH, Nbf, BAlex, drcham, SoundSpeed
Правила форума
Дорогие друзья!
Пожалуйста, при создании и поиске сообщений не забывайте пользоваться гиперссылками на тематические разделы, расположенными на главной странице раздела "Новый Pajero Sport"
Дорогие друзья!
Пожалуйста, при создании и поиске сообщений не забывайте пользоваться гиперссылками на тематические разделы, расположенными на главной странице раздела "Новый Pajero Sport"
- gary_tmp
- Сообщения: 445
- Зарегистрирован: 01 ноя 2010, 10:50
- Двигатель:: 4D56 DID 2.5 АКПП
- Мой автомобиль(и):: NMPS, 2010, S66 Ultimate , W54
- Откуда: Киев
- Благодарил (а): 71 раз
- Поблагодарили: 17 раз
Re: дополнительный электровентилятор охлаждения
мне в одной фирме за этот неоригинал зарядили 200 уе 
- Армеец
- Сообщения: 3270
- Зарегистрирован: 31 янв 2011, 14:49
- Двигатель:: 4D56 стопятьсот EGR отключен
- Мой автомобиль(и):: Жорик S05, серебро, ноябрь 2010 г.в.
- Откуда: Тверь
- Откуда: г.Тверь
- Благодарил (а): 200 раз
- Поблагодарили: 274 раза
Re: дополнительный электровентилятор охлаждения
пришел пропеллер - поехал забирать и ставить. 
Multitronics RIF-500, Phantom DVM-130G HDi, камера заднего вида (от форда) , автощит 4 листа, фаркоп Балтекс, Видеорегистратор DVR-4T, 4 видеокамеры, зимняя резина Норд-фрост 200, летняя резина Конти кросс контакт.
- Avr64
- Сообщения: 4
- Зарегистрирован: 01 мар 2011, 13:40
- Двигатель:: 3,0 бензин
- Мой автомобиль(и):: pajero sport new
- Откуда: Москва
Re: дополнительный электровентилятор охлаждения
Поставил сегодня вентилятор.Реле родное не нашел, поставил от калины, все подошло и работает исправно...
- MAVR64
- Сообщения: 2881
- Зарегистрирован: 28 авг 2010, 20:51
- Двигатель:: Дизель
- Мой автомобиль(и):: Pajero
- Откуда: Саратов
- Благодарил (а): 134 раза
- Поблагодарили: 146 раз
Re: дополнительный электровентилятор охлаждения
Интересно, если поставить не штатный вентилятор на гарантийный автомобиль. Не сочтет ли ОД это вмешательством в конструкцию. Если двигатель выйдет из стороя это может быть причиной отказа от гарантийного ремонта?
PAJERO SHOGUN 2014my 3200 200hp A/T БК, регистратор, антирадар, Защита=композит+алюминий
Yokohama Geolandar A/T G012 size 265/60 R18
Yokohama Geolandar A/T G012 size 265/60 R18
- gary_tmp
- Сообщения: 445
- Зарегистрирован: 01 ноя 2010, 10:50
- Двигатель:: 4D56 DID 2.5 АКПП
- Мой автомобиль(и):: NMPS, 2010, S66 Ultimate , W54
- Откуда: Киев
- Благодарил (а): 71 раз
- Поблагодарили: 17 раз
Re: дополнительный электровентилятор охлаждения
я заказал уже от КИА РИО II , поставлю, отпишусь.
Думаю перед ТО - снять его , от греха подальше, а то и верно лишат гарантии.
Думаю перед ТО - снять его , от греха подальше, а то и верно лишат гарантии.
- sn1
- Сообщения: 7637
- Зарегистрирован: 23 авг 2010, 11:28
- Двигатель:: 4D56+
- Мой автомобиль(и):: Pajero Sport II
- Откуда: Византийская Империя
- Благодарил (а): 309 раз
- Поблагодарили: 673 раза
Re: дополнительный электровентилятор охлаждения
да им пох... такие вопросы могут возникнуть только при гарантийном обращении по электрике.gary_tmp писал(а): а то и верно лишат гарантии.
Говори правду, и тогда не придется ничего запоминать!
-
DVCH
- Сообщения: 246
- Зарегистрирован: 26 окт 2010, 15:32
- Двигатель:: 4D56
- Мой автомобиль(и):: МПСН 2,5, S05
- Откуда: Южное Тушино
- Поблагодарили: 6 раз
Re: дополнительный электровентилятор охлаждения
Поставил сей девайс и я. Заказывал на 1001.ру родной. Ставится за 1 минуту при снятой правой ноздре!
Такое ощущение, что при сборке авто у узкоглазых просто карлсоны кончились!
Читал, что форумчане болтик фирменный заказывают. Ни к чему!
Отлично подходит хромированный с рынка 6х25, который мне просто подарили, т.к. один не стОит ничего. :
Плюсы ощутил сразу. Кондей стал отлично холодить, шума вентилятора не слышу совсем.
Есть два вопроса:
1. Где-то в предыдущих постах читал, что обдув должен находиться не в режиме автомат. Почему?
2. При заводке машины, доп. вентилятор включается сразу секунд на 20. Это тестирование или чё?
Спасибо.
Читал, что форумчане болтик фирменный заказывают. Ни к чему!
Плюсы ощутил сразу. Кондей стал отлично холодить, шума вентилятора не слышу совсем.
Есть два вопроса:
1. Где-то в предыдущих постах читал, что обдув должен находиться не в режиме автомат. Почему?
2. При заводке машины, доп. вентилятор включается сразу секунд на 20. Это тестирование или чё?
Спасибо.
- stoorm
- Сообщения: 107
- Зарегистрирован: 28 июл 2010, 00:20
- Двигатель:: 2,5TD 4D56 (178 лошадей)
- Мой автомобиль(и):: НМПС 2010
- Откуда: Москва
- Поблагодарили: 1 раз
Re: дополнительный электровентилятор охлаждения
Привет! Пара вопросов
1001.ру это что за сайт такой?
Фоток с установки не делал?
1001.ру это что за сайт такой?
Фоток с установки не делал?
DVCH писал(а):Поставил сей девайс и я. Заказывал на 1001.ру родной. Ставится за 1 минуту при снятой правой ноздре!Такое ощущение, что при сборке авто у узкоглазых просто карлсоны кончились!
![]()
Читал, что форумчане болтик фирменный заказывают. Ни к чему!Отлично подходит хромированный с рынка 6х25, который мне просто подарили, т.к. один не стОит ничего. :
![]()
Плюсы ощутил сразу. Кондей стал отлично холодить, шума вентилятора не слышу совсем.
Есть два вопроса:
1. Где-то в предыдущих постах читал, что обдув должен находиться не в режиме автомат. Почему?
2. При заводке машины, доп. вентилятор включается сразу секунд на 20. Это тестирование или чё?
Спасибо.
Новый Pajero Sport S04 2,5TD АКПП цвет белый
Резина зима - YOKOHAMA GEOLANDAR I/T-S G073
лето - Toyo Open Country AT
Резина зима - YOKOHAMA GEOLANDAR I/T-S G073
лето - Toyo Open Country AT
- sn1
- Сообщения: 7637
- Зарегистрирован: 23 авг 2010, 11:28
- Двигатель:: 4D56+
- Мой автомобиль(и):: Pajero Sport II
- Откуда: Византийская Империя
- Благодарил (а): 309 раз
- Поблагодарили: 673 раза
Re: дополнительный электровентилятор охлаждения
www.1001z.ru магазин такой запчастейstoorm писал(а):Привет! Пара вопросов
1001.ру это что за сайт такой?
Говори правду, и тогда не придется ничего запоминать!
-
DVCH
- Сообщения: 246
- Зарегистрирован: 26 окт 2010, 15:32
- Двигатель:: 4D56
- Мой автомобиль(и):: МПСН 2,5, S05
- Откуда: Южное Тушино
- Поблагодарили: 6 раз
Re: дополнительный электровентилятор охлаждения
Да тут этих фоток навалом! Да и по другому просто не поставишь...stoorm писал(а): Фоток с установки не делал?
-
Профан
- Сообщения: 312
- Зарегистрирован: 10 июн 2011, 14:22
- Двигатель:: 3.0, бензин
- Мой автомобиль(и):: Pajero Sport NEW 2011г.
- Откуда: СПБ
- Откуда: СПБ
- Благодарил (а): 18 раз
- Поблагодарили: 16 раз
- Контактная информация:
Re: дополнительный электровентилятор охлаждения
Подскажите пожалусто на бензиновую версию вентилятор тоже подходит ???
С уважением
- CoolBDW
- Сообщения: 3630
- Зарегистрирован: 20 янв 2010, 10:11
- Двигатель:: 4D56
- Мой автомобиль(и):: был - NMPS 2010 2.5 TD 5AT S04
- Откуда: Тула
- Откуда: Тула
- Благодарил (а): 210 раз
- Поблагодарили: 284 раза
Re: дополнительный электровентилятор охлаждения
Места крепления должны быть 100%Профан писал(а):Подскажите пожалусто на бензиновую версию вентилятор тоже подходит ???
Соответственно, если есть разъём для вентилятора примотанный в районе датчика температуры наружного воздуха, то можно вставить в нужный сокет подходящее реле (снять, например, с дуделки) и посмотреть тестером - появляется напруга на разъёме вентилятора или нет. Можно и на самом реле, кстати, посмотреть, при наличии понимания
Либо попросить с кем-то пересечься и поставить на пробу - дел на 10 минут
Дмитрий
было когда-то:
NMPS 2010 2.5 TD 5AT чёрный
Webasto, Multitronics VC731, DRL, RedPower 8994, FGC, без EGR (+заглушка -фишка)
Yokohama G012 & F700Z 265/65R17, пружины от Влада
было когда-то:
NMPS 2010 2.5 TD 5AT чёрный
Webasto, Multitronics VC731, DRL, RedPower 8994, FGC, без EGR (+заглушка -фишка)
Yokohama G012 & F700Z 265/65R17, пружины от Влада
- MAVR64
- Сообщения: 2881
- Зарегистрирован: 28 авг 2010, 20:51
- Двигатель:: Дизель
- Мой автомобиль(и):: Pajero
- Откуда: Саратов
- Благодарил (а): 134 раза
- Поблагодарили: 146 раз
Re: дополнительный электровентилятор охлаждения
Заказал себе вентилятор в 1001z. Надеюсь до конца лета приедет и удастся испытать. Срок поставки 17 - 32 дня. Собратья, вопрос: обычно сроки соблюдают?
PAJERO SHOGUN 2014my 3200 200hp A/T БК, регистратор, антирадар, Защита=композит+алюминий
Yokohama Geolandar A/T G012 size 265/60 R18
Yokohama Geolandar A/T G012 size 265/60 R18
- CoolBDW
- Сообщения: 3630
- Зарегистрирован: 20 янв 2010, 10:11
- Двигатель:: 4D56
- Мой автомобиль(и):: был - NMPS 2010 2.5 TD 5AT S04
- Откуда: Тула
- Откуда: Тула
- Благодарил (а): 210 раз
- Поблагодарили: 284 раза
Re: дополнительный электровентилятор охлаждения
Всегда лотерея. Мне обычно раньше привозили, меньше максимального. А вот болт тот самый ждал несколько месяцев и 10(!) перезаказов (это уже просто чисто спортивный интерес начался - что это за болт такой и привезут таки его или нет, т.к. времени с зимы было до фига и не торопился).MAVR64 писал(а):Заказал себе вентилятор в 1001z. Надеюсь до конца лета приедет и удастся испытать. Срок поставки 17 - 32 дня. Собратья, вопрос: обычно сроки соблюдают?
Тут надо понимать - это же сеть спекулянтов
Поэтому ни сроки поставки, ни её гарантированность никто не предскажет. Вероятность поставки можно увеличить глядя на количество в наличии, способ доставки, страну откуда отправляют, некий уже собственный опыт и т.д. Но верного способа всё равно нет. Заказал? Надейся, что придёт
Дмитрий
было когда-то:
NMPS 2010 2.5 TD 5AT чёрный
Webasto, Multitronics VC731, DRL, RedPower 8994, FGC, без EGR (+заглушка -фишка)
Yokohama G012 & F700Z 265/65R17, пружины от Влада
было когда-то:
NMPS 2010 2.5 TD 5AT чёрный
Webasto, Multitronics VC731, DRL, RedPower 8994, FGC, без EGR (+заглушка -фишка)
Yokohama G012 & F700Z 265/65R17, пружины от Влада
-
DVCH
- Сообщения: 246
- Зарегистрирован: 26 окт 2010, 15:32
- Двигатель:: 4D56
- Мой автомобиль(и):: МПСН 2,5, S05
- Откуда: Южное Тушино
- Поблагодарили: 6 раз
Re: дополнительный электровентилятор охлаждения
Господа! Может кто знает ответы на поставленные вопросы?DVCH писал(а): Есть два вопроса:
1. Где-то в предыдущих постах читал, что обдув должен находиться не в режиме автомат. Почему?
2. При заводке машины, доп. вентилятор включается сразу секунд на 20. Это тестирование или чё?
Спасибо.
- G.A.P
- Сообщения: 2309
- Зарегистрирован: 17 фев 2010, 12:29
- Двигатель:: 3.2 DI-D 4M41
- Мой автомобиль(и):: Pajero Sport New 5МТ S80+ Т54
- Откуда: 55°54'N 37°26'E
- Благодарил (а): 305 раз
- Поблагодарили: 63 раза
- Контактная информация:
Re: дополнительный электровентилятор охлаждения
1. Мне просто удобнее дуть всегда на стёкла 
2. Да ХЗ, какая разница, работает
Пожалуйста.
2. Да ХЗ, какая разница, работает
Пожалуйста.
Raptor U-Pol, IronMan 4x4 Suspension, Hankook Dynapro M/T, Goodyear Ultra Grip 500 4x4, Atera, T-Max 48", Беркут R17
-
black910
- Сообщения: 565
- Зарегистрирован: 20 июн 2010, 13:22
- Двигатель:: 4M41
- Мой автомобиль(и):: Pajero Sport 3.2
- Откуда: MOW ЮЗАО
- Благодарил (а): 62 раза
- Поблагодарили: 51 раз
Re: дополнительный электровентилятор охлаждения
У меня ручка - механика, чтобы получить компенсация обдув - автомат. 
Нравится мне летом автомат, потому что при обдуве стекла лоб мёрзнет, на ноги - жарко.
Нравится мне летом автомат, потому что при обдуве стекла лоб мёрзнет, на ноги - жарко.
Джульбарс
зима - Nokian Nordman SUV 265/65 R17
лето - Cooper Discoverer ST maxx 265/70 r17
зима - Nokian Nordman SUV 265/65 R17
лето - Cooper Discoverer ST maxx 265/70 r17
- Napic
- Сообщения: 5982
- Зарегистрирован: 29 июл 2010, 06:51
- Двигатель:: дизель 4d56
- Мой автомобиль(и):: НМПСпорт 2010
- Откуда: Сибирь
- Благодарил (а): 423 раза
- Поблагодарили: 1021 раз
Re: дополнительный электровентилятор охлаждения
По поводу вращения вентилатора. Мне показалось, но точно утверждать не могу, что частота вращения доп. вентилятора имеет 2-ве скорости - маленькая и большая.DVCH писал(а):Господа! Может кто знает ответы на поставленные вопросы?DVCH писал(а): Есть два вопроса:
1. Где-то в предыдущих постах читал, что обдув должен находиться не в режиме автомат. Почему?
2. При заводке машины, доп. вентилятор включается сразу секунд на 20. Это тестирование или чё?
Спасибо.
Типа при включении компрессора кондиционера, если температура в радиаторе кондиционера (датчик высокого давления) показывает небольшое значение, то вентилятор крутиться медленно, но он крутится!
Но если давление высоко (температура высокая) то вентилятор кондиционера включается на максимальные обороты!
Вот почему важно установить именно оригинальный вентилятор - возможно, что его работа контролируется компьютером...
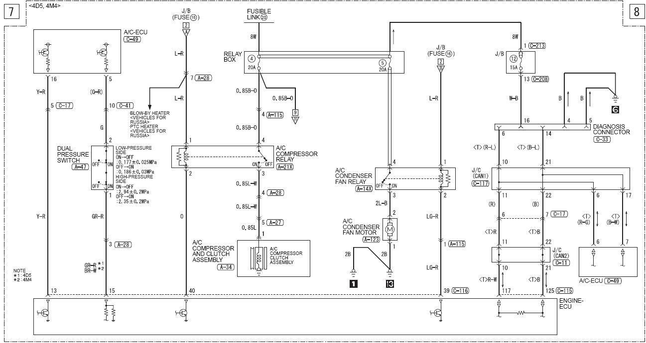
Никто не смотрел схему подключения доп. вентилятора? Что подается "+" или "-" и куда уходит? на землю или в ECU?
НМПСпорт 2010 4d56 2500 дизель S05 5AT
лето BridgeStone HT 265/65R17, зима Hakka 5 SUV 265/65R17
Eberspacher Hydronic 5 кВт, доп. вентилятор кондиционера
Egr off + дроссель On (нержавейка + программное отключение)
лето BridgeStone HT 265/65R17, зима Hakka 5 SUV 265/65R17
Eberspacher Hydronic 5 кВт, доп. вентилятор кондиционера
Egr off + дроссель On (нержавейка + программное отключение)
- CoolBDW
- Сообщения: 3630
- Зарегистрирован: 20 янв 2010, 10:11
- Двигатель:: 4D56
- Мой автомобиль(и):: был - NMPS 2010 2.5 TD 5AT S04
- Откуда: Тула
- Откуда: Тула
- Благодарил (а): 210 раз
- Поблагодарили: 284 раза
Re: дополнительный электровентилятор охлаждения
Тебе показалосьNapic писал(а):По поводу вращения вентилатора. Мне показалось, но точно утверждать не могу, что частота вращения доп. вентилятора имеет 2-ве скорости - маленькая и большая.DVCH писал(а):Господа! Может кто знает ответы на поставленные вопросы?DVCH писал(а): Есть два вопроса:
1. Где-то в предыдущих постах читал, что обдув должен находиться не в режиме автомат. Почему?
2. При заводке машины, доп. вентилятор включается сразу секунд на 20. Это тестирование или чё?
Спасибо.
Типа при включении компрессора кондиционера, если температура в радиаторе кондиционера (датчик высокого давления) показывает небольшое значение, то вентилятор крутиться медленно, но он крутится!
Но если давление высоко (температура высокая) то вентилятор кондиционера включается на максимальные обороты!
Вот почему важно установить именно оригинальный вентилятор - возможно, что его работа контролируется компьютером...
Никто не смотрел схему подключения доп. вентилятора? Что подается "+" или "-" и куда уходит? на землю или в ECU?
Дмитрий
было когда-то:
NMPS 2010 2.5 TD 5AT чёрный
Webasto, Multitronics VC731, DRL, RedPower 8994, FGC, без EGR (+заглушка -фишка)
Yokohama G012 & F700Z 265/65R17, пружины от Влада
было когда-то:
NMPS 2010 2.5 TD 5AT чёрный
Webasto, Multitronics VC731, DRL, RedPower 8994, FGC, без EGR (+заглушка -фишка)
Yokohama G012 & F700Z 265/65R17, пружины от Влада
- SNOOPER
- Модератор
- Сообщения: 56891
- Зарегистрирован: 11 дек 2004, 19:49
- Двигатель:: 4D56
- Мой автомобиль(и):: NewMPS
- Откуда: 78
- Откуда: Spb
- Благодарил (а): 1005 раз
- Поблагодарили: 4663 раза
Re: дополнительный электровентилятор охлаждения
Не совсем. Просто "тихо" он крутится потоком воздуха от вентилятора двигателя, а быстро от электричиства.CoolBDW писал(а): Тебе показалось![]()
Так что точно "двухскоростной"
