Есть у нас этот датчикПрофан писал(а):Разве есть у нас солнечный датчик ?Napic писал(а):Может солнечный датчик не работает...
TRT - Вдоль р.Киржач. Для стандартных 4х4 (08.11.25) Форум Обсуждение FAQ
Проблема с климатконтролем
Модераторы: SNOOPER, Alex_SH, Nbf, BAlex, drcham, SoundSpeed
Правила форума
Дорогие друзья!
Пожалуйста, при создании и поиске сообщений не забывайте пользоваться гиперссылками на тематические разделы, расположенными на главной странице раздела "Новый Pajero Sport"
Дорогие друзья!
Пожалуйста, при создании и поиске сообщений не забывайте пользоваться гиперссылками на тематические разделы, расположенными на главной странице раздела "Новый Pajero Sport"
- Фреди
- Сообщения: 830
- Зарегистрирован: 03 июн 2010, 10:19
- Двигатель:: 6B31, 209 л.с.
- Мой автомобиль(и):: PAJERO SPORT III, 2016г.в., Ultimate
- Откуда: Татарстан
- Благодарил (а): 289 раз
- Поблагодарили: 107 раз
Re: Проблема с климатконтролем
PAJERO SPORT II (2008г., Intense, 3,2L 4M41, 4ст.АКПП) был,
PAJERO SPORT III (2016г., Ultimate, 3,0L 6B31, 8ст.АКПП AISIN AW)
PAJERO SPORT III (2016г., Ultimate, 3,0L 6B31, 8ст.АКПП AISIN AW)
- Napic
- Сообщения: 5982
- Зарегистрирован: 29 июл 2010, 06:51
- Двигатель:: дизель 4d56
- Мой автомобиль(и):: НМПСпорт 2010
- Откуда: Сибирь
- Благодарил (а): 423 раза
- Поблагодарили: 1021 раз
Re: Проблема с климатконтролем
Вот и получается, осень, на улице +15, солнце во всю припекает, включаешь кондиционер, auto,auto +25 - жарко - т.к. солнце припекает очень сильно, ставишь температуру крутилкой на +20 - НИФИГА НЕ ДУЕТ, только в минимальном положении регулятора температуры крутит как очумелый. Вот я и думаю, что климат нифига солнце не замечает.Фреди писал(а): Есть у нас этот датчик, находится он как и положено посередине панели,
НМПСпорт 2010 4d56 2500 дизель S05 5AT
лето BridgeStone HT 265/65R17, зима Hakka 5 SUV 265/65R17
Eberspacher Hydronic 5 кВт, доп. вентилятор кондиционера
Egr off + дроссель On (нержавейка + программное отключение)
лето BridgeStone HT 265/65R17, зима Hakka 5 SUV 265/65R17
Eberspacher Hydronic 5 кВт, доп. вентилятор кондиционера
Egr off + дроссель On (нержавейка + программное отключение)
- Фреди
- Сообщения: 830
- Зарегистрирован: 03 июн 2010, 10:19
- Двигатель:: 6B31, 209 л.с.
- Мой автомобиль(и):: PAJERO SPORT III, 2016г.в., Ultimate
- Откуда: Татарстан
- Благодарил (а): 289 раз
- Поблагодарили: 107 раз
Re: Проблема с климатконтролем
Попробуй накрыть этот датчик листком белой бумаги - соего рода светофильтр (голимый колхоз конечно, но всё такиNapic писал(а):Вот и получается, осень, на улице +15, солнце во всю припекает, включаешь кондиционер, auto,auto +25 - жарко - т.к. солнце припекает очень сильно, ставишь температуру крутилкой на +20 - НИФИГА НЕ ДУЕТ, только в минимальном положении регулятора температуры крутит как очумелый. Вот я и думаю, что климат нифига солнце не замечает.Фреди писал(а): Есть у нас этот датчик, находится он как и положено посередине панели,
PAJERO SPORT II (2008г., Intense, 3,2L 4M41, 4ст.АКПП) был,
PAJERO SPORT III (2016г., Ultimate, 3,0L 6B31, 8ст.АКПП AISIN AW)
PAJERO SPORT III (2016г., Ultimate, 3,0L 6B31, 8ст.АКПП AISIN AW)
-
Netupika
- Сообщения: 9
- Зарегистрирован: 12 дек 2010, 20:14
- Двигатель:: 3.0 бензин
- Мой автомобиль(и):: Pajero Sport new
Re: Проблема с климатконтролем
Сейчас средняя температура на улице +5, а у меня климат работает будто +25, холодный воздух идет, отключил снежок, тепр. поставил на максимум все равно холодный воздух идет.........и еще поток воздуха идет только в сторону водителя и пассажира другие режимы перестали работать.
отключил аккумулятор не помогает.....
буду записываться к ОД, машина на гарантии.
если у кого было такое или кто знает скажите в чем проблема.

отключил аккумулятор не помогает.....
буду записываться к ОД, машина на гарантии.
если у кого было такое или кто знает скажите в чем проблема.
- Свят
- Сообщения: 6581
- Зарегистрирован: 27 авг 2010, 20:08
- Двигатель:: дизель
- Мой автомобиль(и):: Pajero Sport NEW 2.5 AT
- Откуда: Калининград
- Откуда: Мурманск
- Благодарил (а): 438 раз
- Поблагодарили: 1135 раз
Re: Проблема с климатконтролем
А Вы случайно не лазили под панель? Центральную часть?Netupika писал(а):
если у кого было такое или кто знает скажите в чем проблема.![]()
![]()
У меня то же было после того, как нехорошие электрики снимали весь пластик по-центру. Когда сам полез разбираться, оказалось, что фишки блока климата( где крутилки) были недощёлкнуты. Вставил их как следует- всё оки
Глянь там....
S09 2010, LINE-X, 4D56 power by APC&FGC&overboost, мосты 4,272, прямоток, шнорк, body lift, Lovells, 35", без заднего стаба, железо по кругу, Come Up 9.5
+7921 030четыре030 Святослав
ФАНТОМ
Toyota Tundra
+7921 030четыре030 Святослав
ФАНТОМ
Toyota Tundra
- Napic
- Сообщения: 5982
- Зарегистрирован: 29 июл 2010, 06:51
- Двигатель:: дизель 4d56
- Мой автомобиль(и):: НМПСпорт 2010
- Откуда: Сибирь
- Благодарил (а): 423 раза
- Поблагодарили: 1021 раз
Re: Проблема с климатконтролем
господа, мысля есть...
Исходные данные.
Температура за бортом -5. В салоне тепло. климат поставил в авто,авто, +20. Как только прогрелся салон до этой температуры, то климат скорость вентилятора отопителя автоматически поставил в самую маленькую из всех возможных скоростей, т.е. первую скорость вентилятора. При этой самой маленькой скорости отопителя практически нет обдува лобового стекла и из боковых сопел на боковые стекла также идет самый маленький, еле уловимый обдув. Салонный фильтр новый. А снег то идет и происходит маленькое запотевание лобового и боковых стекол.
Вспоминаю тойоту, как на ней все работало. Там стояло гасящее сопротивление которое обеспечивало минимальную скорость работы вентилятора отопителя даже при отказе блока управления климатом. И сам климат включаясь лишь повышал скорость вентилятора. Т.е. никогда на тойотах не было такой маленькой скорости вращения вентилятора, которая не обеспечивает достаточный обдув. Более того, при температурах -20 на тойотах, климат сам по себе никогда не опускался ниже второй скорости вентилятора даже когда салон был полностью прогретым - думаю из-за того чтобы не было запотевания стекол.
На спорте даже в -30, если салон прогрет, (а у меня стоит гидроник-догреватель и салон прогревается нормально) скорость вентилятора-отопителя автоматически ставится самая низкая, самая минимальная...
Вот и появилась мысля, что можно заказать от спорта с ручным управлением гасящее сопротивление и выставить минимальную скорость работы климата самому от которой будет работать автоматический климат....
Кто что думает?
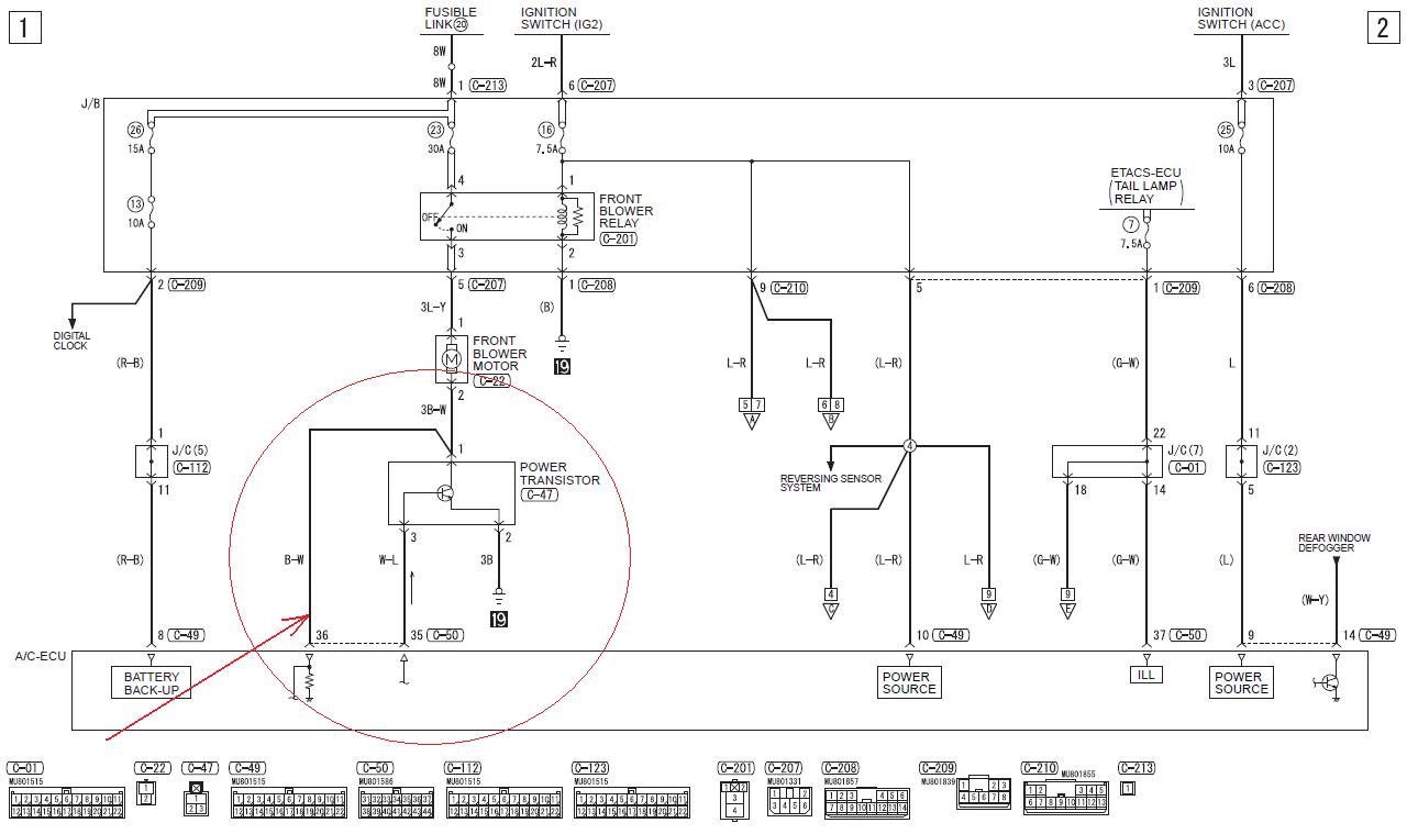
Кто знает, для чего стоит провод отмеченный стрелкой?
Более того, при самой маленькой скорости отопителя практически прекращается поток воздуха через датчик температуры воздуха в салоне - нарушаются показания этого датчика, повышается его инерционность...
Исходные данные.
Температура за бортом -5. В салоне тепло. климат поставил в авто,авто, +20. Как только прогрелся салон до этой температуры, то климат скорость вентилятора отопителя автоматически поставил в самую маленькую из всех возможных скоростей, т.е. первую скорость вентилятора. При этой самой маленькой скорости отопителя практически нет обдува лобового стекла и из боковых сопел на боковые стекла также идет самый маленький, еле уловимый обдув. Салонный фильтр новый. А снег то идет и происходит маленькое запотевание лобового и боковых стекол.
Вспоминаю тойоту, как на ней все работало. Там стояло гасящее сопротивление которое обеспечивало минимальную скорость работы вентилятора отопителя даже при отказе блока управления климатом. И сам климат включаясь лишь повышал скорость вентилятора. Т.е. никогда на тойотах не было такой маленькой скорости вращения вентилятора, которая не обеспечивает достаточный обдув. Более того, при температурах -20 на тойотах, климат сам по себе никогда не опускался ниже второй скорости вентилятора даже когда салон был полностью прогретым - думаю из-за того чтобы не было запотевания стекол.
На спорте даже в -30, если салон прогрет, (а у меня стоит гидроник-догреватель и салон прогревается нормально) скорость вентилятора-отопителя автоматически ставится самая низкая, самая минимальная...
Вот и появилась мысля, что можно заказать от спорта с ручным управлением гасящее сопротивление и выставить минимальную скорость работы климата самому от которой будет работать автоматический климат....
Кто что думает?
Кто знает, для чего стоит провод отмеченный стрелкой?
Более того, при самой маленькой скорости отопителя практически прекращается поток воздуха через датчик температуры воздуха в салоне - нарушаются показания этого датчика, повышается его инерционность...
НМПСпорт 2010 4d56 2500 дизель S05 5AT
лето BridgeStone HT 265/65R17, зима Hakka 5 SUV 265/65R17
Eberspacher Hydronic 5 кВт, доп. вентилятор кондиционера
Egr off + дроссель On (нержавейка + программное отключение)
лето BridgeStone HT 265/65R17, зима Hakka 5 SUV 265/65R17
Eberspacher Hydronic 5 кВт, доп. вентилятор кондиционера
Egr off + дроссель On (нержавейка + программное отключение)
- SKS
- Сообщения: 4194
- Зарегистрирован: 20 апр 2008, 18:58
- Двигатель:: 4N15
- Мой автомобиль(и):: PAJERO SPORT 2.4 Ultimate, 2017 г., белый
- Откуда: Тюмень
- Откуда: Тюмень
- Благодарил (а): 700 раз
- Поблагодарили: 471 раз
Re: Проблема с климатконтролем
А не проще в таком случае просто выставить ту скорость какая нужна? Не знаю как на Спорте, еще не удалось толком проверить, но поскольку климат контроль аналогичный по схеме управления Аут ХЛ и еже с ним, то думаю что на стекло он дует, причем дует всегда. За четыре года владения Аутом (сейчас еще есть ASX) с обдувом стекла в режиме Авто в основном никогда проблем не было. Только если идет снег и сильная влажность, когда начинало потеть стекло, приходилось ставить режим стекло/ноги, при этом скорость в Авто, температура +22. Еще одной проблемой Аута была обмерзание верхнего левого угла лобового стекла при температурах ниже -25 и при движении со скоростями от 100 км/ч. Тогда приходилось принудительно увеличивать скорость подачи воздуха на стекло и повышать температуру, иначе не помогало.
Не знаю как на Спорте, но мне показалось, что здесь все примерно также.
Не знаю как на Спорте, но мне показалось, что здесь все примерно также.
- Napic
- Сообщения: 5982
- Зарегистрирован: 29 июл 2010, 06:51
- Двигатель:: дизель 4d56
- Мой автомобиль(и):: НМПСпорт 2010
- Откуда: Сибирь
- Благодарил (а): 423 раза
- Поблагодарили: 1021 раз
Re: Проблема с климатконтролем
Ну так и делаемSKS писал(а):А не проще в таком случае просто выставить ту скорость какая нужна?
Я же говорю о том, чтобы это дело автоматизировать, мне кажется что немного неправильно, что в авто режиме после достижения датчика температуры в салоне требуемой температуры, скорость вентилятора сбрасывается до минимальной. По логике производителя так и должно быть, а по моей логике пусть дует ощутимо, но с требуемой температурой.
Принудительного вентилятора же нет на датчике температуры, чтобы через него протягивался салонный воздух. Скорость потока воздуха через датчик прямо пропорционально скорости вентилятора отопителя.
Сейчас же просто "никакие" потоки воздуха.
Может ОД перепрошивает климат или можно перепрограммировать его, надо поспрашать...
НМПСпорт 2010 4d56 2500 дизель S05 5AT
лето BridgeStone HT 265/65R17, зима Hakka 5 SUV 265/65R17
Eberspacher Hydronic 5 кВт, доп. вентилятор кондиционера
Egr off + дроссель On (нержавейка + программное отключение)
лето BridgeStone HT 265/65R17, зима Hakka 5 SUV 265/65R17
Eberspacher Hydronic 5 кВт, доп. вентилятор кондиционера
Egr off + дроссель On (нержавейка + программное отключение)
- SKS
- Сообщения: 4194
- Зарегистрирован: 20 апр 2008, 18:58
- Двигатель:: 4N15
- Мой автомобиль(и):: PAJERO SPORT 2.4 Ultimate, 2017 г., белый
- Откуда: Тюмень
- Откуда: Тюмень
- Благодарил (а): 700 раз
- Поблагодарили: 471 раз
Re: Проблема с климатконтролем
На Аут-клубе многие тоже заморачивались с режимами климата. Тоже было предложение увеличить скорость протягивания воздуха через температурный датчик и кто-то кажется так делал, установкой микровентилятора от компьютера. По мне так климат на Ауте работал более-менее адекватно, кроме описанным мною выше проблем. В ASX устранили эти недостатки, там при той же схеме, лучше отогревается стекло и больше производительность самого климата. У меня есть в той машине дисплей, где можно посмотреть на работу климата. Так вот, даже при самой минимальной скорости вращения вентилятора, в режиме обдува Авто максимальное количества воздуха идет на стекло. Проблем с запотеванием/замерзанием не обнаружено. На Спорте пока первая зима, поглядим как будет тут.
По поводу перепрошивок или перепрограмирования климата: по информации на Ауте можно было увеличить/уменьшить температурный диапазон на несколько градусов (2 или 3 не помню точно), т.е. если например крутилка стоит в 22, то климат работает как при 20 или при 24, в зависимости от корректировки. Но делает ли такие изменения ОД не знаю, т.к. очень многие вещи на Аут-клубе делались народными умельцами из числа владельцев.
По поводу перепрошивок или перепрограмирования климата: по информации на Ауте можно было увеличить/уменьшить температурный диапазон на несколько градусов (2 или 3 не помню точно), т.е. если например крутилка стоит в 22, то климат работает как при 20 или при 24, в зависимости от корректировки. Но делает ли такие изменения ОД не знаю, т.к. очень многие вещи на Аут-клубе делались народными умельцами из числа владельцев.
-
DiskMan
- Сообщения: 752
- Зарегистрирован: 06 мар 2009, 20:07
- Двигатель:: 4d56
- Мой автомобиль(и):: НМПС, instyle, сменил тапки на контикроссконтакт АТ
- Откуда: Новороссийск
- Откуда: Новороссийск
- Благодарил (а): 44 раза
- Поблагодарили: 37 раз
- Контактная информация:
Re: Проблема с климатконтролем
2 Napic: не совсем тоже, но - на улице +2, авто,авто,+23(примерно) снежинка самостоятельно загорается на старте автомобиля. при ее принудительном выключении - запотевает стекло, и после очередного запуска двигателя,она опять "вкл."
не будите во мне зверя! Вам что, одного меня мало!? (с) Кащей Бессмертный ;-)
-
Alex_SH
- Модератор
- Сообщения: 1065
- Зарегистрирован: 02 мар 2010, 11:28
- Двигатель:: 4N15
- Мой автомобиль(и):: Pajero Sport 3
- Откуда: Москва
- Благодарил (а): 48 раз
- Поблагодарили: 137 раз
Re: Проблема с климатконтролем
У меня похожая ситуация!Netupika писал(а):Сейчас средняя температура на улице +5, а у меня климат работает будто +25, холодный воздух идет, отключил снежок, тепр. поставил на максимум все равно холодный воздух идет.........и еще поток воздуха идет только в сторону водителя и пассажира другие режимы перестали работать.
отключил аккумулятор не помогает.....
буду записываться к ОД, машина на гарантии.
если у кого было такое или кто знает скажите в чем проблема.![]()
![]()
Первоначально дует теплый воздух, потом холодный. На крутилке +24
Алексей
Pajero Sport New 3, в стоке
Pajero Sport New 3, в стоке
- Michael35
- Сообщения: 1471
- Зарегистрирован: 31 окт 2007, 17:24
- Двигатель:: 4D56
- Мой автомобиль(и):: Pajero II, 3 дв., 4D56, РКП
- Откуда: г.Вологда
- Откуда: г.Вологда
- Благодарил (а): 74 раза
- Поблагодарили: 7 раз
- Контактная информация:
Re: Проблема с климатконтролем
Вчера ехал по трассе в деревню. Чуть не задубел. По привычке ехал с авто-авто и температурой 24. В городе такая настройка очень удобна - все время тепло. На трассе сразу начал замерзать - на улице было +6. В итоге начал увеличивать температуру и только когда выставил на максимум - в салоне сразу стало жарко. Причем опускаешь на один градус - опять дует холодным... Просто слов не было - как достало. Так и нем могу привыкнуть к этому климату - что я не так делаю???
Подготовленный Pajero II, '94, SS, 4D56T, РКП, 3 дв. (нелинейный бодик 4 см, Simex ET, силовой бампер, пороги, эксп.багажник, лебедка Come Up, шноркель)
- Армеец
- Сообщения: 3270
- Зарегистрирован: 31 янв 2011, 14:49
- Двигатель:: 4D56 стопятьсот EGR отключен
- Мой автомобиль(и):: Жорик S05, серебро, ноябрь 2010 г.в.
- Откуда: Тверь
- Откуда: г.Тверь
- Благодарил (а): 200 раз
- Поблагодарили: 274 раза
Re: Проблема с климатконтролем
Заметил, что режим авто - не самый удачный вариант, такое впечатление что не идет вообще воздух из сопел.
Поэтому на трассе включаю либо верх, либо верх-ноги. Темпиратура в таком режиме на 22-25 - комфортно. Но стоит переключить в авто, сразу становится холоднее.
Поэтому на трассе включаю либо верх, либо верх-ноги. Темпиратура в таком режиме на 22-25 - комфортно. Но стоит переключить в авто, сразу становится холоднее.
Multitronics RIF-500, Phantom DVM-130G HDi, камера заднего вида (от форда) , автощит 4 листа, фаркоп Балтекс, Видеорегистратор DVR-4T, 4 видеокамеры, зимняя резина Норд-фрост 200, летняя резина Конти кросс контакт.
- ВИЙ
- Сообщения: 785
- Зарегистрирован: 01 авг 2011, 21:41
- Двигатель:: 4D56
- Мой автомобиль(и):: NMPS 5AT
- Откуда: Салават
- Откуда: Башкиртыскан
- Благодарил (а): 11 раз
- Поблагодарили: 25 раз
Re: Проблема с климатконтролем
аналогично
гавноклимат это
вот на фольце как летом ездил на 21, так и в зиму перехожу
никакого дискомфорта, никаких подкручиваний
гавноклимат это
вот на фольце как летом ездил на 21, так и в зиму перехожу
никакого дискомфорта, никаких подкручиваний
Я как пипетка, нажмешь - капну.
Жопа - это универсальный интерфейс, потому что все через нее можно сделать!
Я на Драйве
Жопа - это универсальный интерфейс, потому что все через нее можно сделать!
Я на Драйве
- SNOOPER
- Модератор
- Сообщения: 56892
- Зарегистрирован: 11 дек 2004, 19:49
- Двигатель:: 4D56
- Мой автомобиль(и):: NewMPS
- Откуда: 78
- Откуда: Spb
- Благодарил (а): 1006 раз
- Поблагодарили: 4663 раза
Re: Проблема с климатконтролем
А трубка с датчика что на центральной панели не слетела? Очень похоже..............Michael35 писал(а):Вчера ехал по трассе в деревню. Чуть не задубел. По привычке ехал с авто-авто и температурой 24. В городе такая настройка очень удобна - все время тепло. На трассе сразу начал замерзать - на улице было +6. В итоге начал увеличивать температуру и только когда выставил на максимум - в салоне сразу стало жарко. Причем опускаешь на один градус - опять дует холодным... Просто слов не было - как достало. Так и нем могу привыкнуть к этому климату - что я не так делаю???
- dials
- Сообщения: 854
- Зарегистрирован: 14 мар 2010, 23:40
- Двигатель:: 4M41
- Мой автомобиль(и):: Patrol Y61 TD42
- Откуда: moscow
- Откуда: Moscow
- Благодарил (а): 2 раза
- Поблагодарили: 36 раз
- Контактная информация:
Re: Проблема с климатконтролем
Добраться легко до этой трубки или надо центральную консоль разбирать?SNOOPER писал(а):А трубка с датчика что на центральной панели не слетела? Очень похоже..............Michael35 писал(а):Вчера ехал по трассе в деревню. Чуть не задубел. По привычке ехал с авто-авто и температурой 24. В городе такая настройка очень удобна - все время тепло. На трассе сразу начал замерзать - на улице было +6. В итоге начал увеличивать температуру и только когда выставил на максимум - в салоне сразу стало жарко. Причем опускаешь на один градус - опять дует холодным... Просто слов не было - как достало. Так и нем могу привыкнуть к этому климату - что я не так делаю???
NMPS 2008 3.2TD 4M41 МКПП, BFG MT KM2 255/85R16,ARB Deluxe, Sportway x9500, Safari Shnorkel был...
Nissan Patrol Y61 TD42
http://dialssoft.com/blog/
Nissan Patrol Y61 TD42
http://dialssoft.com/blog/
-
Alex_SH
- Модератор
- Сообщения: 1065
- Зарегистрирован: 02 мар 2010, 11:28
- Двигатель:: 4N15
- Мой автомобиль(и):: Pajero Sport 3
- Откуда: Москва
- Благодарил (а): 48 раз
- Поблагодарили: 137 раз
Re: Проблема с климатконтролем
А можно подробнее, что за трубка и где ее посмотреть!!SNOOPER писал(а):А трубка с датчика что на центральной панели не слетела? Очень похоже..............
Алексей
Pajero Sport New 3, в стоке
Pajero Sport New 3, в стоке
- CoolBDW
- Сообщения: 3630
- Зарегистрирован: 20 янв 2010, 10:11
- Двигатель:: 4D56
- Мой автомобиль(и):: был - NMPS 2010 2.5 TD 5AT S04
- Откуда: Тула
- Откуда: Тула
- Благодарил (а): 210 раз
- Поблагодарили: 284 раза
Re: Проблема с климатконтролем
По идее, можно попробовать подлезть со стороны бардачка (сам бардачок снять). Либо, если руки пианиста, снять блок с прикуривателем и попробовать подлезть оттуда. В общем, смотреть по местуAlex_SH писал(а):А можно подробнее, что за трубка и где ее посмотреть!!SNOOPER писал(а):А трубка с датчика что на центральной панели не слетела? Очень похоже..............
Дмитрий
было когда-то:
NMPS 2010 2.5 TD 5AT чёрный
Webasto, Multitronics VC731, DRL, RedPower 8994, FGC, без EGR (+заглушка -фишка)
Yokohama G012 & F700Z 265/65R17, пружины от Влада
было когда-то:
NMPS 2010 2.5 TD 5AT чёрный
Webasto, Multitronics VC731, DRL, RedPower 8994, FGC, без EGR (+заглушка -фишка)
Yokohama G012 & F700Z 265/65R17, пружины от Влада
- Michael35
- Сообщения: 1471
- Зарегистрирован: 31 окт 2007, 17:24
- Двигатель:: 4D56
- Мой автомобиль(и):: Pajero II, 3 дв., 4D56, РКП
- Откуда: г.Вологда
- Откуда: г.Вологда
- Благодарил (а): 74 раза
- Поблагодарили: 7 раз
- Контактная информация:
Re: Проблема с климатконтролем
Как проверить эту трубку - разбирать надо панель?SNOOPER писал(а):А трубка с датчика что на центральной панели не слетела? Очень похоже..............Michael35 писал(а):Вчера ехал по трассе в деревню. Чуть не задубел. По привычке ехал с авто-авто и температурой 24. В городе такая настройка очень удобна - все время тепло. На трассе сразу начал замерзать - на улице было +6. В итоге начал увеличивать температуру и только когда выставил на максимум - в салоне сразу стало жарко. Причем опускаешь на один градус - опять дует холодным... Просто слов не было - как достало. Так и нем могу привыкнуть к этому климату - что я не так делаю???
Подготовленный Pajero II, '94, SS, 4D56T, РКП, 3 дв. (нелинейный бодик 4 см, Simex ET, силовой бампер, пороги, эксп.багажник, лебедка Come Up, шноркель)
- Свят
- Сообщения: 6581
- Зарегистрирован: 27 авг 2010, 20:08
- Двигатель:: дизель
- Мой автомобиль(и):: Pajero Sport NEW 2.5 AT
- Откуда: Калининград
- Откуда: Мурманск
- Благодарил (а): 438 раз
- Поблагодарили: 1135 раз
Re: Проблема с климатконтролем
У меня когда климат Своей жизнью зажил порядок мыслей был такой-
1. К диллеру.
2. Время потеряно, нервы тоже.
3. Мож самому глянуть... Где???
4. Точно! Темп. пляшет *как сам хочу*- значит трабл в датчике... или трубке... Ведь вся инфа оттуда....
5. Посмотрю хотя бы... Дуну феном.... ХЗ....
раскидал панель, датчика нет.... трубка в недра уходит... думаю если глюк там- то точно туда не полезу, пусть сервисмэны корячатся... Пошевелил разьёмы на блоке управления- что то както хлипко...
Буквально миллиметр поджал, чтото щееелк...
6. Всё! что хотел/мог посмотрел/проверил- поеду к ОД....
Оппа- всё работает
Ну как то так...
1. К диллеру.
2. Время потеряно, нервы тоже.
3. Мож самому глянуть... Где???
4. Точно! Темп. пляшет *как сам хочу*- значит трабл в датчике... или трубке... Ведь вся инфа оттуда....
5. Посмотрю хотя бы... Дуну феном.... ХЗ....
раскидал панель, датчика нет.... трубка в недра уходит... думаю если глюк там- то точно туда не полезу, пусть сервисмэны корячатся... Пошевелил разьёмы на блоке управления- что то както хлипко...
6. Всё! что хотел/мог посмотрел/проверил- поеду к ОД....
Оппа- всё работает
Ну как то так...
S09 2010, LINE-X, 4D56 power by APC&FGC&overboost, мосты 4,272, прямоток, шнорк, body lift, Lovells, 35", без заднего стаба, железо по кругу, Come Up 9.5
+7921 030четыре030 Святослав
ФАНТОМ
Toyota Tundra
+7921 030четыре030 Святослав
ФАНТОМ
Toyota Tundra
