Сходу, а сапун акпп где?SNOOPER писал(а):Переднего моста
TRT - Вдоль р.Киржач. Для стандартных 4х4 (08.11.25) Форум Обсуждение FAQ
Помогите информацией новичку! "вопрос-ответ"
Модераторы: SNOOPER, Alex_SH, Nbf, BAlex, drcham, SoundSpeed
Правила форума
Дорогие друзья!
Пожалуйста, при создании и поиске сообщений не забывайте пользоваться гиперссылками на тематические разделы, расположенными на главной странице раздела "Новый Pajero Sport"
Дорогие друзья!
Пожалуйста, при создании и поиске сообщений не забывайте пользоваться гиперссылками на тематические разделы, расположенными на главной странице раздела "Новый Pajero Sport"
- Lavruhin
- Сообщения: 348
- Зарегистрирован: 31 окт 2010, 19:58
- Двигатель:: Дизель
- Мой автомобиль(и):: NMPS AT 2.5 S05
- Благодарил (а): 31 раз
- Поблагодарили: 39 раз
Re: Помогите информацией новичку!
NMPS 2.5 @ 255\85\16 MT
- CoolBDW
- Сообщения: 3630
- Зарегистрирован: 20 янв 2010, 10:11
- Двигатель:: 4D56
- Мой автомобиль(и):: был - NMPS 2010 2.5 TD 5AT S04
- Откуда: Тула
- Откуда: Тула
- Благодарил (а): 210 раз
- Поблагодарили: 284 раза
Re: Помогите информацией новичку!
Под брюхом - сверху самой коробки. При этом, как я понял, на раздатке отдельного сапуна нет и она дышит "через" коробку. Может, кто более знающий поправит.Lavruhin писал(а):Сходу, а сапун акпп где?SNOOPER писал(а):Переднего моста
Я тоже собираюсь по лету трубки сапунов удлиннить и под капот вывести. С заднего моста и компрессора БЗД проблем как бы нет. А вот с коробкой, как я понял, засада - её надо опускать, чтобы подлезть. Летом посмотрю - мож так нащупаю. Самостоятельно, да ещё и один на даче точно опускать не буду - мож, в сервис какой доеду...
Дмитрий
было когда-то:
NMPS 2010 2.5 TD 5AT чёрный
Webasto, Multitronics VC731, DRL, RedPower 8994, FGC, без EGR (+заглушка -фишка)
Yokohama G012 & F700Z 265/65R17, пружины от Влада
было когда-то:
NMPS 2010 2.5 TD 5AT чёрный
Webasto, Multitronics VC731, DRL, RedPower 8994, FGC, без EGR (+заглушка -фишка)
Yokohama G012 & F700Z 265/65R17, пружины от Влада
- SNOOPER
- Модератор
- Сообщения: 56894
- Зарегистрирован: 11 дек 2004, 19:49
- Двигатель:: 4D56
- Мой автомобиль(и):: NewMPS
- Откуда: 78
- Откуда: Spb
- Благодарил (а): 1007 раз
- Поблагодарили: 4665 раз
Re: Помогите информацией новичку!
Правильно.CoolBDW писал(а): Под брюхом - сверху самой коробки. При этом, как я понял, на раздатке отдельного сапуна нет и она дышит "через" коробку.
На АКПП стоит кронштейн в него уложены две трубки с самой АКПП и с раздатки. Раздатка "дышит" сама по себе, не через АКПП. Просто оба сапуна выведены на один кронштейн
- CoolBDW
- Сообщения: 3630
- Зарегистрирован: 20 янв 2010, 10:11
- Двигатель:: 4D56
- Мой автомобиль(и):: был - NMPS 2010 2.5 TD 5AT S04
- Откуда: Тула
- Откуда: Тула
- Благодарил (а): 210 раз
- Поблагодарили: 284 раза
Re: Помогите информацией новичку!
Аааа.... А я что-то нигде не нашёл ни схемы, ни фотки - ничего. Ткнёшь куда посмотреть? Чтобы знать в лицо, т.с.SNOOPER писал(а):Правильно.CoolBDW писал(а): Под брюхом - сверху самой коробки. При этом, как я понял, на раздатке отдельного сапуна нет и она дышит "через" коробку.
На АКПП стоит кронштейн в него уложены две трубки с самой АКПП и с раздатки. Раздатка "дышит" сама по себе, не через АКПП. Просто оба сапуна выведены на один кронштейн
Дмитрий
было когда-то:
NMPS 2010 2.5 TD 5AT чёрный
Webasto, Multitronics VC731, DRL, RedPower 8994, FGC, без EGR (+заглушка -фишка)
Yokohama G012 & F700Z 265/65R17, пружины от Влада
было когда-то:
NMPS 2010 2.5 TD 5AT чёрный
Webasto, Multitronics VC731, DRL, RedPower 8994, FGC, без EGR (+заглушка -фишка)
Yokohama G012 & F700Z 265/65R17, пружины от Влада
- SNOOPER
- Модератор
- Сообщения: 56894
- Зарегистрирован: 11 дек 2004, 19:49
- Двигатель:: 4D56
- Мой автомобиль(и):: NewMPS
- Откуда: 78
- Откуда: Spb
- Благодарил (а): 1007 раз
- Поблагодарили: 4665 раз
Re: Помогите информацией новичку!
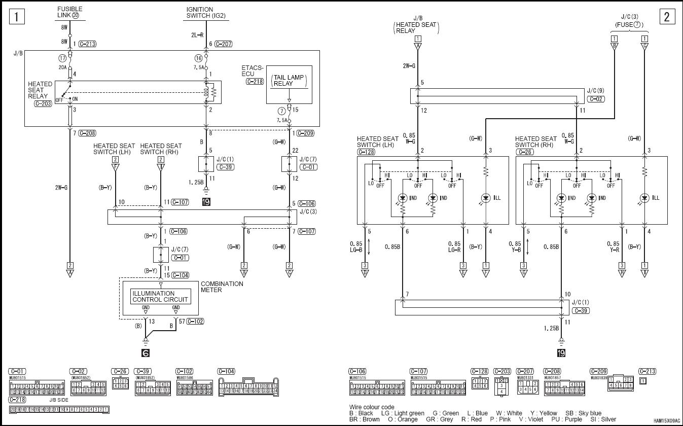
Таки на твоей схеме уже тыкнуто.CoolBDW писал(а): Аааа.... А я что-то нигде не нашёл ни схемы, ни фотки - ничего. Ткнёшь куда посмотреть? Чтобы знать в лицо, т.с.
26915 "кронштейн"
26903Р и 26907Р сапун раздатки
- CoolBDW
- Сообщения: 3630
- Зарегистрирован: 20 янв 2010, 10:11
- Двигатель:: 4D56
- Мой автомобиль(и):: был - NMPS 2010 2.5 TD 5AT S04
- Откуда: Тула
- Откуда: Тула
- Благодарил (а): 210 раз
- Поблагодарили: 284 раза
Re: Помогите информацией новичку!
Он оно что...SNOOPER писал(а):Таки на твоей схеме уже тыкнуто.CoolBDW писал(а): Аааа.... А я что-то нигде не нашёл ни схемы, ни фотки - ничего. Ткнёшь куда посмотреть? Чтобы знать в лицо, т.с.
26915 "кронштейн"
26903Р и 26907Р сапун раздатки
Летом в отпуск буду пробовать подлезть без опускания. Какой внутренний диаметр трубок искать, не подскажешь?
Дмитрий
было когда-то:
NMPS 2010 2.5 TD 5AT чёрный
Webasto, Multitronics VC731, DRL, RedPower 8994, FGC, без EGR (+заглушка -фишка)
Yokohama G012 & F700Z 265/65R17, пружины от Влада
было когда-то:
NMPS 2010 2.5 TD 5AT чёрный
Webasto, Multitronics VC731, DRL, RedPower 8994, FGC, без EGR (+заглушка -фишка)
Yokohama G012 & F700Z 265/65R17, пружины от Влада
- Lavruhin
- Сообщения: 348
- Зарегистрирован: 31 окт 2010, 19:58
- Двигатель:: Дизель
- Мой автомобиль(и):: NMPS AT 2.5 S05
- Благодарил (а): 31 раз
- Поблагодарили: 39 раз
Re: Помогите информацией новичку!
Скорее всего так же как и на задний сапун и блокировку 6 мм.CoolBDW писал(а):Он оно что...SNOOPER писал(а):Таки на твоей схеме уже тыкнуто.CoolBDW писал(а): Аааа.... А я что-то нигде не нашёл ни схемы, ни фотки - ничего. Ткнёшь куда посмотреть? Чтобы знать в лицо, т.с.
26915 "кронштейн"
26903Р и 26907Р сапун раздаткиОно ж подписано как A/T BREATHER, вот и "не узнал брата Васю". Полез, посмотрел схему для ручки - разобрался в конструкции, теперь понятно. Там, кстати, она называется T/F BREATHER. Узнал зато, откуда она торчит
![]()
Летом в отпуск буду пробовать подлезть без опускания. Какой внутренний диаметр трубок искать, не подскажешь?
NMPS 2.5 @ 255\85\16 MT
- Фреди
- Сообщения: 830
- Зарегистрирован: 03 июн 2010, 10:19
- Двигатель:: 6B31, 209 л.с.
- Мой автомобиль(и):: PAJERO SPORT III, 2016г.в., Ultimate
- Откуда: Татарстан
- Благодарил (а): 289 раз
- Поблагодарили: 107 раз
Re: Помогите информацией новичку!
Всем привет
.
Подскажите пожалуйста
:
1. Какой мощности (? Вт в обоих режимах обогрева) у NMPS подогрев сидений?
2. Питание на обогрев сидений идёт через кнопку включения подогрева (не через реле)?
3. Выложите пожалуйста распиновку разъёма кнопки включения подогрева сидения.
Подскажите пожалуйста
1. Какой мощности (? Вт в обоих режимах обогрева) у NMPS подогрев сидений?
2. Питание на обогрев сидений идёт через кнопку включения подогрева (не через реле)?
3. Выложите пожалуйста распиновку разъёма кнопки включения подогрева сидения.
PAJERO SPORT II (2008г., Intense, 3,2L 4M41, 4ст.АКПП) был,
PAJERO SPORT III (2016г., Ultimate, 3,0L 6B31, 8ст.АКПП AISIN AW)
PAJERO SPORT III (2016г., Ultimate, 3,0L 6B31, 8ст.АКПП AISIN AW)
- CoolBDW
- Сообщения: 3630
- Зарегистрирован: 20 янв 2010, 10:11
- Двигатель:: 4D56
- Мой автомобиль(и):: был - NMPS 2010 2.5 TD 5AT S04
- Откуда: Тула
- Откуда: Тула
- Благодарил (а): 210 раз
- Поблагодарили: 284 раза
Re: Помогите информацией новичку!
По-моему, ответы на все вопросы, кроме первого. Ну, т.е. максимальное значение вычисляется по преду и толщине проводов. А сколько берётся реально - имхо мерить только. Ну, а всё остальное - в схемах.Фреди писал(а):Всем привет.
Подскажите пожалуйста:
1. Какой мощности (? Вт в обоих режимах обогрева) у NMPS подогрев сидений?
2. Питание на обогрев сидений идёт через кнопку включения подогрева (не через реле)?
3. Выложите пожалуйста распиновку разъёма кнопки включения подогрева сидения.
Дмитрий
было когда-то:
NMPS 2010 2.5 TD 5AT чёрный
Webasto, Multitronics VC731, DRL, RedPower 8994, FGC, без EGR (+заглушка -фишка)
Yokohama G012 & F700Z 265/65R17, пружины от Влада
было когда-то:
NMPS 2010 2.5 TD 5AT чёрный
Webasto, Multitronics VC731, DRL, RedPower 8994, FGC, без EGR (+заглушка -фишка)
Yokohama G012 & F700Z 265/65R17, пружины от Влада
- Фреди
- Сообщения: 830
- Зарегистрирован: 03 июн 2010, 10:19
- Двигатель:: 6B31, 209 л.с.
- Мой автомобиль(и):: PAJERO SPORT III, 2016г.в., Ultimate
- Откуда: Татарстан
- Благодарил (а): 289 раз
- Поблагодарили: 107 раз
Re: Помогите информацией новичку!
Спасибо CoolBDW , только для меня эти схемы - китайская грамота
, если не трудно
напиши номера разъёмов (колодок) левой и правой кнопок включения подогрева и какие контакты в них что означают (например: контакт 7 - "+" подсветки и т.д.)
.
Заранее благодарен
.
Заранее благодарен
PAJERO SPORT II (2008г., Intense, 3,2L 4M41, 4ст.АКПП) был,
PAJERO SPORT III (2016г., Ultimate, 3,0L 6B31, 8ст.АКПП AISIN AW)
PAJERO SPORT III (2016г., Ultimate, 3,0L 6B31, 8ст.АКПП AISIN AW)
- CoolBDW
- Сообщения: 3630
- Зарегистрирован: 20 янв 2010, 10:11
- Двигатель:: 4D56
- Мой автомобиль(и):: был - NMPS 2010 2.5 TD 5AT S04
- Откуда: Тула
- Откуда: Тула
- Благодарил (а): 210 раз
- Поблагодарили: 284 раза
Re: Помогите информацией новичку!
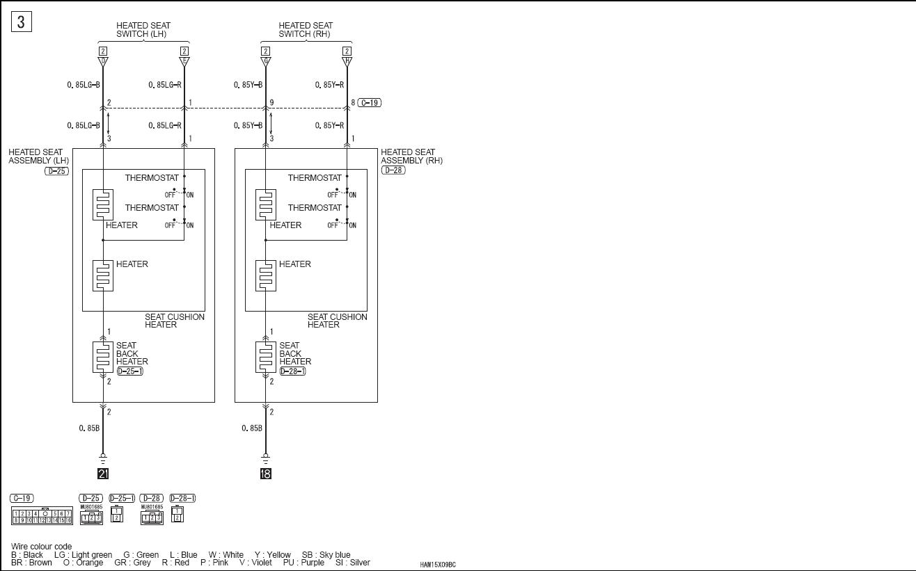
Сама кнопка - это HEATED SEAT SWITCH. LH - левая, RH - правая. Рядом с этой надписью на первой схемой есть обозначение разъёма - в овале. C-128. По схеме расположения разъёмов можно убедиться, что это - левая кнопка включения подогрева - Heated seat switch (LH).Фреди писал(а):Спасибо CoolBDW , только для меня эти схемы - китайская грамота, если не трудно
напиши номера разъёмов (колодок) левой и правой кнопок включения подогрева и какие контакты в них что означают (например: контакт 7 - "+" подсветки и т.д.)
.
Заранее благодарен.
Внизу схемы смотришь внешний вид и расположение контактов в разъёме (для ориентировки - там ключ на разъёме есть, чтобы по-другому не воткнуть). Ну и смотришь, в нём 6 контактов:
1 - выход HI на подогрев
2 - силовой вход
3 - вход подсветки кнопки (от "габаритов")
4 - выход подсветки кнопки (обратно к "габаритам" - фактически масса)
5 - выход LO на подогрев
6 - масса подогрева
Правая кнопка - полностью аналогично
Дмитрий
было когда-то:
NMPS 2010 2.5 TD 5AT чёрный
Webasto, Multitronics VC731, DRL, RedPower 8994, FGC, без EGR (+заглушка -фишка)
Yokohama G012 & F700Z 265/65R17, пружины от Влада
было когда-то:
NMPS 2010 2.5 TD 5AT чёрный
Webasto, Multitronics VC731, DRL, RedPower 8994, FGC, без EGR (+заглушка -фишка)
Yokohama G012 & F700Z 265/65R17, пружины от Влада
- Фреди
- Сообщения: 830
- Зарегистрирован: 03 июн 2010, 10:19
- Двигатель:: 6B31, 209 л.с.
- Мой автомобиль(и):: PAJERO SPORT III, 2016г.в., Ultimate
- Откуда: Татарстан
- Благодарил (а): 289 раз
- Поблагодарили: 107 раз
Re: Помогите информацией новичку!
Просто ОГРОМНОЕ СПАСИБО CoolBDW

PAJERO SPORT II (2008г., Intense, 3,2L 4M41, 4ст.АКПП) был,
PAJERO SPORT III (2016г., Ultimate, 3,0L 6B31, 8ст.АКПП AISIN AW)
PAJERO SPORT III (2016г., Ultimate, 3,0L 6B31, 8ст.АКПП AISIN AW)
- SNOOPER
- Модератор
- Сообщения: 56894
- Зарегистрирован: 11 дек 2004, 19:49
- Двигатель:: 4D56
- Мой автомобиль(и):: NewMPS
- Откуда: 78
- Откуда: Spb
- Благодарил (а): 1007 раз
- Поблагодарили: 4665 раз
Re: Помогите информацией новичку!
Из АКПП выходит трубка 8мм из раздатки наверное 4ммCoolBDW писал(а): Какой внутренний диаметр трубок искать, не подскажешь?
- CoolBDW
- Сообщения: 3630
- Зарегистрирован: 20 янв 2010, 10:11
- Двигатель:: 4D56
- Мой автомобиль(и):: был - NMPS 2010 2.5 TD 5AT S04
- Откуда: Тула
- Откуда: Тула
- Благодарил (а): 210 раз
- Поблагодарили: 284 раза
Re: Помогите информацией новичку!
Спасибо. Это какой диаметр, внутренний?SNOOPER писал(а):Из АКПП выходит трубка 8мм из раздатки наверное 4ммCoolBDW писал(а): Какой внутренний диаметр трубок искать, не подскажешь?
Без опускания коробки подлезть реально? Сверху, к примеру? На даче один боюсь. Или если пальчики ювелирные - может, можно подлезть? Когда лазил под машину - на этот предмет не смотрел, просто не помню визуальнои
Дмитрий
было когда-то:
NMPS 2010 2.5 TD 5AT чёрный
Webasto, Multitronics VC731, DRL, RedPower 8994, FGC, без EGR (+заглушка -фишка)
Yokohama G012 & F700Z 265/65R17, пружины от Влада
было когда-то:
NMPS 2010 2.5 TD 5AT чёрный
Webasto, Multitronics VC731, DRL, RedPower 8994, FGC, без EGR (+заглушка -фишка)
Yokohama G012 & F700Z 265/65R17, пружины от Влада
-
олег 26041974
- Сообщения: 3
- Зарегистрирован: 08 апр 2012, 19:50
- Двигатель:: 4d56
- Мой автомобиль(и):: паджеро спорт
Re: Помогите информацией новичку!
Мужики подскажите,кто знает-комплектация на механике отличается в основном побрякушками от версий на автомате?Ну то есть хром на ручках,кожа на руле и т.п.Или есть разница в таких вещах которые будут влиять на проходимость?Прошу разъяснить "Ждуну"На офсайте комплектации я конечно изучал,но боюсь вдруг чего то упустил или официалы об этом умолчали.
- Фреди
- Сообщения: 830
- Зарегистрирован: 03 июн 2010, 10:19
- Двигатель:: 6B31, 209 л.с.
- Мой автомобиль(и):: PAJERO SPORT III, 2016г.в., Ultimate
- Откуда: Татарстан
- Благодарил (а): 289 раз
- Поблагодарили: 107 раз
Re: Помогите информацией новичку!
Всё, что связано с проходимостью - ВСЁ "ГУД", поверьолег 26041974 писал(а):Мужики подскажите,кто знает-комплектация на механике отличается в основном побрякушками от версий на автомате?Ну то есть хром на ручках,кожа на руле и т.п.Или есть разница в таких вещах которые будут влиять на проходимость?Прошу разъяснить "Ждуну"На офсайте комплектации я конечно изучал,но боюсь вдруг чего то упустил или официалы об этом умолчали.
PAJERO SPORT II (2008г., Intense, 3,2L 4M41, 4ст.АКПП) был,
PAJERO SPORT III (2016г., Ultimate, 3,0L 6B31, 8ст.АКПП AISIN AW)
PAJERO SPORT III (2016г., Ultimate, 3,0L 6B31, 8ст.АКПП AISIN AW)
- Ю.В.
- Сообщения: 930
- Зарегистрирован: 23 ноя 2011, 09:49
- Двигатель:: 4D56 дизель
- Мой автомобиль(и):: НМПС 11г 2,5л А/Т
- Откуда: Москва
- Откуда: Москва
- Благодарил (а): 30 раз
- Поблагодарили: 79 раз
Re: Помогите информацией новичку!
Выбирая МКПП ты лишаешь себя главной фичи АКПП, доставляющей неземное блаженство - перегрева её в снегах!
- SNOOPER
- Модератор
- Сообщения: 56894
- Зарегистрирован: 11 дек 2004, 19:49
- Двигатель:: 4D56
- Мой автомобиль(и):: NewMPS
- Откуда: 78
- Откуда: Spb
- Благодарил (а): 1007 раз
- Поблагодарили: 4665 раз
Re: Помогите информацией новичку!
Внутренний конечно. Сегодня измерю точно.CoolBDW писал(а):Спасибо. Это какой диаметр, внутренний?SNOOPER писал(а):Из АКПП выходит трубка 8мм из раздатки наверное 4ммCoolBDW писал(а): Какой внутренний диаметр трубок искать, не подскажешь?
Без опускания коробки подлезть реально? Сверху, к примеру? На даче один боюсь. Или если пальчики ювелирные - может, можно подлезть? Когда лазил под машину - на этот предмет не смотрел, просто не помню визуальнои
Не опуская не подлезишь. Да и опустить не проблема. Ставишь домкрат под противовес раздатки у заднего кардана, и отворачиваешь поперечину. А дальше как в букваре.
- CoolBDW
- Сообщения: 3630
- Зарегистрирован: 20 янв 2010, 10:11
- Двигатель:: 4D56
- Мой автомобиль(и):: был - NMPS 2010 2.5 TD 5AT S04
- Откуда: Тула
- Откуда: Тула
- Благодарил (а): 210 раз
- Поблагодарили: 284 раза
Re: Помогите информацией новичку!
SNOOPER писал(а): Внутренний конечно. Сегодня измерю точно.
Страшно мне лезть туда... Посмотрю, конечно, по месту - но вряд ли полезу один, да ещё на даче, раз ощущения уверенности нетSNOOPER писал(а): Не опуская не подлезишь. Да и опустить не проблема. Ставишь домкрат под противовес раздатки у заднего кардана, и отворачиваешь поперечину. А дальше как в букваре.
А то, посмотрю сверху, из салона - а то может и оттуда можно подлезть через консоль? Да и вообще, вот фотку ты запостил (спасибо ещё раз) - теперь есть понимание где и что смотреть, может, и без опускания соображу что...
Дмитрий
было когда-то:
NMPS 2010 2.5 TD 5AT чёрный
Webasto, Multitronics VC731, DRL, RedPower 8994, FGC, без EGR (+заглушка -фишка)
Yokohama G012 & F700Z 265/65R17, пружины от Влада
было когда-то:
NMPS 2010 2.5 TD 5AT чёрный
Webasto, Multitronics VC731, DRL, RedPower 8994, FGC, без EGR (+заглушка -фишка)
Yokohama G012 & F700Z 265/65R17, пружины от Влада
- SNOOPER
- Модератор
- Сообщения: 56894
- Зарегистрирован: 11 дек 2004, 19:49
- Двигатель:: 4D56
- Мой автомобиль(и):: NewMPS
- Откуда: 78
- Откуда: Spb
- Благодарил (а): 1007 раз
- Поблагодарили: 4665 раз
Re: Помогите информацией новичку!
Трубка из АКПП наружный диаметр 8мм из раздатки 4.5мм. Еслественно шланги брать с внутренним диаметром 4 и 8 соответственно.CoolBDW писал(а):SNOOPER писал(а): Внутренний конечно. Сегодня измерю точно.
Страшно мне лезть туда... Посмотрю, конечно, по месту - но вряд ли полезу один, да ещё на даче, раз ощущения уверенности нетSNOOPER писал(а): Не опуская не подлезишь. Да и опустить не проблема. Ставишь домкрат под противовес раздатки у заднего кардана, и отворачиваешь поперечину. А дальше как в букваре.Ты вместо букваря бы сам сказал что и как делать - глядишь, и решусь. Сливать-заливать ничего не надо будет?
А то, посмотрю сверху, из салона - а то может и оттуда можно подлезть через консоль? Да и вообще, вот фотку ты запостил (спасибо ещё раз) - теперь есть понимание где и что смотреть, может, и без опускания соображу что...
Опускать раздатку как и говорил поставив домкрат под хвост. Ничего сливать не надо.
По "букварю" имелось в виду, всё просто. Укладываешь шланги чтоб не терлись, не мылись, и не касались раскалённых частей глушителя
