+ ПТФ и ближний "по жизни" + машинка периодически на длительной стоянке. Вот и спрашиваю, повезло или нет. Ещё бы понять с чем- с аккумом или генератором.liss1975 писал(а):Простите но это бред...несколько раз лично проверял в разных режимах и с максимальной нагрузкой всего что есть в авто и никак меньше 13 В не получалось. Завтра вечером запишу видео в разных режимах и выложу на сайт.Alniker писал(а): Если много вешать на ГЕНУ в пробках…, АККУ - труп![]()
Нужен совет, в пробках стал разряжаться аккумулятор.
Модераторы: SNOOPER, Nbf, Romik, BAlex, drcham, DenVer, SoundSpeed
- Lebed
- Сообщения: 10748
- Зарегистрирован: 25 июл 2010, 11:23
- Двигатель:: ******
- Мой автомобиль(и):: ******
- Откуда: ***
- Откуда: ***
- Благодарил (а): 236 раз
- Поблагодарили: 431 раз
Re: Нужен совет, в пробках стал разряжаться аккумулятор.
К этому:
"Если театр начинается с вешалки, то за такие пьесы нужно вешать." (с)
P.S. Для упырей- "Мы с тобой Гималаи; остальные — ничтожества." (с)
P.S. Для упырей- "Мы с тобой Гималаи; остальные — ничтожества." (с)
- liss1975
- Сообщения: 1758
- Зарегистрирован: 02 окт 2010, 17:39
- Двигатель:: бензин 3.0
- Мой автомобиль(и):: паджеро 4
- Откуда: Москва
- Откуда: Россия-Москва
- Благодарил (а): 9 раз
- Поблагодарили: 102 раза
- Контактная информация:
Re: Нужен совет, в пробках стал разряжаться аккумулятор.
Как и обещал ...Alniker писал(а):Если много вешать на ГЕНУ в пробках…, АККУ - труп
Первое видео записано утром на почти прогретом авто...
Второе видео записано на абсолютно прогретом авто. С момента запуска ДВС прошло более часа....
PAJERO IV 3.0 2010 г.в Николай
______________________________________________
Говорят за твоей спиной — значит, ты впереди.
Обсуждают твою жизнь — значит, она интересней их.
Пытаются найти недостатки —значит, завидуют.
______________________________________________
Говорят за твоей спиной — значит, ты впереди.
Обсуждают твою жизнь — значит, она интересней их.
Пытаются найти недостатки —значит, завидуют.
- Alniker
- Сообщения: 1424
- Зарегистрирован: 20 фев 2012, 19:28
- Двигатель:: 6G72, Бензин
- Мой автомобиль(и):: П4 (ЖОРЖ-УЛЬТИМАТУМ) белый, 2012; РАВ4 2.5, АКПП, белый перламутр, 2018
- Откуда: ЮЖНЫЙ УРАЛ
- Благодарил (а): 3 раза
- Поблагодарили: 32 раза
Re: Нужен совет, в пробках стал разряжаться аккумулятор.
Мою машину...liss1975 писал(а):Простите но это бред...несколько раз лично проверял в разных режимах и с максимальной нагрузкой всего что есть в авто и никак меньше 13 В не получалось.Alniker писал(а): Если много вешать на ГЕНУ в пробках…, АККУ - труп![]()
Дело в том, что я здесь не один такой... и нас больше, ветку внимательно читали....?
Могу сообщить, что занятия с АККУГЕНОМ моё давнее и постоянное хобби. Я постоянно заряжаю свои АККУ зимой прямо на авто..., оборудования в гараже у меня мешок, поэтому и служат они мне от покупки до продажи машины. Есть один десятилетний, работает на сеть постоянного тока в гараже и поныне.
Если хотите сделайте следующее... - прогрейте авто пополной в движении порядка часа с обычными зимними потребителями, после чего остановитесь на стоянке и при ХХ 600-650 об/мин повесте на гену все потребители с перечислением каждого..., неспеша, после чего нажмите тормоз, не ручник и не отпускайте до конца съёмки. Снимайте, называйте и включайте каждый потребитель по мах. Не надо торопиться, показания напряжения снимайте ближе, если можно с двух приборов. Перед началом движения замерьте напряжение АККУ в режиме ключ на старт. Я включал ВСЁ кроме двигателей дворников и по мах. Желаю удачи.
зы... насколько я успел заметить на видео не были включены задняя ПТФ, подогрев дворников, печка не МАХ и не работала задняя, горел ли дальний свет? И тормоз... - НЕ ручник.
сменивший философию: отныне проходимость и природа, а не скорость и урбанизация
- liss1975
- Сообщения: 1758
- Зарегистрирован: 02 окт 2010, 17:39
- Двигатель:: бензин 3.0
- Мой автомобиль(и):: паджеро 4
- Откуда: Москва
- Откуда: Россия-Москва
- Благодарил (а): 9 раз
- Поблагодарили: 102 раза
- Контактная информация:
Re: Нужен совет, в пробках стал разряжаться аккумулятор.
Больше в ветке но мало на фоне всего форумаAlniker писал(а):Мою машину...liss1975 писал(а):Простите но это бред...несколько раз лично проверял в разных режимах и с максимальной нагрузкой всего что есть в авто и никак меньше 13 В не получалось.Alniker писал(а): Если много вешать на ГЕНУ в пробках…, АККУ - труп![]()
![]()
- точно бред
![]()
Дело в том, что я здесь не один такой... и нас больше, ветку внимательно читали....?
Могу сообщить, что занятия с АККУГЕНОМ моё давнее и постоянное хобби. Я постоянно заряжаю свои АККУ зимой прямо на авто..., оборудования в гараже у меня мешок, поэтому и служат они мне от покупки до продажи машины. Есть один десятилетний, работает на сеть постоянного тока в гараже и поныне.
Если хотите сделайте следующее... - прогрейте авто пополной в движении порядка часа с обычными зимними потребителями, после чего остановитесь на стоянке и при ХХ 600-650 об/мин повесте на гену все потребители с перечислением каждого..., неспеша, после чего нажмите тормоз, не ручник и не отпускайте до конца съёмки. Снимайте, называйте и включайте каждый потребитель по мах. Не надо торопиться, показания напряжения снимайте ближе, если можно с двух приборов. Перед началом движения замерьте напряжение АККУ в режиме ключ на старт. Я включал ВСЁ кроме дворников и по мах. Желаю удачи.
Второе видео было снято сразу после остановки....
Не знаю в чем тогда разница если у кого то так а у кого то этак...может тогда мицу ставит разные генераторы или эти генераторы делают разные производители но идут они под одним парт номером или может дело в управлении зарядом? Скорее всего состояние АКБ отслеживается ЭБУ и прошитый в него алгоритм вносит свои коррективы в управление зарядом.
Возможно это связанно с маленькой емкостью стокового АКБ или АКБ старый и потерял емкость и в некий момент ЭБУ понимает, что АКБ взял свое и больше не может и отключает или снижает зарядку на АКБ? У меня АКБ около 90 А.ч. и меняю я его раз в два года...
Я не могу утверждать за других но то что получилось у меня видно на видео. У меня тоже имеется зарядное устройство с 2007 года но оно до этих пор запаковано в блистер... хотя было время и я активно пользовался зарядным устройством и снимал и носил АКБ домой в морозы для зарядки....
PAJERO IV 3.0 2010 г.в Николай
______________________________________________
Говорят за твоей спиной — значит, ты впереди.
Обсуждают твою жизнь — значит, она интересней их.
Пытаются найти недостатки —значит, завидуют.
______________________________________________
Говорят за твоей спиной — значит, ты впереди.
Обсуждают твою жизнь — значит, она интересней их.
Пытаются найти недостатки —значит, завидуют.
- Alniker
- Сообщения: 1424
- Зарегистрирован: 20 фев 2012, 19:28
- Двигатель:: 6G72, Бензин
- Мой автомобиль(и):: П4 (ЖОРЖ-УЛЬТИМАТУМ) белый, 2012; РАВ4 2.5, АКПП, белый перламутр, 2018
- Откуда: ЮЖНЫЙ УРАЛ
- Благодарил (а): 3 раза
- Поблагодарили: 32 раза
Re: Нужен совет, в пробках стал разряжаться аккумулятор.
И ещё... - радио это не когда шашечки... бегают, а когда звук идет...зы... насколько я успел заметить на видео не были включены задняя ПТФ, подогрев дворников, печка не МАХ и не работала задняя, горел ли дальний свет? И тормоз... - НЕ ручник.
поэтому, когда надавите на тормоз, плавненько добавьте громкость, хотя бы до номинала...
Чтобы говорить о каких-то сравнительных результатах, нужно иметь одну методу..., а чтобы шлёпать клеймом "БРЕД", включите хотя бы другую половину потребителей
При вашей же половине..., напряжение в 12.9 вольт уже НЕ обеспечивает зарядку штатного акку, не то, что на 90 а/ч
Систематический недозаряд - это своеобразный абстинентный синдром аккумулятора
Хотя, о чём говорить... - ваше хобби менять, а моё сохранять
сменивший философию: отныне проходимость и природа, а не скорость и урбанизация
- Alniker
- Сообщения: 1424
- Зарегистрирован: 20 фев 2012, 19:28
- Двигатель:: 6G72, Бензин
- Мой автомобиль(и):: П4 (ЖОРЖ-УЛЬТИМАТУМ) белый, 2012; РАВ4 2.5, АКПП, белый перламутр, 2018
- Откуда: ЮЖНЫЙ УРАЛ
- Благодарил (а): 3 раза
- Поблагодарили: 32 раза
Re: Нужен совет, в пробках стал разряжаться аккумулятор.
Отукда вы знаете...liss1975 писал(а): Больше в ветке но мало на фоне всего форума![]()
Оставьте ваши фантазии, как и далее по тексту...
Причина конечно вызывает... факультативный интерес
сменивший философию: отныне проходимость и природа, а не скорость и урбанизация
- megranny
- Сообщения: 6152
- Зарегистрирован: 18 июл 2011, 01:22
- Двигатель:: дизель 4M41
- Мой автомобиль(и):: Subaru Forester III(S12),MP IV-3,2 Di-D Ultimate
- Откуда: ЦФО,76
- Благодарил (а): 16 раз
- Поблагодарили: 79 раз
Re: Нужен совет, в пробках стал разряжаться аккумулятор.
Кста,когда мы считаем потребители,мы забыва про собссно сам двиг,а он тож не мало хавает энергии на работу.
У мне Щас сняты все ремни и гена не работае,но для проведения эксКрименту,понадобилось поработать двигу.
Дык обратил внимание на такой факт,после пуска и 10-минутной работы на вольтмерте были цифры 11,7В,а начальные были боле 12В
У мне Щас сняты все ремни и гена не работае,но для проведения эксКрименту,понадобилось поработать двигу.
Дык обратил внимание на такой факт,после пуска и 10-минутной работы на вольтмерте были цифры 11,7В,а начальные были боле 12В
I made in Japan
- Alniker
- Сообщения: 1424
- Зарегистрирован: 20 фев 2012, 19:28
- Двигатель:: 6G72, Бензин
- Мой автомобиль(и):: П4 (ЖОРЖ-УЛЬТИМАТУМ) белый, 2012; РАВ4 2.5, АКПП, белый перламутр, 2018
- Откуда: ЮЖНЫЙ УРАЛ
- Благодарил (а): 3 раза
- Поблагодарили: 32 раза
Re: Нужен совет, в пробках стал разряжаться аккумулятор.
Двиглом можно пренебречь..., его включить не забудет никто
Как-то даааавно летом у меня оборвался ремень навесных агрегатов, и я пер лихо с мах печкой и молился чтобы не закипеть..., закипел только когда остановился, а акку хватило на 50 км, не думаю, что он был заряжен по полной, но слился до чёрного глаза... Реанимировать удалось.
Как-то даааавно летом у меня оборвался ремень навесных агрегатов, и я пер лихо с мах печкой и молился чтобы не закипеть..., закипел только когда остановился, а акку хватило на 50 км, не думаю, что он был заряжен по полной, но слился до чёрного глаза... Реанимировать удалось.
сменивший философию: отныне проходимость и природа, а не скорость и урбанизация
- megranny
- Сообщения: 6152
- Зарегистрирован: 18 июл 2011, 01:22
- Двигатель:: дизель 4M41
- Мой автомобиль(и):: Subaru Forester III(S12),MP IV-3,2 Di-D Ultimate
- Откуда: ЦФО,76
- Благодарил (а): 16 раз
- Поблагодарили: 79 раз
Re: Нужен совет, в пробках стал разряжаться аккумулятор.
Дык сам бы тоКа не отключилсяAlniker писал(а):Двиглом можно пренебречь..., его включить не забудет никто..
Лет двадцать пять тому на шестёрке накрылся гена,а был я в глухих костромских лесах почти в пятистах кэмэ от дома.
Хорошо лето было,темнеет поздно-светлеет рано.Не глушил ни на сек.Напарник мой фонариком светил дорогу,когда сАвсэм темно было.
Километров за пятьдесят до конечной точки маршрута задёргался двиг-свечам стало не хватать энергии для искрообразования.
Кое-как допёрли.Заглушил когда,померил напругу-мене девяти вольт,оживить его не помогла ни зарядка,ни промывка с заменой электролита.
I made in Japan
- liss1975
- Сообщения: 1758
- Зарегистрирован: 02 окт 2010, 17:39
- Двигатель:: бензин 3.0
- Мой автомобиль(и):: паджеро 4
- Откуда: Москва
- Откуда: Россия-Москва
- Благодарил (а): 9 раз
- Поблагодарили: 102 раза
- Контактная информация:
Re: Нужен совет, в пробках стал разряжаться аккумулятор.
Я имел ввиду под "Бред" саму ситуацию с разными показаниями, а не Ваши словаAlniker писал(а):... а чтобы шлёпать клеймом "БРЕД", включите хотя бы другую половину потребителей![]()
...Хотя, о чём говорить... - ваше хобби менять, а моё сохранять
Поэтому считаю Ваш очередной сарказм излишним
Или я что понял не так
PAJERO IV 3.0 2010 г.в Николай
______________________________________________
Говорят за твоей спиной — значит, ты впереди.
Обсуждают твою жизнь — значит, она интересней их.
Пытаются найти недостатки —значит, завидуют.
______________________________________________
Говорят за твоей спиной — значит, ты впереди.
Обсуждают твою жизнь — значит, она интересней их.
Пытаются найти недостатки —значит, завидуют.
- Lebed
- Сообщения: 10748
- Зарегистрирован: 25 июл 2010, 11:23
- Двигатель:: ******
- Мой автомобиль(и):: ******
- Откуда: ***
- Откуда: ***
- Благодарил (а): 236 раз
- Поблагодарили: 431 раз
Re: Нужен совет, в пробках стал разряжаться аккумулятор.
+1, Николай. Чёт совсем запутали. Какие то теории об умерших аккумах от постоянных поездок в пробках, замеры по прикуривателю.... Может просто чуток побольше ездить и откручивать хоть иногда пробочки в аккуме? Движение- это жизнь.))))liss1975 писал(а):...Или я что понял не так
ПыСы. Вон, даже и на ЯПлакал, подобная тема есть)))) http://www.yaplakal.com/forum3/st/0/topic636088.html
"Если театр начинается с вешалки, то за такие пьесы нужно вешать." (с)
P.S. Для упырей- "Мы с тобой Гималаи; остальные — ничтожества." (с)
P.S. Для упырей- "Мы с тобой Гималаи; остальные — ничтожества." (с)
- Alniker
- Сообщения: 1424
- Зарегистрирован: 20 фев 2012, 19:28
- Двигатель:: 6G72, Бензин
- Мой автомобиль(и):: П4 (ЖОРЖ-УЛЬТИМАТУМ) белый, 2012; РАВ4 2.5, АКПП, белый перламутр, 2018
- Откуда: ЮЖНЫЙ УРАЛ
- Благодарил (а): 3 раза
- Поблагодарили: 32 раза
Re: Нужен совет, в пробках стал разряжаться аккумулятор.
Это штоль БРЕД...?liss1975 писал(а):Я имел ввиду под "Бред" саму ситуацию с разными показаниями, а не Ваши словаAlniker писал(а):... а чтобы шлёпать клеймом "БРЕД", включите хотя бы другую половину потребителей![]()
...Хотя, о чём говорить... - ваше хобби менять, а моё сохранять![]()
![]()
Поэтому считаю Ваш очередной сарказм излишним![]()
Или я что понял не так
http://i60.fastpic.ru/big/2013/1204/42/ ... 206742.jpg
Это вего лишь... - кЕтай форева
Вопрос в другом:
почему разогретый гена, в отличие от холодного, выдаёт на хх 650 меньшие напряжения, которые ёмкие потребители валят до акку и регулятор это позволяет
Для меня этот вопрос факультативный и сильно не беспокоит, ибо АККУГЕН вряд ли откажет мне посреди дороги... - отношение к нему не потребительское
зы... чё, нового кина, по моему сценарию, не будет
сменивший философию: отныне проходимость и природа, а не скорость и урбанизация
- SNOOPER
- Модератор
- Сообщения: 56917
- Зарегистрирован: 11 дек 2004, 19:49
- Двигатель:: 4D56
- Мой автомобиль(и):: NewMPS
- Откуда: 78
- Откуда: Spb
- Благодарил (а): 1007 раз
- Поблагодарили: 4673 раза
Re: Нужен совет, в пробках стал разряжаться аккумулятор.
Потому что у него (реле регулятора) так в мозгах записано http://pajero4x4.ru/bbs/phpBB2/viewtopi ... 5#p1783848
- Alniker
- Сообщения: 1424
- Зарегистрирован: 20 фев 2012, 19:28
- Двигатель:: 6G72, Бензин
- Мой автомобиль(и):: П4 (ЖОРЖ-УЛЬТИМАТУМ) белый, 2012; РАВ4 2.5, АКПП, белый перламутр, 2018
- Откуда: ЮЖНЫЙ УРАЛ
- Благодарил (а): 3 раза
- Поблагодарили: 32 раза
Re: Нужен совет, в пробках стал разряжаться аккумулятор.
Это понятно..., непонятно другое... - почему регулятор позволяет нагрузкам, на стоящем авто, валить напряжение до акку, даже при увеличении оборотов до 2500SNOOPER писал(а):Потому что у него (реле регулятора) так в мозгах записано http://pajero4x4.ru/bbs/phpBB2/viewtopi ... 5#p1783848
В каждом температурном диапазоне у регулятора достаточные разбеги..., максимум которых я не разу не видел
сменивший философию: отныне проходимость и природа, а не скорость и урбанизация
- drcham
- Модератор
- Сообщения: 14446
- Зарегистрирован: 08 апр 2006, 13:42
- Двигатель:: Бензин
- Мой автомобиль(и):: Wrangler JLU Rubicon
- Откуда: Москва
- Откуда: Москва ЮЗАО
- Благодарил (а): 62 раза
- Поблагодарили: 229 раз
- Контактная информация:
Re: Нужен совет, в пробках стал разряжаться аккумулятор.
Если не видел максимума - значит еще есть запас и регулятор считает, что не надо больше.Alniker писал(а):Это понятно..., непонятно другое... - почему регулятор позволяет нагрузкам, на стоящем авто, валить напряжение до акку, даже при увеличении оборотов до 2500SNOOPER писал(а):Потому что у него (реле регулятора) так в мозгах записано http://pajero4x4.ru/bbs/phpBB2/viewtopi ... 5#p1783848![]()
В каждом температурном диапазоне у регулятора достаточные разбеги..., максимум которых я не разу не видел
Так же могут быть проблемы с контактами... плохая масса или плюс. Не зачищенные контакты.... вольметр подсоединяется не напрямую к выходам генератора... везде же есть потери.
4LO&GO! Wrangler JLU Rubicon
- liss1975
- Сообщения: 1758
- Зарегистрирован: 02 окт 2010, 17:39
- Двигатель:: бензин 3.0
- Мой автомобиль(и):: паджеро 4
- Откуда: Москва
- Откуда: Россия-Москва
- Благодарил (а): 9 раз
- Поблагодарили: 102 раза
- Контактная информация:
Re: Нужен совет, в пробках стал разряжаться аккумулятор.
Если АКБ будет находится под постоянной зарядкой...он долго не протянетAlniker писал(а):Это понятно..., непонятно другое... - почему регулятор позволяет нагрузкам, на стоящем авто, валить напряжение до акку, даже при увеличении оборотов до 2500SNOOPER писал(а):Потому что у него (реле регулятора) так в мозгах записано http://pajero4x4.ru/bbs/phpBB2/viewtopi ... 5#p1783848![]()
В каждом температурном диапазоне у регулятора достаточные разбеги..., максимум которых я не разу не видел
Возможно это и есть тот самый алгоритм о котором я упоминал ранее, с помощью которого и управляется генератор... например в авто стоит старый АКБ с емкостью 55 А.ч. но из-за его возраста он может иметь реальную емкость к примеру в 30 А.ч. Для зарядки АКБ большей емкости нужно больше времени ну и меньше для меньшей емкости.
В момент старта АКБ отдает львиную часть энергии стартеру на запуск и соответственно идет интенсивная зарядка АКБ после старта ДВС. Как только АКБ зарядился на большую часть интенсивность зарядки падает больше и больше и вплоть до поддержания потенциала АКБ в дежурном режиме.
Через некоторое время работы ДВС, по данным ЭБУ, АКБ зарядился на 100% и если в этот момент выделяется ровно столько энергии с генератора сколько нужно этим самым потребителям и для поддержания АКБ в дежурном режиме, но не более, что бы излишек энергии не перезарядил АКБ и не произошел
Так же возможно алгоритм в ЭБУ по управлению зарядом специально слегка просаживает АКБ с целью осуществления естественного цикла разряд-заряд. Ведь если АКБ постоянно заряжать и не разряжать ему придет очень скорый
То, что у меня немного другие данные от остальных в в этой ветке, может объясняться постоянным движением в пробках с включенными потребителями активно съедающих энергию и от генератора и от АКБ и его емкостью в 90 А.ч. На своем авто не помню что бы напряжение снижалось меньше 12,5 В даже при не заведенном ДВС
PAJERO IV 3.0 2010 г.в Николай
______________________________________________
Говорят за твоей спиной — значит, ты впереди.
Обсуждают твою жизнь — значит, она интересней их.
Пытаются найти недостатки —значит, завидуют.
______________________________________________
Говорят за твоей спиной — значит, ты впереди.
Обсуждают твою жизнь — значит, она интересней их.
Пытаются найти недостатки —значит, завидуют.
- bulasan
- Сообщения: 372
- Зарегистрирован: 10 окт 2012, 10:03
- Двигатель:: 6G72 24v Euro-0
- Мой автомобиль(и):: Pajero3
- Откуда: Алматы
- Откуда: Алматы
- Благодарил (а): 6 раз
- Поблагодарили: 47 раз
Re: Нужен совет, в пробках стал разряжаться аккумулятор.
Зарядка АКБ на автомобиле и с помощью зарядного устройства - "две большие разницы".
Зарядное устройство регулирует и стабилизирует ТОК (амперы), проходящий через цепь аккумулятора и считает, что он полностью заряжен при повышении напряжения на нем при зарядке до 15,5-16 вольт (может регулироваться по возрасту АКБ). Дополнительный признак - выделение множества пузырьков в финале (норма).
Реле-регулятор поддерживает НАПРЯЖЕНИЕ (вольты) в бортсети 14+-0,2 вольт. К этой сети подключен АКБ и если на нем после "затрат запаса" напряжение понизилось, то эта разница в напряжении и заставит ток течь в АКБ до тех пор, пока напряжение в нем не сравняется с бортсетью (так сказать "заряд по необходимости"). При сильно разряженном АКБ ток будет мощный, ограничится только суммой сопротивлений цепи (внутреннего сопротивления генератора, внутреннего сопротивления АКБ, сопротивления проводов и контактов). По мере зарядки разница в напряжениях уменьшается и пропорционально уменьшается ток зарядки. Кстати, АКБ на машине никогда не заряжаются полностью, максимум на 80-85%, но этого хватает. Если кипит АКБ на машине - или "дохляк" или слишком большое напряжение бортсети.
ЭБУ никак не связано с зарядкой АКБ. Этим занимается только реле-регулятор в генераторе и в нем есть только температурная компенсация. Холод делает АКБ менее восприимчивым к заряду и для компенсации этого немного повышается напряжение в сети (не более 15в), по мере прогрева вольтаж уменьшается. Но ненормально менее 13,5в. И в регуляторе нет "мозгов", только простая аналоговая электроника как более надежная.
Зарядное устройство регулирует и стабилизирует ТОК (амперы), проходящий через цепь аккумулятора и считает, что он полностью заряжен при повышении напряжения на нем при зарядке до 15,5-16 вольт (может регулироваться по возрасту АКБ). Дополнительный признак - выделение множества пузырьков в финале (норма).
Реле-регулятор поддерживает НАПРЯЖЕНИЕ (вольты) в бортсети 14+-0,2 вольт. К этой сети подключен АКБ и если на нем после "затрат запаса" напряжение понизилось, то эта разница в напряжении и заставит ток течь в АКБ до тех пор, пока напряжение в нем не сравняется с бортсетью (так сказать "заряд по необходимости"). При сильно разряженном АКБ ток будет мощный, ограничится только суммой сопротивлений цепи (внутреннего сопротивления генератора, внутреннего сопротивления АКБ, сопротивления проводов и контактов). По мере зарядки разница в напряжениях уменьшается и пропорционально уменьшается ток зарядки. Кстати, АКБ на машине никогда не заряжаются полностью, максимум на 80-85%, но этого хватает. Если кипит АКБ на машине - или "дохляк" или слишком большое напряжение бортсети.
ЭБУ никак не связано с зарядкой АКБ. Этим занимается только реле-регулятор в генераторе и в нем есть только температурная компенсация. Холод делает АКБ менее восприимчивым к заряду и для компенсации этого немного повышается напряжение в сети (не более 15в), по мере прогрева вольтаж уменьшается. Но ненормально менее 13,5в. И в регуляторе нет "мозгов", только простая аналоговая электроника как более надежная.
- SNOOPER
- Модератор
- Сообщения: 56917
- Зарегистрирован: 11 дек 2004, 19:49
- Двигатель:: 4D56
- Мой автомобиль(и):: NewMPS
- Откуда: 78
- Откуда: Spb
- Благодарил (а): 1007 раз
- Поблагодарили: 4673 раза
Re: Нужен совет, в пробках стал разряжаться аккумулятор.
Давайте Вы сходите сначала поучите матчасть и тд, а уж потом когда будете понимать суть происходящего и придёте со мнением, которое всенепременно мы выслушаем с большим вниманием.bulasan писал(а):Зарядка АКБ на автомобиле и с помощью зарядного устройства - "две большие разницы".
Зарядное устройство регулирует и стабилизирует ТОК (амперы), проходящий через цепь аккумулятора и считает, что он полностью заряжен при повышении напряжения на нем при зарядке до 15,5-16 вольт (может регулироваться по возрасту АКБ). Дополнительный признак - выделение множества пузырьков в финале (норма).
Реле-регулятор поддерживает НАПРЯЖЕНИЕ (вольты) в бортсети 14+-0,2 вольт. К этой сети подключен АКБ и если на нем после "затрат запаса" напряжение понизилось, то эта разница в напряжении и заставит ток течь в АКБ до тех пор, пока напряжение в нем не сравняется с бортсетью (так сказать "заряд по необходимости"). При сильно разряженном АКБ ток будет мощный, ограничится только суммой сопротивлений цепи (внутреннего сопротивления генератора, внутреннего сопротивления АКБ, сопротивления проводов и контактов). По мере зарядки разница в напряжениях уменьшается и пропорционально уменьшается ток зарядки. Кстати, АКБ на машине никогда не заряжаются полностью, максимум на 80-85%, но этого хватает. Если кипит АКБ на машине - или "дохляк" или слишком большое напряжение бортсети.
ЭБУ никак не связано с зарядкой АКБ. Этим занимается только реле-регулятор в генераторе и в нем есть только температурная компенсация. Холод делает АКБ менее восприимчивым к заряду и для компенсации этого немного повышается напряжение в сети (не более 15в), по мере прогрева вольтаж уменьшается. Но ненормально менее 13,5в. И в регуляторе нет "мозгов", только простая аналоговая электроника как более надежная.
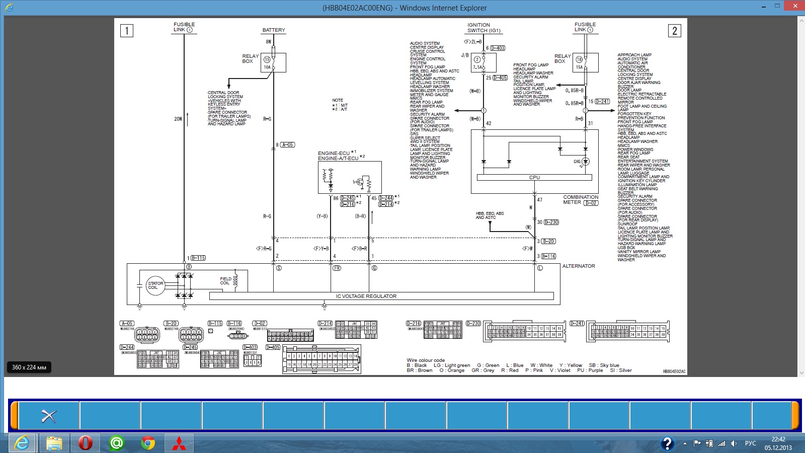
Думаю к схеме пояснений не понадобится.
- bulasan
- Сообщения: 372
- Зарегистрирован: 10 окт 2012, 10:03
- Двигатель:: 6G72 24v Euro-0
- Мой автомобиль(и):: Pajero3
- Откуда: Алматы
- Откуда: Алматы
- Благодарил (а): 6 раз
- Поблагодарили: 47 раз
Re: Нужен совет, в пробках стал разряжаться аккумулятор.
Понял. Проникся... Приношу извинения!
Насчет пояснений: был бы признателен за информацию для расширения кругозора.
При каких сочетаниях параметров ЭБУ вмешивается в работу регулятора при помощи ключевого транзистора и допрезистора? Ведь явно не для "тонкой настройки". Может просто "подкидывает" обороты при провале бортсети? Где про это узнать?
Спасибо!
Насчет пояснений: был бы признателен за информацию для расширения кругозора.
При каких сочетаниях параметров ЭБУ вмешивается в работу регулятора при помощи ключевого транзистора и допрезистора? Ведь явно не для "тонкой настройки". Может просто "подкидывает" обороты при провале бортсети? Где про это узнать?
Спасибо!
- liss1975
- Сообщения: 1758
- Зарегистрирован: 02 окт 2010, 17:39
- Двигатель:: бензин 3.0
- Мой автомобиль(и):: паджеро 4
- Откуда: Москва
- Откуда: Россия-Москва
- Благодарил (а): 9 раз
- Поблагодарили: 102 раза
- Контактная информация:
Re: Нужен совет, в пробках стал разряжаться аккумулятор.
Есть такое интересное слово которое помогает генератору работать как "Возбуждение" 
Вот в нем и весь секрет
Вот в нем и весь секрет
PAJERO IV 3.0 2010 г.в Николай
______________________________________________
Говорят за твоей спиной — значит, ты впереди.
Обсуждают твою жизнь — значит, она интересней их.
Пытаются найти недостатки —значит, завидуют.
______________________________________________
Говорят за твоей спиной — значит, ты впереди.
Обсуждают твою жизнь — значит, она интересней их.
Пытаются найти недостатки —значит, завидуют.
