Для реализации отдельной цепи для лобового под капотом, надо дополнительно устанавливать реле и держатель предохранителя с самим предохранителем в подкапотном пространстве.SNOOPER писал(а):А самое простое это отделить обогрев лобового, которого нет на Америке, как и такой проблемы. Значит штатная проводка вполне держит токи без лобового стекла. О чём я писал выше. Ну и конечно проще реализавать физически под капотом, тем болие и места навалом и питание рядом.
Надо отметить, что условия там не самые комфортабельные для электрики.
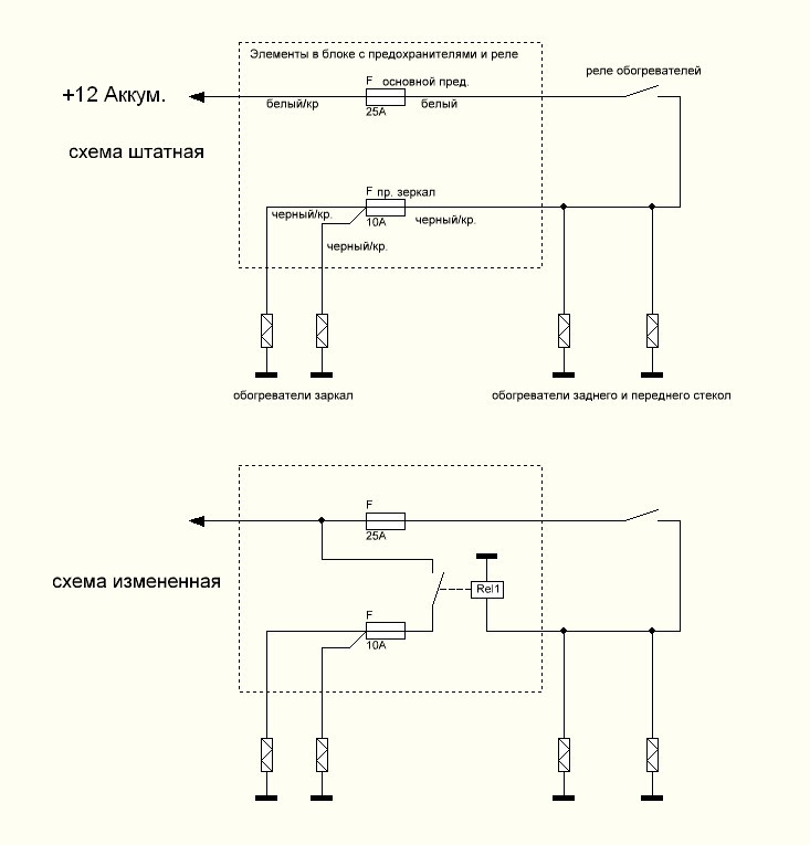
Для отделения обогревателя зеркал достаточно добавить только одно реле (отдельный предох. для зеркал уже есть в схеме) и если реле прикрепить к блоку с предохранителями, то там вся проводка уже присутствует. Тем более, что обогреватель лобового стекла и обогреватель зеркал потребляют почти одинаковый ток. А при уменьшении тока в основной цепи на 5-6 Ампер, оная работает нормально без проблем. Хотя и под капотом можно реализовать, будет работать.
Интересно в новом спорте эту проблему решили или те же грабли?
