TRT - Вдоль р.Киржач. Для стандартных 4х4 (08.11.25) Форум Обсуждение FAQ
	Отвечу на вопросы по автоэлектрике
Модераторы: SNOOPER, Nbf, Romik, BAlex
- Ваня
 - Сообщения: 277
 - Зарегистрирован: 02 июн 2007, 01:18
 - Откуда: Москва
 - Благодарил (а): 1 раз
 - Поблагодарили: 2 раза
 
Re: Отвечу на вопросы по автоэлектрике
а хватит одного аккумулятора на 2.8?flamer писал(а):Не закоротить,а замотать изолентой-изолировать.
Mitsubishi Pajero 2.8TD 4M40 5d - 1996...
			
						- 
				AndreyPajero46
 - Сообщения: 15
 - Зарегистрирован: 28 авг 2016, 20:05
 - Двигатель:: 4D56T
 - Мой автомобиль(и):: Митсубиси Паджеро Спорт
 - Откуда: Курск
 - Благодарил (а): 2 раза
 
Re: Отвечу на вопросы по автоэлектрике
Суть проблемы- греется генератор, а точнее статор, думал, что он умер(скорее всего межвитковое замыкание), НО генератор в порядке-разобрал, распаял диодный мост, прозвонил диоды, проверил реле зарядки — с ней тоже все в порядке, прозвонил статор-с ним отлично, проверить ротор в моих условиях не возможно…Собрал генератор, отвез на стенд, а они с удивлением говорят : "Он полностью исправлен!", проблема не в нем.
Полез дальше, клема "+", которая прикручивается к генератору "звонится" на минус, дошел до блока предохранителей под капотом- от генератора, до блока проводка не пробита. В моторном отсеке короткого замыкания нет!
Предохранители №3 и № 1 — в блоке предохранителей под капотом( Освещение салона и задние габаритные огни)- подоплавлены, не в самом блоке, а сам предохранитель.
Нужна схема проводки на русском языке, мануал на английском есть-не могу разобраться… Или кого-то была подобная ситуация форумчане подскажите!
Место розетки фаркопа я просмотрел, откинул от бортсети-все аналогично, коротыш сидит…
			
			
									
						Полез дальше, клема "+", которая прикручивается к генератору "звонится" на минус, дошел до блока предохранителей под капотом- от генератора, до блока проводка не пробита. В моторном отсеке короткого замыкания нет!
Предохранители №3 и № 1 — в блоке предохранителей под капотом( Освещение салона и задние габаритные огни)- подоплавлены, не в самом блоке, а сам предохранитель.
Нужна схема проводки на русском языке, мануал на английском есть-не могу разобраться… Или кого-то была подобная ситуация форумчане подскажите!
Место розетки фаркопа я просмотрел, откинул от бортсети-все аналогично, коротыш сидит…
- dvm99
 - Сообщения: 21741
 - Зарегистрирован: 21 май 2012, 20:59
 - Двигатель:: 6G72, 12клап.,
 - Мой автомобиль(и):: Pajero2, Запорожец- Ланос
 - Откуда: Свердловская обл.
 - Благодарил (а): 706 раз
 - Поблагодарили: 1028 раз
 
Re: Отвечу на вопросы по автоэлектрике
AndreyPajero46, 
движуха описана аж в двух ветках...
А в чём суть проблемы?
			
			
									
						движуха описана аж в двух ветках...
А в чём суть проблемы?
Дмитрий
Боливар2 - П2, 92г., V43, 6G72(12V), V4AW2, RD/L, пруль (чистокровный японский рысак)
Боливар1 - П2, 93г., 6G72(12V), МКПП, V43, RD/L, Европа (славный был конь, но уже донор)
			
						Боливар2 - П2, 92г., V43, 6G72(12V), V4AW2, RD/L, пруль (чистокровный японский рысак)
Боливар1 - П2, 93г., 6G72(12V), МКПП, V43, RD/L, Европа (славный был конь, но уже донор)
- 
				AndreyPajero46
 - Сообщения: 15
 - Зарегистрирован: 28 авг 2016, 20:05
 - Двигатель:: 4D56T
 - Мой автомобиль(и):: Митсубиси Паджеро Спорт
 - Откуда: Курск
 - Благодарил (а): 2 раза
 
- dvm99
 - Сообщения: 21741
 - Зарегистрирован: 21 май 2012, 20:59
 - Двигатель:: 6G72, 12клап.,
 - Мой автомобиль(и):: Pajero2, Запорожец- Ланос
 - Откуда: Свердловская обл.
 - Благодарил (а): 706 раз
 - Поблагодарили: 1028 раз
 
Re: Отвечу на вопросы по автоэлектрике
Напряжение на выходе какое при ХХ?
			
			
									
						Дмитрий
Боливар2 - П2, 92г., V43, 6G72(12V), V4AW2, RD/L, пруль (чистокровный японский рысак)
Боливар1 - П2, 93г., 6G72(12V), МКПП, V43, RD/L, Европа (славный был конь, но уже донор)
			
						Боливар2 - П2, 92г., V43, 6G72(12V), V4AW2, RD/L, пруль (чистокровный японский рысак)
Боливар1 - П2, 93г., 6G72(12V), МКПП, V43, RD/L, Европа (славный был конь, но уже донор)
- 
				AndreyPajero46
 - Сообщения: 15
 - Зарегистрирован: 28 авг 2016, 20:05
 - Двигатель:: 4D56T
 - Мой автомобиль(и):: Митсубиси Паджеро Спорт
 - Откуда: Курск
 - Благодарил (а): 2 раза
 
- dvm99
 - Сообщения: 21741
 - Зарегистрирован: 21 май 2012, 20:59
 - Двигатель:: 6G72, 12клап.,
 - Мой автомобиль(и):: Pajero2, Запорожец- Ланос
 - Откуда: Свердловская обл.
 - Благодарил (а): 706 раз
 - Поблагодарили: 1028 раз
 
Re: Отвечу на вопросы по автоэлектрике
Нормальное напряжение.AndreyPajero46 писал(а):14,8-14,2
Может он просто нагружен хорошо? Вот и греется...
Посмотри, всё ли отключено (допустим подогрев стёкол и т.п.).
Попробовать повытыкать предохранители всякого допоборудования...
Кстати, греется как сильно? Рука не терпит, плюнешь- шипит?
Дмитрий
Боливар2 - П2, 92г., V43, 6G72(12V), V4AW2, RD/L, пруль (чистокровный японский рысак)
Боливар1 - П2, 93г., 6G72(12V), МКПП, V43, RD/L, Европа (славный был конь, но уже донор)
			
						Боливар2 - П2, 92г., V43, 6G72(12V), V4AW2, RD/L, пруль (чистокровный японский рысак)
Боливар1 - П2, 93г., 6G72(12V), МКПП, V43, RD/L, Европа (славный был конь, но уже донор)
- 
				AndreyPajero46
 - Сообщения: 15
 - Зарегистрирован: 28 авг 2016, 20:05
 - Двигатель:: 4D56T
 - Мой автомобиль(и):: Митсубиси Паджеро Спорт
 - Откуда: Курск
 - Благодарил (а): 2 раза
 
Re: Отвечу на вопросы по автоэлектрике
Заранее спасибо! 
да я это все понимаю, потребление машины я проверял-просадка небольшая, подразобрался вчера еще чуть-чуть, в день по чайной ложке разбираюсь))
короче, разъем возбуждения(который стоит на генераторе) в нем 2 провода " L " и "S", на Sке постоянное питание бортсети 12,5-12,7, на Lке при включении зажигания идет напряжение с лампочки панели приборов-возбуждение и этот контакт L при включении зажигания выдает напряжение в 11,3 В . Лампочка в панели приборов цела. Я так понимаю на этом контакте L , при влюченом зажигании должно быть питание 12,5-12,7. Думаю, этот контакт L где-то просидает. При прозвонке этого контакта L с моторного отсека в салон (прозванивая тестом через "пищалку" ) на землю срабатывает индикатор сигнализации(моргает)....тут я и остановился......!!!!
Товарищ говорит ,что где-то может быть сопративление в панели приборов или в салоне и из-за него может быть похожая ситуация....
Может быть вы с таким сталкивались?????
			
			
									
						да я это все понимаю, потребление машины я проверял-просадка небольшая, подразобрался вчера еще чуть-чуть, в день по чайной ложке разбираюсь))
короче, разъем возбуждения(который стоит на генераторе) в нем 2 провода " L " и "S", на Sке постоянное питание бортсети 12,5-12,7, на Lке при включении зажигания идет напряжение с лампочки панели приборов-возбуждение и этот контакт L при включении зажигания выдает напряжение в 11,3 В . Лампочка в панели приборов цела. Я так понимаю на этом контакте L , при влюченом зажигании должно быть питание 12,5-12,7. Думаю, этот контакт L где-то просидает. При прозвонке этого контакта L с моторного отсека в салон (прозванивая тестом через "пищалку" ) на землю срабатывает индикатор сигнализации(моргает)....тут я и остановился......!!!!
Товарищ говорит ,что где-то может быть сопративление в панели приборов или в салоне и из-за него может быть похожая ситуация....
Может быть вы с таким сталкивались?????
- dvm99
 - Сообщения: 21741
 - Зарегистрирован: 21 май 2012, 20:59
 - Двигатель:: 6G72, 12клап.,
 - Мой автомобиль(и):: Pajero2, Запорожец- Ланос
 - Откуда: Свердловская обл.
 - Благодарил (а): 706 раз
 - Поблагодарили: 1028 раз
 
Re: Отвечу на вопросы по автоэлектрике
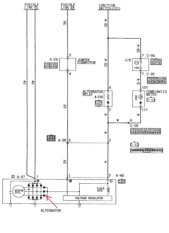
Эта цепочка работает только на момент запуска, далее она отключается и на работу генератора никак не влияет (даже то что лампочка тухнет, об этом говорит). После запуска генератор встаёт на "самоподхват", цепь возбуждения начинает питаться через дополнительные диоды (помечены стрелкой).AndreyPajero46 писал(а): Думаю, этот контакт L где-то просидает.
Дмитрий
Боливар2 - П2, 92г., V43, 6G72(12V), V4AW2, RD/L, пруль (чистокровный японский рысак)
Боливар1 - П2, 93г., 6G72(12V), МКПП, V43, RD/L, Европа (славный был конь, но уже донор)
			
						Боливар2 - П2, 92г., V43, 6G72(12V), V4AW2, RD/L, пруль (чистокровный японский рысак)
Боливар1 - П2, 93г., 6G72(12V), МКПП, V43, RD/L, Европа (славный был конь, но уже донор)
- navin20111
 - Сообщения: 2
 - Зарегистрирован: 11 авг 2016, 09:59
 - Двигатель:: Дизель 4D56
 - Мой автомобиль(и):: P-3Long-2000
 - Откуда: Брест
 
Re: Отвечу на вопросы по автоэлектрике
ВОПРОС, Доброго дня. У меня PADGER3-2000г. Установил лобовое стекло с подогревом.До этого ездил с родным без подогрева.
Вопрос: нашел под решеткой дворников(нише) штатный разьем для подкл провода от лобового стекла. Но на нём нет напряжения. В общем-как правильно подключиться? Где кнопка? Спасибо!!
			
			
									
						Вопрос: нашел под решеткой дворников(нише) штатный разьем для подкл провода от лобового стекла. Но на нём нет напряжения. В общем-как правильно подключиться? Где кнопка? Спасибо!!
Миру-мир!
			
						- navin20111
 - Сообщения: 2
 - Зарегистрирован: 11 авг 2016, 09:59
 - Двигатель:: Дизель 4D56
 - Мой автомобиль(и):: P-3Long-2000
 - Откуда: Брест
 
Re: Отвечу на вопросы по автоэлектрике
Доброго дня. У меня PADGER3-2000г. Установил лобовое стекло с подогревом.До этого ездил с родным без подогрева.
Вопрос: нашел под решеткой дворников(нише) штатный разьем для подкл провода от лобового стекла. Но на нём нет напряжения. В общем-как правильно подключиться? Где кнопка? Спасибо!!
			
			
									
						Вопрос: нашел под решеткой дворников(нише) штатный разьем для подкл провода от лобового стекла. Но на нём нет напряжения. В общем-как правильно подключиться? Где кнопка? Спасибо!!
Миру-мир!
			
						- 
				AndreyPajero46
 - Сообщения: 15
 - Зарегистрирован: 28 авг 2016, 20:05
 - Двигатель:: 4D56T
 - Мой автомобиль(и):: Митсубиси Паджеро Спорт
 - Откуда: Курск
 - Благодарил (а): 2 раза
 
Re: Отвечу на вопросы по автоэлектрике
Я вас понял. Сейчас вскрыл панель приборов к белому проводу(возбуждение) присоединен провод от сигналки, хер знает для чего.....Другой провод от  сигналки присоединен к другому проводу на панель приборов. Может быть провода с сигналки минусуются?? и тем самым когда генератор возбудился "+" уходит, а "- "идет к L или на L приседает?
			
			
									
						- dvm99
 - Сообщения: 21741
 - Зарегистрирован: 21 май 2012, 20:59
 - Двигатель:: 6G72, 12клап.,
 - Мой автомобиль(и):: Pajero2, Запорожец- Ланос
 - Откуда: Свердловская обл.
 - Благодарил (а): 706 раз
 - Поблагодарили: 1028 раз
 
Re: Отвечу на вопросы по автоэлектрике
Вряд ли сигналка может повлиять... 
В цепи возбуждения ток мизерный, но если его будет не хватать или наоборот много, то это обязательно скажется на выходном напряжении генератора.
Греются как правило силовые части: обмотки статора и мощные диоды.
Вы не ответили на вопрос: что значит греется? насколько греется?
			
			
									
						В цепи возбуждения ток мизерный, но если его будет не хватать или наоборот много, то это обязательно скажется на выходном напряжении генератора.
Греются как правило силовые части: обмотки статора и мощные диоды.
Вы не ответили на вопрос: что значит греется? насколько греется?
Дмитрий
Боливар2 - П2, 92г., V43, 6G72(12V), V4AW2, RD/L, пруль (чистокровный японский рысак)
Боливар1 - П2, 93г., 6G72(12V), МКПП, V43, RD/L, Европа (славный был конь, но уже донор)
			
						Боливар2 - П2, 92г., V43, 6G72(12V), V4AW2, RD/L, пруль (чистокровный японский рысак)
Боливар1 - П2, 93г., 6G72(12V), МКПП, V43, RD/L, Европа (славный был конь, но уже донор)
- 
				AndreyPajero46
 - Сообщения: 15
 - Зарегистрирован: 28 авг 2016, 20:05
 - Двигатель:: 4D56T
 - Мой автомобиль(и):: Митсубиси Паджеро Спорт
 - Откуда: Курск
 - Благодарил (а): 2 раза
 
Re: Отвечу на вопросы по автоэлектрике
Двигатель холодный полностью, завожу мотор  3-5 мин генератор рукой не дотронешься-как огонь!
			
			
									
						- dvm99
 - Сообщения: 21741
 - Зарегистрирован: 21 май 2012, 20:59
 - Двигатель:: 6G72, 12клап.,
 - Мой автомобиль(и):: Pajero2, Запорожец- Ланос
 - Откуда: Свердловская обл.
 - Благодарил (а): 706 раз
 - Поблагодарили: 1028 раз
 
Re: Отвечу на вопросы по автоэлектрике
Отвинтите силовую клемму от генератора и посмотрите, будет греться или нет.
Если будет, то дело в генераторе, если нет- то в нагрузке.
Вообще обмотку статора довольно тяжело прозвонить на предмет межвиткового замыкания...
			
			
									
						Если будет, то дело в генераторе, если нет- то в нагрузке.
Вообще обмотку статора довольно тяжело прозвонить на предмет межвиткового замыкания...
Дмитрий
Боливар2 - П2, 92г., V43, 6G72(12V), V4AW2, RD/L, пруль (чистокровный японский рысак)
Боливар1 - П2, 93г., 6G72(12V), МКПП, V43, RD/L, Европа (славный был конь, но уже донор)
			
						Боливар2 - П2, 92г., V43, 6G72(12V), V4AW2, RD/L, пруль (чистокровный японский рысак)
Боливар1 - П2, 93г., 6G72(12V), МКПП, V43, RD/L, Европа (славный был конь, но уже донор)
- 
				AndreyPajero46
 - Сообщения: 15
 - Зарегистрирован: 28 авг 2016, 20:05
 - Двигатель:: 4D56T
 - Мой автомобиль(и):: Митсубиси Паджеро Спорт
 - Откуда: Курск
 - Благодарил (а): 2 раза
 
Re: Отвечу на вопросы по автоэлектрике
короче пишу как все было...
Стал обращать внимание на шум вакуумного насоса,который стоит на задней части генератора, зарядка была 14,2 В
С утра зашел в гараж, попробовал генератор-он был холодный, завел двигатель и в течении 2-5 мин генератор стал огненный . заглушил машину
Потом и вовсе пропала на нем зарядка..
Снял генератор, разобрал , распаял статор, прозвонил его на корпус( не звонился ни один из 4х выходов обмотки).Между собой выходы звонились.Распаял весь диодный мост, проверил диоды тестером, в одну сторону звонились все, в другую-нет. Диоды исправны. Прозвонил диод реле зарядки, тоже звонил в одну сторону.Ротор в моих условиях на межвиток проверить было невозможно. так же ротор проверил на корпус, одну дорожку коллектора, другую дорожку коллектора..причину в нем так и не нашел..Думал,что проблема сидит в роторе. Собрал и все поставил на место. Все аналогично. зарядка сначала пошла , потом гененратор нагрелся и зарядка пропала
Решил брать новый генератор. Поставил новый генератор-все аналогично.
			
			
									
						Стал обращать внимание на шум вакуумного насоса,который стоит на задней части генератора, зарядка была 14,2 В
С утра зашел в гараж, попробовал генератор-он был холодный, завел двигатель и в течении 2-5 мин генератор стал огненный . заглушил машину
Потом и вовсе пропала на нем зарядка..
Снял генератор, разобрал , распаял статор, прозвонил его на корпус( не звонился ни один из 4х выходов обмотки).Между собой выходы звонились.Распаял весь диодный мост, проверил диоды тестером, в одну сторону звонились все, в другую-нет. Диоды исправны. Прозвонил диод реле зарядки, тоже звонил в одну сторону.Ротор в моих условиях на межвиток проверить было невозможно. так же ротор проверил на корпус, одну дорожку коллектора, другую дорожку коллектора..причину в нем так и не нашел..Думал,что проблема сидит в роторе. Собрал и все поставил на место. Все аналогично. зарядка сначала пошла , потом гененратор нагрелся и зарядка пропала
Решил брать новый генератор. Поставил новый генератор-все аналогично.
- dvm99
 - Сообщения: 21741
 - Зарегистрирован: 21 май 2012, 20:59
 - Двигатель:: 6G72, 12клап.,
 - Мой автомобиль(и):: Pajero2, Запорожец- Ланос
 - Откуда: Свердловская обл.
 - Благодарил (а): 706 раз
 - Поблагодарили: 1028 раз
 
Re: Отвечу на вопросы по автоэлектрике
Ну вроде само напрашивается- где-то в машине что-то жрёт. Причём (как наводка) это что-то должно нехило греться. (мож какие-нить свечи накала не отключются или ещё что-то подобное, я вашу машину не знаю...)AndreyPajero46 писал(а):Поставил новый генератор-все аналогично.
Дмитрий
Боливар2 - П2, 92г., V43, 6G72(12V), V4AW2, RD/L, пруль (чистокровный японский рысак)
Боливар1 - П2, 93г., 6G72(12V), МКПП, V43, RD/L, Европа (славный был конь, но уже донор)
			
						Боливар2 - П2, 92г., V43, 6G72(12V), V4AW2, RD/L, пруль (чистокровный японский рысак)
Боливар1 - П2, 93г., 6G72(12V), МКПП, V43, RD/L, Европа (славный был конь, но уже донор)
- Цицерон
 - Сообщения: 678
 - Зарегистрирован: 27 апр 2011, 19:54
 - Двигатель:: 2.8 TD 4m40 EFI 96г.
 - Мой автомобиль(и):: Mitsubishi Pajero II
 - Откуда: Ямал Заполярье
 - Откуда: Казахстан. г.Павлодар
 - Благодарил (а): 11 раз
 - Поблагодарили: 44 раза
 
Re: Отвечу на вопросы по автоэлектрике
На европейских комплектациях вообще вроди как второго с рождения нету,но у него и генератор меньше амперажом ставят.У делик тоже один АКБ стоит 90-95 А.Ваня писал(а):а хватит одного аккумулятора на 2.8?flamer писал(а):Не закоротить,а замотать изолентой-изолировать.
У меня стоит генератор 120А,чистый японец супер ЭКСИЕД ,зимний вариант,плюс к всему ставлю два подогрева сидений,два подогрева топлива(в баке и на фильтре) и автономках бинар.
А провода лучьше вообще открутить и убрать они просто лишние будут там.
- 
				GAZ_KVAS
 - Сообщения: 1
 - Зарегистрирован: 24 авг 2016, 12:12
 - Двигатель:: Дизель 4D56U
 - Мой автомобиль(и):: MITSUBISHI PAJERO SPORT II
 - Откуда: Москва
 
Re: Отвечу на вопросы по автоэлектрике
Доброго дня, на МПС2 2012 г.в., перестали зажигаться габариты, подсветка приборки и торпедо, хотя при повороте рычага габаритов бортовой компьютер притухает, все предохранители целы.
			
			
									
						