TRT - Вдоль р.Киржач. Для стандартных 4х4 (08.11.25) Форум Обсуждение FAQ

Проблемы полного привода моргают лампочки, не вкл/выкл. мост

Паджеро/Монтеро Спорт
Наш сайт: psport.pajero4x4.ru

Модераторы: SNOOPER, Nbf, Romik, BAlex, drcham, Podzemshik

Аватара пользователя
asferrum
Сообщения: 5569
Зарегистрирован: 15 июн 2012, 23:31
Двигатель:: разные
Мой автомобиль(и):: Ларгус на метане
Откуда: Новомосковск-Рязань
Откуда: Новомосковск
Благодарил (а): 789 раз
Поблагодарили: 295 раз

Re: Проблемы полного привода моргают лампочки, не вкл/выкл.

Сообщение asferrum »

ххх186 писал(а):Попробовал, дело не в клапане, похоже накрылся датчик включения 4h, протестил всяко-разно так он и не размыкается.
ставь тумблер на Блок управления.
я вот сделал временно,да так и езжу уже почти 2 месяца.(см. на пред. странице)
и даже на 99% уверен,что у меня концевик-то живой сам,а провод просто от него отломился,но....
некогда мне коробас опускать,снимать датчик,паять.
можь по зиме соберусь.
в принципе с тумблером всё работает,включаю когда надо. чуток неудобно тянуться в ноги пассажира,но... ::-D: ::-D: ::-D: ::-D:
Люблю жизнь!
С уважением,Юрий.
Аватара пользователя
ххх186
Сообщения: 53
Зарегистрирован: 05 апр 2010, 10:08
Откуда: Ханты-Мансийск
Благодарил (а): 12 раз
Контактная информация:

Re: Проблемы полного привода моргают лампочки, не вкл/выкл.

Сообщение ххх186 »

asferrum писал(а):ставь тумблер на Блок управления.
получается когда поставишь тумблер, вручную цепь разомкнул, педнии полуоси (вроде так) вышли из зацепления, погасла мигающая лампа.... включил тумблер, они опять в зацеп, замигала лампа..... рычаг на 4H, включился полный привод, лампа горит... так?

Получается если тумблерок ставить, то нужно на разрыв пин№2 который идет на ЭБУПП?
Pajero Sport 3.0 АККП 2007 год
Mazda-6 2.0 Active 2014
Аватара пользователя
asferrum
Сообщения: 5569
Зарегистрирован: 15 июн 2012, 23:31
Двигатель:: разные
Мой автомобиль(и):: Ларгус на метане
Откуда: Новомосковск-Рязань
Откуда: Новомосковск
Благодарил (а): 789 раз
Поблагодарили: 295 раз

Re: Проблемы полного привода моргают лампочки, не вкл/выкл.

Сообщение asferrum »

примерно так.
я когда надо заполноприводиться,перевожу рычаг в 4H и тянусь к тумблеру,включаю его.
вылез из говнолина-выключаю тумблер,перевожу рычаг раздатки в 2Н.
один минус-на ходу неудобно,приходится пассажира просить.но у меня это один раз и было-то...
забил пока на это.
Люблю жизнь!
С уважением,Юрий.
Аватара пользователя
ххх186
Сообщения: 53
Зарегистрирован: 05 апр 2010, 10:08
Откуда: Ханты-Мансийск
Благодарил (а): 12 раз
Контактная информация:

Re: Проблемы полного привода моргают лампочки, не вкл/выкл.

Сообщение ххх186 »

Чтото немного не догоняю, врезал тумблер перед ЭБПП, в провод №2... размыкаю перед запуском, лампа не мигает на 2Н, перевожу рычаг в 4Н лампа не горит, но если начинаешь движение, работает полный привод..... получается что я просто потушил лампочку..... че может быть, что полуоси из зацепа не уходят... клапан синий менял, на новый.... желтый правда не трогал, но он тут не причем вроде как.... что посоветуете еще? тестил датчик на раздатке, как на 98 странице, всегда замкнут....
Pajero Sport 3.0 АККП 2007 год
Mazda-6 2.0 Active 2014
Аватара пользователя
asferrum
Сообщения: 5569
Зарегистрирован: 15 июн 2012, 23:31
Двигатель:: разные
Мой автомобиль(и):: Ларгус на метане
Откуда: Новомосковск-Рязань
Откуда: Новомосковск
Благодарил (а): 789 раз
Поблагодарили: 295 раз

Re: Проблемы полного привода моргают лампочки, не вкл/выкл.

Сообщение asferrum »

ххх186 писал(а):Чтото немного не догоняю, врезал тумблер перед ЭБПП, в провод №2... размыкаю перед запуском, лампа не мигает на 2Н, перевожу рычаг в 4Н лампа не горит, но если начинаешь движение, работает полный привод..... получается что я просто потушил лампочку..... че может быть, что полуоси из зацепа не уходят... клапан синий менял, на новый.... желтый правда не трогал, но он тут не причем вроде как.... что посоветуете еще? тестил датчик на раздатке, как на 98 странице, всегда замкнут....
неправильно тумблер поставили!
стр.114,мой пост:
"спасибо!
про закисание читал,но дело в том,что перед отказом датчика,включал ПП с понижайкой дня за 3-4.
вобщем победил я поломку!!!
как Дима Подземщик и писАл на примерно 100 странице.
но я не перемкнул наглухо 2 пин БУ на землю(пин 8),а поставил тумблерок маленький.
электронщик я или как?? ::-D: ::-D: ::-D:
проверил-работает,муфта елозит на мосту,включает!!!
перевожу теперь рычаг в ПП и нажимаю клавишу в ногах у пассажира! ПОЕХАЛИ!!!
после поездки сниму датчик,попробую восстановить его."


надо не врезАть,а припаяться к проводам от 2 и 8 пина. параллельно!!!
Люблю жизнь!
С уважением,Юрий.
Аватара пользователя
ххх186
Сообщения: 53
Зарегистрирован: 05 апр 2010, 10:08
Откуда: Ханты-Мансийск
Благодарил (а): 12 раз
Контактная информация:

Re: Проблемы полного привода моргают лампочки, не вкл/выкл.

Сообщение ххх186 »

asferrum писал(а):надо не врезАть,а припаяться к проводам от 2 и 8 пина. параллельно!!!

тоесть один конец на №8 (масса) другой конец на №2 и на концах клавиша........регулировать вкл/выкл смыкая/размыкая их.... правильно???
Pajero Sport 3.0 АККП 2007 год
Mazda-6 2.0 Active 2014
Аватара пользователя
asferrum
Сообщения: 5569
Зарегистрирован: 15 июн 2012, 23:31
Двигатель:: разные
Мой автомобиль(и):: Ларгус на метане
Откуда: Новомосковск-Рязань
Откуда: Новомосковск
Благодарил (а): 789 раз
Поблагодарили: 295 раз

Re: Проблемы полного привода моргают лампочки, не вкл/выкл.

Сообщение asferrum »

именно так!!!!
Люблю жизнь!
С уважением,Юрий.
Аватара пользователя
ххх186
Сообщения: 53
Зарегистрирован: 05 апр 2010, 10:08
Откуда: Ханты-Мансийск
Благодарил (а): 12 раз
Контактная информация:

Re: Проблемы полного привода моргают лампочки, не вкл/выкл.

Сообщение ххх186 »

перечитал пост на 114 стр.... все понял, завтра сутра мастырить буду...Спасибо!!!! :)
Pajero Sport 3.0 АККП 2007 год
Mazda-6 2.0 Active 2014
Аватара пользователя
ххх186
Сообщения: 53
Зарегистрирован: 05 апр 2010, 10:08
Откуда: Ханты-Мансийск
Благодарил (а): 12 раз
Контактная информация:

Re: Проблемы полного привода моргают лампочки, не вкл/выкл.

Сообщение ххх186 »

Так и не получилось... Мост включается, лампа мигает, полуоси в зацеплении в раздатке на 2н
Pajero Sport 3.0 АККП 2007 год
Mazda-6 2.0 Active 2014
Аватара пользователя
ххх186
Сообщения: 53
Зарегистрирован: 05 апр 2010, 10:08
Откуда: Ханты-Мансийск
Благодарил (а): 12 раз
Контактная информация:

Re: Проблемы полного привода моргают лампочки, не вкл/выкл.

Сообщение ххх186 »

Сегодня поменял датчик включения ПП, проблема осталась. Также мигает лампа ПП, как подключаюсь на 4н горит, оба моста работают, отключаю рычагом, мигает лампа. Куда еще можно залезть.? Что посмотреть? Вроде уже все глянул.... Клапана под капотам поменял, шланги вакуумные продул.... :(

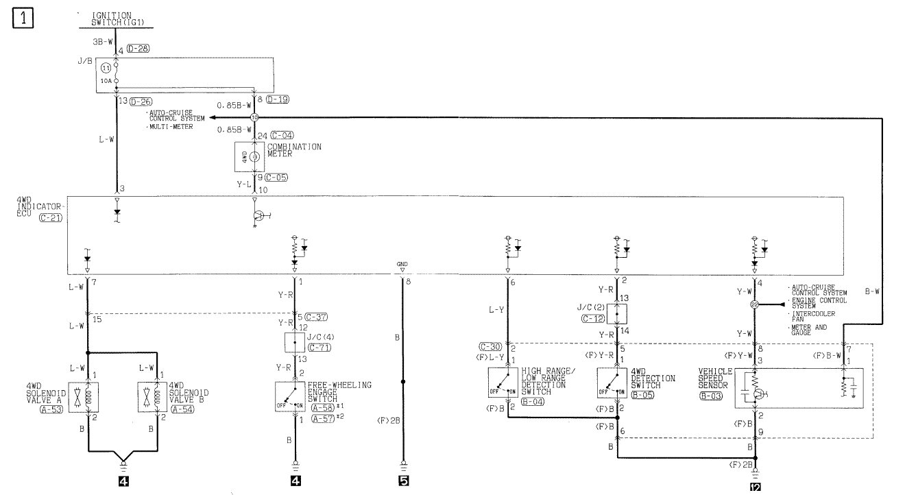
сегодня читаю тему сутра, есть подозрения, что не тот датчик поменял.... если как я понимаю все как на фото, то точно не тот. При отпускании раздатки, какой датчик ближе (ближе к кардану)? включения 4Н или 4Н/4L???
Вложения
ввв.png
Pajero Sport 3.0 АККП 2007 год
Mazda-6 2.0 Active 2014
Аватара пользователя
Podzemshik
Модератор
Сообщения: 7671
Зарегистрирован: 31 янв 2008, 15:38
Двигатель:: 4D56, 1KD
Мой автомобиль(и):: МПС, ТЛК 150
Откуда: Москва
Откуда: Permoníci
Благодарил (а): 126 раз
Поблагодарили: 417 раз

Re: Проблемы полного привода моргают лампочки, не вкл/выкл.

Сообщение Podzemshik »

Зря... Если лампа реагирует на положение рычага, то датчик на раздатке исправен...
Проверьте ход штока пневморазмыкателя и датчик на переднем мосту.
Toyota Corolla Cross Hybrid
Аватара пользователя
ххх186
Сообщения: 53
Зарегистрирован: 05 апр 2010, 10:08
Откуда: Ханты-Мансийск
Благодарил (а): 12 раз
Контактная информация:

Re: Проблемы полного привода моргают лампочки, не вкл/выкл.

Сообщение ххх186 »

Podzemshik писал(а):Зря... Если лампа реагирует на положение рычага, то датчик на раздатке исправен...
Проверьте ход штока пневморазмыкателя и датчик на переднем мосту.
Блин.... с переключателем мудрил, и проверял датчики, по распиновке что на рисунке 98 стр.... но только что понял что там все зеркально, если отключить штекер от ЭБУПП... придется все сначала проверять... датчик на раздатке поменял какой хотел, включения 4Н.. невнимательность :*WALL*: .
Pajero Sport 3.0 АККП 2007 год
Mazda-6 2.0 Active 2014
Аватара пользователя
ххх186
Сообщения: 53
Зарегистрирован: 05 апр 2010, 10:08
Откуда: Ханты-Мансийск
Благодарил (а): 12 раз
Контактная информация:

Re: Проблемы полного привода моргают лампочки, не вкл/выкл.

Сообщение ххх186 »

Короче, как оказалось клапан с желтой меткой.... Замена, все норма стало
Pajero Sport 3.0 АККП 2007 год
Mazda-6 2.0 Active 2014
Andreu
Сообщения: 56
Зарегистрирован: 21 окт 2013, 17:03
Двигатель:: 6G72 (был)
Мой автомобиль(и):: Mitsubishi Pajero Sport 2002 г.в. (был)
Откуда: Мос. обл.
Благодарил (а): 12 раз
Поблагодарили: 6 раз

Re: Проблемы полного привода моргают лампочки, не вкл/выкл.

Сообщение Andreu »

Мужики подскажите, как правильно подключить фишки к клапанам, в них разница есть? А то снял и не запомнил как стояли.
Аватара пользователя
Podzemshik
Модератор
Сообщения: 7671
Зарегистрирован: 31 янв 2008, 15:38
Двигатель:: 4D56, 1KD
Мой автомобиль(и):: МПС, ТЛК 150
Откуда: Москва
Откуда: Permoníci
Благодарил (а): 126 раз
Поблагодарили: 417 раз

Re: Проблемы полного привода моргают лампочки, не вкл/выкл.

Сообщение Podzemshik »

Разницы нет, они срабатывают одновременно.
Toyota Corolla Cross Hybrid
Аватара пользователя
GriFon
Сообщения: 1185
Зарегистрирован: 21 май 2010, 09:55
Двигатель:: 6G72 Газ Ri-500
Мой автомобиль(и):: Montero Sport 2000 XLimited Super Select A4WD
Откуда: Almaty
Откуда: Montero Sport Club Almaty
Благодарил (а): 2 раза
Поблагодарили: 19 раз

Re: Проблемы полного привода моргают лампочки, не вкл/выкл.

Сообщение GriFon »

Podzemshik писал(а):Разницы нет, они срабатывают одновременно.
Что-то у меня в памяти вертится что на 4H питание приходит только на один...
6G72, nonline body 3-0, радиатор от 4M40, термос TAMA88, электровеники от MPV, радиатор АКПП, ri-500, чип Е0 (удалены катализаторы, EGR, EVAP), Super Select, ГБО, калитка, пружины от патруля. в разработке задняя печка и 3.5DOHC.
Аватара пользователя
Podzemshik
Модератор
Сообщения: 7671
Зарегистрирован: 31 янв 2008, 15:38
Двигатель:: 4D56, 1KD
Мой автомобиль(и):: МПС, ТЛК 150
Откуда: Москва
Откуда: Permoníci
Благодарил (а): 126 раз
Поблагодарили: 417 раз

Re: Проблемы полного привода моргают лампочки, не вкл/выкл.

Сообщение Podzemshik »

GriFon писал(а):Что-то у меня в памяти вертится
А если ещё схему повертеть? :;-):
http://pajero4x4.ru/bbs/phpBB2/download ... &mode=view
Специально для надёжности и возможности выехать из леса в режиме 4WD всё работает без электроники и без питания клапанов, на 2Н питание приходит на оба, на 4Н питание НЕ приходит.
Toyota Corolla Cross Hybrid
Partner2000
Сообщения: 62
Зарегистрирован: 18 авг 2014, 10:58
Двигатель:: 6G72
Мой автомобиль(и):: Montero Sport
Откуда: Чита
Откуда: Забайкальский край, Чита
Поблагодарили: 1 раз

Re: Проблемы полного привода моргают лампочки, не вкл/выкл.

Сообщение Partner2000 »

Доброго времени суток форумчане. Примите новичка. Подскажите по моей проблеме. Купил Монтеро Спорт у него рычаг раздатки не переводится в положение 4Н ну и соответственно далее. Предыдущий хозяин сказал, что это из-за подушек двигателя. Ну типа они порвались и двиг просел, и в рычаге что-то выскочило. Какие есть мнения? Не кидайте тапками плиз... если чего не так.
В детстве я думал, что когда вырасту и буду зарабатывать 25 тысяч, то уже через четыре месяца накоплю СТО тысяч. Как же я ошибался.....
Аватара пользователя
Podzemshik
Модератор
Сообщения: 7671
Зарегистрирован: 31 янв 2008, 15:38
Двигатель:: 4D56, 1KD
Мой автомобиль(и):: МПС, ТЛК 150
Откуда: Москва
Откуда: Permoníci
Благодарил (а): 126 раз
Поблагодарили: 417 раз

Re: Проблемы полного привода моргают лампочки, не вкл/выкл.

Сообщение Podzemshik »

Toyota Corolla Cross Hybrid
Partner2000
Сообщения: 62
Зарегистрирован: 18 авг 2014, 10:58
Двигатель:: 6G72
Мой автомобиль(и):: Montero Sport
Откуда: Чита
Откуда: Забайкальский край, Чита
Поблагодарили: 1 раз

Re: Проблемы полного привода моргают лампочки, не вкл/выкл.

Сообщение Partner2000 »

Спасибо. Я читал эту тему. Тоже к этому склоняюсь! Но вот вопрос: могло ли это из-за подушек произойти?
В детстве я думал, что когда вырасту и буду зарабатывать 25 тысяч, то уже через четыре месяца накоплю СТО тысяч. Как же я ошибался.....
Ответить

Вернуться в «Паджеро/Монтеро Спорт 1996-2008»