TRT - Вдоль р.Киржач. Для стандартных 4х4 (08.11.25) Форум Обсуждение FAQ
Отвечу на вопросы по автоэлектрике
Модераторы: SNOOPER, Nbf, Romik, BAlex
-
silver98
- Сообщения: 20
- Зарегистрирован: 27 июл 2014, 22:27
- Двигатель:: 4D56
- Мой автомобиль(и):: паджеро спорт
- Откуда: с- пб
Re: Отвечу на вопросы по автоэлектрике
Добрый вечер.Подскажите где предохранитель на противотуманки на паджеро спорт 1 дизель 2002 года.? Всё облазил так и не нашёл.
-
AlexanderMPS2007
- Сообщения: 17
- Зарегистрирован: 27 июн 2016, 20:59
- Двигатель:: 4G72
- Мой автомобиль(и):: MPS 2007
- Откуда: СПб
Re: Отвечу на вопросы по автоэлектрике
Это такой сосочек внизу вентилятора кондея? Или это термометр?
-
Кузьмич 68
- Сообщения: 191
- Зарегистрирован: 18 май 2016, 11:23
- Двигатель:: 6g72
- Мой автомобиль(и):: Монтеро Спорт
- Откуда: Омская
- Благодарил (а): 6 раз
- Поблагодарили: 5 раз
-
S@n4e$
- Сообщения: 331
- Зарегистрирован: 17 ноя 2013, 23:16
- Двигатель:: 4D56 EFI 116л.с
- Мой автомобиль(и):: Mitsubishi Pajero Sport
- Откуда: Смоленская область Вязьма
- Благодарил (а): 3 раза
- Поблагодарили: 8 раз
Re: Отвечу на вопросы по автоэлектрике
Под торпедо, возле блока предохранителей 5 предохранителей, 2 с одной стороны и 3 с другой. Какой то из них.silver98 писал(а):Добрый вечер.Подскажите где предохранитель на противотуманки на паджеро спорт 1 дизель 2002 года.? Всё облазил так и не нашёл.
-
AlexanderMPS2007
- Сообщения: 17
- Зарегистрирован: 27 июн 2016, 20:59
- Двигатель:: 4G72
- Мой автомобиль(и):: MPS 2007
- Откуда: СПб
Re: Отвечу на вопросы по автоэлектрике
Понял. Покурил инет. Буду его искать или покупать а то климат дурной.Кузьмич 68 писал(а):Датчик температуры
- Sozzy
- Сообщения: 32
- Зарегистрирован: 10 сен 2013, 12:40
- Двигатель:: 4D56
- Мой автомобиль(и):: Pajero Sport 2.5 2010г.
- Откуда: Москва
- Благодарил (а): 9 раз
Re: Отвечу на вопросы по автоэлектрике
Мое почтение!
В движении пропадает на панели приборов индикация режима АКПП. Какой контакт (ы) на эбу отвечает за сие? (Неисправность проявляется и при шевелении блока ЭБУ справа бардачка)
MPS 2010 2.5d mmcgykh40afz01105
Спасибо!
В движении пропадает на панели приборов индикация режима АКПП. Какой контакт (ы) на эбу отвечает за сие? (Неисправность проявляется и при шевелении блока ЭБУ справа бардачка)
MPS 2010 2.5d mmcgykh40afz01105
Спасибо!
-
AlexMur
- Сообщения: 16
- Зарегистрирован: 02 апр 2014, 14:25
- Двигатель:: 4M41
- Мой автомобиль(и):: Pajero Sport New 2008
- Откуда: Москва
Re: Отвечу на вопросы по автоэлектрике
Добрый день. Подскажите, пожалуйста, ответы на 2 вопроса:
1. Пропал сигнал открытой двери водителя. Индикация на ПП отсутствует, салонное освещение не включается. При этом свет на двери работает и работает управление стеклоподъемниками, центральный замок. Проводку у левой ноги просмотрел всю, обрывов и гнилостей нет. Что можно ещё посмотреть?
2. Как правильно разобрать и достать пины разъёма C-219, который подключается к etacs?
Спасибо!
P/S. Вопросы решены.
1. Пропал сигнал открытой двери водителя. Индикация на ПП отсутствует, салонное освещение не включается. При этом свет на двери работает и работает управление стеклоподъемниками, центральный замок. Проводку у левой ноги просмотрел всю, обрывов и гнилостей нет. Что можно ещё посмотреть?
2. Как правильно разобрать и достать пины разъёма C-219, который подключается к etacs?
Спасибо!
P/S. Вопросы решены.
Последний раз редактировалось AlexMur 14 июл 2017, 09:55, всего редактировалось 1 раз.
-
steals2k
- Сообщения: 360
- Зарегистрирован: 29 авг 2016, 06:56
- Двигатель:: 4M41
- Мой автомобиль(и):: Mitsubishi Pajero3 Suzuki SX4
- Откуда: Ярославль
- Благодарил (а): 389 раз
- Поблагодарили: 8 раз
Re: Отвечу на вопросы по автоэлектрике
помогите пожалуйста
внезапно перестали работать-привод пассажирского сиденья и задняя печка. вероятно, одновременно.
предохранители под приборкой все целые.
где искать возможную проблему?
внезапно перестали работать-привод пассажирского сиденья и задняя печка. вероятно, одновременно.
предохранители под приборкой все целые.
где искать возможную проблему?
- Хасан
- Сообщения: 89
- Зарегистрирован: 04 авг 2013, 18:05
- Двигатель:: 4M41
- Мой автомобиль(и):: Митсубиси Паджеро 4
- Откуда: Казахстан, Актау
Re: Отвечу на вопросы по автоэлектрике
Всем Д.д. Помогите пожалуйста, горела, то иногда мигала лампочка АКБ, поменял щетки и электрик генератор проверил все работает, ставлю на место теперь постоянна горит лампа АКБ. Электрик проверил говорит что с датчика пропал один "+" который идет с авто. Куда копать? Авто Паджеро 3,2 дизель, 2007 г.в. араб, 190 000 км, генератор 120 А.
- drcham
- Модератор
- Сообщения: 14443
- Зарегистрирован: 08 апр 2006, 13:42
- Двигатель:: Бензин
- Мой автомобиль(и):: Wrangler JLU Rubicon
- Откуда: Москва
- Откуда: Москва ЮЗАО
- Благодарил (а): 62 раза
- Поблагодарили: 229 раз
- Контактная информация:
Re: Отвечу на вопросы по автоэлектрике
Скорее всего надо проверить жгут под днищем. На трешках это частая проблема. Поищите на форуме...
4LO&GO! Wrangler JLU Rubicon
-
ruby_adam
- Сообщения: 30
- Зарегистрирован: 12 сен 2011, 08:49
- Двигатель:: 4d56
- Мой автомобиль(и):: MMC Pajero II 1992
- Благодарил (а): 2 раза
- Поблагодарили: 1 раз
Re: Отвечу на вопросы по автоэлектрике
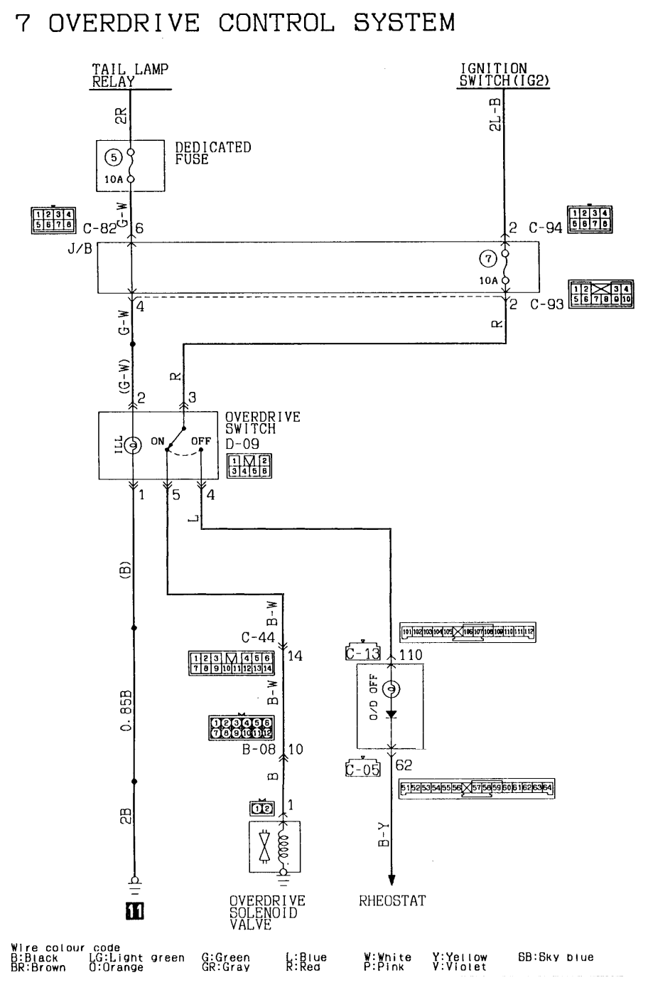
можно я, 4d56 1992 года, долго и безуспешно искал овердрайв реле, я так по цветам и прозвонке понял что его просто нет а схема выглядит так:
-
Валюта
- Сообщения: 20
- Зарегистрирован: 20 авг 2012, 16:32
- Двигатель:: 4m40
- Мой автомобиль(и):: Pajero
- Откуда: Братск
- Поблагодарили: 2 раза
Re: Отвечу на вопросы по автоэлектрике
Здравствуйте. Не работает моторчик отопителя. Паджеро правый руль. Управление с ж/к дисплеем. На первом положении крутится вяло. На добавление оборотов не реагирует с 1 по 7 положении. А при включении 8 положения начинает крутиться быстрее. Но все равно не в полную силу.
- eddik
- Сообщения: 1442
- Зарегистрирован: 05 янв 2013, 07:23
- Двигатель:: 6G72
- Мой автомобиль(и):: МПС1 3.0 AT 2006 г
- Откуда: Москва
- Откуда: Москва
- Благодарил (а): 325 раз
- Поблагодарили: 51 раз
Re: Отвечу на вопросы по автоэлектрике
Добрый день.
Может кто сталкивался с проблемой.
Изредка без всяких на то причин с зимы начала пропадать индикация на приборке. Соответственно стартер крутит и авто не заводится. Начал решать проблему. Сначала проверили сигналку, затем рекомендовали поменять контактную группу замка зажигания. Проблема всё присутствует. Электрики не знают, что делать. Советуют менять узлами и так диагностировать проблему. Авто постоит немного, появляется индикация и поехали.
Кто откликнется буду очень признателен.
Может кто сталкивался с проблемой.
Изредка без всяких на то причин с зимы начала пропадать индикация на приборке. Соответственно стартер крутит и авто не заводится. Начал решать проблему. Сначала проверили сигналку, затем рекомендовали поменять контактную группу замка зажигания. Проблема всё присутствует. Электрики не знают, что делать. Советуют менять узлами и так диагностировать проблему. Авто постоит немного, появляется индикация и поехали.
Кто откликнется буду очень признателен.
восемь903пять611812.
Серебристый МПС 1 2006 г., Шины 305*70*16, шноркель, бодик 6 см. Передний и задний бампер от МШУ.
Серебристый МПС 1 2006 г., Шины 305*70*16, шноркель, бодик 6 см. Передний и задний бампер от МШУ.
-
ruby_adam
- Сообщения: 30
- Зарегистрирован: 12 сен 2011, 08:49
- Двигатель:: 4d56
- Мой автомобиль(и):: MMC Pajero II 1992
- Благодарил (а): 2 раза
- Поблагодарили: 1 раз
Re: Отвечу на вопросы по автоэлектрике
индикация чего? вся приборка молчит? предохранитель типа gauge или сам блок предохранителей внутри поплавился и по температуре двигает плюс туда-сюда, имхоeddik писал(а):Добрый день.
Может кто сталкивался с проблемой.
Изредка без всяких на то причин с зимы начала пропадать индикация на приборке. Соответственно стартер крутит и авто не заводится. Начал решать проблему. Сначала проверили сигналку, затем рекомендовали поменять контактную группу замка зажигания. Проблема всё присутствует. Электрики не знают, что делать. Советуют менять узлами и так диагностировать проблему. Авто постоит немного, появляется индикация и поехали.
Кто откликнется буду очень признателен.
- eddik
- Сообщения: 1442
- Зарегистрирован: 05 янв 2013, 07:23
- Двигатель:: 6G72
- Мой автомобиль(и):: МПС1 3.0 AT 2006 г
- Откуда: Москва
- Откуда: Москва
- Благодарил (а): 325 раз
- Поблагодарили: 51 раз
Re: Отвечу на вопросы по автоэлектрике
Вся индикация на приборке не загорается после поворота ключа. Стартер крутит. Свет, кондёй, приёмник работают. Это происходит спонтанно и нет ни какой последовательности. Грешили на блокировку сигналки, поменяли контактную группу. Всё так же.
восемь903пять611812.
Серебристый МПС 1 2006 г., Шины 305*70*16, шноркель, бодик 6 см. Передний и задний бампер от МШУ.
Серебристый МПС 1 2006 г., Шины 305*70*16, шноркель, бодик 6 см. Передний и задний бампер от МШУ.
- .kkursor
- Сообщения: 1508
- Зарегистрирован: 21 авг 2014, 10:37
- Двигатель:: 4M41 VRZ
- Мой автомобиль(и):: тыр-тыр 16 дыр
- Откуда: Москвачкала
- Благодарил (а): 154 раза
- Поблагодарили: 113 раз
Re: Отвечу на вопросы по автоэлектрике
Привет! Вопрос есть.
От прошлого хозяина стояли обломки когда-то стоявшего ксенона в туманках, а сами туманки работали, но стояли поганые китайские с расплавленными рефлекторами. Потом я разбил бампер, туманками не пользовался. Вчера вырвал остатки ксенона.
С самого начала не горел индикатор в приборке. Вчера поставил новый бампер, новые оригинальные туманки и жгут - индикатора по-прежнему нет. Туманки работают.
Может ли что-то быть, кроме самой лампочки? Можно ли где-то накосячить было?
Там к лампам шли какие-то непонятные полуотрезанные провода, я их оторвал и выкинул. Куда шли - хз, со стороны машины они никуда не подключены.
По схемам смотрел, но не могу найти индикатор в приборке.
От прошлого хозяина стояли обломки когда-то стоявшего ксенона в туманках, а сами туманки работали, но стояли поганые китайские с расплавленными рефлекторами. Потом я разбил бампер, туманками не пользовался. Вчера вырвал остатки ксенона.
С самого начала не горел индикатор в приборке. Вчера поставил новый бампер, новые оригинальные туманки и жгут - индикатора по-прежнему нет. Туманки работают.
Может ли что-то быть, кроме самой лампочки? Можно ли где-то накосячить было?
Там к лампам шли какие-то непонятные полуотрезанные провода, я их оторвал и выкинул. Куда шли - хз, со стороны машины они никуда не подключены.
По схемам смотрел, но не могу найти индикатор в приборке.
А давайте на *ты*, а? А то все серьёзные такие, я не могу. Фу такими быть!
-
Simply Man
- Сообщения: 291
- Зарегистрирован: 07 апр 2016, 08:04
- Двигатель:: 6G74
- Мой автомобиль(и):: Montero 3 Limited 2000
- Откуда: Пермь
- Благодарил (а): 12 раз
- Поблагодарили: 34 раза
- .kkursor
- Сообщения: 1508
- Зарегистрирован: 21 авг 2014, 10:37
- Двигатель:: 4M41 VRZ
- Мой автомобиль(и):: тыр-тыр 16 дыр
- Откуда: Москвачкала
- Благодарил (а): 154 раза
- Поблагодарили: 113 раз
Re: Отвечу на вопросы по автоэлектрике
Получается дело только в лампе может быть, так?
А давайте на *ты*, а? А то все серьёзные такие, я не могу. Фу такими быть!
- drcham
- Модератор
- Сообщения: 14443
- Зарегистрирован: 08 апр 2006, 13:42
- Двигатель:: Бензин
- Мой автомобиль(и):: Wrangler JLU Rubicon
- Откуда: Москва
- Откуда: Москва ЮЗАО
- Благодарил (а): 62 раза
- Поблагодарили: 229 раз
- Контактная информация:
Re: Отвечу на вопросы по автоэлектрике
Проверить лампу в любом случае хорошая идея.
4LO&GO! Wrangler JLU Rubicon
- .kkursor
- Сообщения: 1508
- Зарегистрирован: 21 авг 2014, 10:37
- Двигатель:: 4M41 VRZ
- Мой автомобиль(и):: тыр-тыр 16 дыр
- Откуда: Москвачкала
- Благодарил (а): 154 раза
- Поблагодарили: 113 раз
Re: Отвечу на вопросы по автоэлектрике
Да, лампа дохлая была. Перепаял, завтра посмотрим.
Спасибо!
Спасибо!
А давайте на *ты*, а? А то все серьёзные такие, я не могу. Фу такими быть!
