к сожалению нет красивой схемы на спорта, но имеем вот чтоeddik писал(а):Вся индикация на приборке не загорается после поворота ключа. Стартер крутит. Свет, кондёй, приёмник работают. Это происходит спонтанно и нет ни какой последовательности. Грешили на блокировку сигналки, поменяли контактную группу. Всё так же.
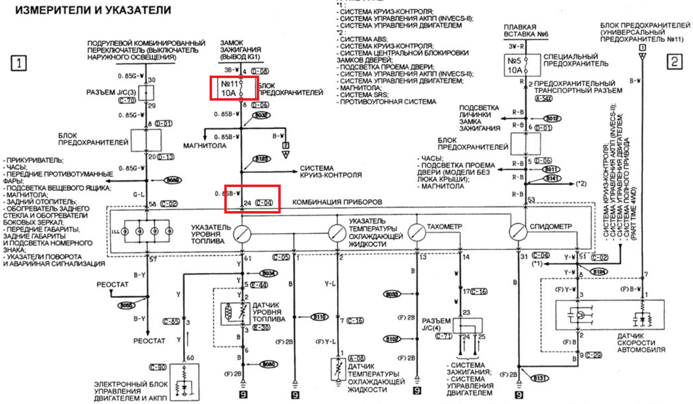
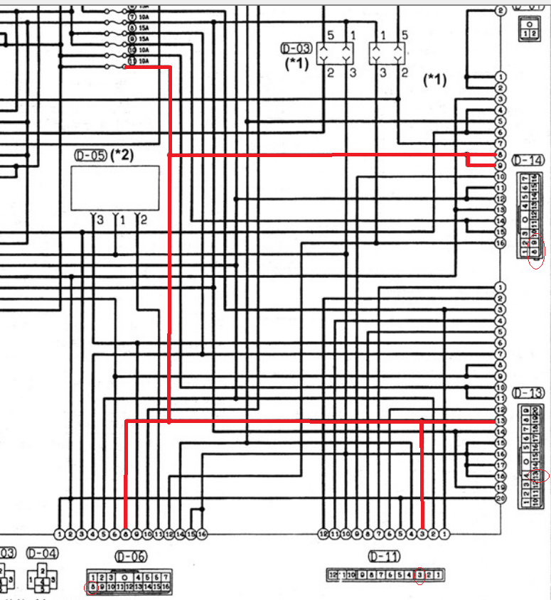
имхо, 11 пред сдох, выгорел один из его контактов, выгорел один из контактов в фишках которые я обвел.
я бы взял цешку ну или контрольку простую, и ткнул в обведенное на рисунках, при включенном зажигании, напруга должна быть
