Да...в багажнике тоже нет..saper31 писал(а):А, ты в розетку вставлял! Да вставь ты этот предохранитель, наверняка и в багажнике напруги нет!
Смотри блок предохранителей в салоне, реле, №10 (обогрев сидений), там же где и твой 15-ый
Домино Трофи 2026 - 25 Апреля - Обсудить и спросить тут.
Помогите начинающему Монтероводу!
Модераторы: SNOOPER, Nbf, Romik, BAlex
-
sergeiagon
- Сообщения: 38
- Зарегистрирован: 30 окт 2012, 19:03
- Двигатель:: 6G72
- Мой автомобиль(и):: Монтеро Спорт 2001, АКПП, 3л,XLS
- Откуда: Карагандинская
Re: Помогите начинающему Монтероводу!
ММС, 2001 год, 3.0 л, XLS
- saper31
- Сообщения: 2403
- Зарегистрирован: 13 сен 2009, 19:17
- Двигатель:: 6G72
- Мой автомобиль(и):: MPSport
- Откуда: БЕЛГОРОД 31
- Благодарил (а): 3 раза
- Поблагодарили: 106 раз
Re: Помогите начинающему Монтероводу!
В профиле обоэначь свой авто, хотя бы год выпуска, комплектацию... Вставь предохранитель (писал выше), беды не будет!
-
sergeiagon
- Сообщения: 38
- Зарегистрирован: 30 окт 2012, 19:03
- Двигатель:: 6G72
- Мой автомобиль(и):: Монтеро Спорт 2001, АКПП, 3л,XLS
- Откуда: Карагандинская
Re: Помогите начинающему Монтероводу!
Пока не получилось добраться до предохранителя...но доберусь обязательно...Вот только сегодня убирался в салоне и под водительским креслом увидел провод, который идет из пола прям во внутрь кресла..у меня смутные подозрения - не обогрев ли сиденья это,,,,???? Попробую разобраться..saper31 писал(а):В профиле обоэначь свой авто, хотя бы год выпуска, комплектацию... Вставь предохранитель (писал выше), беды не будет!
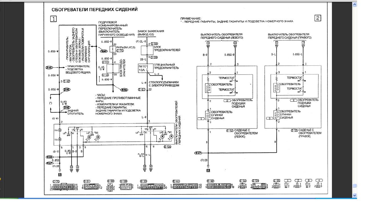
А что скажете по поводу схемки??? Получается что не надо реле?? Это что, такие мощные переключатели должны быть??
Но по этой схемке все равно ничего не бьется...разъем под сиденьем всего на 2 контакта..по схеме должно быть вообще 2 разъема...не понятно..Но я думаю, что это все таки обогрев...а то какой еще провод может идти к сиденью???
ММС, 2001 год, 3.0 л, XLS
- saper31
- Сообщения: 2403
- Зарегистрирован: 13 сен 2009, 19:17
- Двигатель:: 6G72
- Мой автомобиль(и):: MPSport
- Откуда: БЕЛГОРОД 31
- Благодарил (а): 3 раза
- Поблагодарили: 106 раз
Re: Помогите начинающему Монтероводу!
Был такой доп на монтериках для водителей-женщин, вибратор подключался. В заводской комлектации не шел.sergeiagon писал(а):Пока не получилось добраться до предохранителя...но доберусь обязательно...Вот только сегодня убирался в салоне и под водительским креслом увидел провод, который идет из пола прям во внутрь кресла..у меня смутные подозрения - не обогрев ли сиденья это,,,,???? Попробую разобраться..saper31 писал(а):В профиле обоэначь свой авто, хотя бы год выпуска, комплектацию... Вставь предохранитель (писал выше), беды не будет!
А что скажете по поводу схемки??? Получается что не надо реле?? Это что, такие мощные переключатели должны быть??
Но по этой схемке все равно ничего не бьется...разъем под сиденьем всего на 2 контакта..по схеме должно быть вообще 2 разъема...не понятно..Но я думаю, что это все таки обогрев...а то какой еще провод может идти к сиденью???
-
sergeiagon
- Сообщения: 38
- Зарегистрирован: 30 окт 2012, 19:03
- Двигатель:: 6G72
- Мой автомобиль(и):: Монтеро Спорт 2001, АКПП, 3л,XLS
- Откуда: Карагандинская
Re: Помогите начинающему Монтероводу!
Ты щас пошутил или как??? На х.... там вибратор??....saper31 писал(а):Был такой доп на монтериках для водителей-женщин, вибратор подключался. В заводской комлектации не шел.sergeiagon писал(а):Пока не получилось добраться до предохранителя...но доберусь обязательно...Вот только сегодня убирался в салоне и под водительским креслом увидел провод, который идет из пола прям во внутрь кресла..у меня смутные подозрения - не обогрев ли сиденья это,,,,???? Попробую разобраться..saper31 писал(а):В профиле обоэначь свой авто, хотя бы год выпуска, комплектацию... Вставь предохранитель (писал выше), беды не будет!
А что скажете по поводу схемки??? Получается что не надо реле?? Это что, такие мощные переключатели должны быть??
Но по этой схемке все равно ничего не бьется...разъем под сиденьем всего на 2 контакта..по схеме должно быть вообще 2 разъема...не понятно..Но я думаю, что это все таки обогрев...а то какой еще провод может идти к сиденью???
ММС, 2001 год, 3.0 л, XLS
- SNOOPER
- Модератор
- Сообщения: 57351
- Зарегистрирован: 11 дек 2004, 19:49
- Двигатель:: 4D56
- Мой автомобиль(и):: NewMPS
- Откуда: 78
- Откуда: Spb
- Благодарил (а): 1023 раза
- Поблагодарили: 4772 раза
Re: Помогите начинающему Монтероводу!
Почему не поверишь?sergeiagon писал(а): Не поверишь - сделал на базаре болванку и завожу без проблем..))
Легко, чип приклеен к замку, так часто горе-установщики сигналок делают.
Разъём под сиденьем, что Вы нашли, на концевик ремня безопасности.sergeiagon писал(а): Пока не получилось добраться до предохранителя...но доберусь обязательно...Вот только сегодня убирался в салоне и под водительским креслом увидел провод, который идет из пола прям во внутрь кресла..у меня смутные подозрения - не обогрев ли сиденья это,,,,???? Попробую разобраться..
А что скажете по поводу схемки??? Получается что не надо реле?? Это что, такие мощные переключатели должны быть??
Но по этой схемке все равно ничего не бьется...разъем под сиденьем всего на 2 контакта..по схеме должно быть вообще 2 разъема...не понятно..Но я думаю, что это все таки обогрев...а то какой еще провод может идти к сиденью???
Разъём для подогрева под ковром, вытаскивается в тоже отверстие что и для ремня.
Никаких реле для подогрева нет. На схеме всё правильно.
-
sergeiagon
- Сообщения: 38
- Зарегистрирован: 30 окт 2012, 19:03
- Двигатель:: 6G72
- Мой автомобиль(и):: Монтеро Спорт 2001, АКПП, 3л,XLS
- Откуда: Карагандинская
Re: Помогите начинающему Монтероводу!
Спасибо ,Вам, большое за консультацию..!! А этот разъем может там находиться физически?? Просто разъем под подлокотником то есть ,значит ли это, что есть и разъем длдя обогрева, просто лежит под полом?? Или это еще ничего не значит, придется выводить провода отдельно? Просто зря не хочется пол вскрывать..А получается что есть концевик для ремня только на водительском сиденье??SNOOPER писал(а):Почему не поверишь?sergeiagon писал(а): Не поверишь - сделал на базаре болванку и завожу без проблем..))
Легко, чип приклеен к замку, так часто горе-установщики сигналок делают.Разъём под сиденьем, что Вы нашли, на концевик ремня безопасности.sergeiagon писал(а): Пока не получилось добраться до предохранителя...но доберусь обязательно...Вот только сегодня убирался в салоне и под водительским креслом увидел провод, который идет из пола прям во внутрь кресла..у меня смутные подозрения - не обогрев ли сиденья это,,,,???? Попробую разобраться..
А что скажете по поводу схемки??? Получается что не надо реле?? Это что, такие мощные переключатели должны быть??
Но по этой схемке все равно ничего не бьется...разъем под сиденьем всего на 2 контакта..по схеме должно быть вообще 2 разъема...не понятно..Но я думаю, что это все таки обогрев...а то какой еще провод может идти к сиденью???
Разъём для подогрева под ковром, вытаскивается в тоже отверстие что и для ремня.
Никаких реле для подогрева нет. На схеме всё правильно.
А гнездо для подключения дополнительного оборудования можно использовать для подключения ковриков для обогрева ,которые втыкаются в прикуриватель?
ММС, 2001 год, 3.0 л, XLS
- SNOOPER
- Модератор
- Сообщения: 57351
- Зарегистрирован: 11 дек 2004, 19:49
- Двигатель:: 4D56
- Мой автомобиль(и):: NewMPS
- Откуда: 78
- Откуда: Spb
- Благодарил (а): 1023 раза
- Поблагодарили: 4772 раза
Re: Помогите начинающему Монтероводу!
Подготовка под оборгев присутствует физически. Достаточно воткнуть кнопку и собственно сами элименты подогрева. Да и не надо шибко полы снимать. Отверните седения, и рукой пошарте.
В розетку асессорис конечно можно. Но как правило эти обогревы или потребляют безумно много и при плохих контактах греются и разваливаются соеденения, или работают только от силы один сезон.
В розетку асессорис конечно можно. Но как правило эти обогревы или потребляют безумно много и при плохих контактах греются и разваливаются соеденения, или работают только от силы один сезон.
-
sergeiagon
- Сообщения: 38
- Зарегистрирован: 30 окт 2012, 19:03
- Двигатель:: 6G72
- Мой автомобиль(и):: Монтеро Спорт 2001, АКПП, 3л,XLS
- Откуда: Карагандинская
Re: Помогите начинающему Монтероводу!
Все понял, спасибо!! Ну все эти обогревы включаются в прикуриватель...А там розетка разве сильно отличается от розетки дополнительного оборудования?? Вроде толщина подводящего провода такая же точно как и на прикуривателе??SNOOPER писал(а):Подготовка под оборгев присутствует физически. Достаточно воткнуть кнопку и собственно сами элименты подогрева. Да и не надо шибко полы снимать. Отверните седения, и рукой пошарте.
В розетку асессорис конечно можно. Но как правило эти обогревы или потребляют безумно много и при плохих контактах греются и разваливаются соеденения, или работают только от силы один сезон.
Да, еще вопрос можно?
В инструкции написано ,что у меня бак на 74 литра....В сервисе сказали, что не больше 69???? не знаю кому верить...Просто у мення стоит бортовой компьютер - Мультитроникс, и ему надо запрограммировать объем полного бака..вот и не знаю, что записать..
ММС, 2001 год, 3.0 л, XLS
-
sergeiagon
- Сообщения: 38
- Зарегистрирован: 30 окт 2012, 19:03
- Двигатель:: 6G72
- Мой автомобиль(и):: Монтеро Спорт 2001, АКПП, 3л,XLS
- Откуда: Карагандинская
Re: Помогите начинающему Монтероводу!
Большое спасибо, все понял!!SNOOPER писал(а):Читайте инструкцию
ММС, 2001 год, 3.0 л, XLS
-
sergeiagon
- Сообщения: 38
- Зарегистрирован: 30 окт 2012, 19:03
- Двигатель:: 6G72
- Мой автомобиль(и):: Монтеро Спорт 2001, АКПП, 3л,XLS
- Откуда: Карагандинская
Re: Помогите начинающему Монтероводу!
Доброе утро всем! Вчера ездил в сервис, посмотреть, можно ли зиму ездтьб или что то надо поменять..Успокоили, сказали все нормально..
Но у меня есть вопрос..Сказали, что в машине стоят какие то стабилизаторы(спереди), что их хоть дорогих хоть дешевых хватает максимум на пару недель езды..что раньше , в старых моделях, стояли каие-то яйца ,сейчас их упростили но стало хуже...Но в сервисе сказали не заморачиваться и спокойно ездить..
( Не расскажите, в кратце, что это за стабилизаторы и действительно можно ли на них ездить или нет..Заранее спасибо!! 
Но у меня есть вопрос..Сказали, что в машине стоят какие то стабилизаторы(спереди), что их хоть дорогих хоть дешевых хватает максимум на пару недель езды..что раньше , в старых моделях, стояли каие-то яйца ,сейчас их упростили но стало хуже...Но в сервисе сказали не заморачиваться и спокойно ездить..
ММС, 2001 год, 3.0 л, XLS
-
vadym
- Сообщения: 1457
- Зарегистрирован: 12 сен 2007, 00:50
- Откуда: Черновцы
- Благодарил (а): 12 раз
- Поблагодарили: 120 раз
Re: Помогите начинающему Монтероводу!
Вкратце не получится.sergeiagon писал(а):Доброе утро всем! Вчера ездил в сервис, посмотреть, можно ли зиму ездтьб или что то надо поменять..Успокоили, сказали все нормально..![]()
Но у меня есть вопрос..Сказали, что в машине стоят какие то стабилизаторы(спереди), что их хоть дорогих хоть дешевых хватает максимум на пару недель езды..что раньше , в старых моделях, стояли каие-то яйца ,сейчас их упростили но стало хуже...Но в сервисе сказали не заморачиваться и спокойно ездить..( Не расскажите, в кратце, что это за стабилизаторы и действительно можно ли на них ездить или нет..Заранее спасибо!!
http://www.pajero4x4.ru/bbs/phpBB2/view ... 31&t=39528
Надо научится пользоваться поиском
PAJERO SPORT 2003 2,5 TD
-
sergeiagon
- Сообщения: 38
- Зарегистрирован: 30 окт 2012, 19:03
- Двигатель:: 6G72
- Мой автомобиль(и):: Монтеро Спорт 2001, АКПП, 3л,XLS
- Откуда: Карагандинская
Re: Помогите начинающему Монтероводу!
Добрый день всем! У меня еще один вопрос..У меря над головой находятся 3 отсека..Один для очеов, другой для всяких бумажек, а первый, не знаю для чего ,но он не закрывается..Похоже на то, что сломано крепление..не там должно быть что то типа замочка, но там пустое место и он постоянно выпадывает..Не подскажете, что там стоит за защелка?? Если можно фото ее и по возможности ,можно ли ее где то купить или надо покупать весь блок полностью?? Очень дорогой он..Спасибо!
ММС, 2001 год, 3.0 л, XLS
- saper31
- Сообщения: 2403
- Зарегистрирован: 13 сен 2009, 19:17
- Двигатель:: 6G72
- Мой автомобиль(и):: MPSport
- Откуда: БЕЛГОРОД 31
- Благодарил (а): 3 раза
- Поблагодарили: 106 раз
Re: Помогите начинающему Монтероводу!
Третье отделение (ну или первое, смотря откуда) для прибора управления автоматическими воротами. Если он тебе не нужен, этот отсек, присобач его на скотч или супер-клей и не парься. Когда придумаешь как его использовать - в разборки, там найдешь. Кстати, научись пользоваться поиском, на форуме все есть.sergeiagon писал(а):Добрый день всем! У меня еще один вопрос..У меря над головой находятся 3 отсека..Один для очеов, другой для всяких бумажек, а первый, не знаю для чего ,но он не закрывается..Похоже на то, что сломано крепление..не там должно быть что то типа замочка, но там пустое место и он постоянно выпадывает..Не подскажете, что там стоит за защелка?? Если можно фото ее и по возможности ,можно ли ее где то купить или надо покупать весь блок полностью?? Очень дорогой он..Спасибо!
-
sergeiagon
- Сообщения: 38
- Зарегистрирован: 30 окт 2012, 19:03
- Двигатель:: 6G72
- Мой автомобиль(и):: Монтеро Спорт 2001, АКПП, 3л,XLS
- Откуда: Карагандинская
Re: Помогите начинающему Монтероводу!
Понятно...спасибо!!saper31 писал(а):Третье отделение (ну или первое, смотря откуда) для прибора управления автоматическими воротами. Если он тебе не нужен, этот отсек, присобач его на скотч или супер-клей и не парься. Когда придумаешь как его использовать - в разборки, там найдешь. Кстати, научись пользоваться поиском, на форуме все есть.sergeiagon писал(а):Добрый день всем! У меня еще один вопрос..У меря над головой находятся 3 отсека..Один для очеов, другой для всяких бумажек, а первый, не знаю для чего ,но он не закрывается..Похоже на то, что сломано крепление..не там должно быть что то типа замочка, но там пустое место и он постоянно выпадывает..Не подскажете, что там стоит за защелка?? Если можно фото ее и по возможности ,можно ли ее где то купить или надо покупать весь блок полностью?? Очень дорогой он..Спасибо!
ММС, 2001 год, 3.0 л, XLS
-
vadym
- Сообщения: 1457
- Зарегистрирован: 12 сен 2007, 00:50
- Откуда: Черновцы
- Благодарил (а): 12 раз
- Поблагодарили: 120 раз
Re: Помогите начинающему Монтероводу!
sergeiagon, 100%, практически все есть.saper31 писал(а): .....Кстати, научись пользоваться поиском, на форуме все есть.
Например вот конкретная тема по решению твоего вопроса -
Фотоотчет. Ремонт защелки переднего очешника Паджеро Спорт
http://www.pajero4x4.ru/bbs/phpBB2/view ... &p=1338780
Главное не лениться и в итоге время будет сэкономлено
Кстати на паджерах спортах там штатно оборудовано под вторые очки.
Например с желтыми стеклами для тумана.
Я держу там пульт контроля давления в шинах и температуры дисков. Очень удобно.
PAJERO SPORT 2003 2,5 TD
-
sergeiagon
- Сообщения: 38
- Зарегистрирован: 30 окт 2012, 19:03
- Двигатель:: 6G72
- Мой автомобиль(и):: Монтеро Спорт 2001, АКПП, 3л,XLS
- Откуда: Карагандинская
Re: Помогите начинающему Монтероводу!
Огромное Вам спасибо!!! А то я никак не мог понять конструкцию этой защелки..vadym писал(а):sergeiagon, 100%, практически все есть.saper31 писал(а): .....Кстати, научись пользоваться поиском, на форуме все есть.
Например вот конкретная тема по решению твоего вопроса -
Фотоотчет. Ремонт защелки переднего очешника Паджеро Спорт
http://www.pajero4x4.ru/bbs/phpBB2/view ... &p=1338780
Главное не лениться и в итоге время будет сэкономлено.
Кстати на паджерах спортах там штатно оборудовано под вторые очки.
Например с желтыми стеклами для тумана.
Я держу там пульт контроля давления в шинах и температуры дисков. Очень удобно.
ММС, 2001 год, 3.0 л, XLS
-
sergeiagon
- Сообщения: 38
- Зарегистрирован: 30 окт 2012, 19:03
- Двигатель:: 6G72
- Мой автомобиль(и):: Монтеро Спорт 2001, АКПП, 3л,XLS
- Откуда: Карагандинская
Re: Помогите начинающему Монтероводу!
Здравствуйте! У меня снова несколько вопросов..
)
1. Сколько катализаторов на моем автомобиле?
2. Лямбда зонды все одинаковые или на входе катализатора одни, а на выходе другие? А мрожно ли их все заменить на одинаковые - универсальные? У меня все время компьютер выдает ошибку 0154 - левый лямбда зонд..
Спасибо!
1. Сколько катализаторов на моем автомобиле?
2. Лямбда зонды все одинаковые или на входе катализатора одни, а на выходе другие? А мрожно ли их все заменить на одинаковые - универсальные? У меня все время компьютер выдает ошибку 0154 - левый лямбда зонд..
Спасибо!
ММС, 2001 год, 3.0 л, XLS
- SNOOPER
- Модератор
- Сообщения: 57351
- Зарегистрирован: 11 дек 2004, 19:49
- Двигатель:: 4D56
- Мой автомобиль(и):: NewMPS
- Откуда: 78
- Откуда: Spb
- Благодарил (а): 1023 раза
- Поблагодарили: 4772 раза
Re: Помогите начинающему Монтероводу!
Достали, честное слово.
Тема ушла далеко от содержания раздела.
Тема ушла далеко от содержания раздела.

