У меня руки под х бодик заточены..витал71 писал(а):Daddyа самому слабо чтоль?
TRT - Вдоль р.Киржач. Для стандартных 4х4 (08.11.25) Форум Обсуждение FAQ
Перетяжка руля с установкой подогрева Фотоотчет.
Модераторы: SNOOPER, Nbf, Romik, BAlex, drcham, алексей - Маленький Мук
- Daddy
- Сообщения: 8412
- Зарегистрирован: 05 окт 2011, 08:51
- Двигатель:: 4G64
- Мой автомобиль(и):: Pajero II ака [Hulk]
- Откуда: Челябинская область
- Откуда: Форштадт-Верхнеуральск-Магнитогорск
- Благодарил (а): 46 раз
- Поблагодарили: 64 раза
- Контактная информация:
Re: Перетяжка руля с установкой подогрева Фотоотчет.
- Альберт75
- Сообщения: 1201
- Зарегистрирован: 06 фев 2013, 21:57
- Двигатель:: 4D56. 93год. Длинный. Левый руль.
- Мой автомобиль(и):: Митсубиси паджеро 2
- Откуда: Екатеринбург
- Благодарил (а): 3 раза
- Поблагодарили: 42 раза
- Контактная информация:
Re: Перетяжка руля с установкой подогрева Фотоотчет.
Наконец дошли руки до подклю4ения подогрева руля. А то 4ет надоело каждый раз провод накидывать. Как обещал делаю фотоот4ет. 
- Вложения
Моя машина: https://www.drive2.ru/r/mitsubishi/1349872/
тел 7-900-198-47-03
тел 7-900-198-47-03
- dvm99
- Сообщения: 21736
- Зарегистрирован: 21 май 2012, 20:59
- Двигатель:: 6G72, 12клап.,
- Мой автомобиль(и):: Pajero2, Запорожец- Ланос
- Откуда: Свердловская обл.
- Благодарил (а): 706 раз
- Поблагодарили: 1027 раз
Re: Перетяжка руля с установкой подогрева Фотоотчет.
Ну греет хоть? так-то вцелом неплохо! Предохранитель не забыл поставить?
Представляю, что за коса под панелью получится, если все тумлеры задействовать
А где светодиодики для индикации?
Действительно шютТак на всякий слу4ай. (подкрылки, шасси, папашют.)
Дмитрий
Боливар2 - П2, 92г., V43, 6G72(12V), V4AW2, RD/L, пруль (чистокровный японский рысак)
Боливар1 - П2, 93г., 6G72(12V), МКПП, V43, RD/L, Европа (славный был конь, но уже донор)
Боливар2 - П2, 92г., V43, 6G72(12V), V4AW2, RD/L, пруль (чистокровный японский рысак)
Боливар1 - П2, 93г., 6G72(12V), МКПП, V43, RD/L, Европа (славный был конь, но уже донор)
- Альберт75
- Сообщения: 1201
- Зарегистрирован: 06 фев 2013, 21:57
- Двигатель:: 4D56. 93год. Длинный. Левый руль.
- Мой автомобиль(и):: Митсубиси паджеро 2
- Откуда: Екатеринбург
- Благодарил (а): 3 раза
- Поблагодарили: 42 раза
- Контактная информация:
Re: Перетяжка руля с установкой подогрева Фотоотчет.
Коса небольшая полу4ится, тумблера подают минусовой сигнал. Подводка к тумблерам запараллелена а коса состоит из 10 сигнальных проводо4ков на релюшки. Но это другая тема и еще не доделано. Как сделаю так от4итаюсь. в общем полу4аеться неплохо. По поводу светодиодиков? надо подуматьdvm99 писал(а):Ну греет хоть? так-то вцелом неплохо! Предохранитель не забыл поставить?Действительно шютТак на всякий слу4ай. (подкрылки, шасси, папашют.)
Представляю, что за коса под панелью получится, если все тумлеры задействовать
А где светодиодики для индикации?
Греть, греют хорошо. Щас изобретаю блок с релюшками и предохранителями. Воткну его под капот, месте4ко уже присмотрел.
Моя машина: https://www.drive2.ru/r/mitsubishi/1349872/
тел 7-900-198-47-03
тел 7-900-198-47-03
- dvm99
- Сообщения: 21736
- Зарегистрирован: 21 май 2012, 20:59
- Двигатель:: 6G72, 12клап.,
- Мой автомобиль(и):: Pajero2, Запорожец- Ланос
- Откуда: Свердловская обл.
- Благодарил (а): 706 раз
- Поблагодарили: 1027 раз
Re: Перетяжка руля с установкой подогрева Фотоотчет.
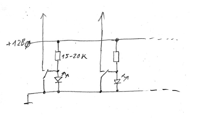
про светодиодики- подкину идейку . Тумблеры у тебя вроде должны нормальнозамкнутый контакт иметь. Только я там с номиналом сопротивлений накосячил, нужно поправить не 15-20 кОм, а 1,5-2 кОм . Что-то клинонуло меня.
ОФФ
Так у тебя оказывается не джип, а ульевоз!
Случайно наткнулся http://reviews.drom.ru/mitsubishi/pajero/70992/
Так у тебя оказывается не джип, а ульевоз!
Дмитрий
Боливар2 - П2, 92г., V43, 6G72(12V), V4AW2, RD/L, пруль (чистокровный японский рысак)
Боливар1 - П2, 93г., 6G72(12V), МКПП, V43, RD/L, Европа (славный был конь, но уже донор)
Боливар2 - П2, 92г., V43, 6G72(12V), V4AW2, RD/L, пруль (чистокровный японский рысак)
Боливар1 - П2, 93г., 6G72(12V), МКПП, V43, RD/L, Европа (славный был конь, но уже донор)
- Альберт75
- Сообщения: 1201
- Зарегистрирован: 06 фев 2013, 21:57
- Двигатель:: 4D56. 93год. Длинный. Левый руль.
- Мой автомобиль(и):: Митсубиси паджеро 2
- Откуда: Екатеринбург
- Благодарил (а): 3 раза
- Поблагодарили: 42 раза
- Контактная информация:
Re: Перетяжка руля с установкой подогрева Фотоотчет.
ОФФ
Так у тебя оказывается не джип, а ульевоз!
Случайно наткнулся http://reviews.drom.ru/mitsubishi/pajero/70992/[/quote]
Ага, бывший ульевоз
до сих пор воск в салоне отковыриваю. 
Так у тебя оказывается не джип, а ульевоз!
Ага, бывший ульевоз
Моя машина: https://www.drive2.ru/r/mitsubishi/1349872/
тел 7-900-198-47-03
тел 7-900-198-47-03
- Альберт75
- Сообщения: 1201
- Зарегистрирован: 06 фев 2013, 21:57
- Двигатель:: 4D56. 93год. Длинный. Левый руль.
- Мой автомобиль(и):: Митсубиси паджеро 2
- Откуда: Екатеринбург
- Благодарил (а): 3 раза
- Поблагодарили: 42 раза
- Контактная информация:
Re: Перетяжка руля с установкой подогрева Фотоотчет.
Сильно не пинайте, плохо разбираюсь в схемах. Подсказывайте, как подклю4ить светодиодную индикацию.
Моя машина: https://www.drive2.ru/r/mitsubishi/1349872/
тел 7-900-198-47-03
тел 7-900-198-47-03
- Альберт75
- Сообщения: 1201
- Зарегистрирован: 06 фев 2013, 21:57
- Двигатель:: 4D56. 93год. Длинный. Левый руль.
- Мой автомобиль(и):: Митсубиси паджеро 2
- Откуда: Екатеринбург
- Благодарил (а): 3 раза
- Поблагодарили: 42 раза
- Контактная информация:
Re: Перетяжка руля с установкой подогрева Фотоотчет.
Альберт75 писал(а):Сильно не пинайте, плохо разбираюсь в схемах. Подсказывайте, как подклю4ить светодиодную индикацию.
Моя машина: https://www.drive2.ru/r/mitsubishi/1349872/
тел 7-900-198-47-03
тел 7-900-198-47-03
- dvm99
- Сообщения: 21736
- Зарегистрирован: 21 май 2012, 20:59
- Двигатель:: 6G72, 12клап.,
- Мой автомобиль(и):: Pajero2, Запорожец- Ланос
- Откуда: Свердловская обл.
- Благодарил (а): 706 раз
- Поблагодарили: 1027 раз
Re: Перетяжка руля с установкой подогрева Фотоотчет.
Ну как не помочь земляку! 
Да, стрелочки на реле, а то что ты обвёл, это и есть светодиод, правильно понимаешь. Только когда будешь светодиоды покупать, обязательно уточни, чтоб у них внутри резисторов не было. Тебе нужны просто отдельно светодиоды и отдельно резисторы. Номинал резисторов любой от 1,5 до 2 килоом, можно даже чуть больше. Мощность резисторов любая от 0,125 до 0,5 Вт (можно и мощнее, но они уже по габаритам будут великоваты).
Кстати, если от ж/д вокзала тебе не далеко, то там на Колмагорова 70 есть хороший магазин "Промэлектроника", в нём купишь всё что надо.
Но смотри, если с электрикой у тебя туговато, то может и отказаться от этой затеи. Лишние сопли всё-таки... Это ж я так, стебанулся про индикацию.
Думай сам. Что могу подскажу.
Да, стрелочки на реле, а то что ты обвёл, это и есть светодиод, правильно понимаешь. Только когда будешь светодиоды покупать, обязательно уточни, чтоб у них внутри резисторов не было. Тебе нужны просто отдельно светодиоды и отдельно резисторы. Номинал резисторов любой от 1,5 до 2 килоом, можно даже чуть больше. Мощность резисторов любая от 0,125 до 0,5 Вт (можно и мощнее, но они уже по габаритам будут великоваты).
Кстати, если от ж/д вокзала тебе не далеко, то там на Колмагорова 70 есть хороший магазин "Промэлектроника", в нём купишь всё что надо.
Но смотри, если с электрикой у тебя туговато, то может и отказаться от этой затеи. Лишние сопли всё-таки... Это ж я так, стебанулся про индикацию.
Дмитрий
Боливар2 - П2, 92г., V43, 6G72(12V), V4AW2, RD/L, пруль (чистокровный японский рысак)
Боливар1 - П2, 93г., 6G72(12V), МКПП, V43, RD/L, Европа (славный был конь, но уже донор)
Боливар2 - П2, 92г., V43, 6G72(12V), V4AW2, RD/L, пруль (чистокровный японский рысак)
Боливар1 - П2, 93г., 6G72(12V), МКПП, V43, RD/L, Европа (славный был конь, но уже донор)
- Альберт75
- Сообщения: 1201
- Зарегистрирован: 06 фев 2013, 21:57
- Двигатель:: 4D56. 93год. Длинный. Левый руль.
- Мой автомобиль(и):: Митсубиси паджеро 2
- Откуда: Екатеринбург
- Благодарил (а): 3 раза
- Поблагодарили: 42 раза
- Контактная информация:
Re: Перетяжка руля с установкой подогрева Фотоотчет.
Ну вот как раз завтра туда собираюсь, магазин хороший я там тумблера и покупал, недавно купил лампо4ки для подсветок кнопок стоимость смешная 3 рубля когда в автомагазинах от 50рублей да и еще поискать надо. Вот только еще вопрос. Полу4ается 4то при нормально замкнутом контакте напряжение идет в обход светодиоду 4ерез сопротивление. А оно не сгорит?
По поводу индикации мысля была (тумблера специально пониже сделал, оставив место под подсветку), только хо4у пустить 4ерез обозна4ение кнопок с подсветкой. Как обозна4ение и подсветку сделать можно сказать уже придумал а вот с индикацией туговато.
По поводу индикации мысля была (тумблера специально пониже сделал, оставив место под подсветку), только хо4у пустить 4ерез обозна4ение кнопок с подсветкой. Как обозна4ение и подсветку сделать можно сказать уже придумал а вот с индикацией туговато.
Моя машина: https://www.drive2.ru/r/mitsubishi/1349872/
тел 7-900-198-47-03
тел 7-900-198-47-03
- dvm99
- Сообщения: 21736
- Зарегистрирован: 21 май 2012, 20:59
- Двигатель:: 6G72, 12клап.,
- Мой автомобиль(и):: Pajero2, Запорожец- Ланос
- Откуда: Свердловская обл.
- Благодарил (а): 706 раз
- Поблагодарили: 1027 раз
Re: Перетяжка руля с установкой подогрева Фотоотчет.
Не сгорит, не переживай, но 0.125 Вт будут чуть тёпленькими, ну для надёжи купи 0.25 Вт или 0.5. В промэлектронике любые есть.Полу4ается 4то при нормально замкнутом контакте напряжение идет в обход светодиоду 4ерез сопротивление. А оно не сгорит?
Дмитрий
Боливар2 - П2, 92г., V43, 6G72(12V), V4AW2, RD/L, пруль (чистокровный японский рысак)
Боливар1 - П2, 93г., 6G72(12V), МКПП, V43, RD/L, Европа (славный был конь, но уже донор)
Боливар2 - П2, 92г., V43, 6G72(12V), V4AW2, RD/L, пруль (чистокровный японский рысак)
Боливар1 - П2, 93г., 6G72(12V), МКПП, V43, RD/L, Европа (славный был конь, но уже донор)
- Альберт75
- Сообщения: 1201
- Зарегистрирован: 06 фев 2013, 21:57
- Двигатель:: 4D56. 93год. Длинный. Левый руль.
- Мой автомобиль(и):: Митсубиси паджеро 2
- Откуда: Екатеринбург
- Благодарил (а): 3 раза
- Поблагодарили: 42 раза
- Контактная информация:
Re: Перетяжка руля с установкой подогрева Фотоотчет.
ок, спасибо за совет будем работать!!!
Моя машина: https://www.drive2.ru/r/mitsubishi/1349872/
тел 7-900-198-47-03
тел 7-900-198-47-03
-
ttrt
- Сообщения: 36
- Зарегистрирован: 08 фев 2013, 01:15
- Двигатель:: 4m40
- Мой автомобиль(и):: Pajero 2
- Откуда: Новороссийск
- Благодарил (а): 1 раз
- Поблагодарили: 1 раз
Re: Перетяжка руля с установкой подогрева Фотоотчет.
Альберт, классно получилось.
У меня к тебе два вопроса:
1) там на фотках видно, что ты использовал витой провод для подключения подогрева. Я искал что-то подобное с сечением, достаточным для подключения сигнала, но оказалось что это адская редкость. Что это за провод?
2) какой диаметр штатного руля на п-2? А то мне достался деревянный колхозоруль, который перекрывает все приборы (( Купил МОМО 35 см, а он, зараза, тоже закрывает часть тахометра. Уже и не знаю, что делать: заказывать МОМО диаметром 380 мм (непонятно - достаточно ли этого диаметра) или искать на разборе б.у. родной руль?
Всю голову сломал ((((
У меня к тебе два вопроса:
1) там на фотках видно, что ты использовал витой провод для подключения подогрева. Я искал что-то подобное с сечением, достаточным для подключения сигнала, но оказалось что это адская редкость. Что это за провод?
2) какой диаметр штатного руля на п-2? А то мне достался деревянный колхозоруль, который перекрывает все приборы (( Купил МОМО 35 см, а он, зараза, тоже закрывает часть тахометра. Уже и не знаю, что делать: заказывать МОМО диаметром 380 мм (непонятно - достаточно ли этого диаметра) или искать на разборе б.у. родной руль?
Всю голову сломал ((((
- Альберт75
- Сообщения: 1201
- Зарегистрирован: 06 фев 2013, 21:57
- Двигатель:: 4D56. 93год. Длинный. Левый руль.
- Мой автомобиль(и):: Митсубиси паджеро 2
- Откуда: Екатеринбург
- Благодарил (а): 3 раза
- Поблагодарили: 42 раза
- Контактная информация:
Re: Перетяжка руля с установкой подогрева Фотоотчет.
Ну провод, который идет от обогревающей ленты, шел в комплекте, се4ением 1,5мм. А продолжение, тоже думал какие провода ставить, 4тоб со временем не разволились и не рассохлись. Нашел 4исто слу4айно проезжая мимо какого-то магазина. Там был отдел по автозвуку. Вот там и прикупил силовые провода из силикона, только жилы там ни как у проводов для динамиков (жил много и тонкие, пропаиваются плохо), а как на обыкновенной проводке, только силикон. Вот и прикупил с запасом. Се4ение так и оставил 1,5мм. Думаю в таких магазинах надо искать. А по рулю на фото увидишь. Только я езжу, положение руля на самом низу и сиденье на самый зад отодвинуто. Тоже не всю приборку видно. Руль штатный. Тут зависит от габаритов водителя
. Как то так!
Моя машина: https://www.drive2.ru/r/mitsubishi/1349872/
тел 7-900-198-47-03
тел 7-900-198-47-03
- Альберт75
- Сообщения: 1201
- Зарегистрирован: 06 фев 2013, 21:57
- Двигатель:: 4D56. 93год. Длинный. Левый руль.
- Мой автомобиль(и):: Митсубиси паджеро 2
- Откуда: Екатеринбург
- Благодарил (а): 3 раза
- Поблагодарили: 42 раза
- Контактная информация:
Re: Перетяжка руля с установкой подогрева Фотоотчет.
Наконец то доделал дополнительные тумблера. Благо есть добрые люди для подсказки.
Выкладываю фото.
Выкладываю фото.
- Вложения
Моя машина: https://www.drive2.ru/r/mitsubishi/1349872/
тел 7-900-198-47-03
тел 7-900-198-47-03
- Альберт75
- Сообщения: 1201
- Зарегистрирован: 06 фев 2013, 21:57
- Двигатель:: 4D56. 93год. Длинный. Левый руль.
- Мой автомобиль(и):: Митсубиси паджеро 2
- Откуда: Екатеринбург
- Благодарил (а): 3 раза
- Поблагодарили: 42 раза
- Контактная информация:
Re: Перетяжка руля с установкой подогрева Фотоотчет.
Ай да я молодец!!! Прям самому нравится. Но есть минусы.
1. слабовато светят сигнальные диоды. Плохо видно на свету. надо поставить помощней.
2. неравномерное распределение света, подсветки. На диодах свет направленный. Надо думать дальше, может диоды другие поставить.
3. по4ему то диоды подсветки приборов иногда подмаргивают. походу надо подклю4ить к какой-нибудь другой лампо4ке. щас подклу4ен к подсветке панели управления пе4кой.
Думаю со временем все исправлю!!!
Теперь надо делать блок реле с предохранителями, как сделать уже придумал, осталось только время найти.
1. слабовато светят сигнальные диоды. Плохо видно на свету. надо поставить помощней.
2. неравномерное распределение света, подсветки. На диодах свет направленный. Надо думать дальше, может диоды другие поставить.
3. по4ему то диоды подсветки приборов иногда подмаргивают. походу надо подклю4ить к какой-нибудь другой лампо4ке. щас подклу4ен к подсветке панели управления пе4кой.
Думаю со временем все исправлю!!!
Теперь надо делать блок реле с предохранителями, как сделать уже придумал, осталось только время найти.
Моя машина: https://www.drive2.ru/r/mitsubishi/1349872/
тел 7-900-198-47-03
тел 7-900-198-47-03
- dvm99
- Сообщения: 21736
- Зарегистрирован: 21 май 2012, 20:59
- Двигатель:: 6G72, 12клап.,
- Мой автомобиль(и):: Pajero2, Запорожец- Ланос
- Откуда: Свердловская обл.
- Благодарил (а): 706 раз
- Поблагодарили: 1027 раз
Re: Перетяжка руля с установкой подогрева Фотоотчет.
Ну, звездолёт!
Это ж надо, сколько у тебя энергии!
Не уж-то в машине больше поделать нечего?
Ну да ладно...
Эх, надо было тебе немного не так сделать, раз ещё с подсветкой решил замутить. Возможности сейчас просто обалденные для этих целей, не то что раньше при совке (когда и у меня столько же энергии как у тебя было
), простых-то светодиодов с трудом найти можно было, но и то изголялись и мастрячили подобные темы. Лично я как бы всегда стремлюсь к разумному минимализму, поэтому не стал бы делать отдельную линейку с красными светодиодами. Есть ведь двухцветные (два в одном), и довольно яркие. Вот и сделал бы подсветку значка двумя цветами, допустим зелёный- канал не активен, красный- активен. Так и значок виден, и положение тумлера отражено, и на панели ничего лишнего. Правда с двумя светодиодами той схемой включения, что я выше рисовал, уже не обойтись, нужны переключатели с двумя группами контактов, но и это не проблема, сейчас всякие есть. - Это тебе мысли для будущего апгрейда
.
По болшому счёту действительно молодец, аккуратно получилось!Ай да я молодец!!!
Но есть минусы.
Эх, надо было тебе немного не так сделать, раз ещё с подсветкой решил замутить. Возможности сейчас просто обалденные для этих целей, не то что раньше при совке (когда и у меня столько же энергии как у тебя было
Они скорее всего не слабовато светят, хотя и этот параметр нужно глядеть, а не видно их из-за того, за что светодиоды и не любят- из-за узкой направленности потока. У тебя панель внизу, поэтому смотришь ты на неё "из-за угла". Тут скорее всего мало что поможет. Поиграться конечно можно, но нужно смотреть справочные данные светодиодов по параметру угла потока и рассеиваемости корпуса самого диода, ну или прямо в магазине зажигать разные и смотреть. Но можно попробовать пойти другим путём: нужно, чтобы светодиод не сам светился, а светил через какую-нибудь рессеивающую поверхность, допустим матовую плёнку. Такую же плёнку проложить и под значками подсветки, возможно тогда и светодиоды не придётся менять.1. слабовато светят сигнальные диоды. Плохо видно на свету. надо поставить помощней.
Подмаргивают на холостых оборотах? Или ещё как-то?Альберт75 писал(а):.
3. по4ему то диоды подсветки приборов иногда подмаргивают.
Дмитрий
Боливар2 - П2, 92г., V43, 6G72(12V), V4AW2, RD/L, пруль (чистокровный японский рысак)
Боливар1 - П2, 93г., 6G72(12V), МКПП, V43, RD/L, Европа (славный был конь, но уже донор)
Боливар2 - П2, 92г., V43, 6G72(12V), V4AW2, RD/L, пруль (чистокровный японский рысак)
Боливар1 - П2, 93г., 6G72(12V), МКПП, V43, RD/L, Европа (славный был конь, но уже донор)
- Альберт75
- Сообщения: 1201
- Зарегистрирован: 06 фев 2013, 21:57
- Двигатель:: 4D56. 93год. Длинный. Левый руль.
- Мой автомобиль(и):: Митсубиси паджеро 2
- Откуда: Екатеринбург
- Благодарил (а): 3 раза
- Поблагодарили: 42 раза
- Контактная информация:
Re: Перетяжка руля с установкой подогрева Фотоотчет.
Да по светодиодам я и хотел сделать двухцветные по подклю4ению разобрался прям в магазине. но млин нету таких в промэлектронике на 12 вольт. только одноцветные, а двушки идут на 3 вольта. тут то я и загрустил.
по распределению света (для подсветки) планировал так: в первых два слоя стекла наложил 4тоб выдержать толщину для длины диода, 3 слой оставил без отверстий для распределения света по всей площади на нее и наложил бумагу а 4етвертый слой стекла так для защиты. Но млин эти диоды лу4ем бьют, придется наверно то4но матовую пленку наклеивать или того лутьше заменить 3 прослойку на матовое стекло.
А по индикации думаю надо поискать диоды помощней и диаметром поставить не на 3мм а на 5.
по распределению света (для подсветки) планировал так: в первых два слоя стекла наложил 4тоб выдержать толщину для длины диода, 3 слой оставил без отверстий для распределения света по всей площади на нее и наложил бумагу а 4етвертый слой стекла так для защиты. Но млин эти диоды лу4ем бьют, придется наверно то4но матовую пленку наклеивать или того лутьше заменить 3 прослойку на матовое стекло.
А по индикации думаю надо поискать диоды помощней и диаметром поставить не на 3мм а на 5.
Моя машина: https://www.drive2.ru/r/mitsubishi/1349872/
тел 7-900-198-47-03
тел 7-900-198-47-03
- dvm99
- Сообщения: 21736
- Зарегистрирован: 21 май 2012, 20:59
- Двигатель:: 6G72, 12клап.,
- Мой автомобиль(и):: Pajero2, Запорожец- Ланос
- Откуда: Свердловская обл.
- Благодарил (а): 706 раз
- Поблагодарили: 1027 раз
Re: Перетяжка руля с установкой подогрева Фотоотчет.
Таааак! Придётся делее ликбезом занятьсяАльберт75 писал(а):Да по светодиодам я и хотел сделать двухцветные по подклю4ению разобрался прям в магазине. но млин нету таких в промэлектронике на 12 вольт. только одноцветные, а двушки идут на 3 вольта. тут то я и загрустил.
Проясню тебе момент по светодиодам. Обычные свтодиоды (различых цветов, форм, размеров, видов исполнения и т.д.) выпускаются без встроенных резисторов, т.е. такие как я и нарисовал в схеме. И, важный момент каких отличить по параметрам,- для них в характеристиках не указыватся напряжение, оно не очень-то важнО, потому как имеет маленькие значения (0,7 - 1 В ), поэтому его часто опускают в магазинах, где продают. А кому это шибко надо, тот откроет справочник с подробным описанием и посмотрит. Для этих диодов обычно указывается только ток, сила света и видимый угол, в большинстве случаев для разработчика этих пораметров достаточно. Вот типичный пример того же промэлектрониковского каталога-http://www.promelec.ru/catalog_info/49/95/377/391/ .
Но чаще всего использование светодиода подразумевает использование вместе с ним добавочного (последовательно включенного) резистора. Просто одни и теже светодиоды могут включаться в цепь с различным напряжением и разработчик, зная рабочий ток светодиода (для индикаторных он чаще всего примерно 10 мА), тупо по закону Ома расчитывает этот добавочный резистор под нужное напряжение. Допустим для 5В это будет 500 Ом, для 12В- 1,2 кОм и т.п. Напряжением светодиода очень часто просто пренебрегают (ну только если питающее не очень низкое). Согласись, нет ведь практически разницы если допустим я буду расчитывать резистор не для 12В , а для 11В (-1В - тот, что просядет на светодиоде), светодиоды допускают приличный разбег токов, так что ему пофигу.
Так вот к чему я : Раз ты написал про напряжения светодиодов, то в них резистор, о котором я написал выше, уже встроен во внутрь светодиода. Появилась такая тема с незадавних пор "для лентяев"
Вот это бы было само то! Но погоди пока, сделай то, что я тебе выше посоветовал.Альберт75 писал(а): или того лутьше заменить 3 прослойку на матовое стекло.
Дмитрий
Боливар2 - П2, 92г., V43, 6G72(12V), V4AW2, RD/L, пруль (чистокровный японский рысак)
Боливар1 - П2, 93г., 6G72(12V), МКПП, V43, RD/L, Европа (славный был конь, но уже донор)
Боливар2 - П2, 92г., V43, 6G72(12V), V4AW2, RD/L, пруль (чистокровный японский рысак)
Боливар1 - П2, 93г., 6G72(12V), МКПП, V43, RD/L, Европа (славный был конь, но уже донор)

