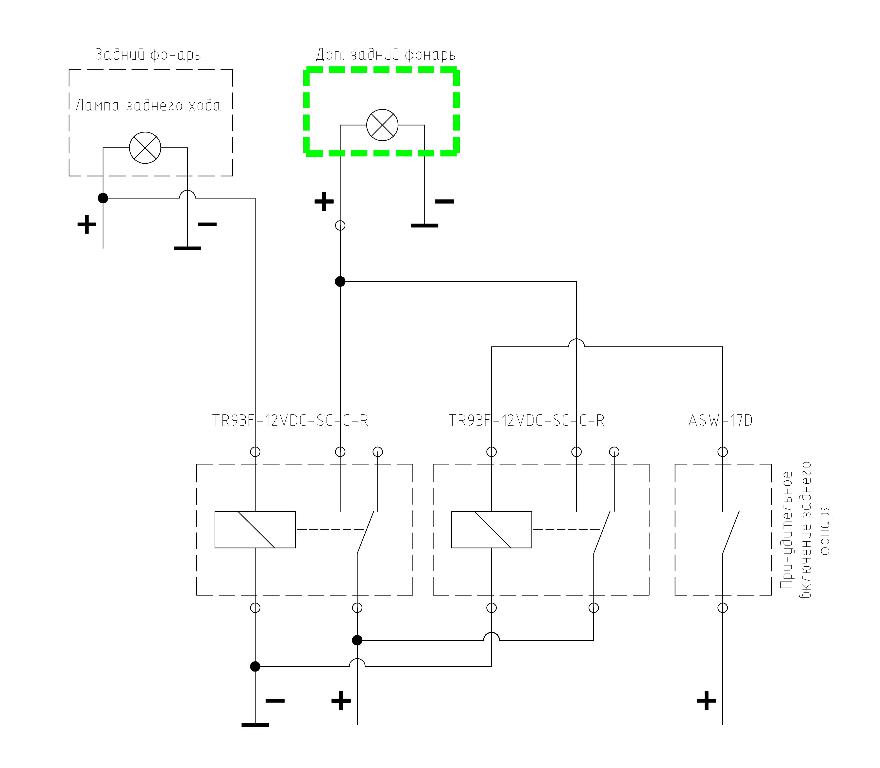
так её ж(кнопку) нажимать-то вручную придётся...NazareT писал(а):Собери схему с реле и кнопкой для паралельного(принудительного) включения и будет тебе счастье.
собрать-то не проблема-это моя профессия...
но вот нажимать руками,в век нанотехнологий,как-то...
но придется.
датчик вроде прочухался,парктроник и камера работают в 90% включений задней.
а на фонарики придется всё ж таки вывести кнопку,типа рубильника.
спасибо NazareT,в принципе переубедил...

