TRT - Вдоль р.Киржач. Для стандартных 4х4 (08.11.25) Форум Обсуждение FAQ
При включении правого поворота гаснет свет
Модераторы: SNOOPER, Nbf, Romik, BAlex, drcham, Podzemshik
- duhast e34
- Сообщения: 727
- Зарегистрирован: 27 ноя 2008, 20:50
- Двигатель:: D6EA 250л.с., 540Н/м
- Мой автомобиль(и):: KIA Mohave
- Откуда: СВАО
- Откуда: Москва
- Благодарил (а): 15 раз
- Поблагодарили: 14 раз
Re: При включении правого поворота гаснет свет
Два одинаковых реле за бардачком это: реле обогрева заднего стекла, и реле задних противотуманок.
Сейчас КИА МОХАВЕ и Форд Фьюжин.
Был МПС1 2,5 TD (116 осликов)EFI, серый ТРАКТОР!!!.2008г.в.
Был МПС1 2,5 TD (116 осликов)EFI, серый ТРАКТОР!!!.2008г.в.
- Captain Sergio
- Сообщения: 4557
- Зарегистрирован: 30 янв 2012, 22:01
- Двигатель:: 4G18
- Мой автомобиль(и):: Pajero Пинин, 1999, АКПП, BMW X5
- Откуда: Ульяновск
- Благодарил (а): 264 раза
- Поблагодарили: 345 раз
Re: При включении правого поворота гаснет свет
Это как раз два оставшихся. Они вряд ли при делах.duhast e34 писал(а):Два одинаковых реле за бардачком это: реле обогрева заднего стекла, и реле задних противотуманок.
Сергей. Все будет хорошо! Грязезащита для рамных автомобилей.
- duhast e34
- Сообщения: 727
- Зарегистрирован: 27 ноя 2008, 20:50
- Двигатель:: D6EA 250л.с., 540Н/м
- Мой автомобиль(и):: KIA Mohave
- Откуда: СВАО
- Откуда: Москва
- Благодарил (а): 15 раз
- Поблагодарили: 14 раз
Re: При включении правого поворота гаснет свет
На реле задних туманок всегда приходит (+) при включении света фар, независимо включены задние туманки или нет.
Сейчас КИА МОХАВЕ и Форд Фьюжин.
Был МПС1 2,5 TD (116 осликов)EFI, серый ТРАКТОР!!!.2008г.в.
Был МПС1 2,5 TD (116 осликов)EFI, серый ТРАКТОР!!!.2008г.в.
- Captain Sergio
- Сообщения: 4557
- Зарегистрирован: 30 янв 2012, 22:01
- Двигатель:: 4G18
- Мой автомобиль(и):: Pajero Пинин, 1999, АКПП, BMW X5
- Откуда: Ульяновск
- Благодарил (а): 264 раза
- Поблагодарили: 345 раз
Re: При включении правого поворота гаснет свет
В общем картина следующая. Дальний и ближний загорается только при включенных габаритах. При включении габаритов включается реле ламп головного света, через него подается +12В на лампы. Масса берется от точки массы 1. При чем тут правый поворот пока не понял. Предположим, что проводка целая и подрулевой работает правильно при переключении с ближнего на дальний. Дальний и ближний свет перестает гореть при условии размыкания контактов реле. Для начала предлагаю исключить из схемы реле. Для этого нужно перемкнуть его контакты 4 и 5 (ну или как вариант перекинуть аналогичное реле, например слева от нужного нам, если оно ОДИНАКОВОЕ). При замыкании сразу (вне зависимости от включенных габаритов) загорится либо ближний, либо дальний свет. После этого включаем поворот и смотрим что будет. Естественно все это при включенном зажигании. Таким образом мы поймем рабочее ли реле и рабочий ли подрулевой переключатель.
Сергей. Все будет хорошо! Грязезащита для рамных автомобилей.
- GriFon
- Сообщения: 1185
- Зарегистрирован: 21 май 2010, 09:55
- Двигатель:: 6G72 Газ Ri-500
- Мой автомобиль(и):: Montero Sport 2000 XLimited Super Select A4WD
- Откуда: Almaty
- Откуда: Montero Sport Club Almaty
- Благодарил (а): 2 раза
- Поблагодарили: 19 раз
Re: При включении правого поворота гаснет свет
+1Bedouin писал(а):Тоже так думаю. Или в жгуте, который к нему идет.kyzya11 писал(а):а мне кажется что дело в подрулевом
я думаю ключевой симптом бессистемное дёрганье "лопасти" фар "вертолета" включает фары.
и когда фары долго горят переключатель греется, поэтому на холодную все как это "чики-пуки" (где-то слышал от блондинки).
делаем ставки
6G72, nonline body 3-0, радиатор от 4M40, термос TAMA88, электровеники от MPV, радиатор АКПП, ri-500, чип Е0 (удалены катализаторы, EGR, EVAP), Super Select, ГБО, калитка, пружины от патруля. в разработке задняя печка и 3.5DOHC.
-
YGD2002
- Сообщения: 39
- Зарегистрирован: 15 сен 2013, 09:50
- Двигатель:: 4D56 2500DIESEL/4WD 115 л.с.
- Мой автомобиль(и):: паджеро спорт 2002 г
- Откуда: Брянск
- Благодарил (а): 1 раз
Re: При включении правого поворота гаснет свет
Как я не надеялся на лёгкий исход, но замена реле ничего не изменила. На горячую всегда гаснет свет. Включается после шатания ручки переключения света. Просто шатания, без переключения.
- Captain Sergio
- Сообщения: 4557
- Зарегистрирован: 30 янв 2012, 22:01
- Двигатель:: 4G18
- Мой автомобиль(и):: Pajero Пинин, 1999, АКПП, BMW X5
- Откуда: Ульяновск
- Благодарил (а): 264 раза
- Поблагодарили: 345 раз
Re: При включении правого поворота гаснет свет
Т.е. С другим реле перестает работать и дальний и ближний?
Сергей. Все будет хорошо! Грязезащита для рамных автомобилей.
-
YGD2002
- Сообщения: 39
- Зарегистрирован: 15 сен 2013, 09:50
- Двигатель:: 4D56 2500DIESEL/4WD 115 л.с.
- Мой автомобиль(и):: паджеро спорт 2002 г
- Откуда: Брянск
- Благодарил (а): 1 раз
Re: При включении правого поворота гаснет свет
Нет, при замене реле ничего не меняется. Т.е. реле исправно.
- Captain Sergio
- Сообщения: 4557
- Зарегистрирован: 30 янв 2012, 22:01
- Двигатель:: 4G18
- Мой автомобиль(и):: Pajero Пинин, 1999, АКПП, BMW X5
- Откуда: Ульяновск
- Благодарил (а): 264 раза
- Поблагодарили: 345 раз
Re: При включении правого поворота гаснет свет
Всю голову сломал .... а вот такой тогда вопрос - при пропадании ближнего и дальнего света - пропадают ли габариты?
Сергей. Все будет хорошо! Грязезащита для рамных автомобилей.
- kyzya11
- Сообщения: 9185
- Зарегистрирован: 07 июл 2009, 14:13
- Двигатель:: 6G74
- Мой автомобиль(и):: был Montero Shprot 3.5 AWD
- Откуда: 77
- Благодарил (а): 414 раз
- Поблагодарили: 232 раза
Re: При включении правого поворота гаснет свет
по-моему сейчас просто надо добраться до подрулевого
осмотреть, покрутить
был MMS XLS '02, AWD, 6G74, МТ32, Т-Max 6500
Славик.
Славик.
- Captain Sergio
- Сообщения: 4557
- Зарегистрирован: 30 янв 2012, 22:01
- Двигатель:: 4G18
- Мой автомобиль(и):: Pajero Пинин, 1999, АКПП, BMW X5
- Откуда: Ульяновск
- Благодарил (а): 264 раза
- Поблагодарили: 345 раз
Re: При включении правого поворота гаснет свет
Так неинтересно. Если при пропадании ближнего и дальнего пропадают и габариты, я бы копал дальше (у них общая масса). Разобрать всегда успеем. Надо до конца "фотографию" выжать. Посмаковатьkyzya11 писал(а):по-моему сейчас просто надо добраться до подрулевогоосмотреть, покрутить
Сергей. Все будет хорошо! Грязезащита для рамных автомобилей.
-
YGD2002
- Сообщения: 39
- Зарегистрирован: 15 сен 2013, 09:50
- Двигатель:: 4D56 2500DIESEL/4WD 115 л.с.
- Мой автомобиль(и):: паджеро спорт 2002 г
- Откуда: Брянск
- Благодарил (а): 1 раз
Re: При включении правого поворота гаснет свет
Да, пропадают.Captain Sergio писал(а):Всю голову сломал .... а вот такой тогда вопрос - при пропадании ближнего и дальнего света - пропадают ли габариты?
- Captain Sergio
- Сообщения: 4557
- Зарегистрирован: 30 янв 2012, 22:01
- Двигатель:: 4G18
- Мой автомобиль(и):: Pajero Пинин, 1999, АКПП, BMW X5
- Откуда: Ульяновск
- Благодарил (а): 264 раза
- Поблагодарили: 345 раз
Re: При включении правого поворота гаснет свет
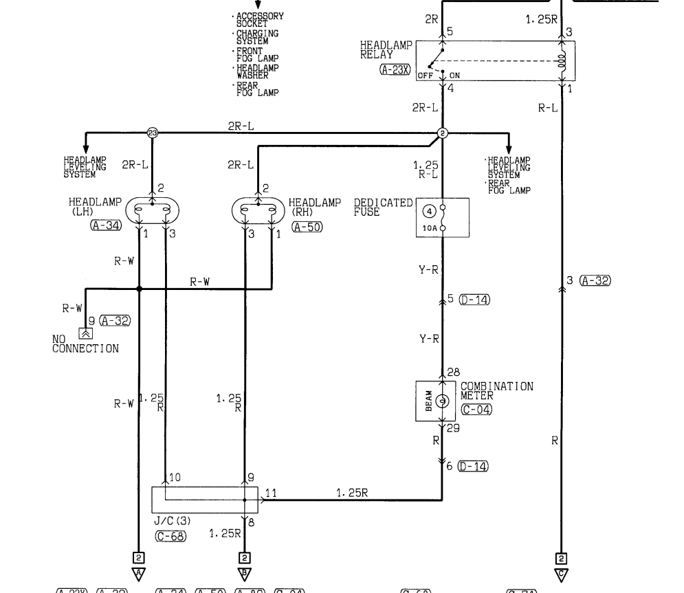
Хм. Вот схема подрулевого. У головного света и габаритов общая масса. Одновременно и свет и габариты пропасть могут только при проблемах с массой (как я и предполагал ранее). На схеме я все показал. Я бы прополз по проводке, внимательно ее рассматривая, от точки массы 1 (которую ты чистил), до общей точки (показал кружком). В общей точке часто бывают проблемы, она обычно окисляется (все зеленое-зеленое становится).Потом до разъема и потом уже до подрулевого. Конечно возможен вариант очень хитрой поломки подрулевого. Но чтобы два переключателя не работали одновременно - вряд-ли. Как-то так.YGD2002 писал(а):Да, пропадают.Captain Sergio писал(а):Всю голову сломал .... а вот такой тогда вопрос - при пропадании ближнего и дальнего света - пропадают ли габариты?
Сергей. Все будет хорошо! Грязезащита для рамных автомобилей.
-
YGD2002
- Сообщения: 39
- Зарегистрирован: 15 сен 2013, 09:50
- Двигатель:: 4D56 2500DIESEL/4WD 115 л.с.
- Мой автомобиль(и):: паджеро спорт 2002 г
- Откуда: Брянск
- Благодарил (а): 1 раз
Re: При включении правого поворота гаснет свет
К точке 1 подходят три провода. Пока не понятно по какому лезть. Завтра попробую по всем.
- Captain Sergio
- Сообщения: 4557
- Зарегистрирован: 30 янв 2012, 22:01
- Двигатель:: 4G18
- Мой автомобиль(и):: Pajero Пинин, 1999, АКПП, BMW X5
- Откуда: Ульяновск
- Благодарил (а): 264 раза
- Поблагодарили: 345 раз
Re: При включении правого поворота гаснет свет
По схеме там два квадрата. Т.е. самый толстый скорее всего. К нему и лезь. А можешь по одному отсоединять. Как пропадет ближний - значит он.
Сергей. Все будет хорошо! Грязезащита для рамных автомобилей.
Re: При включении правого поворота гаснет свет
Еще +1 голос за подрулевой. При включении правого поворотника (заметим именно одного из двух) контакт на переключателе габаритов становится хреновеньким. Начинается дребезг реле (клацанье) и соответственно свет по цепочке тоже тухнет.
Возможен вариант с проводкой включения реле габаритных огней при положении подрулевого "правый поворотник".
В любом случае копать там.
Возможен вариант с проводкой включения реле габаритных огней при положении подрулевого "правый поворотник".
В любом случае копать там.
Montero Sport 2002 6G72, АКПП,AWD, ABS - был
Если далеко, то на лошади.
Если далеко, то на лошади.
- GriFon
- Сообщения: 1185
- Зарегистрирован: 21 май 2010, 09:55
- Двигатель:: 6G72 Газ Ri-500
- Мой автомобиль(и):: Montero Sport 2000 XLimited Super Select A4WD
- Откуда: Almaty
- Откуда: Montero Sport Club Almaty
- Благодарил (а): 2 раза
- Поблагодарили: 19 раз
Re: При включении правого поворота гаснет свет
Главное что бы у ТС хватило терпения на все эксперименты, а то плюнет и пройдет продавать ненадежный митсубиси спорт ...Captain Sergio писал(а):Надо до конца "фотографию" выжать. Посмаковать
6G72, nonline body 3-0, радиатор от 4M40, термос TAMA88, электровеники от MPV, радиатор АКПП, ri-500, чип Е0 (удалены катализаторы, EGR, EVAP), Super Select, ГБО, калитка, пружины от патруля. в разработке задняя печка и 3.5DOHC.
-
YGD2002
- Сообщения: 39
- Зарегистрирован: 15 сен 2013, 09:50
- Двигатель:: 4D56 2500DIESEL/4WD 115 л.с.
- Мой автомобиль(и):: паджеро спорт 2002 г
- Откуда: Брянск
- Благодарил (а): 1 раз
Re: При включении правого поворота гаснет свет
Сейчас дожди идут, а машина на улице. На выходных думаю по проводам полазать.
