Во max_ua, я почему и спросил.max_ua писал(а):ну тогда мой BlackVue какой-то неправильный. Ибо я даже не задумывался, когда отрезал провода от розетки, чтоб присобачить их к зеркалу...
А работает же... Уже 2 года как... тьфу три раза ))
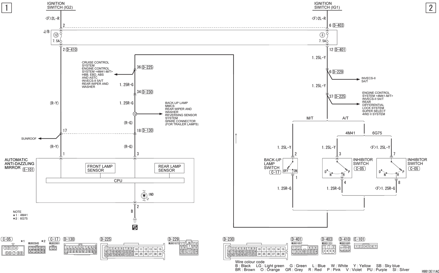
Подключение Видеорегистратора. Н.2
Модераторы: SNOOPER, Nbf, drcham, Romik, BAlex, DenVer, SoundSpeed
- юрок
- Сообщения: 766
- Зарегистрирован: 02 июл 2007, 00:24
- Двигатель:: 6G75, 6G72
- Мой автомобиль(и):: Mitsubishi Pajero IV 3.8 i , Mitsubishi Pajero Sport 1
- Откуда: Архангельская обл.
- Благодарил (а): 20 раз
- Поблагодарили: 27 раз
Re: Подключение Видеорегистратора. Н.2
Montero Sport 3л.2001-продан
Pajero IV-3.8 2007 -продан
Pajero Sport 3л.2005 -продан
Pajero IV-3.8 2007 -продан
Pajero Sport 3л.2005 -продан
- megranny
- Сообщения: 6152
- Зарегистрирован: 18 июл 2011, 01:22
- Двигатель:: дизель 4M41
- Мой автомобиль(и):: Subaru Forester III(S12),MP IV-3,2 Di-D Ultimate
- Откуда: ЦФО,76
- Благодарил (а): 16 раз
- Поблагодарили: 79 раз
Re: Подключение Видеорегистратора. Н.2
На конце провода ближе к регику обычно бобышка е-стабилизатор 5V.max_ua писал(а):от 5 вольт?? Это где и какой? он же для автомобилей предназначен. Странно...
я просто врезал регистратор в провода питания зеркала и все....
I made in Japan
- megranny
- Сообщения: 6152
- Зарегистрирован: 18 июл 2011, 01:22
- Двигатель:: дизель 4M41
- Мой автомобиль(и):: Subaru Forester III(S12),MP IV-3,2 Di-D Ultimate
- Откуда: ЦФО,76
- Благодарил (а): 16 раз
- Поблагодарили: 79 раз
Re: Подключение Видеорегистратора. Н.2
Не,я слишком долго был,как все-в октябрятах-пионэрии и комсомолеBabyHummer A-328 писал(а):...Не заморачивайся, в общем, и сделай как все
Терича индивидуалом хочу быть
I made in Japan
- BabyHummer A-328
- Сообщения: 6030
- Зарегистрирован: 27 июн 2012, 12:30
- Двигатель:: Бензин 3.8
- Мой автомобиль(и):: Mitsubishi Pajero IV
- Откуда: Москва, Бабушкинская
- Откуда: Москва
- Благодарил (а): 166 раз
- Поблагодарили: 212 раз
Re: Подключение Видеорегистратора. Н.2
А на зеркало,случаем,не может приходить 6 вольт? Ведь, на ту же штатную камеру приходит 6, а не 12 вольт. Мож и на зеркало так же? И поэтому у тебя регистратор не сгорел?max_ua писал(а):ну тогда мой BlackVue какой-то неправильный. Ибо я даже не задумывался, когда отрезал провода от розетки, чтоб присобачить их к зеркалу...
А работает же... Уже 2 года как... тьфу три раза ))
С уважением, Андрей
Псакой буду, если вру! :-)
Псакой буду, если вру! :-)
- max_ua
- Сообщения: 522
- Зарегистрирован: 15 май 2008, 12:18
- Двигатель:: 6G72
- Мой автомобиль(и):: Pajero Wagon IV, 2007
- Откуда: Киев, Украина
- Благодарил (а): 5 раз
- Поблагодарили: 15 раз
- Контактная информация:
Re: Подключение Видеорегистратора. Н.2
У меня обычное зеркало, без экрана.
Вобщем работает да и работает себе...
Вобщем работает да и работает себе...
- BabyHummer A-328
- Сообщения: 6030
- Зарегистрирован: 27 июн 2012, 12:30
- Двигатель:: Бензин 3.8
- Мой автомобиль(и):: Mitsubishi Pajero IV
- Откуда: Москва, Бабушкинская
- Откуда: Москва
- Благодарил (а): 166 раз
- Поблагодарили: 212 раз
Re: Подключение Видеорегистратора. Н.2
Я даже в КПСС вступил, когда-тоmegranny писал(а):Не,я слишком долго был,как все-в октябрятах-пионэрии и комсомолеBabyHummer A-328 писал(а):...Не заморачивайся, в общем, и сделай как все
![]()
Терича индивидуалом хочу быть
С уважением, Андрей
Псакой буду, если вру! :-)
Псакой буду, если вру! :-)
- BabyHummer A-328
- Сообщения: 6030
- Зарегистрирован: 27 июн 2012, 12:30
- Двигатель:: Бензин 3.8
- Мой автомобиль(и):: Mitsubishi Pajero IV
- Откуда: Москва, Бабушкинская
- Откуда: Москва
- Благодарил (а): 166 раз
- Поблагодарили: 212 раз
Re: Подключение Видеорегистратора. Н.2
Мне уже самому интересно стало:) Как-нить соберусь и измерю напряжение на зеркале(у меня тоже без экрана).max_ua писал(а):У меня обычное зеркало, без экрана.
Вобщем работает да и работает себе...
С уважением, Андрей
Псакой буду, если вру! :-)
Псакой буду, если вру! :-)
- юрок
- Сообщения: 766
- Зарегистрирован: 02 июл 2007, 00:24
- Двигатель:: 6G75, 6G72
- Мой автомобиль(и):: Mitsubishi Pajero IV 3.8 i , Mitsubishi Pajero Sport 1
- Откуда: Архангельская обл.
- Благодарил (а): 20 раз
- Поблагодарили: 27 раз
Re: Подключение Видеорегистратора. Н.2
Будем ждать.BabyHummer A-328 писал(а):Мне уже самому интересно стало:) Как-нить соберусь и измерю напряжение на зеркале(у меня тоже без экрана).max_ua писал(а):У меня обычное зеркало, без экрана.
Вобщем работает да и работает себе...
Montero Sport 3л.2001-продан
Pajero IV-3.8 2007 -продан
Pajero Sport 3л.2005 -продан
Pajero IV-3.8 2007 -продан
Pajero Sport 3л.2005 -продан
- megranny
- Сообщения: 6152
- Зарегистрирован: 18 июл 2011, 01:22
- Двигатель:: дизель 4M41
- Мой автомобиль(и):: Subaru Forester III(S12),MP IV-3,2 Di-D Ultimate
- Откуда: ЦФО,76
- Благодарил (а): 16 раз
- Поблагодарили: 79 раз
Re: Подключение Видеорегистратора. Н.2
А мне не пришлося,хотя по рангу положено было,но накануне знаменательного события поймался пьяненьким за рулём.Права-то на следующий день отдали,а вот членом я не сталBabyHummer A-328 писал(а):Я даже в КПСС вступил, когда-тоmegranny писал(а):Не,я слишком долго был,как все-в октябрятах-пионэрии и комсомолеBabyHummer A-328 писал(а):...Не заморачивайся, в общем, и сделай как все
![]()
Терича индивидуалом хочу быть![]()
I made in Japan
- BabyHummer A-328
- Сообщения: 6030
- Зарегистрирован: 27 июн 2012, 12:30
- Двигатель:: Бензин 3.8
- Мой автомобиль(и):: Mitsubishi Pajero IV
- Откуда: Москва, Бабушкинская
- Откуда: Москва
- Благодарил (а): 166 раз
- Поблагодарили: 212 раз
Re: Подключение Видеорегистратора. Н.2
Да уж, западло!megranny писал(а):А мне не пришлося,хотя по рангу положено было,но накануне знаменательного события поймался пьяненьким за рулём.Права-то на следующий день отдали,а вот членом я не сталBabyHummer A-328 писал(а): Я даже в КПСС вступил, когда-то![]()
ЗЫ. "Пьянству - бой!"
С уважением, Андрей
Псакой буду, если вру! :-)
Псакой буду, если вру! :-)
- megranny
- Сообщения: 6152
- Зарегистрирован: 18 июл 2011, 01:22
- Двигатель:: дизель 4M41
- Мой автомобиль(и):: Subaru Forester III(S12),MP IV-3,2 Di-D Ultimate
- Откуда: ЦФО,76
- Благодарил (а): 16 раз
- Поблагодарили: 79 раз
Re: Подключение Видеорегистратора. Н.2
Каюсь,забылmegranny писал(а):Вечером схему гляну,всего и делов-то
Но исправился и вспомнил
I made in Japan
- megranny
- Сообщения: 6152
- Зарегистрирован: 18 июл 2011, 01:22
- Двигатель:: дизель 4M41
- Мой автомобиль(и):: Subaru Forester III(S12),MP IV-3,2 Di-D Ultimate
- Откуда: ЦФО,76
- Благодарил (а): 16 раз
- Поблагодарили: 79 раз
Re: Подключение Видеорегистратора. Н.2
Сёдни проэкскриментировал на Субе.Подключился к точсветильникам.
Тама примерно така же панель точечных светильников,как и Паджере и даже пр-ль Mitsuba
Красота!
Никаких дрыгающихся шлангов-верёвок
На очереди Паджерик.
Тама примерно така же панель точечных светильников,как и Паджере и даже пр-ль Mitsuba
Красота!
I made in Japan
- liss1975
- Сообщения: 1758
- Зарегистрирован: 02 окт 2010, 17:39
- Двигатель:: бензин 3.0
- Мой автомобиль(и):: паджеро 4
- Откуда: Москва
- Откуда: Россия-Москва
- Благодарил (а): 9 раз
- Поблагодарили: 102 раза
- Контактная информация:
Re: Подключение Видеорегистратора. Н.2
Рабочее напряжение этой модели 10.5-16 Вольт ...есть модели и на 24 Вольт... как многие пишут бобышка стоит внутри на общей плате...max_ua писал(а):ну тогда мой BlackVue какой-то неправильный. Ибо я даже не задумывался, когда отрезал провода от розетки, чтоб присобачить их к зеркалу...
А работает же... Уже 2 года как... тьфу три раза ))
Для тех кто не знает, действительно серьезный регистратор работает от бортовой сети без каких либо бобышек, прикуривателей и преобразователей а все что на 5 Вольт это китайские регистраторы собранные с универсальных комплектующих которые идут практически на всю технику....телефоны...планшеты... и т.п.
Хотя поставить внутрь еще одну микруху за 5 руб. что мешает
Аккумулятор тут тоже не при делах... он есть в 99% регистраторах не зависимо от рабочего питания..
PAJERO IV 3.0 2010 г.в Николай
______________________________________________
Говорят за твоей спиной — значит, ты впереди.
Обсуждают твою жизнь — значит, она интересней их.
Пытаются найти недостатки —значит, завидуют.
______________________________________________
Говорят за твоей спиной — значит, ты впереди.
Обсуждают твою жизнь — значит, она интересней их.
Пытаются найти недостатки —значит, завидуют.
- vlaivan
- Сообщения: 52
- Зарегистрирован: 22 ноя 2013, 11:53
- Двигатель:: 6G75
- Мой автомобиль(и):: Паджеро 3.8
- Откуда: Москва
- Откуда: Кузьминки
- Благодарил (а): 1 раз
- Поблагодарили: 9 раз
Re: Подключение Видеорегистратора. Н.2
Бредliss1975 писал(а):Для тех кто не знает, действительно серьезный регистратор работает от бортовой сети без каких либо бобышек, прикуривателей и преобразователей а все что на 5 Вольт это китайские регистраторы собранные с универсальных комплектующих которые идут практически на всю технику....телефоны...планшеты... и т.п.max_ua писал(а):ну тогда мой BlackVue какой-то неправильный. Ибо я даже не задумывался, когда отрезал провода от розетки, чтоб присобачить их к зеркалу...
А работает же... Уже 2 года как... тьфу три раза ))
.
Зы а какие регики не в китае собираются???
- Lebed
- Сообщения: 10748
- Зарегистрирован: 25 июл 2010, 11:23
- Двигатель:: ******
- Мой автомобиль(и):: ******
- Откуда: ***
- Откуда: ***
- Благодарил (а): 236 раз
- Поблагодарили: 431 раз
Re: Подключение Видеорегистратора. Н.2
Ага.
Обратите внимание как проверяют работу микрофона)))
"Если театр начинается с вешалки, то за такие пьесы нужно вешать." (с)
P.S. Для упырей- "Мы с тобой Гималаи; остальные — ничтожества." (с)
P.S. Для упырей- "Мы с тобой Гималаи; остальные — ничтожества." (с)
- liss1975
- Сообщения: 1758
- Зарегистрирован: 02 окт 2010, 17:39
- Двигатель:: бензин 3.0
- Мой автомобиль(и):: паджеро 4
- Откуда: Москва
- Откуда: Россия-Москва
- Благодарил (а): 9 раз
- Поблагодарили: 102 раза
- Контактная информация:
Re: Подключение Видеорегистратора. Н.2
Чувствуется батенька что вы не инженер и не имеете ничего общего с разработкой и монтажом электроники и сборка тут ни причем,...Бред5в международный стандарт....а дальше все от производителя зависит...
Зы а какие регики не в китае собираются???или айфоны с самсунгами начали в америке и корее делать,тож кстати от 5в
5 Вольт да это основной стандарт для логических микросхем и процессоров и не имеет ничего общего с автомобильной техникой где бортовое напряжение минимум 12 Вольт.
Что же тогда автомагнитолы, радиостанции, бортовые пк, автомобильные мониторы типа подголовников или подвесные и т.п. не делают раз это стандарт
Так, что бред в том, что китайцы вместе с торгашами навязали нам свои стандарты заставляя забыть об истинных стандартах... идея китайцев удешевить до максимума.
Суть в том, что не надо делать два разъема (один для пк, а второй для питания на 12 Вольт) а лучше сэкономить на текстолите, на разъеме, на таблетке по питанию и т.п.
А теперь критика и сорказм....
Очень удобно купить за тысячу и не потратив копейки на установку просто воткнуть в прикуриватель шнурок с бобышкой который будет болтаться как кишка перед глазами и прилепить на стекло, а прикуриватель по определению не рассчитан на запитывание электроники т.к. он просто прикуриватель, а не розетка 12 Вольт. Вы только представьте как удобно иметь шнурок с бобышкой ...который можно примостырить к телефону на зарядку или еще куда, а еще удобно снять регистратор и пойти поснимать типа природу или кошек во дворе .... или еще что-то т.к. у дома нет видеокамеры или телефона со встроенной камерой. Очень удобно вместо СД карточки, домой притащить регистратор да еще и с присоской и воткнуть его на зарядку в пк или перекинуть видео т.к. нет у него дома переходника под СД карту...а тут чудный шнурок в комплекте...
И вообще очень удобно, да.. когда регистратор висит на пол лобовухи на огромной присоске, а вдруг захочется его снять и перенести например в машину к жене т.к. не хватило пару тысяч на покупку еще одного регистратора... БРЕД...
Если инсталлировать так по серьезному и без соплей и висюлек с бобышками
А вот для поклонников чисто китайской техники интересная очень статья...
В Санкт-Петербурге задержана партия мелкой бытовой техники из Китая, в которой были обнаружены шпионские модули, сообщает Vesti.ru. При помощи небольшого чипа, встроенного в утюги, чайники, смартфоны и видеорегистраторы, эти устройства могут подключаться к открытым сетям Wi-Fi, рассылая вирусы и спам, а также "шпионя" за своими владельцами, считают эксперты.
http://www.vesti.ru/doc.html?id=1146583
PAJERO IV 3.0 2010 г.в Николай
______________________________________________
Говорят за твоей спиной — значит, ты впереди.
Обсуждают твою жизнь — значит, она интересней их.
Пытаются найти недостатки —значит, завидуют.
______________________________________________
Говорят за твоей спиной — значит, ты впереди.
Обсуждают твою жизнь — значит, она интересней их.
Пытаются найти недостатки —значит, завидуют.
-
men43154
- Сообщения: 106
- Зарегистрирован: 06 май 2012, 01:52
- Двигатель:: 6G72, 3.0 бензин
- Мой автомобиль(и):: Pajero 4, 2011г.
- Откуда: С.Петербург
- Откуда: С.Петербург
- Благодарил (а): 15 раз
- Поблагодарили: 6 раз
Re: Подключение Видеорегистратора. Н.2
Статья и видео прям какая та заказу ха, где у нас в жилых домах есть, открытые сети Wi-Fi ?, чтоб утюги рассылали спам?. Просто гнобят технику скарлет.
liss1975 разъясните пожалуйста в чем принципиальные различия между розеткой 12в. и прикуривателем?, кроме крышечки на розетки.
liss1975 разъясните пожалуйста в чем принципиальные различия между розеткой 12в. и прикуривателем?, кроме крышечки на розетки.
- megranny
- Сообщения: 6152
- Зарегистрирован: 18 июл 2011, 01:22
- Двигатель:: дизель 4M41
- Мой автомобиль(и):: Subaru Forester III(S12),MP IV-3,2 Di-D Ultimate
- Откуда: ЦФО,76
- Благодарил (а): 16 раз
- Поблагодарили: 79 раз
Re: Подключение Видеорегистратора. Н.2
Чё-то мы малёхо поотклонилися от курса.У мне регик тоже пятивольтовый(на родном шнурке бобышка-5V-стабилизатор).Вíроблен в чайне.Причём распайка мини-USB отличается от стандартной и при подключении обычным 5V-адаптером не работае GPS-карта с базой камер,пришлось дорабатывать.При подключении к фонарям точподсветки пришлося стаб убрать в имеющуюся в плафоне нишу.Ну а Кобра имеет прямое подключение +12V.
Теперь по способу подключения.А вариант- с подключением к питанию лампочек в солнцезащитных козырьках никто не пробовал?
Теперь по способу подключения.А вариант- с подключением к питанию лампочек в солнцезащитных козырьках никто не пробовал?
I made in Japan
- Lebed
- Сообщения: 10748
- Зарегистрирован: 25 июл 2010, 11:23
- Двигатель:: ******
- Мой автомобиль(и):: ******
- Откуда: ***
- Откуда: ***
- Благодарил (а): 236 раз
- Поблагодарили: 431 раз
Re: Подключение Видеорегистратора. Н.2
Пред 15А на прикуриватель, 25А на розетку. Это если по быстрому)))men43154 писал(а):...разъясните пожалуйста в чем принципиальные различия между розеткой 12в. и прикуривателем?, кроме крышечки на розетки.
Кстати! Тем, кому нужны допрозетки для подключения оборудования. Отечественный производитель, где многие уже купили реле для ДХО- http://www.12v.ru/site.xp/053049049124.html
По открытым сетям ВиФи в С.-Пб.- полно. Если интересно, то могу скинуть простую прогу, ломающую закрытые)))
Привет Алексей!megranny писал(а):...Теперь по способу подключения.А вариант- с подключением к питанию лампочек в солнцезащитных козырьках никто не пробовал?
А зачем? Золотое правило электрика: нужны новые потребители- тяни новую линию.))) И конечно же, ИМХО)))
"Если театр начинается с вешалки, то за такие пьесы нужно вешать." (с)
P.S. Для упырей- "Мы с тобой Гималаи; остальные — ничтожества." (с)
P.S. Для упырей- "Мы с тобой Гималаи; остальные — ничтожества." (с)
