если включить нейтраль..двигатель набирает обороты?sinensis писал(а):Уважаемые форумчане, очень вас прошу помочь разобраться в проблеме! Двигатель раскручивается до 3,5 -4 т.об а машина не едет....и постепенно температура начинает ползти вверх! Т.е. и переключения происходят на 3-4 тыс. об. Максимальная скорость которую можно набрать 60 км/ч. Второй месяц сижу на форуме перепробовал все: ДМРВ, ДПДЗ проверял...компрессия от 12,5 до 13,8, масло в коробке новое и уровень нормальный, фильтр топливный новый, подсоса воздуха нет,свечи все рабочие, двигатель работает ровно, коробка включается без рывков. Единственное что меня смущает это мой бензонасос Era 44077 и пламегаситель ввареный взамен катализатора (лямбда-зонд один - до пламегасителя). Приезжал к диагностам....они сказали разъем OBD не работает. CHECK ENGINE не горит! Помогите разобраться!!!!
TRT - Вдоль р.Киржач. Для стандартных 4х4 (08.11.25) Форум Обсуждение FAQ
Двигатель ревет, но машина не едет!!
Модераторы: SNOOPER, Nbf, Romik, BAlex, drcham, алексей - Маленький Мук
- kasanova Piter
- Сообщения: 814
- Зарегистрирован: 14 янв 2009, 20:37
- Двигатель:: HD FT 4.2 Турбо дизель 24 клапана
- Мой автомобиль(и):: ТЛК 80 HD FT рестайл лимитед VX
- Откуда: Ленинград
- Откуда: Город Герой Ленинград
- Благодарил (а): 4 раза
- Поблагодарили: 6 раз
Re: Двигатель ревет, но машина не едет!!
ТЛК 80 97год рестайл 4,2 +3 дюйма OME 35 колеса бампера багажник .Машина в идеале с гаражного хранения
монтеро2 1999г 4м40 продан в феврале 2020г уехал на Камчатку
монтеро 2 1995г 6g74 АКПП super select .отъездил своё разобран и продан по частям
монтеро2 1999г 4м40 продан в феврале 2020г уехал на Камчатку
монтеро 2 1995г 6g74 АКПП super select .отъездил своё разобран и продан по частям
-
sinensis
- Сообщения: 47
- Зарегистрирован: 15 авг 2014, 21:31
- Двигатель:: 6g74
- Мой автомобиль(и):: Pajero 2
- Откуда: Волгоград
- Поблагодарили: 1 раз
Re: Двигатель ревет, но машина не едет!!
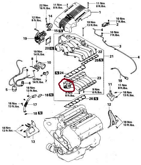
На нейтрали двигатель набирает обороты. Проблема потихоньку решается! Перебрал всю электропроводку, заменил все рассыпавшыеся провода. Заменил бензонасос на Bosch номер не помню(но не от 2110). Почистил клапан егр. Проверены и почистил датчик температуры. Машина немного ожила. Теперь заметил что пневмоклапан, расположенный вначале впускного коллектора (двиг 6g74 96г), который регулирует открытие-закрытие заслонок во впускном коллекторе при работе двигателя не реагирует вообще никак. Проверил соленоид через который подается вакуум на клапан...оказался не рабочим. Заменил соленоид на пневмоклапан хх от ваз 2105. Теперь как только завожу машину клапан открывается и все. Знает ли кто-н принцип работы этого пневмоклапана с заслонками? Как он должен работать?
-
sinensis
- Сообщения: 47
- Зарегистрирован: 15 авг 2014, 21:31
- Двигатель:: 6g74
- Мой автомобиль(и):: Pajero 2
- Откуда: Волгоград
- Поблагодарили: 1 раз
Re: Двигатель ревет, но машина не едет!!
Кстати, если кому интересно - температура двигателя росла из-за радиатора....мне машина досталась с неродным алюминиевым радиатором.....так вот после замены его на родной медный все пришло в норму!
-
Олег....
- Сообщения: 1711
- Зарегистрирован: 21 май 2010, 15:43
- Двигатель:: 6G72
- Мой автомобиль(и):: Montero Sport
- Откуда: Таганрог
- Благодарил (а): 69 раз
- Поблагодарили: 86 раз
- Контактная информация:
Re: Двигатель ревет, но машина не едет!!
На оборотах 0-3000 клапан должен сработать и повернуть заслонки. Т.е. заводишь - от срабатывает. После 3000 или если заглушить двиг отключается.
Я его всегда проверяю сдергивая фишку на холостых - сразу видно были повернуты заслонки или нет.
Я его всегда проверяю сдергивая фишку на холостых - сразу видно были повернуты заслонки или нет.
Montero Sport 2003 6G72. 32е ATэшечки, хобот, радейка. Спальник.
ПРОДАН Montero'94 6G74 АККП Длинный, 31-е мудричи, хобот и крепкий бампер. Рации всякие.
ПРОДАН Montero'94 6G74 АККП Длинный, 31-е мудричи, хобот и крепкий бампер. Рации всякие.
