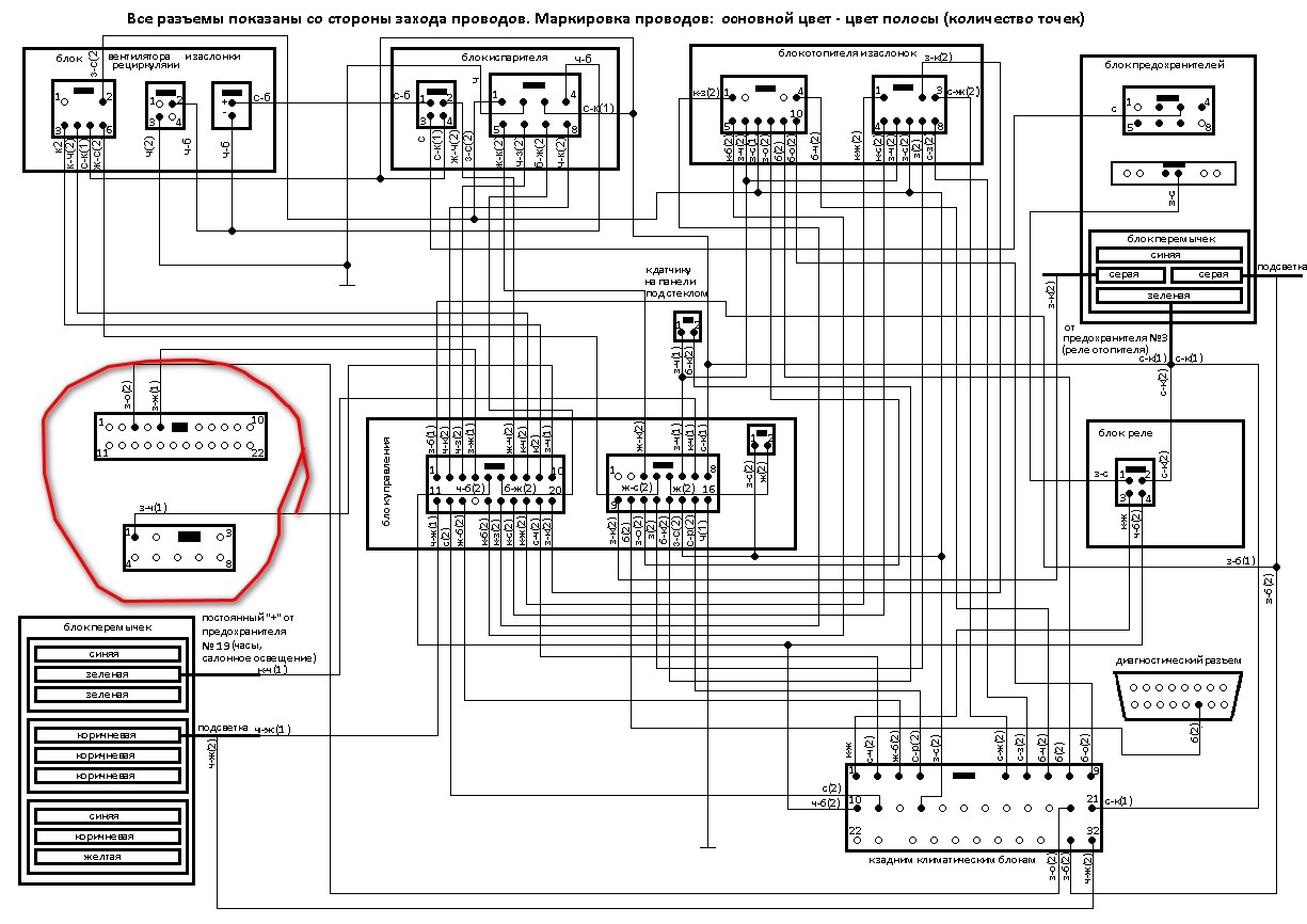
Нет получится, кидай новую проводку, благо ее там не многоglazkovartem писал(а):Далее по ходу внедрения проводки, буду рисовать схему интеграции климата в родные косы. Идея состоит в том, чтобы не протягивать лишние провода, а задействовать максимально родную проводку. При этом разъемы от старых блоков отрезать не буду. То есть проводка получится универсальной и для климата и для обычного кондиционера. Всегда должна быть возможность откатиться назад))))
TRT "107-108" Для стандарта и не только! (4.04.2026) Форум Обсуждение FAQ
Нужна схема климат контроля
Модераторы: SNOOPER, Nbf, Romik, BAlex
- Dimix
- Сообщения: 12135
- Зарегистрирован: 26 сен 2006, 18:31
- Двигатель:: 6G72 24v
- Мой автомобиль(и):: montero sport'02
- Откуда: Балашиха
- Откуда: Россия, Балашиха-Москва
- Благодарил (а): 88 раз
- Поблагодарили: 402 раза
Re: Нужна схема климат контроля
-
glazkovartem
- Сообщения: 5
- Зарегистрирован: 25 июн 2018, 14:44
- Двигатель:: 4М40-Т турбодизель
- Мой автомобиль(и):: MITSUBISHI PAJERO-2 (1999 г.в.)
- Откуда: Пермь
Re: Нужна схема климат контроля
В подторпедную косу интегрироваться действительно сложно. Единственный хороший момент - это то, что можно частично использовать штатную проводку, соединяющую косу с разъемом C-35. Это тот, в котором уходят провода на задний климат. С задним все немного лучше. Там можно свои разъемы подвязывать к штатным. Не все провода, но хотя бы некоторые. На следующей неделе закончу (но это не точно), нарисую что к чему подключал.
-
Demonsur
- Сообщения: 1
- Зарегистрирован: 09 апр 2019, 07:34
- Двигатель:: 4M40
- Мой автомобиль(и):: Pajero 2
- Откуда: Новокузнейк
-
anmifemon
- Сообщения: 3
- Зарегистрирован: 15 ноя 2022, 18:31
- Двигатель:: 4m40
- Мой автомобиль(и):: Mitsubihsi Pajero II
- Откуда: Мончегорск
Нужна схема климат контроля
Здравствуйте. Подскажите откуда идут эти провода? Что это за разъемы? У меня они все трое идут из одного разъема.
