TRT - Вдоль р.Киржач. Для стандартных 4х4 (08.11.25) Форум Обсуждение FAQ
Отказали сразу все амортизаторы ....
Модераторы: SNOOPER, Nbf, Romik, BAlex, drcham, алексей - Маленький Мук
- Владимир Михайлович
- Сообщения: 6286
- Зарегистрирован: 22 фев 2008, 20:51
- Двигатель:: 6G74
- Мой автомобиль(и):: Монтеро 94 г.в.
- Откуда: Питер
- Откуда: Санкт-Петербург
- Благодарил (а): 69 раз
- Поблагодарили: 178 раз
Re: Отказали сразу все амортизаторы ....
Если Vitaliy666 прав (а по схеме видно, что моторчики вращаются в одну сторону), остается предположить нелогичное: проходя нерабочие 180 градусов, шток полностью отключает амортизаторы. Неужели конструкторы могли допускать такое? Или просто описание автором работы машины слишком эмоциональное.
Монтеро 5 дв. 6G74.АКПП. 94 г.в.
-
Vitaliy666
- Сообщения: 2727
- Зарегистрирован: 02 сен 2011, 07:53
- Двигатель:: =--=
- Мой автомобиль(и):: =----=
- Откуда: =--=
- Благодарил (а): 11 раз
- Поблагодарили: 143 раза
Re: Отказали сразу все амортизаторы ....
Серега Сахалин писал(а):
если эта фигня - моторчики, то они отдельно от амортизаторов продаются, сам покупал
а ваще спор жестокий у вас
нее фигня это железка каплевидной формы)))
вот справа внизу она)))

дак вот передние аморты различаются только ей(сами они идентичны))) у нее срез в разных местах...просто тупо чтобы развернуть кронштейн внутрь кузова, и провод от моторчика шел внутрь...все)) а задние аморты вообще одинаковые...и провода вдоль кузова смотрят...

ну а про моторчики еще раз могу повторить, что разница только в проводах...остальное и подключение и функционал идентичны...и на амортизаторе их не реально по другому поставить потому, что на кронштейне так же вырез существует...и сам кронштейн с моторчиком сделаны с небольшим смещение оси и на 180 градусов тупо не развернуть...ниже фотка на ней это видно, и на ней же видно что и шток амортизатора тоже имеет не прямоугольную форму и его по другому в моторчик тоже не воткнешь...

-
Pteradaktel
- Сообщения: 16362
- Зарегистрирован: 14 июн 2011, 16:42
- Двигатель:: 4D56
- Мой автомобиль(и):: Pajero2
- Откуда: Пермь
- Откуда: Пермь
- Благодарил (а): 109 раз
- Поблагодарили: 311 раз
Re: Отказали сразу все амортизаторы ....
вот установка и левого и правого задниих
"капля" расположена под 90 гр (!) , и если сектора на моторчиках одинаковые, то значит нада сам аморт распилить и посмотреть...
кстати, от Жипера аморты с моторчиками приходят подписанные))уже дважды у него заказывал. Один раз только пару передних, второй раз - вкруг.
как то так
кстати, от Жипера аморты с моторчиками приходят подписанные))уже дважды у него заказывал. Один раз только пару передних, второй раз - вкруг.
как то так
-
Vitaliy666
- Сообщения: 2727
- Зарегистрирован: 02 сен 2011, 07:53
- Двигатель:: =--=
- Мой автомобиль(и):: =----=
- Откуда: =--=
- Благодарил (а): 11 раз
- Поблагодарили: 143 раза
Re: Отказали сразу все амортизаторы ....
ну правильно задние капли одинаковые под 90градусов и спреди левая помоему(если память не изменяет) такая же...а вот правая передняя другая...она кстаии на фотке которую приложил
а у тебя сзади капли одинаковые? да вообщем-то и не важно они же просто держат внешнюю обойму аморта, просто чтобы задать направление проводов и что бы обойма не вращалась в процессе эксплуатации...работа задается кронштейном и самим двигателем...
а на счет того что подписывает, правильно провода же разные, вот и написано где он их снял...но если вы их переставите местами то функционал не изменится...правда с оговоркой если проводов длины хватит, мне пришли обрезанные поэтому было абсолютно не важно куда что ставить...и кстати передние моторчики были одинаковые по обозначению)) и все прекрасно работает...
http://pajero4x4.ru/bbs/phpBB2/viewtopi ... 5#p1674385
вот нашел сообщение с разъемами какие ставил
а у тебя сзади капли одинаковые? да вообщем-то и не важно они же просто держат внешнюю обойму аморта, просто чтобы задать направление проводов и что бы обойма не вращалась в процессе эксплуатации...работа задается кронштейном и самим двигателем...
а на счет того что подписывает, правильно провода же разные, вот и написано где он их снял...но если вы их переставите местами то функционал не изменится...правда с оговоркой если проводов длины хватит, мне пришли обрезанные поэтому было абсолютно не важно куда что ставить...и кстати передние моторчики были одинаковые по обозначению)) и все прекрасно работает...
http://pajero4x4.ru/bbs/phpBB2/viewtopi ... 5#p1674385
вот нашел сообщение с разъемами какие ставил
-
Экскурсовод
- Сообщения: 57
- Зарегистрирован: 01 фев 2014, 22:19
- Двигатель:: 6g72
- Мой автомобиль(и):: Паджеро 2
- Откуда: Москва
Re: Отказали сразу все амортизаторы ....
Лифт делал . С зади патроловские пружины , и наварил нижнее крепленее амортов, стабилизатор выкинул. В переди накрулили торсионы ,перевернули шаровые......вот и всь лифтPteradaktel писал(а):И еще мысль..пригоняли патриота после лифта кузова - у него тож раскачка появилась - так там просто неправильно подушки изготовили..
Ты перед 33" лиф не делал?
как то так
-
Vitaliy666
- Сообщения: 2727
- Зарегистрирован: 02 сен 2011, 07:53
- Двигатель:: =--=
- Мой автомобиль(и):: =----=
- Откуда: =--=
- Благодарил (а): 11 раз
- Поблагодарили: 143 раза
Re: Отказали сразу все амортизаторы ....
проверяй работу моторчиков...что мусолить то из пустого в порожнее
-
Экскурсовод
- Сообщения: 57
- Зарегистрирован: 01 фев 2014, 22:19
- Двигатель:: 6g72
- Мой автомобиль(и):: Паджеро 2
- Откуда: Москва
Re: Отказали сразу все амортизаторы ....
Не работают моторчики , все вчетверомVitaliy666 писал(а):проверяй работу моторчиков...что мусолить то из пустого в порожнее
-
Vitaliy666
- Сообщения: 2727
- Зарегистрирован: 02 сен 2011, 07:53
- Двигатель:: =--=
- Мой автомобиль(и):: =----=
- Откуда: =--=
- Благодарил (а): 11 раз
- Поблагодарили: 143 раза
Re: Отказали сразу все амортизаторы ....
Ну вот. Уже лучше теперь проверяй приходит ли на них напряжение когда ты кнопки щелкаешь, если приходит значит разбирать моторчики и чистить контакты, если не приходит рыть проводку
- витал71
- Сообщения: 5784
- Зарегистрирован: 05 мар 2009, 11:10
- Двигатель:: 6G74
- Мой автомобиль(и):: Паджеро-2
- Откуда: Нижний Новгород
- Откуда: Н.Новгород 52
- Благодарил (а): 14 раз
- Поблагодарили: 31 раз
Re: Отказали сразу все амортизаторы ....
думаю что то с управлением..Экскурсовод писал(а):Не работают моторчики , все вчетверомVitaliy666 писал(а):проверяй работу моторчиков...что мусолить то из пустого в порожнее
-
Vitaliy666
- Сообщения: 2727
- Зарегистрирован: 02 сен 2011, 07:53
- Двигатель:: =--=
- Мой автомобиль(и):: =----=
- Откуда: =--=
- Благодарил (а): 11 раз
- Поблагодарили: 143 раза
Re: Отказали сразу все амортизаторы ....
да тут как бы тогда и лампочки не загорались...если загораются, значит блочек работает исправно, и косяк в проводке
- Deem-On
- Сообщения: 1014
- Зарегистрирован: 18 мар 2011, 17:49
- Двигатель:: 4M40
- Мой автомобиль(и):: Паджеро 2, был
- Откуда: Ярославль
- Благодарил (а): 8 раз
- Поблагодарили: 95 раз
Re: Отказали сразу все амортизаторы ....
не совсем верно, индикация будет работать даже при отсутствии блока, поскольку на нее сигнал идет напрямую с переключателя. На моторчики минус идет с переключателя, на один из трех проводов, в зависимости от положения, а вот плюс у всех моторчиков общий, он то и идет с блока, вот в этом направлении и надо копать. Предохранитель №7( 10А) в блоке под рулем целый?Vitaliy666 писал(а):да тут как бы тогда и лампочки не загорались...если загораются, значит блочек работает исправно, и косяк в проводке
П-2 1994 длинный,GLS,4М40,АКПП,SS,А/Т32"-увы, уже донор
-
Vitaliy666
- Сообщения: 2727
- Зарегистрирован: 02 сен 2011, 07:53
- Двигатель:: =--=
- Мой автомобиль(и):: =----=
- Откуда: =--=
- Благодарил (а): 11 раз
- Поблагодарили: 143 раза
Re: Отказали сразу все амортизаторы ....
Может быть, хорошо что поправили...всех мелочей уже не помню машины то уже нет.
-
Vitaliy666
- Сообщения: 2727
- Зарегистрирован: 02 сен 2011, 07:53
- Двигатель:: =--=
- Мой автомобиль(и):: =----=
- Откуда: =--=
- Благодарил (а): 11 раз
- Поблагодарили: 143 раза
Re: Отказали сразу все амортизаторы ....
СПЕЦИАЛЬНО ДЛЯ ПТЕРАДАКТЕЛЯ! (кстати правильно пишется Птеродактиль, но куда нам не образованным)
Дак вот открой там страничку 33-7 и о чудо, даже сам Производитель рекомендует при проверке по методике 2 переставлять приводы левых и правых колес, для проверки))) наверно потому, что они разные, а они то с Чушью в штанах и не ссущие на первые снега, не знаю об этом!Серега Сахалин писал(а):Pteradaktel писал(а):И еще мысль..пригоняли патриота после лифта кузова - у него тож раскачка появилась - так там просто неправильно подушки изготовили..
Ты перед 33" лиф не делал?
как то такхороший вопрос
ну и еще:
"чтобы не было пи-дежу надо делать по чертежу". найди грамотного автоэлектрика , чтобы проверил:
-
Pteradaktel
- Сообщения: 16362
- Зарегистрирован: 14 июн 2011, 16:42
- Двигатель:: 4D56
- Мой автомобиль(и):: Pajero2
- Откуда: Пермь
- Откуда: Пермь
- Благодарил (а): 109 раз
- Поблагодарили: 311 раз
Re: Отказали сразу все амортизаторы ....
нет, индикация работает по алгоритму - не отработал моторчик - лампочек на панели горит две..Deem-On писал(а):не совсем верно, индикация будет работать даже при отсутствии блока, поскольку на нее сигнал идет напрямую с переключателя. ..Vitaliy666 писал(а):да тут как бы тогда и лампочки не загорались...если загораются, значит блочек работает исправно, и косяк в проводке
ТС, извини, больше я на него несагрюсь
ДЛЯ ВИТАЛИКОФ - Птер - имя собственное, но 666 этого непонять..у них всегда все плохо
внимательно алгоритм проверки сам посмотри..я как правило к книжкам с кривыми переводами с сомнением отношусь ну и потом, я как понял, в характере у тебя заложено людям гадости говорить (я то уже и забыл про то, что ты вообще существуешь) но это лечится.
как то так
-
Vitaliy666
- Сообщения: 2727
- Зарегистрирован: 02 сен 2011, 07:53
- Двигатель:: =--=
- Мой автомобиль(и):: =----=
- Откуда: =--=
- Благодарил (а): 11 раз
- Поблагодарили: 143 раза
Re: Отказали сразу все амортизаторы ....
Да какие гадости))) так замечания...
По поводу отработал моторчик или нет и индикации что-то не уверен что именно так(электрической схемы сейчас нет под рукой чтобы посмотреть, но вроде небыло там обратной связи, а книжку я с машиной отдал) хотя у меня было что горело несколько лампочек но косяк был в проводке...
А у тс лампочки исправно переключаются, а моторчики не работают, судя по его словам. Тогда должно тоже быть, что несколько лампочек горит...
По поводу отработал моторчик или нет и индикации что-то не уверен что именно так(электрической схемы сейчас нет под рукой чтобы посмотреть, но вроде небыло там обратной связи, а книжку я с машиной отдал) хотя у меня было что горело несколько лампочек но косяк был в проводке...
А у тс лампочки исправно переключаются, а моторчики не работают, судя по его словам. Тогда должно тоже быть, что несколько лампочек горит...
-
Pteradaktel
- Сообщения: 16362
- Зарегистрирован: 14 июн 2011, 16:42
- Двигатель:: 4D56
- Мой автомобиль(и):: Pajero2
- Откуда: Пермь
- Откуда: Пермь
- Благодарил (а): 109 раз
- Поблагодарили: 311 раз
Re: Отказали сразу все амортизаторы ....
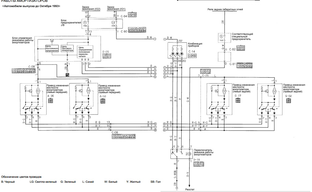
Несколько раз замечал, если система регулировки работала некоректно ( в моем случае умирал моторчик) то на панеле горели две лампочки - режима в который переключил и режима, который был до этого. Вот в кучу схему собрал
минус на индикаторе появляется (или остается, тут дело просто в формулировке) через контакт "неотработавшего" моторчика.
Я б начал искать причину с разьема С8, тем более ты пишешь что сначала разом отказали оба задних.
как то так
Я б начал искать причину с разьема С8, тем более ты пишешь что сначала разом отказали оба задних.
как то так
- Deem-On
- Сообщения: 1014
- Зарегистрирован: 18 мар 2011, 17:49
- Двигатель:: 4M40
- Мой автомобиль(и):: Паджеро 2, был
- Откуда: Ярославль
- Благодарил (а): 8 раз
- Поблагодарили: 95 раз
Re: Отказали сразу все амортизаторы ....
Позволю не согласиться, через моторчик на индикаторе минус появиться не может, по схеме видно, что там стоят диоды, и относительно друг друга они включены встречно, минус будет только в случае их пробоя. А из практики - индикация работала исправно даже при отсутствии самих моторчиков.Pteradaktel писал(а): минус на индикаторе появляется (или остается, тут дело просто в формулировке) через контакт "неотработавшего" моторчика.
как то так
Да, а вот поиск надо начинать с разъема блока, здесь полностью согласен.
П-2 1994 длинный,GLS,4М40,АКПП,SS,А/Т32"-увы, уже донор
-
Экскурсовод
- Сообщения: 57
- Зарегистрирован: 01 фев 2014, 22:19
- Двигатель:: 6g72
- Мой автомобиль(и):: Паджеро 2
- Откуда: Москва
Re: Отказали сразу все амортизаторы ....
Всем спасибо за советы. Сегодня загнал машину в гараж и в тишине стало слышно что моторчики всетаки жужжат, типо работают. Раньше походу я этого не слышал из зи шума города. Ну или может предохранители пошевелил.... Но сути это не меняет , амортизаторы по прежнему не работают. Жижа из них никакая не вытекала 100%. Тоесть масло в них есть. Какого фига они тогда не работают?
И ещ!а как непосредственно изменяеться жесткость. Могли ли клапона забиться? Сломаться? И есть ли ремкомплекты? Или только замена?
И ещ!а как непосредственно изменяеться жесткость. Могли ли клапона забиться? Сломаться? И есть ли ремкомплекты? Или только замена?
-
Vitaliy666
- Сообщения: 2727
- Зарегистрирован: 02 сен 2011, 07:53
- Двигатель:: =--=
- Мой автомобиль(и):: =----=
- Откуда: =--=
- Благодарил (а): 11 раз
- Поблагодарили: 143 раза
Re: Отказали сразу все амортизаторы ....
ну сними моторчики посмотри визуально крутятится ли на них привод штока, и сам шток покрути в аммортизаторе
- saper31
- Сообщения: 2403
- Зарегистрирован: 13 сен 2009, 19:17
- Двигатель:: 6G72
- Мой автомобиль(и):: MPSport
- Откуда: БЕЛГОРОД 31
- Благодарил (а): 3 раза
- Поблагодарили: 106 раз

