Чудны дела твои, Господи...
Стеклоподъемники
Модераторы: SNOOPER, Nbf, Romik, BAlex
- dvm99
- Сообщения: 22067
- Зарегистрирован: 21 май 2012, 20:59
- Двигатель:: 6G72, 12клап.,
- Мой автомобиль(и):: Pajero2, Запорожец- Ланос
- Откуда: Свердловская обл.
- Благодарил (а): 724 раза
- Поблагодарили: 1060 раз
Стеклоподъемники
Видимо это обратная связь по току или т.п.
Чудны дела твои, Господи...
Чудны дела твои, Господи...
Дмитрий
Боливар2 - П2, 92г., V43, 6G72(12V), V4AW2, RD/L, пруль (чистокровный японский рысак)
Боливар1 - П2, 93г., 6G72(12V), МКПП, V43, RD/L, Европа (славный был конь, но уже донор)
Боливар2 - П2, 92г., V43, 6G72(12V), V4AW2, RD/L, пруль (чистокровный японский рысак)
Боливар1 - П2, 93г., 6G72(12V), МКПП, V43, RD/L, Европа (славный был конь, но уже донор)
- hc2hunter
- Сообщения: 7186
- Зарегистрирован: 03 фев 2013, 14:29
- Двигатель:: 6G74 MPI
- Мой автомобиль(и):: Montero 3 Limited, 2001
- Откуда: Смоленск
- Благодарил (а): 454 раза
- Поблагодарили: 452 раза
Стеклоподъемники
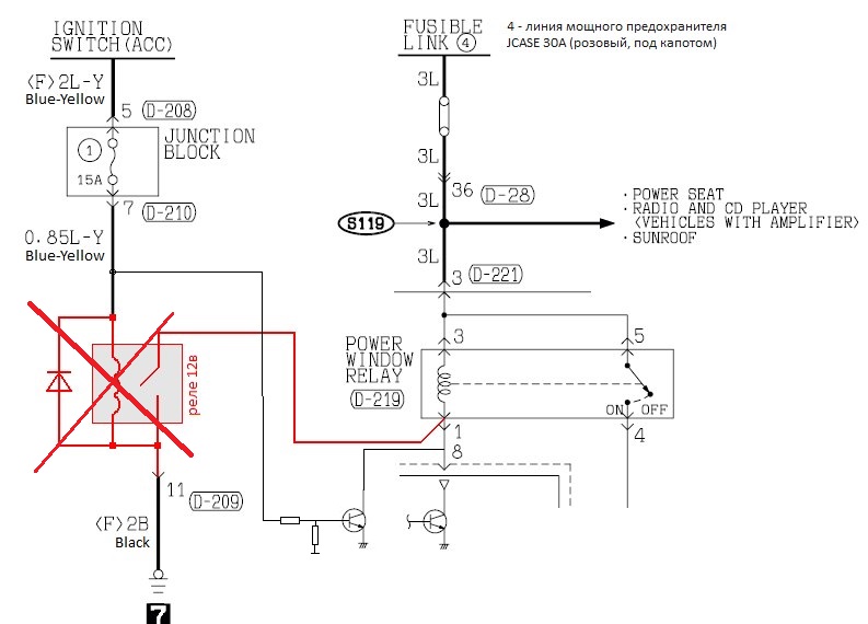
Реализовал данную затею в Montero III.
Привожу схемотехническое решение. Откопал ненужную релюшку на 12В. Обязательно снабдил её диодиком защитным. И коммутирую при подаче ACC 1-ю ножку реле стеклоподъемников об землю. Это даёт возможность использовать стеклоподъемники уже в положении ACC. В положении ON происходит то же самое, но через транзистор (см. схему).
Если мое реле отсоединить или оно перестанет срабатывать, то схема вернется в штатный функционал.
Все работает
Ну да... лишних 2 реле теперь потребляют в положении ACC, но вроде это потребление на столько мизерное, что особо не делает плохой погоды...
Большое спасибо Саше SNOOPERу за предоставленные фрагменты расположения разъемов из базы AllDATA!
Montero 3 LTD 2001, 3.5 6G74 MPI, АКПП v5a51
- Как показала практика — для начала неплохо было бы ознакомиться с теорией (с)
- Как показала практика — для начала неплохо было бы ознакомиться с теорией (с)
- dvm99
- Сообщения: 22067
- Зарегистрирован: 21 май 2012, 20:59
- Двигатель:: 6G72, 12клап.,
- Мой автомобиль(и):: Pajero2, Запорожец- Ланос
- Откуда: Свердловская обл.
- Благодарил (а): 724 раза
- Поблагодарили: 1060 раз
Стеклоподъемники
По твоей схеме диод нафиг не нужен
А вообще, у правильных реле он уже внутри стоит...
Дмитрий
Боливар2 - П2, 92г., V43, 6G72(12V), V4AW2, RD/L, пруль (чистокровный японский рысак)
Боливар1 - П2, 93г., 6G72(12V), МКПП, V43, RD/L, Европа (славный был конь, но уже донор)
Боливар2 - П2, 92г., V43, 6G72(12V), V4AW2, RD/L, пруль (чистокровный японский рысак)
Боливар1 - П2, 93г., 6G72(12V), МКПП, V43, RD/L, Европа (славный был конь, но уже донор)
- hc2hunter
- Сообщения: 7186
- Зарегистрирован: 03 фев 2013, 14:29
- Двигатель:: 6G74 MPI
- Мой автомобиль(и):: Montero 3 Limited, 2001
- Откуда: Смоленск
- Благодарил (а): 454 раза
- Поблагодарили: 452 раза
Стеклоподъемники
В сущности да, но я решил перестраховаться. Не вижу смысла нагружать "дребезгом" (даже весьма далеко расположенным) p-n переход транзистора и вообще создавать возмущения в цепях выбросами в моменты работы моего реле. Хуже точно не будет.
"Правильного" реле у меня не было, да и сильно крупное оно. Я взял маленькое китайское реле 12v из сгоревшего блока управления люстрой и подсоединил к схеме через разъем компьютерного кулера. Если мне надо будет вернуть схему в штатный функционал - я просто выдерну свое реле и все. При этом, данный разъем весьма надежен и отлично сохраняет контакт в любых условиях. Кстати...
Если внимательно полистать Паджеро-схемы - там есть некоторые реле уже с диодами внутри, а есть такие как Power Window Relay - без (как на моей схеме). Они универсальные, т.к. могут втыкаться в разных положениях и на разную полярность управления.
Montero 3 LTD 2001, 3.5 6G74 MPI, АКПП v5a51
- Как показала практика — для начала неплохо было бы ознакомиться с теорией (с)
- Как показала практика — для начала неплохо было бы ознакомиться с теорией (с)
- dvm99
- Сообщения: 22067
- Зарегистрирован: 21 май 2012, 20:59
- Двигатель:: 6G72, 12клап.,
- Мой автомобиль(и):: Pajero2, Запорожец- Ланос
- Откуда: Свердловская обл.
- Благодарил (а): 724 раза
- Поблагодарили: 1060 раз
Стеклоподъемники
Хуже не будет, это да.
Это я так, повы-ться))
Вообще p-n переходы легко переносят такие вещи, импульные токи, как правило, по паспорту всегда выше в разы.
Мне, кстати, иногда попадались реле , у которых вместо диода стоит резистор.
Дмитрий
Боливар2 - П2, 92г., V43, 6G72(12V), V4AW2, RD/L, пруль (чистокровный японский рысак)
Боливар1 - П2, 93г., 6G72(12V), МКПП, V43, RD/L, Европа (славный был конь, но уже донор)
Боливар2 - П2, 92г., V43, 6G72(12V), V4AW2, RD/L, пруль (чистокровный японский рысак)
Боливар1 - П2, 93г., 6G72(12V), МКПП, V43, RD/L, Европа (славный был конь, но уже донор)
- hc2hunter
- Сообщения: 7186
- Зарегистрирован: 03 фев 2013, 14:29
- Двигатель:: 6G74 MPI
- Мой автомобиль(и):: Montero 3 Limited, 2001
- Откуда: Смоленск
- Благодарил (а): 454 раза
- Поблагодарили: 452 раза
Стеклоподъемники
Я чуть более аккуратно к этому отношусь, т.к. в далеком прошлом учился на электронщика.
Да, проблем скорее всего не будет, ибо все элементы грубые, на толстых проводах и вообще рассчитаны на дикий ампераж. А ECU все защищены входными цепями на стабилизаторах, да и вообще находятся за "двумя заборами" от того что мы творим. А самое главное - у нас постоянный ток, а не импульсное питание.
НО
Приведу пример.
Когда ты включаешь обычную современную лампочку светодиодную - у тебя по сети проносится блуждающий импульс в несколько kV и током в пару килоАМПЕР. Спасает лишь то, что длительность его всего лишь несколько микросекунд. Иногда даже наносекунд.
Но если вдуматься... ух!
Поэтому вся современная "конденсаторная техника" и пещрит таким обилием деталей. 60% схемы на входе - это тупо антипомехи и обратная защита сетей от самого этого прибора... и только 40% - то чего инженеры хотели добиться на выходе
Раньше блок питания был какой? Трансформатор +4 диода. А теперь?
Это все, конечно, лирика, но тут по сути то же самое. Реле щелкнуло, пока контакты не соприкоснулись - пролетела плазма "сварки", которая вызвала охренительный всплеск не только по проводам, но даже в радиоэфире. Короче лучше не задумываться об этом...
Реле разомкнулось - мало того что опять жахнула "сварка", так еще и через катушку рубанул обратный выброс...
Короче, забей. Я тоже повы*бываться
Montero 3 LTD 2001, 3.5 6G74 MPI, АКПП v5a51
- Как показала практика — для начала неплохо было бы ознакомиться с теорией (с)
- Как показала практика — для начала неплохо было бы ознакомиться с теорией (с)
- dvm99
- Сообщения: 22067
- Зарегистрирован: 21 май 2012, 20:59
- Двигатель:: 6G72, 12клап.,
- Мой автомобиль(и):: Pajero2, Запорожец- Ланос
- Откуда: Свердловская обл.
- Благодарил (а): 724 раза
- Поблагодарили: 1060 раз
Стеклоподъемники
Дмитрий
Боливар2 - П2, 92г., V43, 6G72(12V), V4AW2, RD/L, пруль (чистокровный японский рысак)
Боливар1 - П2, 93г., 6G72(12V), МКПП, V43, RD/L, Европа (славный был конь, но уже донор)
Боливар2 - П2, 92г., V43, 6G72(12V), V4AW2, RD/L, пруль (чистокровный японский рысак)
Боливар1 - П2, 93г., 6G72(12V), МКПП, V43, RD/L, Европа (славный был конь, но уже донор)
- hc2hunter
- Сообщения: 7186
- Зарегистрирован: 03 фев 2013, 14:29
- Двигатель:: 6G74 MPI
- Мой автомобиль(и):: Montero 3 Limited, 2001
- Откуда: Смоленск
- Благодарил (а): 454 раза
- Поблагодарили: 452 раза
Стеклоподъемники
Вот из-за тебя теперь еще мысль гложет...
Вставить ещё транзистор, который при переводе ключа в ON будет отключать моё реле и переводить схему в штатный режим. Ибо нафига нам в ON лишнее реле? - пусть напрягается только в ACC
Надо обдумать...
Montero 3 LTD 2001, 3.5 6G74 MPI, АКПП v5a51
- Как показала практика — для начала неплохо было бы ознакомиться с теорией (с)
- Как показала практика — для начала неплохо было бы ознакомиться с теорией (с)
- dvm99
- Сообщения: 22067
- Зарегистрирован: 21 май 2012, 20:59
- Двигатель:: 6G72, 12клап.,
- Мой автомобиль(и):: Pajero2, Запорожец- Ланос
- Откуда: Свердловская обл.
- Благодарил (а): 724 раза
- Поблагодарили: 1060 раз
Стеклоподъемники
Ну, так-то чем проще схема, тем она надёжнее! А куда проще чем тебе Снупер подсказал?
Такое решение- масло масляное.
Уж если ставить транзистор, то вместо реле!
Дмитрий
Боливар2 - П2, 92г., V43, 6G72(12V), V4AW2, RD/L, пруль (чистокровный японский рысак)
Боливар1 - П2, 93г., 6G72(12V), МКПП, V43, RD/L, Европа (славный был конь, но уже донор)
Боливар2 - П2, 92г., V43, 6G72(12V), V4AW2, RD/L, пруль (чистокровный японский рысак)
Боливар1 - П2, 93г., 6G72(12V), МКПП, V43, RD/L, Европа (славный был конь, но уже донор)
- hc2hunter
- Сообщения: 7186
- Зарегистрирован: 03 фев 2013, 14:29
- Двигатель:: 6G74 MPI
- Мой автомобиль(и):: Montero 3 Limited, 2001
- Откуда: Смоленск
- Благодарил (а): 454 раза
- Поблагодарили: 452 раза
Стеклоподъемники
да, пожалуй
правда, я бы туда полевик засунул...
Montero 3 LTD 2001, 3.5 6G74 MPI, АКПП v5a51
- Как показала практика — для начала неплохо было бы ознакомиться с теорией (с)
- Как показала практика — для начала неплохо было бы ознакомиться с теорией (с)
- Nbf
- Дикий Админ
- Сообщения: 27467
- Зарегистрирован: 30 авг 2006, 17:58
- Двигатель:: 4D56t,
- Мой автомобиль(и):: L200'Беззубик Citroen'Мария
- Откуда: из тех ворот, что и весь народ
- Откуда: Ст.Купавна, Балашиха-1
- Благодарил (а): 1115 раз
- Поблагодарили: 1440 раз
- Контактная информация:
Стеклоподъемники
Точно. Читал, читал. Буквы русские, предлоги там, союзы.
А о чем талдычат - в толк не возьму, слова в основном странные и мало какие понятные...
Павел.
Терпение и труд - мне не идут!
______________
L-200, '08, SS, АКПП, 4D56t, MT 285/75/16, EW-12000.
тел. (Ч95)6Ч2ЗО92
Юридические услуги http://www.expertcity.ru
Группа Паджеро в ТГ: https://t.me/pajeroclubru
Группа Паджеро в VK: https://vk.com/pajerorussia
Терпение и труд - мне не идут!
______________
L-200, '08, SS, АКПП, 4D56t, MT 285/75/16, EW-12000.
тел. (Ч95)6Ч2ЗО92
Юридические услуги http://www.expertcity.ru
Группа Паджеро в ТГ: https://t.me/pajeroclubru
Группа Паджеро в VK: https://vk.com/pajerorussia
- dvm99
- Сообщения: 22067
- Зарегистрирован: 21 май 2012, 20:59
- Двигатель:: 6G72, 12клап.,
- Мой автомобиль(и):: Pajero2, Запорожец- Ланос
- Откуда: Свердловская обл.
- Благодарил (а): 724 раза
- Поблагодарили: 1060 раз
Стеклоподъемники
Если знаешь как с мосфетами обращаться, то без разницы.
Я- олд скул
Дмитрий
Боливар2 - П2, 92г., V43, 6G72(12V), V4AW2, RD/L, пруль (чистокровный японский рысак)
Боливар1 - П2, 93г., 6G72(12V), МКПП, V43, RD/L, Европа (славный был конь, но уже донор)
Боливар2 - П2, 92г., V43, 6G72(12V), V4AW2, RD/L, пруль (чистокровный японский рысак)
Боливар1 - П2, 93г., 6G72(12V), МКПП, V43, RD/L, Европа (славный был конь, но уже донор)
- dvm99
- Сообщения: 22067
- Зарегистрирован: 21 май 2012, 20:59
- Двигатель:: 6G72, 12клап.,
- Мой автомобиль(и):: Pajero2, Запорожец- Ланос
- Откуда: Свердловская обл.
- Благодарил (а): 724 раза
- Поблагодарили: 1060 раз
Стеклоподъемники
Дмитрий
Боливар2 - П2, 92г., V43, 6G72(12V), V4AW2, RD/L, пруль (чистокровный японский рысак)
Боливар1 - П2, 93г., 6G72(12V), МКПП, V43, RD/L, Европа (славный был конь, но уже донор)
Боливар2 - П2, 92г., V43, 6G72(12V), V4AW2, RD/L, пруль (чистокровный японский рысак)
Боливар1 - П2, 93г., 6G72(12V), МКПП, V43, RD/L, Европа (славный был конь, но уже донор)
- dvm99
- Сообщения: 22067
- Зарегистрирован: 21 май 2012, 20:59
- Двигатель:: 6G72, 12клап.,
- Мой автомобиль(и):: Pajero2, Запорожец- Ланос
- Откуда: Свердловская обл.
- Благодарил (а): 724 раза
- Поблагодарили: 1060 раз
Стеклоподъемники
Дмитрий
Боливар2 - П2, 92г., V43, 6G72(12V), V4AW2, RD/L, пруль (чистокровный японский рысак)
Боливар1 - П2, 93г., 6G72(12V), МКПП, V43, RD/L, Европа (славный был конь, но уже донор)
Боливар2 - П2, 92г., V43, 6G72(12V), V4AW2, RD/L, пруль (чистокровный японский рысак)
Боливар1 - П2, 93г., 6G72(12V), МКПП, V43, RD/L, Европа (славный был конь, но уже донор)
-
алексей - Маленький Мук
- Модератор
- Сообщения: 20348
- Зарегистрирован: 11 дек 2008, 16:10
- Откуда: москва м Академическая
- Благодарил (а): 101 раз
- Поблагодарили: 1336 раз
- dvm99
- Сообщения: 22067
- Зарегистрирован: 21 май 2012, 20:59
- Двигатель:: 6G72, 12клап.,
- Мой автомобиль(и):: Pajero2, Запорожец- Ланос
- Откуда: Свердловская обл.
- Благодарил (а): 724 раза
- Поблагодарили: 1060 раз
Стеклоподъемники
Не должно так быть! Мож просто что-то не так делаешь?
Дмитрий
Боливар2 - П2, 92г., V43, 6G72(12V), V4AW2, RD/L, пруль (чистокровный японский рысак)
Боливар1 - П2, 93г., 6G72(12V), МКПП, V43, RD/L, Европа (славный был конь, но уже донор)
Боливар2 - П2, 92г., V43, 6G72(12V), V4AW2, RD/L, пруль (чистокровный японский рысак)
Боливар1 - П2, 93г., 6G72(12V), МКПП, V43, RD/L, Европа (славный был конь, но уже донор)
-
алексей - Маленький Мук
- Модератор
- Сообщения: 20348
- Зарегистрирован: 11 дек 2008, 16:10
- Откуда: москва м Академическая
- Благодарил (а): 101 раз
- Поблагодарили: 1336 раз
Стеклоподъемники
У меня видимо чуть погнута дверь( с верху щель не большая) видимо подкливает стекло в направляйке.
Всем добра.......
- SNOOPER
- Модератор
- Сообщения: 57101
- Зарегистрирован: 11 дек 2004, 19:49
- Двигатель:: 4D56
- Мой автомобиль(и):: NewMPS
- Откуда: 78
- Откуда: Spb
- Благодарил (а): 1013 раз
- Поблагодарили: 4718 раз
Стеклоподъемники
Стекло родное?алексей - Маленький Мук писал(а): ↑10 янв 2025, 15:19 У меня видимо чуть погнута дверь( с верху щель не большая) видимо подкливает стекло в направляйке.
Была как то двойка последних годов. Поставили командирское стекло не родное.
Начала сбрасывать и не давать закрыть до верха.
Обучения нет, там подъёмник, ножницы. (
- dvm99
- Сообщения: 22067
- Зарегистрирован: 21 май 2012, 20:59
- Двигатель:: 6G72, 12клап.,
- Мой автомобиль(и):: Pajero2, Запорожец- Ланос
- Откуда: Свердловская обл.
- Благодарил (а): 724 раза
- Поблагодарили: 1060 раз
Стеклоподъемники
Интересно, зачем тогда такие навороты творить
Уменьшить ток через кнопки можно было гораздо проще...
Лёх, а сейчас-то как работает? Не глючит?
А то я тут фотки блока, что ты мне присылал, поглядел внимательно. И кое-что разглядел на этот раз!
Дмитрий
Боливар2 - П2, 92г., V43, 6G72(12V), V4AW2, RD/L, пруль (чистокровный японский рысак)
Боливар1 - П2, 93г., 6G72(12V), МКПП, V43, RD/L, Европа (славный был конь, но уже донор)
Боливар2 - П2, 92г., V43, 6G72(12V), V4AW2, RD/L, пруль (чистокровный японский рысак)
Боливар1 - П2, 93г., 6G72(12V), МКПП, V43, RD/L, Европа (славный был конь, но уже донор)
-
алексей - Маленький Мук
- Модератор
- Сообщения: 20348
- Зарегистрирован: 11 дек 2008, 16:10
- Откуда: москва м Академическая
- Благодарил (а): 101 раз
- Поблагодарили: 1336 раз
