Куда делась энергия аккумуляторов - продолжение истории...
Модераторы: SNOOPER, Nbf, Romik, BAlex
- drcham
- Модератор
- Сообщения: 14454
- Зарегистрирован: 08 апр 2006, 13:42
- Двигатель:: Бензин
- Мой автомобиль(и):: Wrangler JLU Rubicon
- Откуда: Москва
- Откуда: Москва ЮЗАО
- Благодарил (а): 63 раза
- Поблагодарили: 230 раз
- Контактная информация:
Re: Помогите разобраться куда делась энергия аккумуляторов.
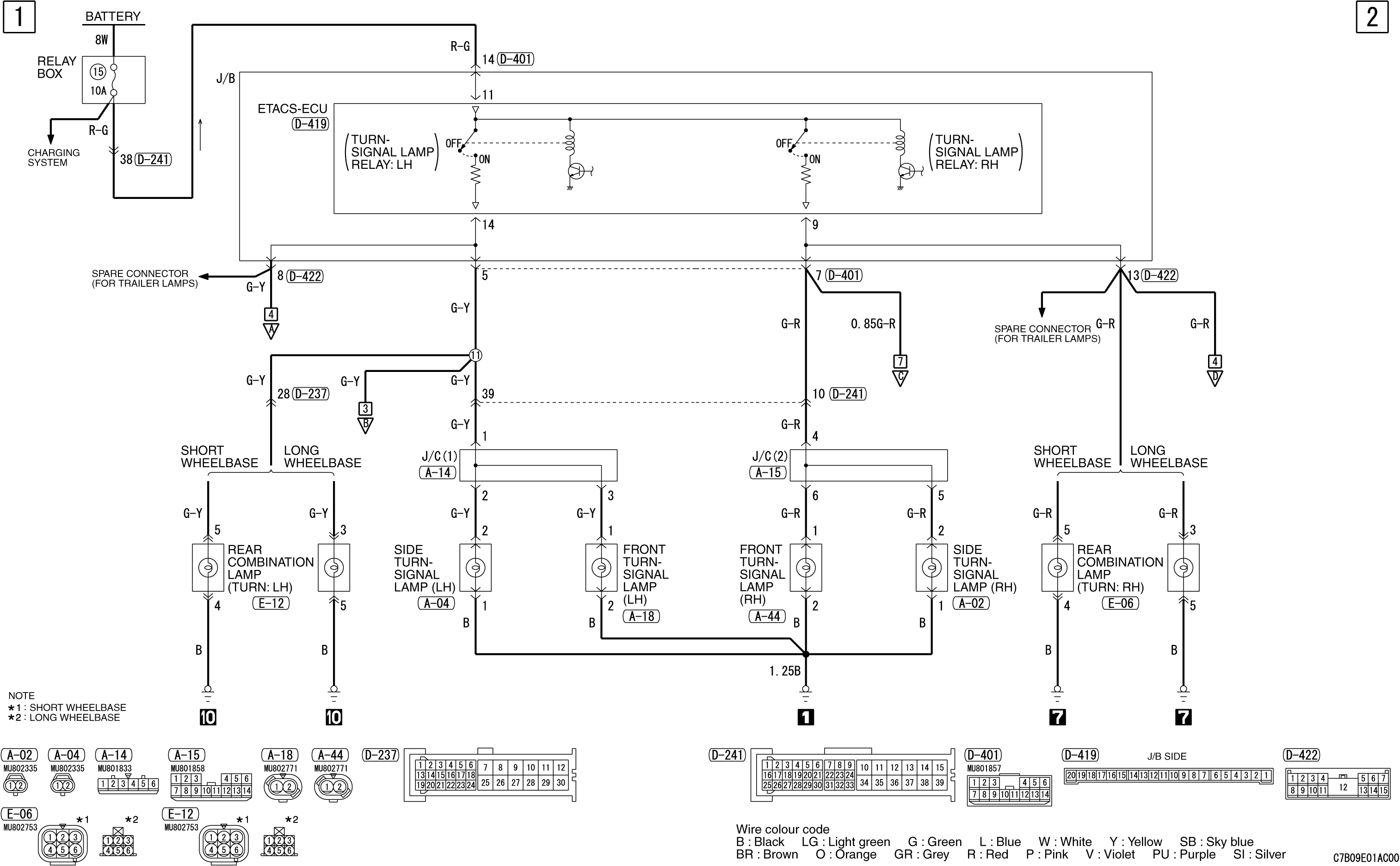
Попросите схему в разделе П3.
4LO&GO! Wrangler JLU Rubicon
-
Rommy
- Сообщения: 872
- Зарегистрирован: 28 дек 2011, 22:20
- Двигатель:: 4M41
- Мой автомобиль(и):: Pajero III 3.2DID АКПП
- Откуда: Москва, САО
- Благодарил (а): 21 раз
- Поблагодарили: 34 раза
Re: Помогите разобраться куда делась энергия аккумуляторов.
А вот это оно?
http://mmc-manuals.ru/manuals/pajero_iv ... 90bENG.HTM
Во всяком случае номер предохранителя №15 на 10 Ампер соответствует моему номеру в блоке предохранителей под капотом.
http://mmc-manuals.ru/manuals/pajero_iv ... 90bENG.HTM
Во всяком случае номер предохранителя №15 на 10 Ампер соответствует моему номеру в блоке предохранителей под капотом.
- drcham
- Модератор
- Сообщения: 14454
- Зарегистрирован: 08 апр 2006, 13:42
- Двигатель:: Бензин
- Мой автомобиль(и):: Wrangler JLU Rubicon
- Откуда: Москва
- Откуда: Москва ЮЗАО
- Благодарил (а): 63 раза
- Поблагодарили: 230 раз
- Контактная информация:
Re: Помогите разобраться куда делась энергия аккумуляторов.
да.. это должно дать ясность.
Как все это прозванивать Вам должно быть понятно.
Как все это прозванивать Вам должно быть понятно.
4LO&GO! Wrangler JLU Rubicon
-
Rommy
- Сообщения: 872
- Зарегистрирован: 28 дек 2011, 22:20
- Двигатель:: 4M41
- Мой автомобиль(и):: Pajero III 3.2DID АКПП
- Откуда: Москва, САО
- Благодарил (а): 21 раз
- Поблагодарили: 34 раза
Re: Помогите разобраться куда делась энергия аккумуляторов.
Схема, как бы говорит мне: "Здравствуй, дерево!"drcham писал(а):да.. это должно дать ясность.
Если серьезно, то все что я понял- что на этом предохранителе потребителями являются исключительно лампочки поворотников (6 штук). И то что в блоке ETACS стоят 2 реле - включающий левую и правую сторону ламп.
Если не сложно, можно суть прозвона пояснить для совсем бестолковых?drcham писал(а):Как все это прозванивать Вам должно быть понятно.
Правда не догоняю...
Последний раз редактировалось Rommy 23 июн 2016, 19:26, всего редактировалось 1 раз.
- drcham
- Модератор
- Сообщения: 14454
- Зарегистрирован: 08 апр 2006, 13:42
- Двигатель:: Бензин
- Мой автомобиль(и):: Wrangler JLU Rubicon
- Откуда: Москва
- Откуда: Москва ЮЗАО
- Благодарил (а): 63 раза
- Поблагодарили: 230 раз
- Контактная информация:
Re: Помогите разобраться куда делась энергия аккумуляторов.
Проверьте по разъемам линии - если в них нет КЗ - скорее всего ETACS.Rommy писал(а):drcham писал(а):да.. это должно дать ясность.![]()
Схема, как бы говорит мне: "Здравствуй, дерево!"![]()
Если серьезно, то все что я понял- что на этом предохранителе потребителями являются исключительно лампочки поворотников (6 штук). И то что в блоке ETACS стоят 2 реле - включающий левую и правую сторону ламп.
4LO&GO! Wrangler JLU Rubicon
- МДМ
- Сообщения: 2186
- Зарегистрирован: 06 фев 2008, 18:39
- Двигатель:: 6G72 (12 valve)
- Мой автомобиль(и):: Pajero-2, 1993г., МКПП, SS. Renault Kangoo, 2000г., дв. 1.9d (F8Q), МКПП
- Откуда: Пермь
- Откуда: г. Пермь
- Поблагодарили: 82 раза
- Контактная информация:
Re: Помогите разобраться куда делась энергия аккумуляторов.
если проблема уходит в поворотники, то я бы проверил то место, куда раньше был подключен выход от сигналки на поворотники.
MMC Pajero, 1993г., V43W, 6G72 (12valve), МКПП, ГБО 4-е поколение Digitronic
-
Rommy
- Сообщения: 872
- Зарегистрирован: 28 дек 2011, 22:20
- Двигатель:: 4M41
- Мой автомобиль(и):: Pajero III 3.2DID АКПП
- Откуда: Москва, САО
- Благодарил (а): 21 раз
- Поблагодарили: 34 раза
Re: Помогите разобраться куда делась энергия аккумуляторов.
Небольшая попровочка к посту "И при вынимании бокового разъема из этого блока (ETACS) в режиме закрытого автомобиля ток утечки падает с 0.18А до 0,02А".
Минимальный ток утечки становится секунд через 30 после закрытия машины. Так что просто совпало время, которое я потратил на хождения из "под капота" на "под торпедо" и вынимание разъема из блока ETACS.
Короче, вынимание предохранителя поворотников снижает ток утечки до абсолютной нормы (от 0.01А до 0,03А).

Минимальный ток утечки становится секунд через 30 после закрытия машины. Так что просто совпало время, которое я потратил на хождения из "под капота" на "под торпедо" и вынимание разъема из блока ETACS.
Посмотрел. Провод как провод. Как я и говорил ранее соединение пропаяно и заизолировано.МДМ писал(а):если проблема уходит в поворотники, то я бы проверил то место, куда раньше был подключен выход от сигналки на поворотники.
Проверил по разъемам поворотников (выкрутил несколько на пробу). Вынимая лампочки, все контакты между собой, а также между + и - клеммами аккумулятора прозваниваются. Проверил на другой машине - также. Значит не неисправность. Т.е. "+ контакт прозванивается с контактом массы.drcham писал(а):Проверьте по разъемам линии - если в них нет КЗ - скорее всего ETACS.
Последний раз редактировалось Rommy 25 июн 2016, 00:02, всего редактировалось 2 раза.
- asferrum
- Сообщения: 5589
- Зарегистрирован: 15 июн 2012, 23:31
- Двигатель:: разные
- Мой автомобиль(и):: Ларгус на метане
- Откуда: Новомосковск-Рязань
- Откуда: Новомосковск
- Благодарил (а): 798 раз
- Поблагодарили: 303 раза
Re: Помогите разобраться куда делась энергия аккумуляторов.
Не пойму чето.,
Видать в нулях Вы запутались?
У меня потребление при закрытой машине около 200мА,это 0,2А.
Магнитолка подключена на асс и в.up одновременно,кушает цука китайская в таком режиме.
Но...живу как-то!!!
У меня дизель мкпп,етакса этого нету.
Но в начале темы речь шла про Амперы,а не десятые его доли.
В идеале конечно,30-50мА(0.03-0.05А) хо елось бы видеть,но и 200 не катастрофа.
Видать в нулях Вы запутались?
У меня потребление при закрытой машине около 200мА,это 0,2А.
Магнитолка подключена на асс и в.up одновременно,кушает цука китайская в таком режиме.
Но...живу как-то!!!
У меня дизель мкпп,етакса этого нету.
Но в начале темы речь шла про Амперы,а не десятые его доли.
В идеале конечно,30-50мА(0.03-0.05А) хо елось бы видеть,но и 200 не катастрофа.
Люблю жизнь!
С уважением,Юрий.
С уважением,Юрий.
-
Rommy
- Сообщения: 872
- Зарегистрирован: 28 дек 2011, 22:20
- Двигатель:: 4M41
- Мой автомобиль(и):: Pajero III 3.2DID АКПП
- Откуда: Москва, САО
- Благодарил (а): 21 раз
- Поблагодарили: 34 раза
Re: Помогите разобраться куда делась энергия аккумуляторов.
Нет, мы в нулях не запутались. Мы все верно записали.asferrum писал(а):Не пойму чето.,
Видать в нулях Вы запутались?
У меня потребление при закрытой машине около 200мА,это 0,2А.
Без сигналок с 5 датчиками и круглосуточно работающих регистраторов, ток в машине не должен превышать 0.03А (30мА).
Повторю, при вытащенном предохранителе поворотников, ЧЕРЕЗ 30 СЕКУНД после закрытия машины, у меня ток утечки становится 0,01~0,03А ( гуляет от 10mA до 30mA).
Напомню начало темы: при стоящем предохранителе №15 (на 10А), по этой цепи около 5А (пять ампер) утечка.
С начала темы, с помощью товарищей по партии, удалось определить хотя бы точно по какой цепи утечка.
Ну а дальше коммунистический тупик, д.2
ps. Ваша утечка 0.2А (т.е. 200мА) это ОЧЕНЬ много. На порядок (т.е. в 10 раз) больше нормы. 20 дней стоянки и аккум 95 ампер опустошит до 0.
Последний раз редактировалось Rommy 25 июн 2016, 00:05, всего редактировалось 1 раз.
- asferrum
- Сообщения: 5589
- Зарегистрирован: 15 июн 2012, 23:31
- Двигатель:: разные
- Мой автомобиль(и):: Ларгус на метане
- Откуда: Новомосковск-Рязань
- Откуда: Новомосковск
- Благодарил (а): 798 раз
- Поблагодарили: 303 раза
Re: Помогите разобраться куда делась энергия аккумуляторов.
Ну... уменя не 95 А,а 150 примерно.
С 200мА утечкой 3 года живу,гену правда менял,но там и гена был сам мертвый,не утечка его убила.
У меня еще и вебасто,зимой включаю,завожусь нормально.
А по теме... чето коротит видимо в цепи поворотников.
Попробуйте блок сигналки откинуть,и просто ключами машину открыть-закрыть.
И померить ток утечки с предом и без.
Можь сигналка сама?
С 200мА утечкой 3 года живу,гену правда менял,но там и гена был сам мертвый,не утечка его убила.
У меня еще и вебасто,зимой включаю,завожусь нормально.
А по теме... чето коротит видимо в цепи поворотников.
Попробуйте блок сигналки откинуть,и просто ключами машину открыть-закрыть.
И померить ток утечки с предом и без.
Можь сигналка сама?
Люблю жизнь!
С уважением,Юрий.
С уважением,Юрий.
-
Rommy
- Сообщения: 872
- Зарегистрирован: 28 дек 2011, 22:20
- Двигатель:: 4M41
- Мой автомобиль(и):: Pajero III 3.2DID АКПП
- Откуда: Москва, САО
- Благодарил (а): 21 раз
- Поблагодарили: 34 раза
Re: Помогите разобраться куда делась энергия аккумуляторов.
Я так и делал.asferrum писал(а):Попробуйте блок сигналки откинуть,и просто ключами машину открыть-закрыть.
Мой предыдущий пост как раз об этом. Прочитав его, Вы сказали что я цифрами ошибся.asferrum писал(а):И померить ток утечки с предом и без.
Сигналки нет.asferrum писал(а):Можь сигналка сама?
На первой странице темы это уже установили.asferrum писал(а):А по теме... чето коротит видимо в цепи поворотников.
- asferrum
- Сообщения: 5589
- Зарегистрирован: 15 июн 2012, 23:31
- Двигатель:: разные
- Мой автомобиль(и):: Ларгус на метане
- Откуда: Новомосковск-Рязань
- Откуда: Новомосковск
- Благодарил (а): 798 раз
- Поблагодарили: 303 раза
Re: Помогите разобраться куда делась энергия аккумуляторов.
сорри,основное видел,но про сигналку видать пропустил пост.По очереди лампочки для начала вынимать.
Раз'ем с кнопки авариики скинуть.
5А,это нехреново,гдето,чтото греться должно.
На крайняк ,по схеме,резать провода на развилках от блока предов.
Раз'ем с кнопки авариики скинуть.
5А,это нехреново,гдето,чтото греться должно.
На крайняк ,по схеме,резать провода на развилках от блока предов.
Люблю жизнь!
С уважением,Юрий.
С уважением,Юрий.
- VAZ
- Сообщения: 5555
- Зарегистрирован: 23 янв 2010, 10:34
- Двигатель:: 4N15 дизель
- Мой автомобиль(и):: МПС III МТ 2017г
- Откуда: МО Одинцовский р-н
- Откуда: МО Одинцовский р-н
- Благодарил (а): 12 раз
- Поблагодарили: 377 раз
Re: Помогите разобраться куда делась энергия аккумуляторов.
Ты аккумуляторы то хоронить не спеши, заряди их по полной, ИМХО ещё послужат. Я свои штатные два раза в глубокий 0 высаживал и тем не менее уже 8-й год работают.Rommy писал(а):...... попал еще на 2 аккумулятора. Типа скупой платит трижды.
НМПС декабрь2008, 3.2, МКПП, Т-54 сток (ушёл на трейдин); МПС III 2017, дизель, МКПП полный сток, но в багажнике цепиTZC, T-Max6500 кевлар на цепях, Хай-Джжек 120см, LIFTMATE и БСЛ110, зима Nordman SUV 265/70R17.
-
Rommy
- Сообщения: 872
- Зарегистрирован: 28 дек 2011, 22:20
- Двигатель:: 4M41
- Мой автомобиль(и):: Pajero III 3.2DID АКПП
- Откуда: Москва, САО
- Благодарил (а): 21 раз
- Поблагодарили: 34 раза
Re: Помогите разобраться куда делась энергия аккумуляторов.
Да, я тоже уже начал так думать. После получаса работы двигателя на холостых, разряженные до 0 аккумуляторы вполне себе зарядились. Ну во всяком случае хватает машину без проблем заводить. Когда разберусь с утечкой и поезжу, хорошенько зарядив аккумы, нагрузочной вилкой буду измерения измерять.VAZ писал(а):Ты аккумуляторы то хоронить не спеши, заряди их по полной, ИМХО ещё послужат. Я свои штатные два раза в глубокий 0 высаживал и тем не менее уже 8-й год работают.Rommy писал(а):...... попал еще на 2 аккумулятора. Типа скупой платит трижды.
-
Rommy
- Сообщения: 872
- Зарегистрирован: 28 дек 2011, 22:20
- Двигатель:: 4M41
- Мой автомобиль(и):: Pajero III 3.2DID АКПП
- Откуда: Москва, САО
- Благодарил (а): 21 раз
- Поблагодарили: 34 раза
Re: Помогите разобраться куда делась энергия аккумуляторов.
Вынимал лампы, но прозвон ни к чему не привел, контакты ламп, оказалось, что между собой прекрасно прозваниваются.asferrum писал(а):По очереди лампочки для начала вынимать.
Или просто вынуть все 6 ламп, закрыть машину и еще раз померять ток утечки?
Во, это еще не делал. Вернее, сначала хотел сделать, но поняв что за кнопкой реле нет (щелкают реле в блоке ETACS при нажатии аварийки), оставил эту затею.asferrum писал(а):Раз'ем с кнопки авариики скинуть.
Сегодня разберу, проверю на всякий случай.
Я тоже так думаю, руками до всех реле и вообще проводов в недрах лазил, рукой щупал -никакого тепла и оплавленной пластмассы не обнаружил. Значит не попалось то место.asferrum писал(а):5А,это нехреново,гдето,чтото греться должно.
от блока предов провода идут в блок ETACS (под рулем), в котором полно своих предов, и который как-то там сам распределяет электричество в разные стороны. Я вчера разобрал блок предохранителей (под капотом) снизу изучил - но все провода культурные, чистые, голой изоляции не обнаружено.asferrum писал(а):На крайняк ,по схеме,резать провода на развилках от блока предов.
-
Rommy
- Сообщения: 872
- Зарегистрирован: 28 дек 2011, 22:20
- Двигатель:: 4M41
- Мой автомобиль(и):: Pajero III 3.2DID АКПП
- Откуда: Москва, САО
- Благодарил (а): 21 раз
- Поблагодарили: 34 раза
Re: Помогите разобраться куда делась энергия аккумуляторов.
А кто-нибудь может пояснить "феномЕн", что контакты ламп соеденины между собой и прозваниваются на + и - клеммы аккумулятора?
Какой смысл проверять нет ли утечки на массу плюсового провода, если они и так прекрасно соеденины между собой (ну в смысле прозваниваются с определенным сопротивлением)?? Гальванической развязки ведь нет между этими контактами? + и - аккума тоже ведь прозваниваются? А КЗ не происходит исключительно благодаря диодному мосту генератора? Так что ли?
Какой смысл проверять нет ли утечки на массу плюсового провода, если они и так прекрасно соеденины между собой (ну в смысле прозваниваются с определенным сопротивлением)?? Гальванической развязки ведь нет между этими контактами? + и - аккума тоже ведь прозваниваются? А КЗ не происходит исключительно благодаря диодному мосту генератора? Так что ли?
- VAZ
- Сообщения: 5555
- Зарегистрирован: 23 янв 2010, 10:34
- Двигатель:: 4N15 дизель
- Мой автомобиль(и):: МПС III МТ 2017г
- Откуда: МО Одинцовский р-н
- Откуда: МО Одинцовский р-н
- Благодарил (а): 12 раз
- Поблагодарили: 377 раз
Re: Помогите разобраться куда делась энергия аккумуляторов.
Поезжу, это не решение, надо по одному снимать и зарядным устройством зарядить, до полного заряда, пока плотность в банках расти не перестанет (ну если у тебя пробки для обслуживания есть конечно). И чем раньше зарядишь, тем лучше для здоровья аккумов, не любят они в разряженном состоянии пребывать.Rommy писал(а):Да, я тоже уже начал так думать. После получаса работы двигателя на холостых, разряженные до 0 аккумуляторы вполне себе зарядились. Ну во всяком случае хватает машину без проблем заводить. Когда разберусь с утечкой и поезжу, хорошенько зарядив аккумы, нагрузочной вилкой буду измерения измерять.VAZ писал(а):Ты аккумуляторы то хоронить не спеши, заряди их по полной, ИМХО ещё послужат. Я свои штатные два раза в глубокий 0 высаживал и тем не менее уже 8-й год работают.Rommy писал(а):...... попал еще на 2 аккумулятора. Типа скупой платит трижды.
НМПС декабрь2008, 3.2, МКПП, Т-54 сток (ушёл на трейдин); МПС III 2017, дизель, МКПП полный сток, но в багажнике цепиTZC, T-Max6500 кевлар на цепях, Хай-Джжек 120см, LIFTMATE и БСЛ110, зима Nordman SUV 265/70R17.
- Nbf
- Дикий Админ
- Сообщения: 27480
- Зарегистрирован: 30 авг 2006, 17:58
- Двигатель:: 4D56t,
- Мой автомобиль(и):: L200'Беззубик Citroen'Мария
- Откуда: из тех ворот, что и весь народ
- Откуда: Ст.Купавна, Балашиха-1
- Благодарил (а): 1116 раз
- Поблагодарили: 1440 раз
- Контактная информация:
Re: Помогите разобраться куда делась энергия аккумуляторов.
Как ни парадоксально, паять разъемы в автомобиле вообще не рекомендуется. У автора все в термоусадке, это несколько снижает опасность пайки, но в целом качественная скрутка надёжнее пайки, применительно к автомобилю.oasys писал(а):Тоже интересно, чем пайка проводки в автомобиле принципиально отличается от других вариантов пайки.
Вышеизложенное утверждение верно для бытовых припоев. Впрочем, мало кто заморачивается твердыми припоями в этом случае, так что можно сказать, что это верно в любых случаях... )))
Павел.
Терпение и труд - мне не идут!
______________
L-200, '08, SS, АКПП, 4D56t, MT 285/75/16, EW-12000.
тел. (Ч95)6Ч2ЗО92
Юридические услуги http://www.expertcity.ru
Группа Паджеро в ТГ: https://t.me/pajeroclubru
Группа Паджеро в VK: https://vk.com/pajerorussia
Терпение и труд - мне не идут!
______________
L-200, '08, SS, АКПП, 4D56t, MT 285/75/16, EW-12000.
тел. (Ч95)6Ч2ЗО92
Юридические услуги http://www.expertcity.ru
Группа Паджеро в ТГ: https://t.me/pajeroclubru
Группа Паджеро в VK: https://vk.com/pajerorussia
- VAZ
- Сообщения: 5555
- Зарегистрирован: 23 янв 2010, 10:34
- Двигатель:: 4N15 дизель
- Мой автомобиль(и):: МПС III МТ 2017г
- Откуда: МО Одинцовский р-н
- Откуда: МО Одинцовский р-н
- Благодарил (а): 12 раз
- Поблагодарили: 377 раз
Re: Помогите разобраться куда делась энергия аккумуляторов.
Этот холивар, пайка или скрутка лучше для автомобильной проводки с родни холивару шипы или липучка. Но тем не менее позвольте не согласиться. Качественная пайка обычным припоем ПОС будет всё равно надёжнее просто скрутки. Другой вопрос, что это более трудоёмкий и требующий квалификации процесс, поэтому проще всё таки скрутку применить, правда её тоже надо уметь качественно сделать.Nbf писал(а):Как ни парадоксально, паять разъемы в автомобиле вообще не рекомендуется. У автора все в термоусадке, это несколько снижает опасность пайки, но в целом качественная скрутка надёжнее пайки, применительно к автомобилю.oasys писал(а):Тоже интересно, чем пайка проводки в автомобиле принципиально отличается от других вариантов пайки.
Вышеизложенное утверждение верно для бытовых припоев. Впрочем, мало кто заморачивается твердыми припоями в этом случае, так что можно сказать, что это верно в любых случаях... )))
Последний раз редактировалось VAZ 25 июн 2016, 19:44, всего редактировалось 2 раза.
НМПС декабрь2008, 3.2, МКПП, Т-54 сток (ушёл на трейдин); МПС III 2017, дизель, МКПП полный сток, но в багажнике цепиTZC, T-Max6500 кевлар на цепях, Хай-Джжек 120см, LIFTMATE и БСЛ110, зима Nordman SUV 265/70R17.
-
Rommy
- Сообщения: 872
- Зарегистрирован: 28 дек 2011, 22:20
- Двигатель:: 4M41
- Мой автомобиль(и):: Pajero III 3.2DID АКПП
- Откуда: Москва, САО
- Благодарил (а): 21 раз
- Поблагодарили: 34 раза
Re: Помогите разобраться куда делась энергия аккумуляторов.
А как можно спаять, предварительно не скрутив провода?? Встык что ли?Nbf писал(а): но в целом качественная скрутка надёжнее пайки, применительно к автомобилю.
ps. Скрутка - не может быть качественной. Это по определению халтура.
