TRT - Вдоль р.Киржач. Для стандартных 4х4 (08.11.25) Форум Обсуждение FAQ
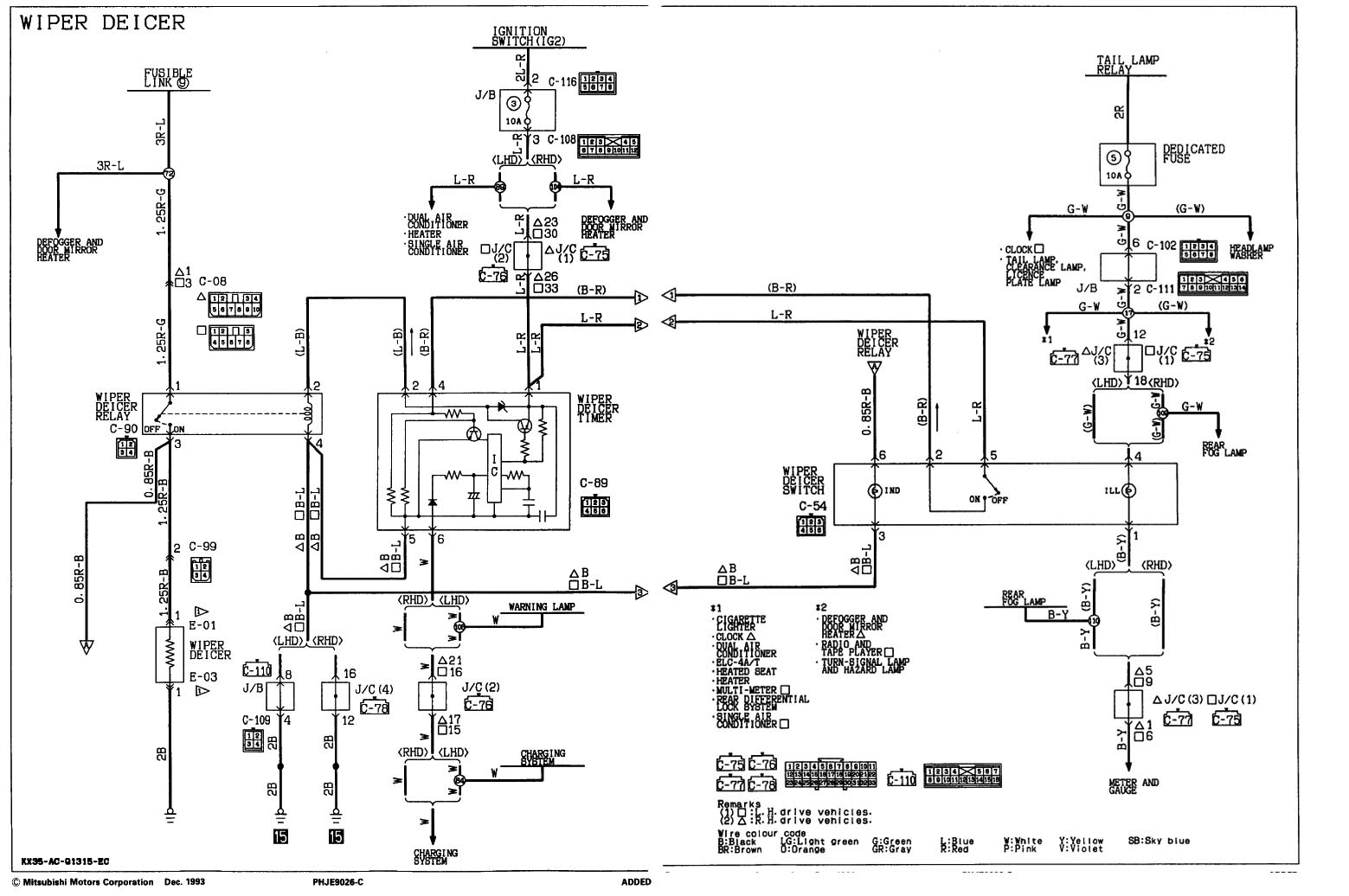
Подогрев лобового стекла.
Модераторы: SNOOPER, Nbf, Romik, BAlex, drcham, алексей - Маленький Мук
- atas80
- Сообщения: 2880
- Зарегистрирован: 21 янв 2009, 19:38
- Двигатель:: 4M40
- Мой автомобиль(и):: Pajero 2 46 ATF
- Откуда: Киров
- Откуда: Kirov [43]
- Благодарил (а): 7 раз
- Поблагодарили: 72 раза
Re: Подогрев лобового стекла.
Да, снимал проводку на днях с кузова 46го... очень много свободных фишечек и не понятных блоков в отличии от моего кузова.
Не снимая торпеды наверное и не разобраться что куда и зачем из того что болтается не подключенным.
Так что ТС наверное КМК проще с нуля все сделать и не париться.
По большому счету там реально работы на час если знаешь как, а если не знаешь то ЛУЧШЕ К ЭЛЕКТРИКУ ! и реле Регтайм купить сразу какое по душе подойдет - вариантов по maxВремени много. И кнопочку по любому обязательно с индикацией уже тоже по желанию клиента.
Не снимая торпеды наверное и не разобраться что куда и зачем из того что болтается не подключенным.
Так что ТС наверное КМК проще с нуля все сделать и не париться.
По большому счету там реально работы на час если знаешь как, а если не знаешь то ЛУЧШЕ К ЭЛЕКТРИКУ ! и реле Регтайм купить сразу какое по душе подойдет - вариантов по maxВремени много. И кнопочку по любому обязательно с индикацией уже тоже по желанию клиента.
Mitsubishi PAJERO-II | 1995 | 4M40 | V46W | АКПП | GLS
Я горд за РОССИЙСКУЮ ИМПЕРИЮ - мы можем управлять "белым домом" и сажать своих людей в "овальный кабинет" !!!
Я горд за РОССИЙСКУЮ ИМПЕРИЮ - мы можем управлять "белым домом" и сажать своих людей в "овальный кабинет" !!!
- dvm99
- Сообщения: 21710
- Зарегистрирован: 21 май 2012, 20:59
- Двигатель:: 6G72, 12клап.,
- Мой автомобиль(и):: Pajero2, Запорожец- Ланос
- Откуда: Свердловская обл.
- Благодарил (а): 705 раз
- Поблагодарили: 1026 раз
Re: Подогрев лобового стекла.
Дык речь про подогрев дворников что ли?Жипер писал(а):Даже у япов половина машин без подогрева дворников.
Я так понял из первого поста, что речь о подогреве всего лобового!
Дмитрий
Боливар2 - П2, 92г., V43, 6G72(12V), V4AW2, RD/L, пруль (чистокровный японский рысак)
Боливар1 - П2, 93г., 6G72(12V), МКПП, V43, RD/L, Европа (славный был конь, но уже донор)
Боливар2 - П2, 92г., V43, 6G72(12V), V4AW2, RD/L, пруль (чистокровный японский рысак)
Боливар1 - П2, 93г., 6G72(12V), МКПП, V43, RD/L, Европа (славный был конь, но уже донор)
-
- Сообщения: 2647
- Зарегистрирован: 24 авг 2010, 22:43
- Двигатель:: 4D56T, Дизель
- Мой автомобиль(и):: ММС Паджеро
- Откуда: Курск
- Откуда: Курск
- Благодарил (а): 26 раз
- Поблагодарили: 28 раз
Re: Подогрев лобового стекла.
Димк, ну ты конь, дружище, подогрев лобового - оно и есть как бы подогрев дворникофф... А ну колись, хде у нас фишка для подогрева лобового.... 

ММС Паджеро2 пруль 93г 4D56t АКП клима2х зонная СВ27мГЦ, наФигатор, DVD, TV сабФуфер 2аккума на авиаконтакторах, кипятильник в блоке 220v,
" Лучше быть честным, чем добрым", " Лучшее - враг хорошего" Юра
" Лучше быть честным, чем добрым", " Лучшее - враг хорошего" Юра
- dvm99
- Сообщения: 21710
- Зарегистрирован: 21 май 2012, 20:59
- Двигатель:: 6G72, 12клап.,
- Мой автомобиль(и):: Pajero2, Запорожец- Ланос
- Откуда: Свердловская обл.
- Благодарил (а): 705 раз
- Поблагодарили: 1026 раз
Re: Подогрев лобового стекла.
Блин, дык есть с подогревом всего стекла, а не только дворников!
Не заню точно бывают ли они на паджеру, но они есть даже на десятки...
ТщательнЕЕ надо писать!
Не заню точно бывают ли они на паджеру, но они есть даже на десятки...
ТщательнЕЕ надо писать!

Дмитрий
Боливар2 - П2, 92г., V43, 6G72(12V), V4AW2, RD/L, пруль (чистокровный японский рысак)
Боливар1 - П2, 93г., 6G72(12V), МКПП, V43, RD/L, Европа (славный был конь, но уже донор)
Боливар2 - П2, 92г., V43, 6G72(12V), V4AW2, RD/L, пруль (чистокровный японский рысак)
Боливар1 - П2, 93г., 6G72(12V), МКПП, V43, RD/L, Европа (славный был конь, но уже донор)
- ВеселыйРоджер
- Сообщения: 8
- Зарегистрирован: 26 май 2016, 13:58
- Двигатель:: 6G72
- Мой автомобиль(и):: Pajero 2
- Откуда: Могоча
- Откуда: Забайкальский край
- Благодарил (а): 2 раза
- МДМ
- Сообщения: 2186
- Зарегистрирован: 06 фев 2008, 18:39
- Двигатель:: 6G72 (12 valve)
- Мой автомобиль(и):: Pajero-2, 1993г., МКПП, SS. Renault Kangoo, 2000г., дв. 1.9d (F8Q), МКПП
- Откуда: Пермь
- Откуда: г. Пермь
- Поблагодарили: 82 раза
- Контактная информация:
Re: Подогрев лобового стекла.
я "зону обогрева дворников" запитал параллельно от кнопки обогрева заднего стекла.
работает без нареканий.
работает без нареканий.
MMC Pajero, 1993г., V43W, 6G72 (12valve), МКПП, ГБО 4-е поколение Digitronic
-
- Сообщения: 2647
- Зарегистрирован: 24 авг 2010, 22:43
- Двигатель:: 4D56T, Дизель
- Мой автомобиль(и):: ММС Паджеро
- Откуда: Курск
- Откуда: Курск
- Благодарил (а): 26 раз
- Поблагодарили: 28 раз
Re: Подогрев лобового стекла.
без дополнительных релюх?? И еще вопрос: этот подогрев тоже постоянный, как и задний??
ММС Паджеро2 пруль 93г 4D56t АКП клима2х зонная СВ27мГЦ, наФигатор, DVD, TV сабФуфер 2аккума на авиаконтакторах, кипятильник в блоке 220v,
" Лучше быть честным, чем добрым", " Лучшее - враг хорошего" Юра
" Лучше быть честным, чем добрым", " Лучшее - враг хорошего" Юра
- atas80
- Сообщения: 2880
- Зарегистрирован: 21 янв 2009, 19:38
- Двигатель:: 4M40
- Мой автомобиль(и):: Pajero 2 46 ATF
- Откуда: Киров
- Откуда: Kirov [43]
- Благодарил (а): 7 раз
- Поблагодарили: 72 раза
Re: Подогрев лобового стекла.
Так должно быть:
Mitsubishi PAJERO-II | 1995 | 4M40 | V46W | АКПП | GLS
Я горд за РОССИЙСКУЮ ИМПЕРИЮ - мы можем управлять "белым домом" и сажать своих людей в "овальный кабинет" !!!
Я горд за РОССИЙСКУЮ ИМПЕРИЮ - мы можем управлять "белым домом" и сажать своих людей в "овальный кабинет" !!!
- МДМ
- Сообщения: 2186
- Зарегистрирован: 06 фев 2008, 18:39
- Двигатель:: 6G72 (12 valve)
- Мой автомобиль(и):: Pajero-2, 1993г., МКПП, SS. Renault Kangoo, 2000г., дв. 1.9d (F8Q), МКПП
- Откуда: Пермь
- Откуда: г. Пермь
- Поблагодарили: 82 раза
- Контактная информация:
Re: Подогрев лобового стекла.
на моём а/м нет реле на подогрев заднего стекла. напрямую с кнопки. у всех так до 94г.Гурон писал(а):без дополнительных релюх?? И еще вопрос: этот подогрев тоже постоянный, как и задний??
получается подогрев постоянный, пока кнопкой не выключишь.
я на всякий случай впендюрил предохранитель в цепь подогрева дворников -так, для успокоения.
MMC Pajero, 1993г., V43W, 6G72 (12valve), МКПП, ГБО 4-е поколение Digitronic
-
- Сообщения: 176
- Зарегистрирован: 09 май 2014, 23:36
- Двигатель:: 6G74
- Мой автомобиль(и):: Паджеро 2, Боди2", 33"BFG MT, шнорк, лебедь 12000
- Откуда: Воронеж
- Поблагодарили: 1 раз
Re: Подогрев лобового стекла.
А есть ли в природе на Паджеро 2 лобовик с полным обогревом? Немного поискал, что то не нахожу пока! Может кто точно знает!
- atas80
- Сообщения: 2880
- Зарегистрирован: 21 янв 2009, 19:38
- Двигатель:: 4M40
- Мой автомобиль(и):: Pajero 2 46 ATF
- Откуда: Киров
- Откуда: Kirov [43]
- Благодарил (а): 7 раз
- Поблагодарили: 72 раза
Re: Подогрев лобового стекла.
Странно как еще кнопки не горят...
Mitsubishi PAJERO-II | 1995 | 4M40 | V46W | АКПП | GLS
Я горд за РОССИЙСКУЮ ИМПЕРИЮ - мы можем управлять "белым домом" и сажать своих людей в "овальный кабинет" !!!
Я горд за РОССИЙСКУЮ ИМПЕРИЮ - мы можем управлять "белым домом" и сажать своих людей в "овальный кабинет" !!!
- Pol@ATOM
- Сообщения: 5311
- Зарегистрирован: 06 июл 2005, 11:00
- Откуда: Планета 78
- Благодарил (а): 30 раз
- Поблагодарили: 93 раза
Re: Подогрев лобового стекла.
- у меня штатная кнопа справа, ближе к бороде, под щитком, над подсосом (заглушкой под ручной газ). Рядом с кнопкой подъёма антенны. 95 год. GLS. Провода питания нагревательных элементов - под оббивкой стоек.Oleg2m писал(а):А какой кнопкой он включается, хочу проверить, работает ли он у меня?
Броня крепка и спирт залит в канистры!
- atas80
- Сообщения: 2880
- Зарегистрирован: 21 янв 2009, 19:38
- Двигатель:: 4M40
- Мой автомобиль(и):: Pajero 2 46 ATF
- Откуда: Киров
- Откуда: Kirov [43]
- Благодарил (а): 7 раз
- Поблагодарили: 72 раза
Re: Подогрев лобового стекла.
Люди, а стекла полностью с подогревом или только дворников ?
Mitsubishi PAJERO-II | 1995 | 4M40 | V46W | АКПП | GLS
Я горд за РОССИЙСКУЮ ИМПЕРИЮ - мы можем управлять "белым домом" и сажать своих людей в "овальный кабинет" !!!
Я горд за РОССИЙСКУЮ ИМПЕРИЮ - мы можем управлять "белым домом" и сажать своих людей в "овальный кабинет" !!!
-
- Сообщения: 1025
- Зарегистрирован: 15 янв 2014, 19:13
- Двигатель:: , 6g74
- Мой автомобиль(и):: pajero2 рестайл
- Откуда: нижний новгород
- Благодарил (а): 72 раза
- Поблагодарили: 32 раза
Re: Подогрев лобового стекла.
Подогревается только зона дворников.atas80 писал(а):Люди, а стекла полностью с подогревом или только дворников ?
П2 6g72 24v длинный мкпп (разобран)
. П2 6g74 Акпп рестайл Фрэнки
П2. 6g74 Акпп рестайл Зеленый
П2 4м40 мкпп рестайл уехал к соклубнику.
89108945351 Алексей
. П2 6g74 Акпп рестайл Фрэнки
П2. 6g74 Акпп рестайл Зеленый
П2 4м40 мкпп рестайл уехал к соклубнику.
89108945351 Алексей
-
- Сообщения: 64
- Зарегистрирован: 13 окт 2014, 18:44
- Двигатель:: 6g74 mpi
- Мой автомобиль(и):: Mitsubishi Pagero II
- Откуда: Киргизия
- Благодарил (а): 1 раз
Re: Подогрев лобового стекла.
Доброго дня! Паджеро 2 дорест, 95ый год, леворуль. Кнопка подогрева лобового имеется, рядом с кнопкой антенны.
При попытке включить, индикатор не загорается, думаю цепь разомкнута, так как лобовое обычное и из-за этого не включается.
Вопрос, с какой стороны должен быть штекер к лобовому? Лоб обычный, и скоро его как раз менять, из-за трещины...
При попытке включить, индикатор не загорается, думаю цепь разомкнута, так как лобовое обычное и из-за этого не включается.
Вопрос, с какой стороны должен быть штекер к лобовому? Лоб обычный, и скоро его как раз менять, из-за трещины...
Mitsubishi Pajero II 6g74 24v at
- Viktor_62
- Сообщения: 1541
- Зарегистрирован: 25 фев 2008, 10:25
- Двигатель:: 6G72 24v
- Мой автомобиль(и):: П2 и Т5
- Откуда: Рязань
- Откуда: Рязань
- Поблагодарили: 3 раза
Re: Подогрев лобового стекла.
За накладками на стойках - с двух сторон.
P-II 6G72 24v АКПП 5dr
STT 33x12.5 R15, бодик 5см, EW12000
STT 33x12.5 R15, бодик 5см, EW12000
- Lev1982
- Сообщения: 308
- Зарегистрирован: 12 апр 2010, 08:04
- Двигатель:: 6G74 SOHC
- Мой автомобиль(и):: Pajero 2 (рестайлинговый) Europa
- Откуда: Уфа
- Откуда: Россия
- Поблагодарили: 3 раза
Re: Подогрев лобового стекла.
Камрады. бодрое утро!
Подскажите а где провода от обогрева на рестайлинговом П2 с левым рулем?
мне када стекло на обычное меняли скинули провода, а вот где их ща искать я не знаю...
Может кто фоту запостит как у кого подключен обогрев.
Подскажите а где провода от обогрева на рестайлинговом П2 с левым рулем?
мне када стекло на обычное меняли скинули провода, а вот где их ща искать я не знаю...
Может кто фоту запостит как у кого подключен обогрев.
Mitsubishi Montero II (Europa), 3,5 кг., моторчик 6G74, АКПП, 1998г.
Когда летишь с моста, понимаешь, что все твои проблемы решаемы, кроме одной - ты уже летишь с моста...
Когда летишь с моста, понимаешь, что все твои проблемы решаемы, кроме одной - ты уже летишь с моста...
- Lev1982
- Сообщения: 308
- Зарегистрирован: 12 апр 2010, 08:04
- Двигатель:: 6G74 SOHC
- Мой автомобиль(и):: Pajero 2 (рестайлинговый) Europa
- Откуда: Уфа
- Откуда: Россия
- Поблагодарили: 3 раза
Re: Подогрев лобового стекла.
И вот еще интересно: кто нить знает где можно на П2 купить стекло с полным обогревом? На П3 видел, а на П2 нету... Может просто я не там смотрел?
Mitsubishi Montero II (Europa), 3,5 кг., моторчик 6G74, АКПП, 1998г.
Когда летишь с моста, понимаешь, что все твои проблемы решаемы, кроме одной - ты уже летишь с моста...
Когда летишь с моста, понимаешь, что все твои проблемы решаемы, кроме одной - ты уже летишь с моста...