Если гидроблок чистили, то давление манометром по контрольным точкам делали? Ну и естественно все соленоидные клапана промыли, а то и резинки поменяли?qazwsxedcrfv писал(а):Буду презнателен если от вас товарищи одноклубники поступят советы рекомендации по моему вопросу
TRT "107-108" Для стандарта и не только! (4.04.2026) Форум Обсуждение FAQ
Толчки в АКПП
Модераторы: SNOOPER, Nbf, Romik, BAlex, drcham, алексей - Маленький Мук, ZILLA
-
Alex_IZA
- Сообщения: 1099
- Зарегистрирован: 27 мар 2015, 10:27
- Двигатель:: 4M41 D-DI Common Rail
- Мой автомобиль(и):: Pajero sport
- Откуда: Новосибирск
- Благодарил (а): 33 раза
- Поблагодарили: 109 раз
Re: Толчки в АКПП
- ctvtysx
- Сообщения: 341
- Зарегистрирован: 23 май 2015, 01:17
- Двигатель:: 6G74
- Мой автомобиль(и):: Mitsubishi Montero III
- Откуда: С-пб
- Благодарил (а): 12 раз
- Поблагодарили: 12 раз
Re: Толчки в АКПП
qazwsxedcrfv,расскажите более подробно про начало толчков(режим, скорость, город, трасса?)
-
qazwsxedcrfv
- Сообщения: 14
- Зарегистрирован: 18 апр 2017, 08:29
- Двигатель:: 6B31 бензин 3L
- Мой автомобиль(и):: паджеро спорт 2011
- Откуда: Новосибирск
Re: Толчки в АКПП
При езде в городе скорость 40-80 около 15-30 минут в зависимости от температуры на улице.при превышении 60км начинается, толчки потом уходит в аварию пару раз загорался чек в этот момент машина глохнет
-
Alex_IZA
- Сообщения: 1099
- Зарегистрирован: 27 мар 2015, 10:27
- Двигатель:: 4M41 D-DI Common Rail
- Мой автомобиль(и):: Pajero sport
- Откуда: Новосибирск
- Благодарил (а): 33 раза
- Поблагодарили: 109 раз
Re: Толчки в АКПП
Таки давление по контрольным точкам проверяли? У вас три точки надо проверить: драйв; овердрайв и второй тормоз.qazwsxedcrfv писал(а):При езде в городе скорость 40-80 около 15-30 минут в зависимости от температуры на улице.при превышении 60км начинается, толчки потом уходит в аварию пару раз загорался чек в этот момент машина глохнет
- ctvtysx
- Сообщения: 341
- Зарегистрирован: 23 май 2015, 01:17
- Двигатель:: 6G74
- Мой автомобиль(и):: Mitsubishi Montero III
- Откуда: С-пб
- Благодарил (а): 12 раз
- Поблагодарили: 12 раз
Re: Толчки в АКПП
Я б начал с пакета дерект,т.к. были ошибки по 5 передачи. А так походу без разбора коробки у вас всетаки не обойдется.
-
qazwsxedcrfv
- Сообщения: 14
- Зарегистрирован: 18 апр 2017, 08:29
- Двигатель:: 6B31 бензин 3L
- Мой автомобиль(и):: паджеро спорт 2011
- Откуда: Новосибирск
Re: Толчки в АКПП
Коса в норме прозвонили,проверели на сопротивление всё ровно.Подключали монометр на контрольные точки, показывает скачки давления в директ клач канале(набирает нужное давление а потом скачёк вниз ну и в это время толчёк)
Вопрос куда уходит давление канал тупиковый...?
Вопрос куда уходит давление канал тупиковый...?
- ZILLA
- Сообщения: 7553
- Зарегистрирован: 22 май 2007, 16:31
- Двигатель:: 0,75
- Мой автомобиль(и):: Hooooondaaaaa
- Откуда: течет нефть?
- Откуда: 101 км от Москвы
- Благодарил (а): 1 раз
- Поблагодарили: 282 раза
Re: Толчки в АКПП
qazwsxedcrfv, барабан директа стоит на выходном валу. Там втулка скольжения и 3 уплотнительных кольца. Утечка может быть в этих местах. Выяснить можно только вскрыв коробку.
Восстановление неисправных акпп Mitsubishi, Hyundai, Toyota, Mersedes и т.п. Диагностика и обслуживание всех видов акпп, вариаторов и роботов.
+79О3 6З561О5, ватсап +791О 6О8О191
+79О3 6З561О5, ватсап +791О 6О8О191
-
Alex_IZA
- Сообщения: 1099
- Зарегистрирован: 27 мар 2015, 10:27
- Двигатель:: 4M41 D-DI Common Rail
- Мой автомобиль(и):: Pajero sport
- Откуда: Новосибирск
- Благодарил (а): 33 раза
- Поблагодарили: 109 раз
Re: Толчки в АКПП
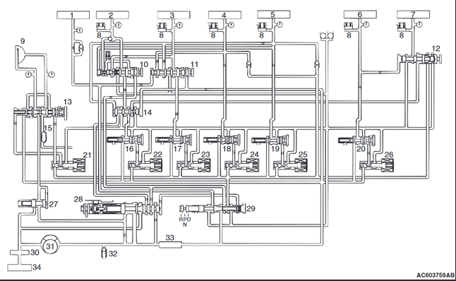
Мануал говорит так:
Only direct clutch hydraulic pressure is abnormal, варианты:
Malfunction of the oil seal R
Malfunction of the oil seal S
Malfunction of the oil seal T
Malfunction of the low-reverse solenoid valve (Shared with direct clutch)
Malfunction of the low-reverse pressure control valve
Malfunction of the switch valve
Malfunction of the fail safe valve C
Clogged orifice
Incorrect valve body installation
PS: Странно в мануале на спорт пропало описание коробки V5, прходитьс я в мануал P4 смотреть.
Only direct clutch hydraulic pressure is abnormal, варианты:
Malfunction of the oil seal R
Malfunction of the oil seal S
Malfunction of the oil seal T
Malfunction of the low-reverse solenoid valve (Shared with direct clutch)
Malfunction of the low-reverse pressure control valve
Malfunction of the switch valve
Malfunction of the fail safe valve C
Clogged orifice
Incorrect valve body installation
PS: Странно в мануале на спорт пропало описание коробки V5, прходитьс я в мануал P4 смотреть.
-
Alex_IZA
- Сообщения: 1099
- Зарегистрирован: 27 мар 2015, 10:27
- Двигатель:: 4M41 D-DI Common Rail
- Мой автомобиль(и):: Pajero sport
- Откуда: Новосибирск
- Благодарил (а): 33 раза
- Поблагодарили: 109 раз
Re: Толчки в АКПП
qazwsxedcrfv писал(а):показывает скачки давления в директ клач канале(набирает нужное давление а потом скачёк вниз ну и в это время толчёк)
Вопрос куда уходит давление канал тупиковый...?
Там же O-Ring уплотнение, если оно повредится то оно не будет держать давление, сразу будет спускать, не давая подниматься давлению.ZILLA писал(а):qazwsxedcrfv, барабан директа стоит на выходном валу. Там втулка скольжения и 3 уплотнительных кольца. Утечка может быть в этих местах.
Я не великий спец в коробках, но следуя мануалу, смотрим на 12 Failsafe valve C Вряд ли у вас не будет давления в каналах С и B, а вот в А.
Если появится в канале А тогда сработает тормоз 6 (RED brake) - это соленоид 26 и контроль давления 20, муфта 5-ой передачи разомкнется.
А давление на RED brake (видимо RB: Reduction brake pressure port), при замере манометром, не скачет когда оно скачет на Direct clutch pressure port?
PS: Так и не понял каким образом линия low-reverse связана с DIR clutch? Может мануал путает с RED?
- ZILLA
- Сообщения: 7553
- Зарегистрирован: 22 май 2007, 16:31
- Двигатель:: 0,75
- Мой автомобиль(и):: Hooooondaaaaa
- Откуда: течет нефть?
- Откуда: 101 км от Москвы
- Благодарил (а): 1 раз
- Поблагодарили: 282 раза
Re: Толчки в АКПП
Alex_IZA, я этого не исключаю. Причем резинок там 2 на поршне. До кучи может быть проблема с гидроаккумулятором. Но больше проблем бывает именно в месте сопряжения барабана директ и выходной планеты. А это уже снятие и разборка акпп.
Восстановление неисправных акпп Mitsubishi, Hyundai, Toyota, Mersedes и т.п. Диагностика и обслуживание всех видов акпп, вариаторов и роботов.
+79О3 6З561О5, ватсап +791О 6О8О191
+79О3 6З561О5, ватсап +791О 6О8О191
-
Alex_IZA
- Сообщения: 1099
- Зарегистрирован: 27 мар 2015, 10:27
- Двигатель:: 4M41 D-DI Common Rail
- Мой автомобиль(и):: Pajero sport
- Откуда: Новосибирск
- Благодарил (а): 33 раза
- Поблагодарили: 109 раз
Re: Толчки в АКПП
Понятно, тут вам виднее. Ждем что напишет qazwsxedcrfv.ZILLA писал(а):Alex_IZA, я этого не исключаю. Причем резинок там 2 на поршне. До кучи может быть проблема с гидроаккумулятором. Но больше проблем бывает именно в месте сопряжения барабана директ и выходной планеты. А это уже снятие и разборка акпп.
-
qazwsxedcrfv
- Сообщения: 14
- Зарегистрирован: 18 апр 2017, 08:29
- Двигатель:: 6B31 бензин 3L
- Мой автомобиль(и):: паджеро спорт 2011
- Откуда: Новосибирск
Re: Толчки в АКПП
Вот про тестили акпп по контрольным точкам ВСЕМ. Зафиксировано падение давление на 3скорости в Overdrive clutch ниже минимальных показателей, относительно этого через клапан shifting идёт нестабильное давление на Direct clutch(он просто закрывается)
Готовимся к вскрытию.
Готовимся к вскрытию.
-
qazwsxedcrfv
- Сообщения: 14
- Зарегистрирован: 18 апр 2017, 08:29
- Двигатель:: 6B31 бензин 3L
- Мой автомобиль(и):: паджеро спорт 2011
- Откуда: Новосибирск
-
Alex_IZA
- Сообщения: 1099
- Зарегистрирован: 27 мар 2015, 10:27
- Двигатель:: 4M41 D-DI Common Rail
- Мой автомобиль(и):: Pajero sport
- Откуда: Новосибирск
- Благодарил (а): 33 раза
- Поблагодарили: 109 раз
Re: Толчки в АКПП
Ммм, это какой номер клапана? Насколько я понял, при попытке включения 5-ой передачи, давление пропадает во всей зеленой магистрале. Поже, что сливается масло через уплотнитель o-ring на пакете фрикционов, как писал ZILLA.qazwsxedcrfv писал(а): относительно этого через клапан shifting идёт нестабильное давление на Direct clutch
По ходу движения и с overdrive clutch разберутся, кстати, насколько я понимаю, от пониженого давления могла коробка греться, так-как фрикционы могут проскальзывать.
PS: Сервисмены вроде грамотные, судя по рисункам, разберутся. Скажите плиз в каком сервисе ремонтируетесь, хоть знать если что.
- Lukich111
- Сообщения: 3434
- Зарегистрирован: 16 янв 2011, 18:48
- Двигатель:: Бензин
- Мой автомобиль(и):: H-D Sportster 1200, +-самокатик(был) , 3 моноколеса
- Откуда: С-Петербург
- Откуда: C-Пб-(Мурманск)-
- Благодарил (а): 97 раз
- Поблагодарили: 233 раза
Re: Толчки в АКПП
Кстати да, рекомендую держаться за этих мастеров. Подход у них правильный.
очень злой бывший ОД
диагностика и чип Mitsubishi
диагностика и чип Mitsubishi
-
qazwsxedcrfv
- Сообщения: 14
- Зарегистрирован: 18 апр 2017, 08:29
- Двигатель:: 6B31 бензин 3L
- Мой автомобиль(и):: паджеро спорт 2011
- Откуда: Новосибирск
Re: Толчки в АКПП
Давление пропадает только на овердрайв клатч пакете и как следствие на директ клатч. Так. Как овер причастен к работе директа. На остальных контрольных точках давление в пределах нормы.
-
Alex_IZA
- Сообщения: 1099
- Зарегистрирован: 27 мар 2015, 10:27
- Двигатель:: 4M41 D-DI Common Rail
- Мой автомобиль(и):: Pajero sport
- Откуда: Новосибирск
- Благодарил (а): 33 раза
- Поблагодарили: 109 раз
Re: Толчки в АКПП
Видимо я торможу. Каким образом овердрайв, 20 соленоид с 15-ым переключателем, связан с директом? Прямой связи нет вообще, с 15 переключателя давление подается только на пакет фрикционов овердрайва.qazwsxedcrfv писал(а):Как овер причастен к работе директа.
