А я за 3 года 4 раза менял по гарантии трапецию....ибо скрипела и ломалась.... а на других авто такого нет... так, что я знаю о чем говорю...если вы приобрели авто на 2-3 года то Вам не о чем беспокоиться, а я хочу на своем авто покататься еще не один год...И Тельму, и Луизу писал(а):Вы это серьезно?derbec писал(а): .. если не думать о трапеции(ее износе) ...
Износ трапеции... Износ шин... Износ мотора... Блин, вы машину поставьте в музей, не заводите её, не ездите на ней - вообще износа не будет.
Износ трапеции. Жесть! Я лет 20 за рулем, штук десять машин поменял, а стеклоочистители ни разу еще не ремонтировал. Наверное, подсознательно заботился о трапеции.)))
TRT - Вдоль р.Киржач. Для стандартных 4х4 (08.11.25) Форум Обсуждение FAQ
Датчики дождя и света
Модераторы: SNOOPER, Nbf, Romik, BAlex, drcham, DenVer, SoundSpeed
- padjero999
- Сообщения: 184
- Зарегистрирован: 22 окт 2009, 23:12
- Двигатель:: Дизель
- Мой автомобиль(и):: Pajero IV
- Откуда: Piter [98]
- Поблагодарили: 4 раза
Re: Датчики дождя и света
Страус вовсе не прячет голову в песок-он показывает нам задницу
- И Тельму, и Луизу
- Сообщения: 1636
- Зарегистрирован: 14 окт 2010, 18:12
- Двигатель:: Дизель 2,4
- Мой автомобиль(и):: НМПС 2021
- Откуда: Москва
- Откуда: Мск
- Благодарил (а): 31 раз
- Поблагодарили: 12 раз
Re: Датчики дождя и света
Простите меня, если сможете, но я Вам не верю.padjero999 писал(а):...
А я за 3 года 4 раза менял по гарантии трапецию....ибо скрипела и ломалась.......
-
Ironman_SA
- Сообщения: 33
- Зарегистрирован: 21 май 2010, 14:46
- Двигатель:: 6G75 MIVEC
- Мой автомобиль(и):: PAJERO IV 3.8 5D
- Благодарил (а): 1 раз
- Поблагодарили: 2 раза
Re: Датчики дождя и света
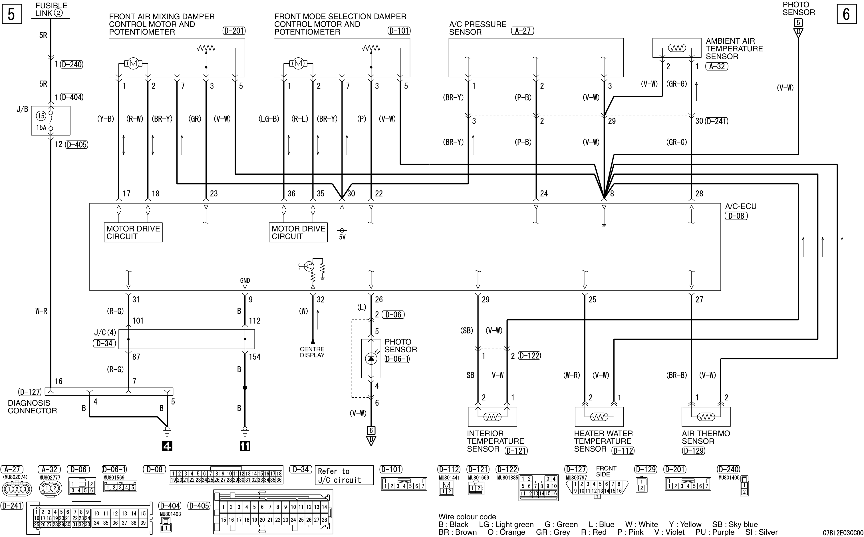
Датчик дождя и схему его подключения - хочется понять, что нужно поменять для его установки, нужно ли будет тянуть дополнительные провода и т.п.megranny писал(а):А что ищешь-то?Stalnoff писал(а):... Пока по workshop-у ничего не нашел - похоже не та версия - не могу там его найти...
- megranny
- Сообщения: 6152
- Зарегистрирован: 18 июл 2011, 01:22
- Двигатель:: дизель 4M41
- Мой автомобиль(и):: Subaru Forester III(S12),MP IV-3,2 Di-D Ultimate
- Откуда: ЦФО,76
- Благодарил (а): 16 раз
- Поблагодарили: 79 раз
Re: Датчики дождя и света
Типа таку схемку?Stalnoff писал(а):Датчик дождя и схему его подключения - хочется понять, что нужно поменять для его установки, нужно ли будет тянуть дополнительные провода и т.п.megranny писал(а):А что ищешь-то?Stalnoff писал(а):... Пока по workshop-у ничего не нашел - похоже не та версия - не могу там его найти...
I made in Japan
-
Ironman_SA
- Сообщения: 33
- Зарегистрирован: 21 май 2010, 14:46
- Двигатель:: 6G75 MIVEC
- Мой автомобиль(и):: PAJERO IV 3.8 5D
- Благодарил (а): 1 раз
- Поблагодарили: 2 раза
Re: Датчики дождя и света
Да, типа такую, тока не климата, а датч.дождя )))megranny писал(а):Типа таку схемку?
- megranny
- Сообщения: 6152
- Зарегистрирован: 18 июл 2011, 01:22
- Двигатель:: дизель 4M41
- Мой автомобиль(и):: Subaru Forester III(S12),MP IV-3,2 Di-D Ultimate
- Откуда: ЦФО,76
- Благодарил (а): 16 раз
- Поблагодарили: 79 раз
Re: Датчики дождя и света
Осталось выяснить,где он стоитStalnoff писал(а):Да, типа такую, тока не климата, а датч.дождя )))megranny писал(а):Типа таку схемку?
I made in Japan
-
Ironman_SA
- Сообщения: 33
- Зарегистрирован: 21 май 2010, 14:46
- Двигатель:: 6G75 MIVEC
- Мой автомобиль(и):: PAJERO IV 3.8 5D
- Благодарил (а): 1 раз
- Поблагодарили: 2 раза
Re: Датчики дождя и света
В общем поизучал...
Получился довольно приличный список запчастей.
Так же нужно заменить пучок проводки.
Так же нужно что-то перепрограммировать, чтобы мозги узнали, что у них есть датчик света и дождя, и затем нужно его откалибровать.
Датчик крепится на крепление, идущее вместе с лобовым стеклом.
В общем, по ценам exist-а получилось 45000 (без лобового). Плюс лобовое стекло с заменой, плюс работы по перепрограммированию.
И наверняка что-то еще не учел.
В общем тему можно закрыть, ибо слишком дорого получается...
Получился довольно приличный список запчастей.
Так же нужно заменить пучок проводки.
Так же нужно что-то перепрограммировать, чтобы мозги узнали, что у них есть датчик света и дождя, и затем нужно его откалибровать.
Датчик крепится на крепление, идущее вместе с лобовым стеклом.
В общем, по ценам exist-а получилось 45000 (без лобового). Плюс лобовое стекло с заменой, плюс работы по перепрограммированию.
И наверняка что-то еще не учел.
В общем тему можно закрыть, ибо слишком дорого получается...
- Lebed
- Сообщения: 10748
- Зарегистрирован: 25 июл 2010, 11:23
- Двигатель:: ******
- Мой автомобиль(и):: ******
- Откуда: ***
- Откуда: ***
- Благодарил (а): 236 раз
- Поблагодарили: 431 раз
Re: Датчики дождя и света
А что мешает поставить не стоковые датчики дождя и света? Да, хлопотно, но не так затратно по финансам.Stalnoff писал(а):...В общем тему можно закрыть, ибо слишком дорого получается...
"Если театр начинается с вешалки, то за такие пьесы нужно вешать." (с)
P.S. Для упырей- "Мы с тобой Гималаи; остальные — ничтожества." (с)
P.S. Для упырей- "Мы с тобой Гималаи; остальные — ничтожества." (с)
- megranny
- Сообщения: 6152
- Зарегистрирован: 18 июл 2011, 01:22
- Двигатель:: дизель 4M41
- Мой автомобиль(и):: Subaru Forester III(S12),MP IV-3,2 Di-D Ultimate
- Откуда: ЦФО,76
- Благодарил (а): 16 раз
- Поблагодарили: 79 раз
Re: Датчики дождя и света
Дык значит он совмещен с датчиком света?Т.е. это и есть фотоэлемент на картинке вверху?А как же,когда стекло меняют?Не слышал,чтобы кто-то программировал после замены стекла.Stalnoff писал(а): ... Так же нужно что-то перепрограммировать, чтобы мозги узнали, что у них есть датчик света и дождя, и затем нужно его откалибровать.
Датчик крепится на крепление, идущее вместе с лобовым стеклом...
А проводка штатная наверняка уже с возможностью подключения датчика идет.
I made in Japan
- Bersec
- Сообщения: 116
- Зарегистрирован: 30 июл 2011, 23:24
- Двигатель:: 2.5 Common Rail
- Мой автомобиль(и):: Pajero Sport
- Откуда: Москва
- Поблагодарили: 4 раза
Re: Датчики дождя и света
солидарен. как то странно все это читается. Впервые с таким сталкиваюсь, чтобы за 3 года столько раз менять..И Тельму, и Луизу писал(а):Простите меня, если сможете, но я Вам не верю.padjero999 писал(а):...
А я за 3 года 4 раза менял по гарантии трапецию....ибо скрипела и ломалась.......
- Lebed
- Сообщения: 10748
- Зарегистрирован: 25 июл 2010, 11:23
- Двигатель:: ******
- Мой автомобиль(и):: ******
- Откуда: ***
- Откуда: ***
- Благодарил (а): 236 раз
- Поблагодарили: 431 раз
Re: Датчики дождя и света
Это кто такой был?Bersec писал(а):солидарен. как то странно все это читается. Впервые с таким сталкиваюсь, чтобы за 3 года столько раз менять..И Тельму, и Луизу писал(а):Простите меня, если сможете, но я Вам не верю.padjero999 писал(а):...
А я за 3 года 4 раза менял по гарантии трапецию....ибо скрипела и ломалась.......
"Если театр начинается с вешалки, то за такие пьесы нужно вешать." (с)
P.S. Для упырей- "Мы с тобой Гималаи; остальные — ничтожества." (с)
P.S. Для упырей- "Мы с тобой Гималаи; остальные — ничтожества." (с)
-
Ironman_SA
- Сообщения: 33
- Зарегистрирован: 21 май 2010, 14:46
- Двигатель:: 6G75 MIVEC
- Мой автомобиль(и):: PAJERO IV 3.8 5D
- Благодарил (а): 1 раз
- Поблагодарили: 2 раза
Re: Датчики дождя и света
Хотелось именно оригинал, т.к. от всего остального китаем тянет, да и не солидно как-тоLebed писал(а):А что мешает поставить не стоковые датчики дождя и света? Да, хлопотно, но не так затратно по финансам.Stalnoff писал(а):...В общем тему можно закрыть, ибо слишком дорого получается...
-
Ironman_SA
- Сообщения: 33
- Зарегистрирован: 21 май 2010, 14:46
- Двигатель:: 6G75 MIVEC
- Мой автомобиль(и):: PAJERO IV 3.8 5D
- Благодарил (а): 1 раз
- Поблагодарили: 2 раза
Re: Датчики дождя и света
Да, это один датчик на 2 фнукции. А с программированием (адаптацией) так вот в workshop-е написано:megranny писал(а):Дык значит он совмещен с датчиком света?Т.е. это и есть фотоэлемент на картинке вверху?А как же,когда стекло меняют?Не слышал,чтобы кто-то программировал после замены стекла.Stalnoff писал(а): ... Так же нужно что-то перепрограммировать, чтобы мозги узнали, что у них есть датчик света и дождя, и затем нужно его откалибровать.
Датчик крепится на крепление, идущее вместе с лобовым стеклом...
Я тоже так думал, но каталоге 7 вариантов данного жгута - обычный, с люком, с датчиком дождя (дд), с люком и дд, с крышкой какой-то (Opc: S7LP: SUNROOF + RAIN SENSOR + COVER) и даже есть вариант для "low price interrior" (полицейский вариант, наверноеmegranny писал(а):А проводка штатная наверняка уже с возможностью подключения датчика идет.
- Lebed
- Сообщения: 10748
- Зарегистрирован: 25 июл 2010, 11:23
- Двигатель:: ******
- Мой автомобиль(и):: ******
- Откуда: ***
- Откуда: ***
- Благодарил (а): 236 раз
- Поблагодарили: 431 раз
Re: Датчики дождя и света
Значит плохо хочется этот девайс.Stalnoff писал(а):Хотелось именно оригинал....Lebed писал(а):...А что мешает поставить не стоковые датчики дождя и света? Да, хлопотно, но не так затратно по финансам.
Хоть Китай, хоть Уругвай- главное чтобы правильно работал и был установлен аккуратненько. ИМХО.Stalnoff писал(а):...от всего остального китаем тянет, да и не солидно как-то
Весь мир пользуется товарами, сделанными в Китае. Эко Вы капризный, батенька, фирменно- японское любите.
"Если театр начинается с вешалки, то за такие пьесы нужно вешать." (с)
P.S. Для упырей- "Мы с тобой Гималаи; остальные — ничтожества." (с)
P.S. Для упырей- "Мы с тобой Гималаи; остальные — ничтожества." (с)
- И Тельму, и Луизу
- Сообщения: 1636
- Зарегистрирован: 14 окт 2010, 18:12
- Двигатель:: Дизель 2,4
- Мой автомобиль(и):: НМПС 2021
- Откуда: Москва
- Откуда: Мск
- Благодарил (а): 31 раз
- Поблагодарили: 12 раз
Re: Датчики дождя и света
Оригинальный датчик - это приблуда под зеркалом. Лично я не очень бедствую, но не стал бы заморачиваться с установкой - стекло менять тыщ за 20, сам датчик, пусть даже б/у, тыщ пять-10 стоить будет, установка.... Морока, время... Я практически за те же деньги никак не могу шумоизоляцию сделать - лень. Почти два года езжу, теперь уже и не буду, наверное, делать - привык))).
- megranny
- Сообщения: 6152
- Зарегистрирован: 18 июл 2011, 01:22
- Двигатель:: дизель 4M41
- Мой автомобиль(и):: Subaru Forester III(S12),MP IV-3,2 Di-D Ultimate
- Откуда: ЦФО,76
- Благодарил (а): 16 раз
- Поблагодарили: 79 раз
Re: Датчики дождя и света
Видимо поэтому на новые машины ни одинокий,ни совмещенный датчики не ставят вовсеИ Тельму, и Луизу писал(а):Оригинальный датчик - это приблуда под зеркалом. Лично я не очень бедствую, но не стал бы заморачиваться с установкой - стекло менять тыщ за 20, сам датчик, пусть даже б/у, тыщ пять-10 стоить будет, установка.... Морока, время...
I made in Japan
-
Ironman_SA
- Сообщения: 33
- Зарегистрирован: 21 май 2010, 14:46
- Двигатель:: 6G75 MIVEC
- Мой автомобиль(и):: PAJERO IV 3.8 5D
- Благодарил (а): 1 раз
- Поблагодарили: 2 раза
Re: Датчики дождя и света
Думал, что может прокатить как с круиз-контролем - не тут то было, не прокатило )))И Тельму, и Луизу писал(а):Оригинальный датчик - это приблуда под зеркалом. Лично я не очень бедствую, но не стал бы заморачиваться с установкой - стекло менять тыщ за 20, сам датчик, пусть даже б/у, тыщ пять-10 стоить будет, установка.... Морока, время... Я практически за те же деньги никак не могу шумоизоляцию сделать - лень. Почти два года езжу, теперь уже и не буду, наверное, делать - привык))).
- megranny
- Сообщения: 6152
- Зарегистрирован: 18 июл 2011, 01:22
- Двигатель:: дизель 4M41
- Мой автомобиль(и):: Subaru Forester III(S12),MP IV-3,2 Di-D Ultimate
- Откуда: ЦФО,76
- Благодарил (а): 16 раз
- Поблагодарили: 79 раз
Re: Датчики дождя и света
Вот у мне стоят обое датчика.Свет терь зачем?Если он всегда должОн быть гореть?А дождь?Тоже не всегда в тему включается.Особенно,когда стекло грязное и кака-то капля от проехавшей мимо авты упала на датчик-замахали,только грязь размазали,а скоростенка под стодвадцать,к примеру.НеТ конечно,ежели есть,то и пусть будетStalnoff писал(а): Думал, что может прокатить как с круиз-контролем - не тут то было, не прокатило )))
I made in Japan
-
Ironman_SA
- Сообщения: 33
- Зарегистрирован: 21 май 2010, 14:46
- Двигатель:: 6G75 MIVEC
- Мой автомобиль(и):: PAJERO IV 3.8 5D
- Благодарил (а): 1 раз
- Поблагодарили: 2 раза
Re: Датчики дождя и света
Да свет-то не нужен, и так всегда горит. А вот датчик дождя - удобно. Особенно в дождь 
- Lebed
- Сообщения: 10748
- Зарегистрирован: 25 июл 2010, 11:23
- Двигатель:: ******
- Мой автомобиль(и):: ******
- Откуда: ***
- Откуда: ***
- Благодарил (а): 236 раз
- Поблагодарили: 431 раз
Re: Датчики дождя и света
+1.megranny писал(а):....А при продаже на это вряд ли кто внимание обратит и доп.денГи за доп.удобства вряд ли добавят
Хорошо сказал!
"Если театр начинается с вешалки, то за такие пьесы нужно вешать." (с)
P.S. Для упырей- "Мы с тобой Гималаи; остальные — ничтожества." (с)
P.S. Для упырей- "Мы с тобой Гималаи; остальные — ничтожества." (с)
