При замене насоса прописка не требуется. Нужна электронная диагностика и данные в динамике. Если ошибок нет и данные потока в допуске, потребуется регулировка насоса с его демонтажем и разборкой...И советуют его прописать в блок ЭБУ ДВС.
TRT "107-108" Для стандарта и не только! (4.04.2026) Форум Обсуждение FAQ
замена плунжера на 4м41
Модераторы: SNOOPER, Nbf, Romik, BAlex, drcham, алексей - Маленький Мук, DenVer, Алекс
- Dizel Man
- Сообщения: 5363
- Зарегистрирован: 16 янв 2005, 13:23
- Двигатель:: 4М41
- Мой автомобиль(и):: Mitsubishi Pajero 3, TLC-60, TLC-78, IFA W50
- Откуда: МО, Мытищи
- Откуда: Мытищи МО
- Благодарил (а): 10 раз
- Поблагодарили: 230 раз
Re: замена плунжера на 4м41
С уважением, Сергей. Все что мной написано исключительно ИМХО, наработанное годами творческих экспериментов!!!
-
sichuga
- Сообщения: 27
- Зарегистрирован: 15 окт 2010, 00:18
- Двигатель:: 4m41 дизелёк
- Мой автомобиль(и):: Mitsubishi Pajero-3 МКПП+сепаратор,автозапуск.
- Откуда: РБ г.Минск
Re: замена плунжера на 4м41
внимательно смотрите проводку к насосу очень велика вероятность перебитых проводов и повреждённой изоляции.Удачи.Олеганыч писал(а):Так вот звоню в фирму - продавшую мне ТНВД, заверили что насос, типа чутли неновый!!!
И советуют его прописать в блок ЭБУ ДВС.
Может кто подскажет, это как и при помощи чего?????
Выручайте!!!!
Вообще реакция на педаль газа есть или нет???
Из собственного опыта,если при нажатии на газ глохнет то,необходимо двигать голову насоса в направлении рулевой колонки (увеличить подачу) по 0.5 мм до достижения приемлимой работы.(впускной коллектор снят)
-
YelishevOS
- Сообщения: 6
- Зарегистрирован: 09 дек 2011, 06:27
- Двигатель:: 4M41
- Мой автомобиль(и):: Pajero 3, 2000г.
Re: замена плунжера на 4м41
А кто что слышал про такой способ ремонта? интересно, как по качеству и как долго после такого ремонта ходят детали? http://www.dizel-servis.tumn.ru/page5.html 
-
VSV1953
- Сообщения: 6471
- Зарегистрирован: 21 янв 2008, 08:12
- Двигатель:: 4М41
- Мой автомобиль(и):: Тройка
- Откуда: Кемерово
- Благодарил (а): 68 раз
- Поблагодарили: 47 раз
Re: замена плунжера на 4м41
А какая разница в цене между новым и востановленным?YelishevOS писал(а):А кто что слышал про такой способ ремонта? интересно, как по качеству и как долго после такого ремонта ходят детали? http://www.dizel-servis.tumn.ru/page5.html
П-3 3,2D 5 Дв. 4М41 АКПП 2004г ОМЕ Летом 255/85/16 БФГ МТ Зимой Нак 265/70/16 шип
Крузер 60 1989г 4,0D 6 рядная Атмосферник ПродаН
Никто не может пребывать в состоянии хронического невезения бесконечно долгое время
Крузер 60 1989г 4,0D 6 рядная Атмосферник ПродаН
Никто не может пребывать в состоянии хронического невезения бесконечно долгое время
-
YelishevOS
- Сообщения: 6
- Зарегистрирован: 09 дек 2011, 06:27
- Двигатель:: 4M41
- Мой автомобиль(и):: Pajero 3, 2000г.
Re: замена плунжера на 4м41
Новый ТНВД - в районе 150тыс.р.
Замена плунжерной пары + расходники - в районе 65тыс.р.
Восстановление плунжерной пары напылением+замена расходников - в районе 35тыс.р
но вопрос в том, сколько этот плунжер прослужит после такого "хромирования"? вот и интересуюсь, кто может делал уже так?
Замена плунжерной пары + расходники - в районе 65тыс.р.
Восстановление плунжерной пары напылением+замена расходников - в районе 35тыс.р
но вопрос в том, сколько этот плунжер прослужит после такого "хромирования"? вот и интересуюсь, кто может делал уже так?
- Dizel Man
- Сообщения: 5363
- Зарегистрирован: 16 янв 2005, 13:23
- Двигатель:: 4М41
- Мой автомобиль(и):: Mitsubishi Pajero 3, TLC-60, TLC-78, IFA W50
- Откуда: МО, Мытищи
- Откуда: Мытищи МО
- Благодарил (а): 10 раз
- Поблагодарили: 230 раз
Re: замена плунжера на 4м41
С 41-м ротором этот номер не пройдет...
С уважением, Сергей. Все что мной написано исключительно ИМХО, наработанное годами творческих экспериментов!!!
-
Alex B
- Сообщения: 50
- Зарегистрирован: 18 сен 2010, 18:01
- Двигатель:: 4M41
- Мой автомобиль(и):: Pajero III
Re: замена плунжера на 4м41
Делали мне там это напыление!!! Хватило на месяц. Сейчас имею тоже, что и до ремонта. От повторного ремонта отстреливаются, типа цепь растянута или автомат глючит.
-
VSV1953
- Сообщения: 6471
- Зарегистрирован: 21 янв 2008, 08:12
- Двигатель:: 4М41
- Мой автомобиль(и):: Тройка
- Откуда: Кемерово
- Благодарил (а): 68 раз
- Поблагодарили: 47 раз
Re: замена плунжера на 4м41
Намеренно задал такой вопрос. Овчинка выделки не стоит.YelishevOS писал(а):Новый ТНВД - в районе 150тыс.р.
Замена плунжерной пары + расходники - в районе 65тыс.р.
Восстановление плунжерной пары напылением+замена расходников - в районе 35тыс.р
но вопрос в том, сколько этот плунжер прослужит после такого "хромирования"? вот и интересуюсь, кто может делал уже так?
Ибо напыление в любом случае хуже цельного металла. Термин из головы выпал.
П-3 3,2D 5 Дв. 4М41 АКПП 2004г ОМЕ Летом 255/85/16 БФГ МТ Зимой Нак 265/70/16 шип
Крузер 60 1989г 4,0D 6 рядная Атмосферник ПродаН
Никто не может пребывать в состоянии хронического невезения бесконечно долгое время
Крузер 60 1989г 4,0D 6 рядная Атмосферник ПродаН
Никто не может пребывать в состоянии хронического невезения бесконечно долгое время
- Dizel Man
- Сообщения: 5363
- Зарегистрирован: 16 янв 2005, 13:23
- Двигатель:: 4М41
- Мой автомобиль(и):: Mitsubishi Pajero 3, TLC-60, TLC-78, IFA W50
- Откуда: МО, Мытищи
- Откуда: Мытищи МО
- Благодарил (а): 10 раз
- Поблагодарили: 230 раз
Re: замена плунжера на 4м41
Дело не в качестве напыления, а в особенностях работы именно этой модификации роторного ТНВД...Ибо напыление в любом случае хуже цельного металла
С уважением, Сергей. Все что мной написано исключительно ИМХО, наработанное годами творческих экспериментов!!!
-
VSV1953
- Сообщения: 6471
- Зарегистрирован: 21 янв 2008, 08:12
- Двигатель:: 4М41
- Мой автомобиль(и):: Тройка
- Откуда: Кемерово
- Благодарил (а): 68 раз
- Поблагодарили: 47 раз
Re: замена плунжера на 4м41
Никаких особенностей там нет с точки зрения металла. Не надо усложнять.Dizel Man писал(а):Дело не в качестве напыления, а в особенностях работы именно этой модификации роторного ТНВД...Ибо напыление в любом случае хуже цельного металла
П-3 3,2D 5 Дв. 4М41 АКПП 2004г ОМЕ Летом 255/85/16 БФГ МТ Зимой Нак 265/70/16 шип
Крузер 60 1989г 4,0D 6 рядная Атмосферник ПродаН
Никто не может пребывать в состоянии хронического невезения бесконечно долгое время
Крузер 60 1989г 4,0D 6 рядная Атмосферник ПродаН
Никто не может пребывать в состоянии хронического невезения бесконечно долгое время
-
YelishevOS
- Сообщения: 6
- Зарегистрирован: 09 дек 2011, 06:27
- Двигатель:: 4M41
- Мой автомобиль(и):: Pajero 3, 2000г.
Re: замена плунжера на 4м41
Ну главное то, что машинка после такого ремонта пробегала всего месяц... так что отдавать за такую реанимацию 35-40 тыс не стоит того.
лучше уж перебрать внутрянку на новую за 65 тыс. Спасибо огромное Alex B за ценный опыт. Хоть и печальный.
А мне осталось снять гидрач и вот он, родной ТНВД.. наконец почти до него добрался после стольких мучений и танцев с бубном вокруг капота.
Как собирать все обратно буду, вообще незнаю..
у меня всегда лишние детали остаются после разборов-сборов.. 
А мне осталось снять гидрач и вот он, родной ТНВД.. наконец почти до него добрался после стольких мучений и танцев с бубном вокруг капота.
Как собирать все обратно буду, вообще незнаю..
-
YelishevOS
- Сообщения: 6
- Зарегистрирован: 09 дек 2011, 06:27
- Двигатель:: 4M41
- Мой автомобиль(и):: Pajero 3, 2000г.
Re: замена плунжера на 4м41
Ну вот уже и солнца не видать, и морозец за 25 жмет потихоньку, так что на сегодня ремонтные работы окончены. Плохо когда нет гаража
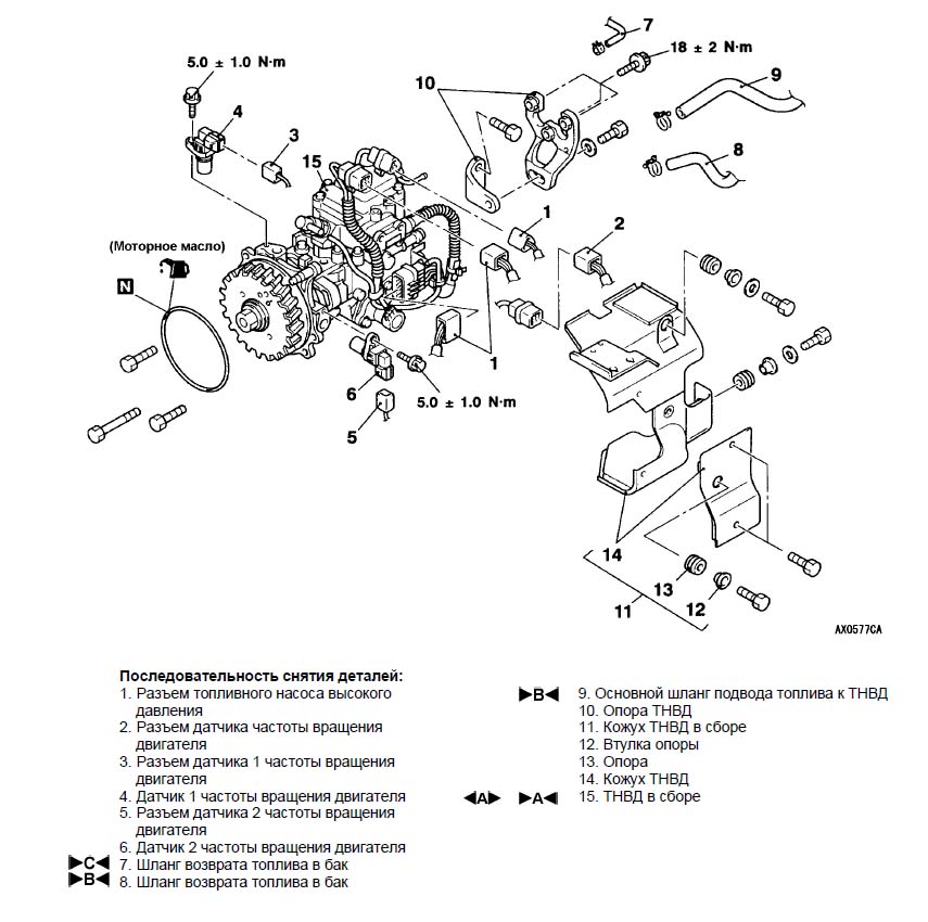
Гидрач снял, осталось только отсоеденить сам ТНВД. Спецы, подскажите плз, надо ли снимать крышку, которая закрывает зубчатое колесо привода ТНВД ( к которой еще крепится ГУР), или ненадо?
И где болты крепления самого ТНВД? Только крепление под №10?
И где болты крепления самого ТНВД? Только крепление под №10?
-
VSV1953
- Сообщения: 6471
- Зарегистрирован: 21 янв 2008, 08:12
- Двигатель:: 4М41
- Мой автомобиль(и):: Тройка
- Откуда: Кемерово
- Благодарил (а): 68 раз
- Поблагодарили: 47 раз
Re: замена плунжера на 4м41
http://www.pajero4x4.ru/bbs/phpBB2/view ... 7&start=90
saibl напиши. Он только что с этим наупражнялся.
saibl напиши. Он только что с этим наупражнялся.
П-3 3,2D 5 Дв. 4М41 АКПП 2004г ОМЕ Летом 255/85/16 БФГ МТ Зимой Нак 265/70/16 шип
Крузер 60 1989г 4,0D 6 рядная Атмосферник ПродаН
Никто не может пребывать в состоянии хронического невезения бесконечно долгое время
Крузер 60 1989г 4,0D 6 рядная Атмосферник ПродаН
Никто не может пребывать в состоянии хронического невезения бесконечно долгое время
- Dizel Man
- Сообщения: 5363
- Зарегистрирован: 16 янв 2005, 13:23
- Двигатель:: 4М41
- Мой автомобиль(и):: Mitsubishi Pajero 3, TLC-60, TLC-78, IFA W50
- Откуда: МО, Мытищи
- Откуда: Мытищи МО
- Благодарил (а): 10 раз
- Поблагодарили: 230 раз
Re: замена плунжера на 4м41
А что Вы об этом плунжере знаете, для такого утвержденимя?Никаких особенностей там нет с точки зрения металла. Не надо усложнять.
С уважением, Сергей. Все что мной написано исключительно ИМХО, наработанное годами творческих экспериментов!!!
-
VSV1953
- Сообщения: 6471
- Зарегистрирован: 21 янв 2008, 08:12
- Двигатель:: 4М41
- Мой автомобиль(и):: Тройка
- Откуда: Кемерово
- Благодарил (а): 68 раз
- Поблагодарили: 47 раз
Re: замена плунжера на 4м41
Столько же сколько и вы.Dizel Man писал(а):А что Вы об этом плунжере знаете, для такого утвержденимя?Никаких особенностей там нет с точки зрения металла. Не надо усложнять.
П-3 3,2D 5 Дв. 4М41 АКПП 2004г ОМЕ Летом 255/85/16 БФГ МТ Зимой Нак 265/70/16 шип
Крузер 60 1989г 4,0D 6 рядная Атмосферник ПродаН
Никто не может пребывать в состоянии хронического невезения бесконечно долгое время
Крузер 60 1989г 4,0D 6 рядная Атмосферник ПродаН
Никто не может пребывать в состоянии хронического невезения бесконечно долгое время
- Dizel Man
- Сообщения: 5363
- Зарегистрирован: 16 янв 2005, 13:23
- Двигатель:: 4М41
- Мой автомобиль(и):: Mitsubishi Pajero 3, TLC-60, TLC-78, IFA W50
- Откуда: МО, Мытищи
- Откуда: Мытищи МО
- Благодарил (а): 10 раз
- Поблагодарили: 230 раз
Re: замена плунжера на 4м41
Никаких особенностей там нет с точки зрения металла. Не надо усложнять.
Тогда, стоит раскрыть тему в контексте утверждения...Столько же сколько и вы
С уважением, Сергей. Все что мной написано исключительно ИМХО, наработанное годами творческих экспериментов!!!
-
VSV1953
- Сообщения: 6471
- Зарегистрирован: 21 янв 2008, 08:12
- Двигатель:: 4М41
- Мой автомобиль(и):: Тройка
- Откуда: Кемерово
- Благодарил (а): 68 раз
- Поблагодарили: 47 раз
Re: замена плунжера на 4м41
Да собственно и раскрывать него.Dizel Man писал(а):Никаких особенностей там нет с точки зрения металла. Не надо усложнять.Тогда, стоит раскрыть тему в контексте утверждения...Столько же сколько и вы
Насос высокого давления, ну и что. Есть насосы на гараздо более высокое давление.
Что металл там соответственно высокой прочности, так в этом тоже ничего особенного.
На профессиональных дизельных форумах, за них неохотно берутся в основном из за отсутствия 815 стенда. Но про мистические особенности никто не пишет.
П-3 3,2D 5 Дв. 4М41 АКПП 2004г ОМЕ Летом 255/85/16 БФГ МТ Зимой Нак 265/70/16 шип
Крузер 60 1989г 4,0D 6 рядная Атмосферник ПродаН
Никто не может пребывать в состоянии хронического невезения бесконечно долгое время
Крузер 60 1989г 4,0D 6 рядная Атмосферник ПродаН
Никто не может пребывать в состоянии хронического невезения бесконечно долгое время
- Vitalya-74
- Сообщения: 3998
- Зарегистрирован: 30 дек 2007, 13:01
- Двигатель:: 4М41
- Мой автомобиль(и):: Pajero
- Откуда: Челябинск
- Откуда: Уссурийск, Белогорск и уже Челябинск [74]
- Благодарил (а): 1 раз
- Поблагодарили: 150 раз
Re: замена плунжера на 4м41
Если не ошибаюсь (снимал месяцев 8 назад) то 3 болта со стороны радиатора, через лобовину в насос и один там где прикручиваются трубки выс. давления. Под распред головкой (у тебя поз №10). Никаких больше крышек снимать не надо. Только кожухи ТНВД, пластмассовую защиту на лобовине, вакуумник и насос ГУРа. Сливное отверстие выкуумника является и отверстием для выкручивания технологического болтика при взводе без зазорной шестерни ТНВД.YelishevOS писал(а):Ну вот уже и солнца не видать, и морозец за 25 жмет потихоньку, так что на сегодня ремонтные работы окончены. Плохо когда нет гаражаГидрач снял, осталось только отсоеденить сам ТНВД. Спецы, подскажите плз, надо ли снимать крышку, которая закрывает зубчатое колесо привода ТНВД ( к которой еще крепится ГУР), или ненадо?
И где болты крепления самого ТНВД? Только крепление под №10?
Москвич-412, Corolla-88 дв.4е;Crown-89.дв.2LTE; Chaser-90 дв.1G-GE; RVR-95 дв.4D65; Land Cruiser Prado-95 дв.1KZ-TE; Bighorn-99 дв.4JX1; Toyota Harrier-99 дв.5S; Pajero-3-2000 дв.4M41/г.в; AUDI A6 allroad quattro 2007 г.в
- saibl
- Сообщения: 127
- Зарегистрирован: 17 ноя 2011, 09:58
- Двигатель:: 4M41
- Мой автомобиль(и):: Pajero 2001г. 3,2 DiD
- Откуда: Биларус
- Благодарил (а): 4 раза
- Поблагодарили: 2 раза
Re: замена плунжера на 4м41
О друг мой! По всем вопросам демонтажа и монтажа обращайся, все что знаю подскажу. Я уже умею насос снимать и ставить за один день. Отвечаю. А насосик держат три болта. Насос гидрача снимать обязательно. Я снимал радиатор (это не долго и легко) для удобства снятия ролика натяжителя ремня на компрессор кондея, за которым есть болт крепления насоса. Если не будет получаться спрашивая скажу ВСЕ как на духу.YelishevOS писал(а):Ну вот уже и солнца не видать, и морозец за 25 жмет потихоньку, так что на сегодня ремонтные работы окончены. Плохо когда нет гаражаГидрач снял, осталось только отсоеденить сам ТНВД. Спецы, подскажите плз, надо ли снимать крышку, которая закрывает зубчатое колесо привода ТНВД ( к которой еще крепится ГУР), или ненадо?
И где болты крепления самого ТНВД? Только крепление под №10?
Прежде чем снимать насос ОБЯЗАТЕЛЬНО посмотри как метки стоят.
Крышку снимать не надо,
