TRT - Вдоль р.Киржач. Для стандартных 4х4 (08.11.25) Форум Обсуждение FAQ
P2 4m40 не заводится (стартер не крутит)
Модераторы: SNOOPER, Nbf, Romik, BAlex, drcham, алексей - Маленький Мук
- denlanc
- Сообщения: 144
- Зарегистрирован: 12 ноя 2011, 10:06
- Двигатель:: 3500сс, 6G74 GDI, АКП
- Мой автомобиль(и):: V75W, Exceed, люк для стрельбы :)
- Откуда: Иркутск
- Благодарил (а): 9 раз
- Поблагодарили: 8 раз
Re: P2 4m40 не заводится (стартер не крутит)
Мне кажется в этой теме появляются знающие, посему задам вопрос...
...вот и до ТНВД добрался. Ткните пальцем пожалуйста кто знает, хде тут пресловутый клапан отсечки???
пы.сы. фото не мое. ТНВД не снимал и что то не хочется

пы.сы. фото не мое. ТНВД не снимал и что то не хочется
- Вложения
-
- ТНВД 4М40 EFI.jpg (21.81 КБ) 3599 просмотров
- Тёмный
- Сообщения: 105
- Зарегистрирован: 26 июл 2011, 19:25
- Двигатель:: 6g72
- Мой автомобиль(и):: Pajero II
- Откуда: Томск
- Благодарил (а): 2 раза
- Поблагодарили: 3 раза
Re: P2 4m40 не заводится (стартер не крутит)
Томскdenlanc писал(а):Тёмный, а Вы откуда? Регион?

MMC Pajero II 2.4 MT SS Medved 31' - японец был
MMC Pajero II GLS V6 3.0 MT SS RDLock BFG MT 31' - европеец был
Honda Prelude 4WS Si '1987 - есть
MMC Pajero II GLS V6 3.0 MT SS RDLock BFG MT 31' - европеец был
Honda Prelude 4WS Si '1987 - есть
-
- Сообщения: 81
- Зарегистрирован: 29 дек 2010, 17:08
- Двигатель:: 4M40 EFI
- Мой автомобиль(и):: Mitsubishi Challenger
- Откуда: Курганская обл. Челябинск
Re: P2 4m40 не заводится (стартер не крутит)
Клапана отсечки топлива на фото не видно .
Вкручивается с верху в распределительную головку в которую вкручены трубки.
Вкручивается с верху в распределительную головку в которую вкручены трубки.
- denlanc
- Сообщения: 144
- Зарегистрирован: 12 ноя 2011, 10:06
- Двигатель:: 3500сс, 6G74 GDI, АКП
- Мой автомобиль(и):: V75W, Exceed, люк для стрельбы :)
- Откуда: Иркутск
- Благодарил (а): 9 раз
- Поблагодарили: 8 раз
Re: P2 4m40 не заводится (стартер не крутит)
У меня кореш на работе с Томска! А Алгоритм мне твой помог на 100%!!! Выявлен неисправный стартер, в нем плюсовые щетки износились и потому он на холостую крутил, а в сборе маховик сил небыло крутить!!! Силовые цепи и цепи управления я проверил тестером, благо они в порядке!Тёмный писал(а):Томскdenlanc писал(а):Тёмный, а Вы откуда? Регион?
Так что РЕСПЕКТ тебе огромный!!!

Тут вот еще что, однако выкидываю я свечи накала (СР-05) и раскашеливаюсь на оригинал, за/е..ло их менять каждый месяц и мучить стартер, от чего он и накрылся...

- Тёмный
- Сообщения: 105
- Зарегистрирован: 26 июл 2011, 19:25
- Двигатель:: 6g72
- Мой автомобиль(и):: Pajero II
- Откуда: Томск
- Благодарил (а): 2 раза
- Поблагодарили: 3 раза
Re: P2 4m40 не заводится (стартер не крутит)
на здоровьеdenlanc писал(а):У меня кореш на работе с Томска! А Алгоритм мне твой помог на 100%!!! Выявлен неисправный стартер, в нем плюсовые щетки износились и потому он на холостую крутил, а в сборе маховик сил небыло крутить!!! Силовые цепи и цепи управления я проверил тестером, благо они в порядке!
Так что РЕСПЕКТ тебе огромный!!!![]()

MMC Pajero II 2.4 MT SS Medved 31' - японец был
MMC Pajero II GLS V6 3.0 MT SS RDLock BFG MT 31' - европеец был
Honda Prelude 4WS Si '1987 - есть
MMC Pajero II GLS V6 3.0 MT SS RDLock BFG MT 31' - европеец был
Honda Prelude 4WS Si '1987 - есть
- Volgo69
- Сообщения: 15
- Зарегистрирован: 12 фев 2012, 12:17
- Двигатель:: 4D56
- Мой автомобиль(и):: Mitsubishi Pajero2 1993г
- Откуда: Иваново
- Благодарил (а): 1 раз
Re: P2 4m40 не заводится (стартер не крутит)
Была похожая ситуация.Ослаб массовый провод на двигателе( у меня как раз напротив рулевого редуктора)На реле мощей хватает чтоб его замкнуть,а на стартёр уже нет.Проверить шесть секунд-толстый провод на минус аккамулятора другой конец на движок.Мне помогло.
Если руки золотые, то не важно, откуда они растут. Сергей
-
- Сообщения: 198
- Зарегистрирован: 26 ноя 2011, 05:55
- Двигатель:: 4M40
- Мой автомобиль(и):: pajero 2 1998г рестайлинг 5 д
- Откуда: Москва
- Откуда: Москва
- Благодарил (а): 7 раз
Re: P2 4m40 не заводится (стартер не крутит)
господа, помогите! машина постояла 2 месяца и перестал крутить стартер(((( подаю плюс на прямую, крутит! кидал массу на движок, не помагло((((куда смотреть???и где находиться реле стартера???
-
- Сообщения: 198
- Зарегистрирован: 26 ноя 2011, 05:55
- Двигатель:: 4M40
- Мой автомобиль(и):: pajero 2 1998г рестайлинг 5 д
- Откуда: Москва
- Откуда: Москва
- Благодарил (а): 7 раз
Re: P2 4m40 не заводится (стартер не крутит)
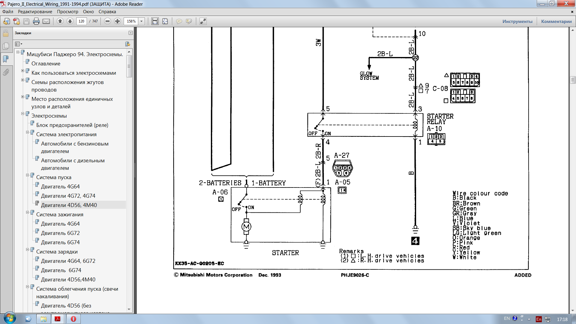
реле стартера...
1 -- \-- 2
3 -- ***--4
думаю в общем смысле понятен рисунок)))
1- плюс
2- пусто
3,4- масса
как я полагаю, на 3 должен быть плюс а на 4 масса (ну или наоборот)!!!даже при попытке крутануть стартером, масса не уходит ни с одного ни с другого!!!
далее, я так полагаю когда на 3 и 4 разные полюса, должны замкнуться 1 и 2 контакт, и тогда закрутиться стартер! кидал перемычку...ноль внимания...
реле рабочее, 4ra 003 510 08
и что подскажите мне дурочку дальше делать????
(что то мне подсказывает что это не то реле...но тем не менее другого я рядом больше не нашел! ткните в схему носом, а то может я и не там смотрю)))))
1 -- \-- 2
3 -- ***--4
думаю в общем смысле понятен рисунок)))
1- плюс
2- пусто
3,4- масса
как я полагаю, на 3 должен быть плюс а на 4 масса (ну или наоборот)!!!даже при попытке крутануть стартером, масса не уходит ни с одного ни с другого!!!
далее, я так полагаю когда на 3 и 4 разные полюса, должны замкнуться 1 и 2 контакт, и тогда закрутиться стартер! кидал перемычку...ноль внимания...
реле рабочее, 4ra 003 510 08
и что подскажите мне дурочку дальше делать????
(что то мне подсказывает что это не то реле...но тем не менее другого я рядом больше не нашел! ткните в схему носом, а то может я и не там смотрю)))))
- Тёмный
- Сообщения: 105
- Зарегистрирован: 26 июл 2011, 19:25
- Двигатель:: 6g72
- Мой автомобиль(и):: Pajero II
- Откуда: Томск
- Благодарил (а): 2 раза
- Поблагодарили: 3 раза
Re: P2 4m40 не заводится (стартер не крутит)
машина какая?viktorv89 писал(а):апппп
было бы неплохо для наглядности фото ножек, по рисунку как-то не очень ясно

MMC Pajero II 2.4 MT SS Medved 31' - японец был
MMC Pajero II GLS V6 3.0 MT SS RDLock BFG MT 31' - европеец был
Honda Prelude 4WS Si '1987 - есть
MMC Pajero II GLS V6 3.0 MT SS RDLock BFG MT 31' - европеец был
Honda Prelude 4WS Si '1987 - есть
-
- Сообщения: 198
- Зарегистрирован: 26 ноя 2011, 05:55
- Двигатель:: 4M40
- Мой автомобиль(и):: pajero 2 1998г рестайлинг 5 д
- Откуда: Москва
- Откуда: Москва
- Благодарил (а): 7 раз
Re: P2 4m40 не заводится (стартер не крутит)
в общем не то это было реле))))))))))))
но нашел нужное)))))
Тёмный - спасибо, по твоей схеме поиска проблем нашлись гнилые провода)))))
но нашел нужное)))))
Тёмный - спасибо, по твоей схеме поиска проблем нашлись гнилые провода)))))
- Тёмный
- Сообщения: 105
- Зарегистрирован: 26 июл 2011, 19:25
- Двигатель:: 6g72
- Мой автомобиль(и):: Pajero II
- Откуда: Томск
- Благодарил (а): 2 раза
- Поблагодарили: 3 раза
Re: P2 4m40 не заводится (стартер не крутит)
завсегда пожалуйстаviktorv89 писал(а):в общем не то это было реле))))))))))))
но нашел нужное)))))
Тёмный - спасибо, по твоей схеме поиска проблем нашлись гнилые провода)))))

MMC Pajero II 2.4 MT SS Medved 31' - японец был
MMC Pajero II GLS V6 3.0 MT SS RDLock BFG MT 31' - европеец был
Honda Prelude 4WS Si '1987 - есть
MMC Pajero II GLS V6 3.0 MT SS RDLock BFG MT 31' - европеец был
Honda Prelude 4WS Si '1987 - есть
- atas80
- Сообщения: 2880
- Зарегистрирован: 21 янв 2009, 19:38
- Двигатель:: 4M40
- Мой автомобиль(и):: Pajero 2 46 ATF
- Откуда: Киров
- Откуда: Kirov [43]
- Благодарил (а): 7 раз
- Поблагодарили: 72 раза
Re: P2 4m40 не заводится (стартер не крутит)
ГДЕ на 4М40 стоит реле стартера ??? Понятно что в моторном отсеке. Но в блоке реле его нет. ГДЕ ОНО ???
Mitsubishi PAJERO-II | 1995 | 4M40 | V46W | АКПП | GLS
Я горд за РОССИЙСКУЮ ИМПЕРИЮ - мы можем управлять "белым домом" и сажать своих людей в "овальный кабинет" !!!
Я горд за РОССИЙСКУЮ ИМПЕРИЮ - мы можем управлять "белым домом" и сажать своих людей в "овальный кабинет" !!!
- kasanova Piter
- Сообщения: 814
- Зарегистрирован: 14 янв 2009, 20:37
- Двигатель:: HD FT 4.2 Турбо дизель 24 клапана
- Мой автомобиль(и):: ТЛК 80 HD FT рестайл лимитед VX
- Откуда: Ленинград
- Откуда: Город Герой Ленинград
- Благодарил (а): 4 раза
- Поблагодарили: 6 раз
Re: P2 4m40 не заводится (стартер не крутит)
бляха тот же впрос ,те же проблеммы.где реле стартера находиться...местоположение его?????????????????Люди добрые помогите..на схеме оно показанноatas80 писал(а):ГДЕ на 4М40 стоит реле стартера ??? Понятно что в моторном отсеке. Но в блоке реле его нет. ГДЕ ОНО ???
ТЛК 80 97год рестайл 4,2 +3 дюйма OME 35 колеса бампера багажник .Машина в идеале с гаражного хранения
монтеро2 1999г 4м40 продан в феврале 2020г уехал на Камчатку
монтеро 2 1995г 6g74 АКПП super select .отъездил своё разобран и продан по частям
монтеро2 1999г 4м40 продан в феврале 2020г уехал на Камчатку
монтеро 2 1995г 6g74 АКПП super select .отъездил своё разобран и продан по частям
- kasanova Piter
- Сообщения: 814
- Зарегистрирован: 14 янв 2009, 20:37
- Двигатель:: HD FT 4.2 Турбо дизель 24 клапана
- Мой автомобиль(и):: ТЛК 80 HD FT рестайл лимитед VX
- Откуда: Ленинград
- Откуда: Город Герой Ленинград
- Благодарил (а): 4 раза
- Поблагодарили: 6 раз
Re: P2 4m40 не заводится (стартер не крутит)
запитал клемму втягивающего дублером и прокинул времянку в салон с кнопки стартер кручу,но это же неправильнор..не найти реле либо оно либо замок зажигания не контачит
ТЛК 80 97год рестайл 4,2 +3 дюйма OME 35 колеса бампера багажник .Машина в идеале с гаражного хранения
монтеро2 1999г 4м40 продан в феврале 2020г уехал на Камчатку
монтеро 2 1995г 6g74 АКПП super select .отъездил своё разобран и продан по частям
монтеро2 1999г 4м40 продан в феврале 2020г уехал на Камчатку
монтеро 2 1995г 6g74 АКПП super select .отъездил своё разобран и продан по частям
- atas80
- Сообщения: 2880
- Зарегистрирован: 21 янв 2009, 19:38
- Двигатель:: 4M40
- Мой автомобиль(и):: Pajero 2 46 ATF
- Откуда: Киров
- Откуда: Kirov [43]
- Благодарил (а): 7 раз
- Поблагодарили: 72 раза
Re: P2 4m40 не заводится (стартер не крутит)
Следствие продолжается 

Mitsubishi PAJERO-II | 1995 | 4M40 | V46W | АКПП | GLS
Я горд за РОССИЙСКУЮ ИМПЕРИЮ - мы можем управлять "белым домом" и сажать своих людей в "овальный кабинет" !!!
Я горд за РОССИЙСКУЮ ИМПЕРИЮ - мы можем управлять "белым домом" и сажать своих людей в "овальный кабинет" !!!
- kasanova Piter
- Сообщения: 814
- Зарегистрирован: 14 янв 2009, 20:37
- Двигатель:: HD FT 4.2 Турбо дизель 24 клапана
- Мой автомобиль(и):: ТЛК 80 HD FT рестайл лимитед VX
- Откуда: Ленинград
- Откуда: Город Герой Ленинград
- Благодарил (а): 4 раза
- Поблагодарили: 6 раз
Re: P2 4m40 не заводится (стартер не крутит)
вот,наглядно..спасибоatas80 писал(а):Следствие продолжается
ТЛК 80 97год рестайл 4,2 +3 дюйма OME 35 колеса бампера багажник .Машина в идеале с гаражного хранения
монтеро2 1999г 4м40 продан в феврале 2020г уехал на Камчатку
монтеро 2 1995г 6g74 АКПП super select .отъездил своё разобран и продан по частям
монтеро2 1999г 4м40 продан в феврале 2020г уехал на Камчатку
монтеро 2 1995г 6g74 АКПП super select .отъездил своё разобран и продан по частям
- atas80
- Сообщения: 2880
- Зарегистрирован: 21 янв 2009, 19:38
- Двигатель:: 4M40
- Мой автомобиль(и):: Pajero 2 46 ATF
- Откуда: Киров
- Откуда: Kirov [43]
- Благодарил (а): 7 раз
- Поблагодарили: 72 раза
Re: P2 4m40 не заводится (стартер не крутит)
Но жопа в том, что я его там не нашел. Может тебе повезет больше 

Mitsubishi PAJERO-II | 1995 | 4M40 | V46W | АКПП | GLS
Я горд за РОССИЙСКУЮ ИМПЕРИЮ - мы можем управлять "белым домом" и сажать своих людей в "овальный кабинет" !!!
Я горд за РОССИЙСКУЮ ИМПЕРИЮ - мы можем управлять "белым домом" и сажать своих людей в "овальный кабинет" !!!
- kasanova Piter
- Сообщения: 814
- Зарегистрирован: 14 янв 2009, 20:37
- Двигатель:: HD FT 4.2 Турбо дизель 24 клапана
- Мой автомобиль(и):: ТЛК 80 HD FT рестайл лимитед VX
- Откуда: Ленинград
- Откуда: Город Герой Ленинград
- Благодарил (а): 4 раза
- Поблагодарили: 6 раз
Re: P2 4m40 не заводится (стартер не крутит)
ах ты блин...)я еще не искал жду выходных....и где ты его нашел?atas80 писал(а):Но жопа в том, что я его там не нашел. Может тебе повезет больше
путем беглого осмотра стоит реле накала свечей..большое,рядом 2 круглые релюхи обычные,четырех контактные...они ,не они пока не разобрался
ТЛК 80 97год рестайл 4,2 +3 дюйма OME 35 колеса бампера багажник .Машина в идеале с гаражного хранения
монтеро2 1999г 4м40 продан в феврале 2020г уехал на Камчатку
монтеро 2 1995г 6g74 АКПП super select .отъездил своё разобран и продан по частям
монтеро2 1999г 4м40 продан в феврале 2020г уехал на Камчатку
монтеро 2 1995г 6g74 АКПП super select .отъездил своё разобран и продан по частям