TRT - Вдоль р.Киржач. Для стандартных 4х4 (08.11.25) Форум Обсуждение FAQ
Подключение датчика скорости к навигации.
Модераторы: SNOOPER, Nbf, Romik, BAlex, drcham, DenVer, SoundSpeed
- Alpinist
- Сообщения: 288
- Зарегистрирован: 23 авг 2012, 22:33
- Двигатель:: 6G72
- Мой автомобиль(и):: Pajero IV
- Благодарил (а): 8 раз
- Поблагодарили: 1 раз
Re: Подключение датчика скорости к навигации.
Нужно начало
ARB deluxe+ComeUp DV9S;шн.Safari; CB; экспед.корзина&пороги с защитой крыльев от Бауманца; защита АМГ 5 мм от морды до хвоста; лифт 2"; Cooper 33 STT+michelin lat.cross+nokian hkpl7 в стоке;+ГБО;
- И Тельму, и Луизу
- Сообщения: 1636
- Зарегистрирован: 14 окт 2010, 18:12
- Двигатель:: Дизель 2,4
- Мой автомобиль(и):: НМПС 2021
- Откуда: Москва
- Откуда: Мск
- Благодарил (а): 31 раз
- Поблагодарили: 12 раз
Re: Подключение датчика скорости к навигации.
Я вот сегодня в Лефортовском тоннеле посмотрел - да, на самом деле, если ни к чему не подключать, то навигатор как-будто стоит на месте. Но я потом еще секунд 25-28 подумал напряженно и решил, что и пусть себе стоит, бедолага. Ведь после выезда из тоннеля он сразу спозиционируется, вне зависимости от того, слева, справа или назад из этого тоннеля мы выезжаем.))
ИМХО, голову из-за этого ломать стОит только в том случае, если ни жены нет, ни детей, ни работы. И если дома пиво не ждет с водкой. И вина нет. И вообще нет других каких-то установок, а только одна эта мысль и гложет - К ЧЕМУ ПРОВОДОК ПРИЦЕПИТЬ???
Не согласны со мной?
ИМХО, голову из-за этого ломать стОит только в том случае, если ни жены нет, ни детей, ни работы. И если дома пиво не ждет с водкой. И вина нет. И вообще нет других каких-то установок, а только одна эта мысль и гложет - К ЧЕМУ ПРОВОДОК ПРИЦЕПИТЬ???
Не согласны со мной?
- megranny
- Сообщения: 6152
- Зарегистрирован: 18 июл 2011, 01:22
- Двигатель:: дизель 4M41
- Мой автомобиль(и):: Subaru Forester III(S12),MP IV-3,2 Di-D Ultimate
- Откуда: ЦФО,76
- Благодарил (а): 16 раз
- Поблагодарили: 79 раз
Re: Подключение датчика скорости к навигации.
Дык канешна пущай себе стоитьИ Тельму, и Луизу писал(а):Я вот сегодня в Лефортовском тоннеле посмотрел - да, на самом деле, если ни к чему не подключать, то навигатор как-будто стоит на месте. Но я потом еще секунд 25-28 подумал напряженно и решил, что и пусть себе стоит, бедолага...
А вот на водке с пивасом отсутствие подключения к датчику скорости точно не скажется
I made in Japan
- megranny
- Сообщения: 6152
- Зарегистрирован: 18 июл 2011, 01:22
- Двигатель:: дизель 4M41
- Мой автомобиль(и):: Subaru Forester III(S12),MP IV-3,2 Di-D Ultimate
- Откуда: ЦФО,76
- Благодарил (а): 16 раз
- Поблагодарили: 79 раз
Re: Подключение датчика скорости к навигации.
Не совсем понятно.На этой схеме есть и сам датчик и указано куда он подключается.Alpinist писал(а):Нужно начало
I made in Japan
- Alpinist
- Сообщения: 288
- Зарегистрирован: 23 авг 2012, 22:33
- Двигатель:: 6G72
- Мой автомобиль(и):: Pajero IV
- Благодарил (а): 8 раз
- Поблагодарили: 1 раз
Re: Подключение датчика скорости к навигации.
Датчик скорости интересует с целью подключения датчика света
ARB deluxe+ComeUp DV9S;шн.Safari; CB; экспед.корзина&пороги с защитой крыльев от Бауманца; защита АМГ 5 мм от морды до хвоста; лифт 2"; Cooper 33 STT+michelin lat.cross+nokian hkpl7 в стоке;+ГБО;
- megranny
- Сообщения: 6152
- Зарегистрирован: 18 июл 2011, 01:22
- Двигатель:: дизель 4M41
- Мой автомобиль(и):: Subaru Forester III(S12),MP IV-3,2 Di-D Ultimate
- Откуда: ЦФО,76
- Благодарил (а): 16 раз
- Поблагодарили: 79 раз
Re: Подключение датчика скорости к навигации.
Между датчиком скорости и датчиком света есть кака-то связь?Alpinist писал(а):Датчик скорости интересует с целью подключения датчика света
I made in Japan
- megranny
- Сообщения: 6152
- Зарегистрирован: 18 июл 2011, 01:22
- Двигатель:: дизель 4M41
- Мой автомобиль(и):: Subaru Forester III(S12),MP IV-3,2 Di-D Ultimate
- Откуда: ЦФО,76
- Благодарил (а): 16 раз
- Поблагодарили: 79 раз
Re: Подключение датчика скорости к навигации.
Подключение датчика света,если поможет
I made in Japan
- Губернатор
- Сообщения: 2706
- Зарегистрирован: 27 фев 2012, 15:54
- Двигатель:: 6G72
- Мой автомобиль(и):: PAJERO-4
- Откуда: Хабаровск
- Откуда: Сев.Сахалин-Хабаровск
- Благодарил (а): 46 раз
- Поблагодарили: 107 раз
Re: Подключение датчика скорости к навигации.
Нет,по крайней мере у меня связь только с солнышком,как оно сядет и начинает темнеть,свет от радости включаетсяmegranny писал(а):Между датчиком скорости и датчиком света есть кака-то связь?Alpinist писал(а):Датчик скорости интересует с целью подключения датчика света
"Водитель-самый опасный узел машины"
(Виталий) 891Ч7729610
(Виталий) 891Ч7729610
- Lebed
- Сообщения: 10748
- Зарегистрирован: 25 июл 2010, 11:23
- Двигатель:: ******
- Мой автомобиль(и):: ******
- Откуда: ***
- Откуда: ***
- Благодарил (а): 236 раз
- Поблагодарили: 431 раз
Re: Подключение датчика скорости к навигации.
Вероятно форумчанин Alpinist хочет воспользоваться какой то допоцией. Например, включение допсвета на определённой скорости. Ну, или открывание парашюта.DVostok писал(а):Нет,по крайней мере у меня связь только с солнышком,как оно сядет и начинает темнеть,свет от радости включаетсяmegranny писал(а):Между датчиком скорости и датчиком света есть кака-то связь?Alpinist писал(а):Датчик скорости интересует с целью подключения датчика светаОт скорости только дворники зависят
"Если театр начинается с вешалки, то за такие пьесы нужно вешать." (с)
P.S. Для упырей- "Мы с тобой Гималаи; остальные — ничтожества." (с)
P.S. Для упырей- "Мы с тобой Гималаи; остальные — ничтожества." (с)
- megranny
- Сообщения: 6152
- Зарегистрирован: 18 июл 2011, 01:22
- Двигатель:: дизель 4M41
- Мой автомобиль(и):: Subaru Forester III(S12),MP IV-3,2 Di-D Ultimate
- Откуда: ЦФО,76
- Благодарил (а): 16 раз
- Поблагодарили: 79 раз
Re: Подключение датчика скорости к навигации.
Вам только хахалиться
!
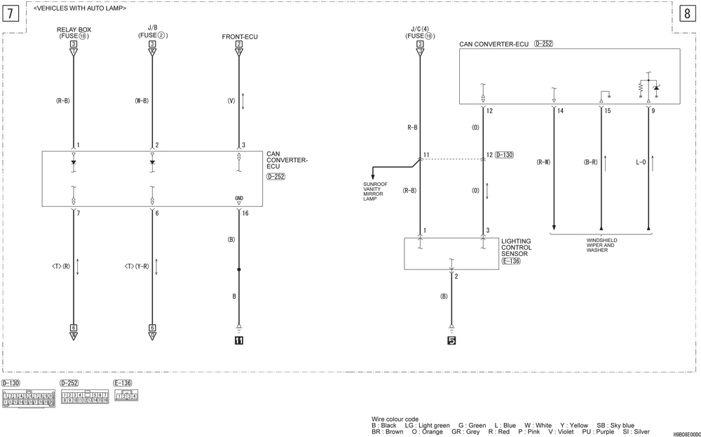
А тем не мене есть еще одна схемка из мануала,имеющая отношение к электрике головного света и тама датчик скорости упоминае.
Хотя,если честно,не допёр о её сущности.
А тем не мене есть еще одна схемка из мануала,имеющая отношение к электрике головного света и тама датчик скорости упоминае.
Хотя,если честно,не допёр о её сущности.
I made in Japan
- Lebed
- Сообщения: 10748
- Зарегистрирован: 25 июл 2010, 11:23
- Двигатель:: ******
- Мой автомобиль(и):: ******
- Откуда: ***
- Откуда: ***
- Благодарил (а): 236 раз
- Поблагодарили: 431 раз
Re: Подключение датчика скорости к навигации.
Привет!megranny писал(а):Вам только хахалиться!...
Обижаешь, мы иногда сУръёзные бываем

Хоть почаще заходить к нам стал, а то всё по курилкам и кабакам.
Не вдаваясь в подробности, при установленной Пандоре, могу сделать опцию по включению допсвета при достижении определённой скорости.
"Если театр начинается с вешалки, то за такие пьесы нужно вешать." (с)
P.S. Для упырей- "Мы с тобой Гималаи; остальные — ничтожества." (с)
P.S. Для упырей- "Мы с тобой Гималаи; остальные — ничтожества." (с)
- megranny
- Сообщения: 6152
- Зарегистрирован: 18 июл 2011, 01:22
- Двигатель:: дизель 4M41
- Мой автомобиль(и):: Subaru Forester III(S12),MP IV-3,2 Di-D Ultimate
- Откуда: ЦФО,76
- Благодарил (а): 16 раз
- Поблагодарили: 79 раз
Re: Подключение датчика скорости к навигации.
Привет,Андрей!Дык ведь когда все,ну или почти все, справно,на технически темы и грить-то не охотаLebed писал(а):Привет!megranny писал(а):Вам только хахалиться!...
Обижаешь, мы иногда сУръёзные бываем
Хоть почаще заходить к нам стал, а то всё по курилкам и кабакам.![]()
Не вдаваясь в подробности, при установленной Пандоре, могу сделать опцию по включению допсвета при достижении определённой скорости.
Думаю,по теме если,эта функция есть и штатно,только надо подключать ее с помощью MUT-III,а по умолчанию она отключена.
I made in Japan
- Lebed
- Сообщения: 10748
- Зарегистрирован: 25 июл 2010, 11:23
- Двигатель:: ******
- Мой автомобиль(и):: ******
- Откуда: ***
- Откуда: ***
- Благодарил (а): 236 раз
- Поблагодарили: 431 раз
Re: Подключение датчика скорости к навигации.
Привет!
Как большая вава?
Как большая вава?
"Если театр начинается с вешалки, то за такие пьесы нужно вешать." (с)
P.S. Для упырей- "Мы с тобой Гималаи; остальные — ничтожества." (с)
P.S. Для упырей- "Мы с тобой Гималаи; остальные — ничтожества." (с)
- megranny
- Сообщения: 6152
- Зарегистрирован: 18 июл 2011, 01:22
- Двигатель:: дизель 4M41
- Мой автомобиль(и):: Subaru Forester III(S12),MP IV-3,2 Di-D Ultimate
- Откуда: ЦФО,76
- Благодарил (а): 16 раз
- Поблагодарили: 79 раз
Re: Подключение датчика скорости к навигации.
Пофлудим малёха.Вава вчера за грибами ходил,а потом у мамани все грядки(уже перекопаные) еще раз пробороздил и был похож на бурого мишкуLebed писал(а):Привет!
Как большая вава?
I made in Japan
- Lebed
- Сообщения: 10748
- Зарегистрирован: 25 июл 2010, 11:23
- Двигатель:: ******
- Мой автомобиль(и):: ******
- Откуда: ***
- Откуда: ***
- Благодарил (а): 236 раз
- Поблагодарили: 431 раз
Re: Подключение датчика скорости к навигации.
"Если театр начинается с вешалки, то за такие пьесы нужно вешать." (с)
P.S. Для упырей- "Мы с тобой Гималаи; остальные — ничтожества." (с)
P.S. Для упырей- "Мы с тобой Гималаи; остальные — ничтожества." (с)
- megranny
- Сообщения: 6152
- Зарегистрирован: 18 июл 2011, 01:22
- Двигатель:: дизель 4M41
- Мой автомобиль(и):: Subaru Forester III(S12),MP IV-3,2 Di-D Ultimate
- Откуда: ЦФО,76
- Благодарил (а): 16 раз
- Поблагодарили: 79 раз
Re: Подключение датчика скорости к навигации.
Дык уж это точноLebed писал(а):Хороший мальчик!
I made in Japan
- Губернатор
- Сообщения: 2706
- Зарегистрирован: 27 фев 2012, 15:54
- Двигатель:: 6G72
- Мой автомобиль(и):: PAJERO-4
- Откуда: Хабаровск
- Откуда: Сев.Сахалин-Хабаровск
- Благодарил (а): 46 раз
- Поблагодарили: 107 раз
Re: Подключение датчика скорости к навигации.
Красава.Был у меня такой.Так же любил на ходу голову вытаскивать,правда тогда сурф был.После того как ветку на ходу схватил и оказался в полете с легкой посадкой на спину,охота отошла далеко на задний планmegranny писал(а):Дык уж это точноLebed писал(а):Хороший мальчик!
![]()
"Водитель-самый опасный узел машины"
(Виталий) 891Ч7729610
(Виталий) 891Ч7729610
- Lebed
- Сообщения: 10748
- Зарегистрирован: 25 июл 2010, 11:23
- Двигатель:: ******
- Мой автомобиль(и):: ******
- Откуда: ***
- Откуда: ***
- Благодарил (а): 236 раз
- Поблагодарили: 431 раз
Re: Подключение датчика скорости к навигации.
megranny писал(а):Дык уж это точноLebed писал(а):Хороший мальчик!
...
"Если театр начинается с вешалки, то за такие пьесы нужно вешать." (с)
P.S. Для упырей- "Мы с тобой Гималаи; остальные — ничтожества." (с)
P.S. Для упырей- "Мы с тобой Гималаи; остальные — ничтожества." (с)
-
Алекандр36
- Сообщения: 262
- Зарегистрирован: 23 мар 2011, 02:53
- Двигатель:: 3.0 бензин
- Мой автомобиль(и):: PajeroIV
- Откуда: воронеж
- Благодарил (а): 1 раз
- Поблагодарили: 6 раз
Re: Подключение датчика скорости к навигации.
Всем доброго дня!
Коллеги, наверное не в этот раздел попал, но...все же мультимедиа. Помогите советом: после покупки "пустого" автомобиля установил (разумеется китайскую) мультимедийку для Паджеро. Меня до сегодняшнего дня все устраивает в ней, все стало оч. аккуратно, рамка переходная и пр. Одна из функций - Навигация (Навител). Все работало неплохо, пока не возникло у моего сына желания "помочь папе сделать еще лучше". Вынул симку из системы и "закачал" обновленную версию (какая-то 13-я). Поработала она недолго и зависла в самый нужный момент и никакие перезагрузки ее с места не сдвинули. Три дня назад сын опять попробовал загрузить новую, уже "18 версию Навител". В результате появилась надпись "Карта не загружена". Но "13-я" версия вроде ожила, правда на ходу ее опробовали, на месте "путешествовала". Понятно, что все эти домашние ухищрения ....так, ерунда. Может кто из вас посоветует, где можно обновить гарантированно версию Навитела, можно и за "денги".
Коллеги, наверное не в этот раздел попал, но...все же мультимедиа. Помогите советом: после покупки "пустого" автомобиля установил (разумеется китайскую) мультимедийку для Паджеро. Меня до сегодняшнего дня все устраивает в ней, все стало оч. аккуратно, рамка переходная и пр. Одна из функций - Навигация (Навител). Все работало неплохо, пока не возникло у моего сына желания "помочь папе сделать еще лучше". Вынул симку из системы и "закачал" обновленную версию (какая-то 13-я). Поработала она недолго и зависла в самый нужный момент и никакие перезагрузки ее с места не сдвинули. Три дня назад сын опять попробовал загрузить новую, уже "18 версию Навител". В результате появилась надпись "Карта не загружена". Но "13-я" версия вроде ожила, правда на ходу ее опробовали, на месте "путешествовала". Понятно, что все эти домашние ухищрения ....так, ерунда. Может кто из вас посоветует, где можно обновить гарантированно версию Навитела, можно и за "денги".
- megranny
- Сообщения: 6152
- Зарегистрирован: 18 июл 2011, 01:22
- Двигатель:: дизель 4M41
- Мой автомобиль(и):: Subaru Forester III(S12),MP IV-3,2 Di-D Ultimate
- Откуда: ЦФО,76
- Благодарил (а): 16 раз
- Поблагодарили: 79 раз
Re: Подключение датчика скорости к навигации.
Дык у них сайт навител.су,тама есть гамаз.За денъги продадут ключик.
I made in Japan
