Больше ничего не ломалось. Там под ковриком вроде разъем какой-то есть, буду ещё его смотреть.Captain Sergio писал(а):Странно. Там прямая цепь от точки соединения всех концевиков до предохранителя. Сейчас дальше гляну. А все остальное работает? Ничего больше не сломалось? Можно еще попробовать плюс на предохранителе посмотреть, вынув его. С другого конца по идее масса должна быть (если лампы не диодные), если дверь открыта.
Не горит лампа индикации открытых дверей
Модераторы: SNOOPER, Nbf, Romik, BAlex
-
edouard
- Сообщения: 21
- Зарегистрирован: 26 фев 2012, 21:01
- Двигатель:: 4M40
- Мой автомобиль(и):: Pajero 2
- Откуда: Москва
- Благодарил (а): 3 раза
Re: Не горит лампа индикации открытых дверей
- Captain Sergio
- Сообщения: 4557
- Зарегистрирован: 30 янв 2012, 22:01
- Двигатель:: 4G18
- Мой автомобиль(и):: Pajero Пинин, 1999, АКПП, BMW X5
- Откуда: Ульяновск
- Благодарил (а): 264 раза
- Поблагодарили: 346 раз
Re: Не горит лампа индикации открытых дверей
Дело в том, что на передних концевиках два контакта. Один на подсветку двери и личинку замка, второй на освещение салона. Их надо раздельно звонить. Поэтому подсветка двери может работать, а салона нет.edouard писал(а):Тестером, рабочие ставил, ну и наконец лампа-то в двери гаснет при нажатии.Терик писал(а):а как проверял концевики?
Сергей. Все будет хорошо! Грязезащита для рамных автомобилей.
- Captain Sergio
- Сообщения: 4557
- Зарегистрирован: 30 янв 2012, 22:01
- Двигатель:: 4G18
- Мой автомобиль(и):: Pajero Пинин, 1999, АКПП, BMW X5
- Откуда: Ульяновск
- Благодарил (а): 264 раза
- Поблагодарили: 346 раз
Re: Не горит лампа индикации открытых дверей
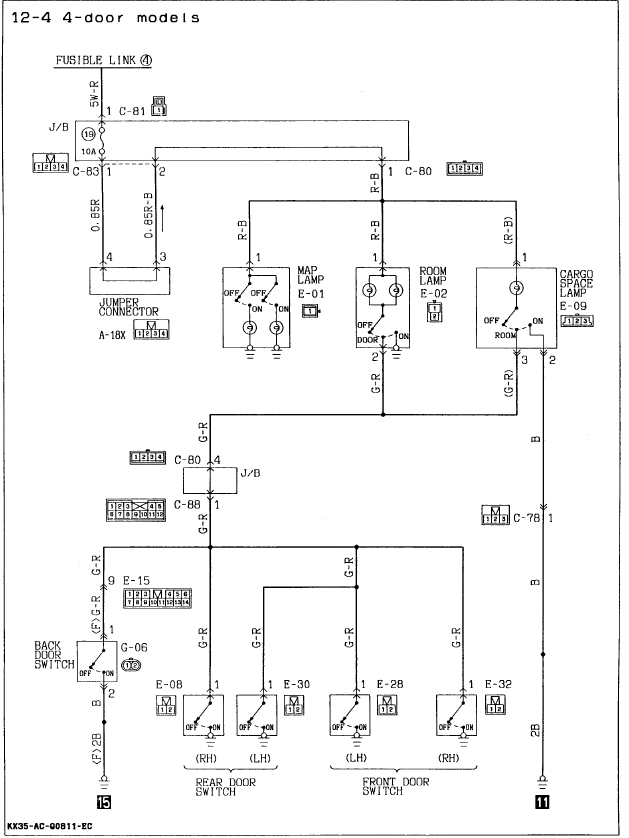
Схема проклаки жгутов
Сергей. Все будет хорошо! Грязезащита для рамных автомобилей.
- Captain Sergio
- Сообщения: 4557
- Зарегистрирован: 30 янв 2012, 22:01
- Двигатель:: 4G18
- Мой автомобиль(и):: Pajero Пинин, 1999, АКПП, BMW X5
- Откуда: Ульяновск
- Благодарил (а): 264 раза
- Поблагодарили: 346 раз
Re: Не горит лампа индикации открытых дверей
Схема проводки. Я бы посмотрел - появляется ли на на плафоне масса при открытой двери (точка С-80). Там же можно +12 глянуть. Оттуда и плясать. Кстати если штурманские лампы работают, плюс там есть. Если так, остается смотреть массу на плафоне и на разъеме в точке С-88. Он где-то слева под торпедой. Если плюса нет - цепь до предохранителя и собственно сам предохранитель - бывает подгорают сами контакты. Схему и расводку по жгутам брал тут http://manual4auto.ru/?p=1227 Как то так.
Сергей. Все будет хорошо! Грязезащита для рамных автомобилей.
-
edouard
- Сообщения: 21
- Зарегистрирован: 26 фев 2012, 21:01
- Двигатель:: 4M40
- Мой автомобиль(и):: Pajero 2
- Откуда: Москва
- Благодарил (а): 3 раза
Re: Не горит лампа индикации открытых дверей
Спасибо, за информацию. Сегодня времени нет проверить. О результатах отпишусь.
- Captain Sergio
- Сообщения: 4557
- Зарегистрирован: 30 янв 2012, 22:01
- Двигатель:: 4G18
- Мой автомобиль(и):: Pajero Пинин, 1999, АКПП, BMW X5
- Откуда: Ульяновск
- Благодарил (а): 264 раза
- Поблагодарили: 346 раз
Re: Не горит лампа индикации открытых дверей
Пиши. Все обязательно получится.
Сергей. Все будет хорошо! Грязезащита для рамных автомобилей.
-
edouard
- Сообщения: 21
- Зарегистрирован: 26 фев 2012, 21:01
- Двигатель:: 4M40
- Мой автомобиль(и):: Pajero 2
- Откуда: Москва
- Благодарил (а): 3 раза
Re: Не горит лампа индикации открытых дверей
Мануал у меня есть, а вот схемы прокладки жгутов нет, есть ли такая же для передней части авто?
- Captain Sergio
- Сообщения: 4557
- Зарегистрирован: 30 янв 2012, 22:01
- Двигатель:: 4G18
- Мой автомобиль(и):: Pajero Пинин, 1999, АКПП, BMW X5
- Откуда: Ульяновск
- Благодарил (а): 264 раза
- Поблагодарили: 346 раз
Re: Не горит лампа индикации открытых дверей
Я ссылку давал - там все есть. Посмотри. http://manual4auto.ru/?p=1227edouard писал(а):Мануал у меня есть, а вот схемы прокладки жгутов нет, есть ли такая же для передней части авто?
Сергей. Все будет хорошо! Грязезащита для рамных автомобилей.
-
edouard
- Сообщения: 21
- Зарегистрирован: 26 фев 2012, 21:01
- Двигатель:: 4M40
- Мой автомобиль(и):: Pajero 2
- Откуда: Москва
- Благодарил (а): 3 раза
Re: Не горит лампа индикации открытых дверей
Сегодня прозвонил всю проводку. Похоже дело в сигнализации...Буду смотреть, что с ней.
- Captain Sergio
- Сообщения: 4557
- Зарегистрирован: 30 янв 2012, 22:01
- Двигатель:: 4G18
- Мой автомобиль(и):: Pajero Пинин, 1999, АКПП, BMW X5
- Откуда: Ульяновск
- Благодарил (а): 264 раза
- Поблагодарили: 346 раз
Re: Не горит лампа индикации открытых дверей
Сигнализация то при чем? Проводка живая? Плюс нашел на плафоне? Массу? Если сигнализацию делали не дебилы (в моем городе дебилы не редкость) то они должны были повесить ее на общую точку от всех концевиков через ”вампира”. Ищи это место. Если дебилы - могли порвать и скрутить.
Сергей. Все будет хорошо! Грязезащита для рамных автомобилей.
-
edouard
- Сообщения: 21
- Зарегистрирован: 26 фев 2012, 21:01
- Двигатель:: 4M40
- Мой автомобиль(и):: Pajero 2
- Откуда: Москва
- Благодарил (а): 3 раза
Re: Не горит лампа индикации открытых дверей
Плюс нашел. Проводка живая. Пока нет времени заниматься машиной. Только на выходных. Если будет что-то новое напишу.
- El Bart
- Сообщения: 192
- Зарегистрирован: 17 авг 2009, 16:44
- Двигатель:: 4M41
- Мой автомобиль(и):: Pajero 4, 3D
- Откуда: Москва
- Откуда: Moscow
- Благодарил (а): 2 раза
- Поблагодарили: 1 раз
Re: Не горит лампа индикации открытых дверей
Привет Коллега!
У меня тоже самое было!!!! Вот начинал ветку на шесть дней раньше тебя: http://www.pajero4x4.ru/bbs/phpBB2/view ... 30&t=90693
Ситуация в следующем:
Обнаружил глюк сигнализации. Стоит Экселент. Сигналку ставили два года назад в Рольфе. Снятие и постановка, открытие и закрытие замков с брелка сигнализации - все работает. Однако обратил внимание, что после снятия с сигнализации она мне сигналит моргание красной лампочки что не в порядке дверные датчики. И я смотрю что при открытии дверей не загорается красная лампочка сигналки. То есть водительскую дверь открываю, как и пассажирскую - а лампа не загорается. Задок открываю - загорается, на капоте тоже у меня замок-кнопка, так тоже загорается при открытии капота, а вот двери - никак... Хотя при открытии дверей, все штатно, загораются лампы подсветки и приборная панель тоже светится. Попробовал такой трюк. Поставил с брелка на охрану, потом взял и ключом открыл водительскую дверь - и ничего, сигналка даже не пикнула...., лампочка моргает как "стоит на охране".... Пробовал двигать кнопкой , что управляет светом при закрытии\открытии дверей. Одну купил новую и менял по очереди, но они в порядке и сигналка на них никак не реагирует.
Грешу на то, что когда возился с динамиками в дверях, то снимал пластик и отсоединял панель с конопками на дверях. Возможно от этого "разучились" датчики... Хотя.., что там за датчики то?
Кто в курсах? Может там обучалка какая-то для датчиков есть или уже эта сигналка накрылась?
Все облазил, думал на сигнализацию. Так же снималась и ставилась на охрану совершенно не видя датчики дверей. После включения моргала светодиодом, что проблема с датчиком дверей, что типа двери открывались - это по Мануалу смотрел по количеству морганий... Так же как неожиданно ставилась на сигнализацию сама...., когда я в авто сидел...
Вылечил следующим образом. Заказал в Экзисте новую кнопку. По каталогу это № 8608A145. Вначале попробовал ее поставить на одну дверь - не помогло... Потом прошло время, уже собрался ехать в Рольф менять сигналку, но думаю дай поменяю в другой двери... Поменял и оказалось что попал в точку, в водительской двери видимо эта кнопка стала хренова работать, как только ее поменял - все заработало и сигналка тоже стала работать в штатном режиме!!!!
У меня тоже самое было!!!! Вот начинал ветку на шесть дней раньше тебя: http://www.pajero4x4.ru/bbs/phpBB2/view ... 30&t=90693
Ситуация в следующем:
Обнаружил глюк сигнализации. Стоит Экселент. Сигналку ставили два года назад в Рольфе. Снятие и постановка, открытие и закрытие замков с брелка сигнализации - все работает. Однако обратил внимание, что после снятия с сигнализации она мне сигналит моргание красной лампочки что не в порядке дверные датчики. И я смотрю что при открытии дверей не загорается красная лампочка сигналки. То есть водительскую дверь открываю, как и пассажирскую - а лампа не загорается. Задок открываю - загорается, на капоте тоже у меня замок-кнопка, так тоже загорается при открытии капота, а вот двери - никак... Хотя при открытии дверей, все штатно, загораются лампы подсветки и приборная панель тоже светится. Попробовал такой трюк. Поставил с брелка на охрану, потом взял и ключом открыл водительскую дверь - и ничего, сигналка даже не пикнула...., лампочка моргает как "стоит на охране".... Пробовал двигать кнопкой , что управляет светом при закрытии\открытии дверей. Одну купил новую и менял по очереди, но они в порядке и сигналка на них никак не реагирует.
Грешу на то, что когда возился с динамиками в дверях, то снимал пластик и отсоединял панель с конопками на дверях. Возможно от этого "разучились" датчики... Хотя.., что там за датчики то?
Кто в курсах? Может там обучалка какая-то для датчиков есть или уже эта сигналка накрылась?
Все облазил, думал на сигнализацию. Так же снималась и ставилась на охрану совершенно не видя датчики дверей. После включения моргала светодиодом, что проблема с датчиком дверей, что типа двери открывались - это по Мануалу смотрел по количеству морганий... Так же как неожиданно ставилась на сигнализацию сама...., когда я в авто сидел...
Вылечил следующим образом. Заказал в Экзисте новую кнопку. По каталогу это № 8608A145. Вначале попробовал ее поставить на одну дверь - не помогло... Потом прошло время, уже собрался ехать в Рольф менять сигналку, но думаю дай поменяю в другой двери... Поменял и оказалось что попал в точку, в водительской двери видимо эта кнопка стала хренова работать, как только ее поменял - все заработало и сигналка тоже стала работать в штатном режиме!!!!
Pajero IV, Disel 3.2 DI-D, 3 Doors, Intense, graphite grey...
-
edouard
- Сообщения: 21
- Зарегистрирован: 26 фев 2012, 21:01
- Двигатель:: 4M40
- Мой автомобиль(и):: Pajero 2
- Откуда: Москва
- Благодарил (а): 3 раза
Re: Не горит лампа индикации открытых дверей
Отличный совет, закажу я его пожалуй, тем более стоит он, наверно, копейки, да и выхода другого нет и ситуация похожа, только задний микрик не работает.
-
edouard
- Сообщения: 21
- Зарегистрирован: 26 фев 2012, 21:01
- Двигатель:: 4M40
- Мой автомобиль(и):: Pajero 2
- Откуда: Москва
- Благодарил (а): 3 раза
Re: Не горит лампа индикации открытых дверей
Ещё 2 вопроса:
1-Лампа в салоне горела при открытых дверях?
2-У меня паджеро 2, а разница есть?
1-Лампа в салоне горела при открытых дверях?
2-У меня паджеро 2, а разница есть?
- Captain Sergio
- Сообщения: 4557
- Зарегистрирован: 30 янв 2012, 22:01
- Двигатель:: 4G18
- Мой автомобиль(и):: Pajero Пинин, 1999, АКПП, BMW X5
- Откуда: Ульяновск
- Благодарил (а): 264 раза
- Поблагодарили: 346 раз
Re: Не горит лампа индикации открытых дверей
Ты же говорил что все живые? И почему ты не воспользовался моим алгоритмом по поиску?
Сергей. Все будет хорошо! Грязезащита для рамных автомобилей.
- El Bart
- Сообщения: 192
- Зарегистрирован: 17 авг 2009, 16:44
- Двигатель:: 4M41
- Мой автомобиль(и):: Pajero 4, 3D
- Откуда: Москва
- Откуда: Moscow
- Благодарил (а): 2 раза
- Поблагодарили: 1 раз
Re: Не горит лампа индикации открытых дверей
Извини! Я не посмотрел что у тебя Паджеро 2! По "второму" я не в курсах....
Номерок этот я выложил по Экзисту для Паджеро 4, как и схемка. Стоит эта кнопочка от 260 до 300 рублей. Свет подсветки дверей, кстати, горел..., что странно...
Номерок этот я выложил по Экзисту для Паджеро 4, как и схемка. Стоит эта кнопочка от 260 до 300 рублей. Свет подсветки дверей, кстати, горел..., что странно...
Pajero IV, Disel 3.2 DI-D, 3 Doors, Intense, graphite grey...
- Captain Sergio
- Сообщения: 4557
- Зарегистрирован: 30 янв 2012, 22:01
- Двигатель:: 4G18
- Мой автомобиль(и):: Pajero Пинин, 1999, АКПП, BMW X5
- Откуда: Ульяновск
- Благодарил (а): 264 раза
- Поблагодарили: 346 раз
Re: Не горит лампа индикации открытых дверей
Ничего странного. Я уже писал про передние концевики. Там два контакта. Один был живой. Свет работал. Сигналка нет.
Сергей. Все будет хорошо! Грязезащита для рамных автомобилей.
-
edouard
- Сообщения: 21
- Зарегистрирован: 26 фев 2012, 21:01
- Двигатель:: 4M40
- Мой автомобиль(и):: Pajero 2
- Откуда: Москва
- Благодарил (а): 3 раза
Re: Не горит лампа индикации открытых дверей
Да они вроде целые, но всё-равно попробую поставить от работающей машины. А вдруг!Captain Sergio писал(а):Ты же говорил что все живые? И почему ты не воспользовался моим алгоритмом по поиску?
- Captain Sergio
- Сообщения: 4557
- Зарегистрирован: 30 янв 2012, 22:01
- Двигатель:: 4G18
- Мой автомобиль(и):: Pajero Пинин, 1999, АКПП, BMW X5
- Откуда: Ульяновск
- Благодарил (а): 264 раза
- Поблагодарили: 346 раз
Re: Не горит лампа индикации открытых дверей
Нафига их менять если они целые
Ты проверь прохождение "массы" от водительского концевика и до плафона, как я писал. Я ж Тебе все схемы скинул. Если уж деньги лишние - доедь до любого автоэлектрика, он Тебе за эти 300 рублей все и посмотрит. Схемы только распечатай.
Сергей. Все будет хорошо! Грязезащита для рамных автомобилей.
- Captain Sergio
- Сообщения: 4557
- Зарегистрирован: 30 янв 2012, 22:01
- Двигатель:: 4G18
- Мой автомобиль(и):: Pajero Пинин, 1999, АКПП, BMW X5
- Откуда: Ульяновск
- Благодарил (а): 264 раза
- Поблагодарили: 346 раз
Re: Не горит лампа индикации открытых дверей
Ты разъем с водительского концевика скинь и проводочком каждый контакт (со стороны проводки) на массу замкни. При замыкании одного контакта будет плафон гореть, на другом подсветка проема двери. Если не загорится че-нить - смотри уже проводку.edouard писал(а):Да они вроде целые, но всё-равно попробую поставить от работающей машины. А вдруг!Captain Sergio писал(а):Ты же говорил что все живые? И почему ты не воспользовался моим алгоритмом по поиску?
Сергей. Все будет хорошо! Грязезащита для рамных автомобилей.
