TRT - Вдоль р.Киржач. Для стандартных 4х4 (08.11.25) Форум Обсуждение FAQ
странный звук двигателя при разгоне
Модераторы: SNOOPER, Nbf, Romik, BAlex, drcham, DenVer, SoundSpeed
- Pajeрик 001
- Сообщения: 255
- Зарегистрирован: 26 авг 2009, 07:32
- Двигатель:: 4M41
- Мой автомобиль(и):: Pajero IV МКПП 2008
- Откуда: Курган
- Откуда: Курган [45]
- Благодарил (а): 8 раз
- Поблагодарили: 1 раз
- Teddybearr
- Сообщения: 5109
- Зарегистрирован: 27 апр 2008, 16:42
- Двигатель:: 4m41 ТрубоДъзль
- Мой автомобиль(и):: Pajero
- Откуда: Ленинград
- Благодарил (а): 13 раз
- Поблагодарили: 86 раз
Re: странный звук двигателя при разгоне
И жужит он с этим же интервалом?Не один раз?
Есть вопросы по Четверке? Идите в F.A.Q.!
- Pajeрик 001
- Сообщения: 255
- Зарегистрирован: 26 авг 2009, 07:32
- Двигатель:: 4M41
- Мой автомобиль(и):: Pajero IV МКПП 2008
- Откуда: Курган
- Откуда: Курган [45]
- Благодарил (а): 8 раз
- Поблагодарили: 1 раз
Re: странный звук двигателя при разгоне
ну может не 30 секунд может чуть больше... Да не один раз.
Посмотрите у себя это усилитель и у вас должен включаться с этим интервалом
Посмотрите у себя это усилитель и у вас должен включаться с этим интервалом
- Teddybearr
- Сообщения: 5109
- Зарегистрирован: 27 апр 2008, 16:42
- Двигатель:: 4m41 ТрубоДъзль
- Мой автомобиль(и):: Pajero
- Откуда: Ленинград
- Благодарил (а): 13 раз
- Поблагодарили: 86 раз
Re: странный звук двигателя при разгоне
Если память не изменяет, он раза два или три жужит при включении зажигания.Посмотрю.Pajeрик 001 писал(а):ну может не 30 секунд может чуть больше... Да не один раз.
Посмотрите у себя это усилитель и у вас должен включаться с этим интервалом
А так, если будет возможность заехать на СТО, то лучше это сделать, ибо это тормозная система.
Есть вопросы по Четверке? Идите в F.A.Q.!
- megranny
- Сообщения: 6152
- Зарегистрирован: 18 июл 2011, 01:22
- Двигатель:: дизель 4M41
- Мой автомобиль(и):: Subaru Forester III(S12),MP IV-3,2 Di-D Ultimate
- Откуда: ЦФО,76
- Благодарил (а): 16 раз
- Поблагодарили: 79 раз
Re: странный звук двигателя при разгоне
Антоха,привет!У мну тоже жЮжжит при включении зажигания.Очень похоже на насос подкачки,как на зажигалках,дык нету его.TeddyBearr999 писал(а): Если память не изменяет, он раза два или три жужит при включении зажигания.Посмотрю.
А так, если будет возможность заехать на СТО, то лучше это сделать, ибо это тормозная система.
Забил.
I made in Japan
- megranny
- Сообщения: 6152
- Зарегистрирован: 18 июл 2011, 01:22
- Двигатель:: дизель 4M41
- Мой автомобиль(и):: Subaru Forester III(S12),MP IV-3,2 Di-D Ultimate
- Откуда: ЦФО,76
- Благодарил (а): 16 раз
- Поблагодарили: 79 раз
Re: странный звук двигателя при разгоне
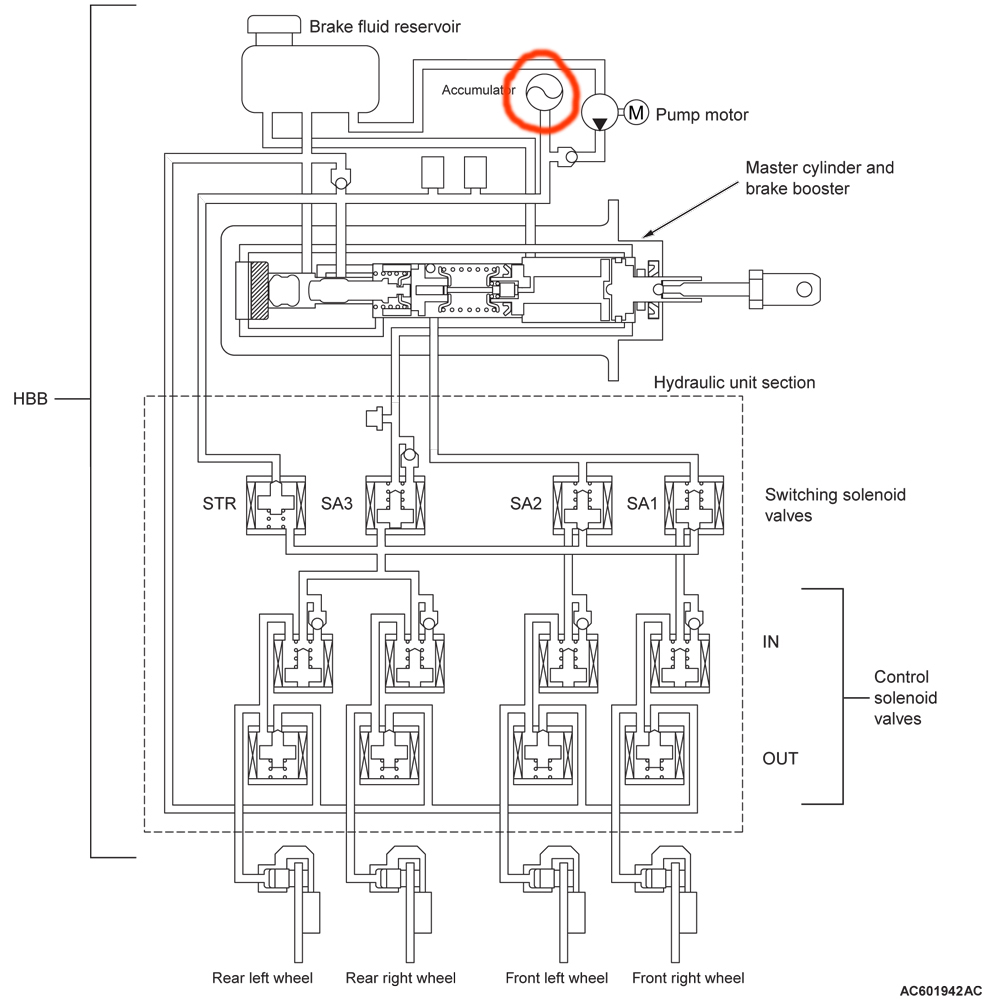
Это вот чтоPajeрик 001 писал(а):... Подскажите что это на фото по ощущениям звук идет от него.
Accumulator
The accumulator is pressurised with nitrogen gas and accumulates the hydraulic pressure which is generated by the pump motor.
I made in Japan
- Teddybearr
- Сообщения: 5109
- Зарегистрирован: 27 апр 2008, 16:42
- Двигатель:: 4m41 ТрубоДъзль
- Мой автомобиль(и):: Pajero
- Откуда: Ленинград
- Благодарил (а): 13 раз
- Поблагодарили: 86 раз
Re: странный звук двигателя при разгоне
Привет Леха!
Просто он должен пожузжать и прекратить, а не постоянно качать.
Просто он должен пожузжать и прекратить, а не постоянно качать.
Есть вопросы по Четверке? Идите в F.A.Q.!
- megranny
- Сообщения: 6152
- Зарегистрирован: 18 июл 2011, 01:22
- Двигатель:: дизель 4M41
- Мой автомобиль(и):: Subaru Forester III(S12),MP IV-3,2 Di-D Ultimate
- Откуда: ЦФО,76
- Благодарил (а): 16 раз
- Поблагодарили: 79 раз
Re: странный звук двигателя при разгоне
Дык он у мну и так пару-тройку сек жужжит,потом молчит.TeddyBearr999 писал(а):Привет Леха!
Просто он должен пожузжать и прекратить, а не постоянно качать.
И по-моему не при каждом включении зажигания.
I made in Japan
- Teddybearr
- Сообщения: 5109
- Зарегистрирован: 27 апр 2008, 16:42
- Двигатель:: 4m41 ТрубоДъзль
- Мой автомобиль(и):: Pajero
- Откуда: Ленинград
- Благодарил (а): 13 раз
- Поблагодарили: 86 раз
Re: странный звук двигателя при разгоне
А у Pajerика 001 он видимо постоянно жузжит с интервалом примерно 30 сек.
Могу только предположить что он давление пытается поддерживать, соответственно оно куда то девается.
Могу только предположить что он давление пытается поддерживать, соответственно оно куда то девается.
Есть вопросы по Четверке? Идите в F.A.Q.!
- megranny
- Сообщения: 6152
- Зарегистрирован: 18 июл 2011, 01:22
- Двигатель:: дизель 4M41
- Мой автомобиль(и):: Subaru Forester III(S12),MP IV-3,2 Di-D Ultimate
- Откуда: ЦФО,76
- Благодарил (а): 16 раз
- Поблагодарили: 79 раз
Re: странный звук двигателя при разгоне
Еще у прошлом годе тема была,там про этот нитрогенный аккум говорилось,TeddyBearr999 писал(а):А у Pajerика 001 он видимо постоянно жузжит с интервалом примерно 30 сек.
Могу только предположить что он давление пытается поддерживать, соответственно оно куда то девается.
и как раз про то,что он имеет свойство издавать неприятные звуки,когда дохнет.
Поискал-не нашел.
I made in Japan
-
los
- Сообщения: 137
- Зарегистрирован: 26 мар 2012, 13:18
- Двигатель:: 4М41 3.2 DID Diesel
- Мой автомобиль(и):: Pajero 4
- Откуда: Москва
- Благодарил (а): 1 раз
- Поблагодарили: 2 раза
Re: странный звук двигателя при разгоне
Что в итоге оказалось то???Ramon писал(а):Доброго всем дня. Впервые вот решил попросить совета, раньше всегда поиском находил что было нужно, а тут что-то никак...
Вводные данные: P4, 2007 год, дизель. пробег около 120 тысяч. вчера появился странный звук в двигателе при разгоне. звук появляется при раскручивании выше 2000 оборотов, то есть надо основательно топтать педаль. если разгоняться не спеша(обороты <2000 ), то все ок.
это даже не звук посторонний, а скорее работа двигателя, двигатель звучит слово обороты плавают, но по приборам они не плавают. то есть вот разгоняешься и такое "жжжж....жжжж...жжжж" из двигателя. уж простите за такое описания =). с частотой примерно 1.5-2 раза в секунду.
- на холостом ходу, если крутить двигатель, такого нет.
- от включения-выключения полного привода не зависит
- от работы или не работы климат контроля и нагрузки электрической тоже ничего не меняется.
- есть предположение, что появился после проезда не хилой такой лужи, но я не уверен.
до субботы постараюсь найти время и заехать в сервис, а так пока может кто- сталкивался?
п.с. звук, честно говоря, словами описать трудно(иначе бы я, наверное, нашел поиском это дело), но как уж смог...
заранее спасибо.
У меня сегодня точно так же было. Покатался - послушал. Потом пропало. Потом опять появилось....
Cooper Discoverer AT 3 - лето
Nokian Hakkapeliita 7 SUV (шипы) 265/65/17- зима
АЗС: Lukoil (Shell лить перестал)
Nokian Hakkapeliita 7 SUV (шипы) 265/65/17- зима
АЗС: Lukoil (Shell лить перестал)
- Pajeрик 001
- Сообщения: 255
- Зарегистрирован: 26 авг 2009, 07:32
- Двигатель:: 4M41
- Мой автомобиль(и):: Pajero IV МКПП 2008
- Откуда: Курган
- Откуда: Курган [45]
- Благодарил (а): 8 раз
- Поблагодарили: 1 раз
Re: странный звук двигателя при разгоне
Меня тоже эта мысль посещала, щас думаю может это не металический звук а звук стравляемого воздуха...TeddyBearr999 писал(а):А у Pajerика 001 он видимо постоянно жузжит с интервалом примерно 30 сек.
Могу только предположить что он давление пытается поддерживать, соответственно оно куда то девается.
Мдя если тормозная то эт очень плохо езжу много, придется выбираться на станцию
megranny Попал опять на денежку...
- megranny
- Сообщения: 6152
- Зарегистрирован: 18 июл 2011, 01:22
- Двигатель:: дизель 4M41
- Мой автомобиль(и):: Subaru Forester III(S12),MP IV-3,2 Di-D Ultimate
- Откуда: ЦФО,76
- Благодарил (а): 16 раз
- Поблагодарили: 79 раз
Re: странный звук двигателя при разгоне
Крепись!Мысленно мы с тобойPajeрик 001 писал(а): ...megranny Попал опять на денежку...
Но пасаран!!!
I made in Japan
-
Ramon
- Сообщения: 75
- Зарегистрирован: 17 авг 2010, 14:54
- Двигатель:: Дизель
- Мой автомобиль(и):: Pajero IV
- Откуда: Москва
- Благодарил (а): 4 раза
- Поблагодарили: 2 раза
Re: странный звук двигателя при разгоне
пока не знаю, больше не проявлялось, до сто еще не доехал.los писал(а): Что в итоге оказалось то???
У меня сегодня точно так же было. Покатался - послушал. Потом пропало. Потом опять появилось....
-
los
- Сообщения: 137
- Зарегистрирован: 26 мар 2012, 13:18
- Двигатель:: 4М41 3.2 DID Diesel
- Мой автомобиль(и):: Pajero 4
- Откуда: Москва
- Благодарил (а): 1 раз
- Поблагодарили: 2 раза
Re: странный звук двигателя при разгоне
И сервис ничо не сказал?Ramon писал(а):пока не знаю, больше не проявлялось, до сто еще не доехал.los писал(а): Что в итоге оказалось то???
У меня сегодня точно так же было. Покатался - послушал. Потом пропало. Потом опять появилось....
Опять сегодня проявилось. Съезжу чтоли завтра в клубный.... небось как водится - ровно завтра с утра все пропадет )))
Cooper Discoverer AT 3 - лето
Nokian Hakkapeliita 7 SUV (шипы) 265/65/17- зима
АЗС: Lukoil (Shell лить перестал)
Nokian Hakkapeliita 7 SUV (шипы) 265/65/17- зима
АЗС: Lukoil (Shell лить перестал)
-
Ramon
- Сообщения: 75
- Зарегистрирован: 17 авг 2010, 14:54
- Двигатель:: Дизель
- Мой автомобиль(и):: Pajero IV
- Откуда: Москва
- Благодарил (а): 4 раза
- Поблагодарили: 2 раза
Re: странный звук двигателя при разгоне
да я судя по всему смогу только в субботу до них доехать. у меня пока не проявляется.
-
los
- Сообщения: 137
- Зарегистрирован: 26 мар 2012, 13:18
- Двигатель:: 4М41 3.2 DID Diesel
- Мой автомобиль(и):: Pajero 4
- Откуда: Москва
- Благодарил (а): 1 раз
- Поблагодарили: 2 раза
Re: странный звук двигателя при разгоне
До паджерного не доехал пока... На знакомый сервис заскочил к дизелистам и спросил - сказали что скорее всего это топливный фильтр. Под нагрузкой не пропускает нужное кол-во солярки.
На стоячем нет ничо, при любом газе. При плавном разгоне - нет ничо. После 2000 оборотов и большой скорости 80-90 и дальше км\ч- тоже нет.
Есть только в р-не 3-4 передачи акпп, при скорости 40-60 км\ч и нажатии тапки для разгона. В моменте максимального потребления топлива.
Стал вспоминать что делалось до появления этого странного звука.
1) сменил резину на летнюю
2) поставил фаркоп
3) подтянул свистящие ремешки
4) заправился разок на незнакомой заправке (правда лукойл было написано) далеко за городом
Кроме пункта 4) к этому ничего больше не имеет отношения. Так сказали сервисмены. Склонен им верить.
Покатаюсь еще пару тройку дней - погляжу что будет дальше. Ежели останется - побегу смотреть и менять фильтры.
На стоячем нет ничо, при любом газе. При плавном разгоне - нет ничо. После 2000 оборотов и большой скорости 80-90 и дальше км\ч- тоже нет.
Есть только в р-не 3-4 передачи акпп, при скорости 40-60 км\ч и нажатии тапки для разгона. В моменте максимального потребления топлива.
Стал вспоминать что делалось до появления этого странного звука.
1) сменил резину на летнюю
2) поставил фаркоп
3) подтянул свистящие ремешки
4) заправился разок на незнакомой заправке (правда лукойл было написано) далеко за городом
Кроме пункта 4) к этому ничего больше не имеет отношения. Так сказали сервисмены. Склонен им верить.
Покатаюсь еще пару тройку дней - погляжу что будет дальше. Ежели останется - побегу смотреть и менять фильтры.
Cooper Discoverer AT 3 - лето
Nokian Hakkapeliita 7 SUV (шипы) 265/65/17- зима
АЗС: Lukoil (Shell лить перестал)
Nokian Hakkapeliita 7 SUV (шипы) 265/65/17- зима
АЗС: Lukoil (Shell лить перестал)
-
Ramon
- Сообщения: 75
- Зарегистрирован: 17 авг 2010, 14:54
- Двигатель:: Дизель
- Мой автомобиль(и):: Pajero IV
- Откуда: Москва
- Благодарил (а): 4 раза
- Поблагодарили: 2 раза
Re: странный звук двигателя при разгоне
вот и у меня подозрение на плохую солярку...тоже перед этим заправился не в слишком надежном месте...
