TRT "107-108" Для стандарта и не только! (4.04.2026) Форум Обсуждение FAQ
Новое программное для пятиступенчатой АКПП 4D56 D-ID
Модераторы: SNOOPER, Alex_SH, Nbf, BAlex, drcham, SoundSpeed
Правила форума
Дорогие друзья!
Пожалуйста, при создании и поиске сообщений не забывайте пользоваться гиперссылками на тематические разделы, расположенными на главной странице раздела "Новый Pajero Sport"
Дорогие друзья!
Пожалуйста, при создании и поиске сообщений не забывайте пользоваться гиперссылками на тематические разделы, расположенными на главной странице раздела "Новый Pajero Sport"
-
Диснов
- Сообщения: 200
- Зарегистрирован: 19 авг 2016, 10:21
- Двигатель:: 4D56 Di-D
- Мой автомобиль(и):: NPS АКПП
- Откуда: Кашира
- Поблагодарили: 10 раз
Re: Новое программное для пятиступенчатой АКПП 4D56 D-ID
Napic - где обратная связь ? Какие давления ? Заблуждение.
Откуда взял график ?
На нём 12 вольт и пик 57 вольт.
У нас рабочее напряжение клапана 6-7 вольт.
Откуда взял график ?
На нём 12 вольт и пик 57 вольт.
У нас рабочее напряжение клапана 6-7 вольт.
ЕГР-нет, т-обменникЕГР-нет, др. заслонка-нет, р. балансир.-нет, катализатор-нет, прошивка сток, "колхоз"-ДА.
-
Диснов
- Сообщения: 200
- Зарегистрирован: 19 авг 2016, 10:21
- Двигатель:: 4D56 Di-D
- Мой автомобиль(и):: NPS АКПП
- Откуда: Кашира
- Поблагодарили: 10 раз
Re: Новое программное для пятиступенчатой АКПП 4D56 D-ID
"Ноги" заблуждения растут в корявости перевода мануала по данной ссылке, его понимания.Napic писал(а): Это сервисмануал от производителя нашей АКПП http://mmc-manuals.ru/manuals/pajero_sp ... 000ENG.HTM
Сигналы поступающие от TCU преобразуются в давление масла для включения-выключения .....
"Сигналы преобразуются в давления.."
Так и есть сигнал открыл клапан, в канале появилось давление преобразование произошло.
Ни какой регулировки.
Далее в мануале про то, что в каждом канале управления есть эл. клапан ( соленоид ) и механический регулятор давления. От которого и зависит плавность переключения.
ЭБУ не сможет повлиять на давление соответственно на скорость и плавность переключений.
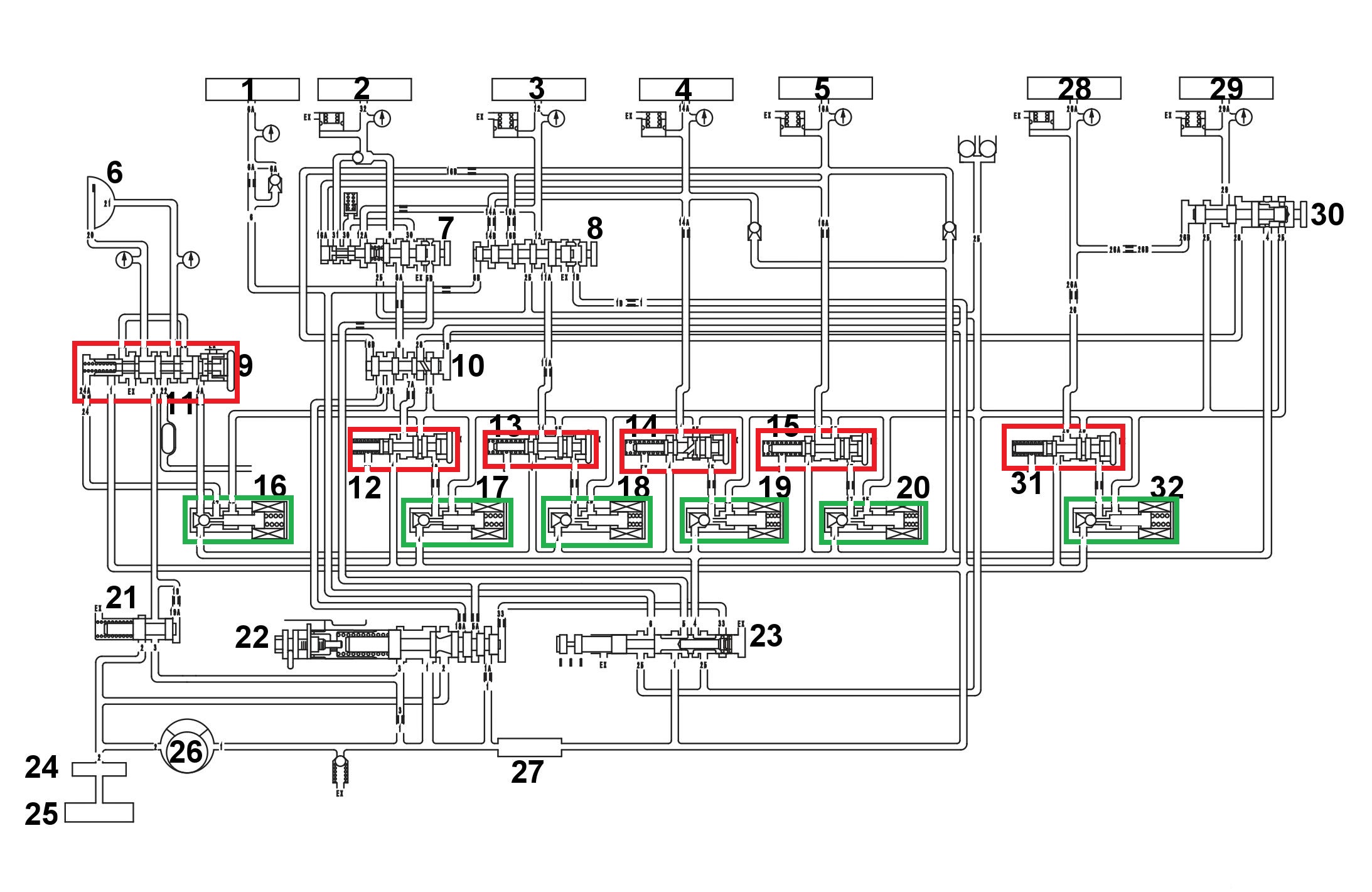
На схеме зелёный - электромагнит,
красный механический клапан регулировки давления .
ЕГР-нет, т-обменникЕГР-нет, др. заслонка-нет, р. балансир.-нет, катализатор-нет, прошивка сток, "колхоз"-ДА.
- Napic
- Сообщения: 5982
- Зарегистрирован: 29 июл 2010, 06:51
- Двигатель:: дизель 4d56
- Мой автомобиль(и):: НМПСпорт 2010
- Откуда: Сибирь
- Благодарил (а): 423 раза
- Поблагодарили: 1021 раз
Re: Новое программное для пятиступенчатой АКПП 4D56 D-ID
Всё беру из сервисмануала производителя нашей АКПП.Диснов писал(а):Napic - где обратная связь ? Какие давления ? Заблуждение.
Откуда взял график ?
На нём 12 вольт и пик 57 вольт.
У нас рабочее напряжение клапана 6-7 вольт.
http://mmc-manuals.ru/manuals/pajero_sp ... 200ENG.HTM
Давайте уже заканчивать про стоковые сигналы!
Я их все, при переключении передач, оставил стоковые!
Это же самое касается и отдельного соленоида блокировки ГТ (гидротрансформатора) - всё используется стоковое.
Единственное, что я добавил - это режим переключения блокированной четвертой передачи в блокированную пятую.
Режим этот настроен таким образом, чтобы в сам момент переключения 4-5 блокировка ГТ оставалась включенной, но допускала дополнительное, нормируемое проскальзывание.
При переключении вниз, из пятой в четвертую - блокировка безусловно снимается.
Режим с нормируемым проскальзыванием при переключении - это также штатный режим, настроенный на заводе, но не вошедший в окончательную конфигурацию нашего ПО.
Нормируемое проскальзывание ГТ обеспечивается регулировкой давления масла поступающего через соленоид DCC.
В итоге, с новым программным обеспечением, при соблюдении определенных условий, стала возможна ситуация заехать на длинный, пологий тягун, используя четвертую и пятую передачи, а коробка при этом может даже остыть, причем это справедливо даже для автомобиля с прицепом.
Но стоковом ПО, очень часто возникает прямо противоположная ситуация, когда коробка просто уходит в защиту по перегреву.
PS. Защитный механизм по перегреву был оставлен полностью стоковым и без изменения.
НМПСпорт 2010 4d56 2500 дизель S05 5AT
лето BridgeStone HT 265/65R17, зима Hakka 5 SUV 265/65R17
Eberspacher Hydronic 5 кВт, доп. вентилятор кондиционера
Egr off + дроссель On (нержавейка + программное отключение)
лето BridgeStone HT 265/65R17, зима Hakka 5 SUV 265/65R17
Eberspacher Hydronic 5 кВт, доп. вентилятор кондиционера
Egr off + дроссель On (нержавейка + программное отключение)
-
Serega77
- Сообщения: 281
- Зарегистрирован: 28 авг 2015, 15:21
- Двигатель:: 4D56 ,дизель
- Мой автомобиль(и):: НМПС 2.5 , A/T
- Откуда: Актау
- Благодарил (а): 35 раз
- Поблагодарили: 23 раза
Re: Новое программное для пятиступенчатой АКПП 4D56 D-ID
------
Последний раз редактировалось Serega77 16 янв 2019, 11:54, всего редактировалось 1 раз.
-
Serega77
- Сообщения: 281
- Зарегистрирован: 28 авг 2015, 15:21
- Двигатель:: 4D56 ,дизель
- Мой автомобиль(и):: НМПС 2.5 , A/T
- Откуда: Актау
- Благодарил (а): 35 раз
- Поблагодарили: 23 раза
Re: Новое программное для пятиступенчатой АКПП 4D56 D-ID
Насколько я понял, регулировка давления подразумевает под собой принцип частотного регулирования - в зависимости от частоты импулсов и их длительности, клапан приткрывается на определенный процент. Меняя длительность импульса, меняется провент открытия клапана И соответственно давления
"
PWM- пропорциональные соленоиды, VBS, VFS
В середине 90-х у конструкторов разгорелся аппетит и они потребовали еще более интеллектуальных инструментов управления гидравликой. Были разработаны соленоиды-регуляторы.
"электро-регуляторы" работают по принципу: "Вентиля". В отличии от принципа "Крана" он-офф соленоидов, у которых есть или полностью открытое или полностью закрытое положение.
Такие соленоиды-регулятор приоткрывают или призакрывают сечение по кривой в зависимости от характера поступающего импульсного напряжения от компьютера. (Ток подается прерывисто, с разной длительностью этого прерывания)"
"
PWM- пропорциональные соленоиды, VBS, VFS
В середине 90-х у конструкторов разгорелся аппетит и они потребовали еще более интеллектуальных инструментов управления гидравликой. Были разработаны соленоиды-регуляторы.
"электро-регуляторы" работают по принципу: "Вентиля". В отличии от принципа "Крана" он-офф соленоидов, у которых есть или полностью открытое или полностью закрытое положение.
Такие соленоиды-регулятор приоткрывают или призакрывают сечение по кривой в зависимости от характера поступающего импульсного напряжения от компьютера. (Ток подается прерывисто, с разной длительностью этого прерывания)"
- Napic
- Сообщения: 5982
- Зарегистрирован: 29 июл 2010, 06:51
- Двигатель:: дизель 4d56
- Мой автомобиль(и):: НМПСпорт 2010
- Откуда: Сибирь
- Благодарил (а): 423 раза
- Поблагодарили: 1021 раз
Re: Новое программное для пятиступенчатой АКПП 4D56 D-ID
Все правильно. У нас в АКПП используются самые передовые, интеллектуальные гидравлические соленоиды.Serega77 писал(а):Насколько я понял, регулировка давления подразумевает под собой принцип частотного регулирования - в зависимости от частоты импулсов и их длительности, клапан приткрывается на определенный процент. Меняя длительность импульса, меняется провент открытия клапана И соответственно давления
"
PWM- пропорциональные соленоиды, VBS, VFS
В середине 90-х у конструкторов разгорелся аппетит и они потребовали еще более интеллектуальных инструментов управления гидравликой. Были разработаны соленоиды-регуляторы.
"электро-регуляторы" работают по принципу: "Вентиля". В отличии от принципа "Крана" он-офф соленоидов, у которых есть или полностью открытое или полностью закрытое положение.
Такие соленоиды-регулятор приоткрывают или призакрывают сечение по кривой в зависимости от характера поступающего импульсного напряжения от компьютера. (Ток подается прерывисто, с разной длительностью этого прерывания)"
И ими можно управлять. Вернее настраивать. Заводскими калибровками
НМПСпорт 2010 4d56 2500 дизель S05 5AT
лето BridgeStone HT 265/65R17, зима Hakka 5 SUV 265/65R17
Eberspacher Hydronic 5 кВт, доп. вентилятор кондиционера
Egr off + дроссель On (нержавейка + программное отключение)
лето BridgeStone HT 265/65R17, зима Hakka 5 SUV 265/65R17
Eberspacher Hydronic 5 кВт, доп. вентилятор кондиционера
Egr off + дроссель On (нержавейка + программное отключение)
-
molvinets
- Сообщения: 1178
- Зарегистрирован: 02 апр 2014, 21:32
- Двигатель:: Дизель 2,5
- Мой автомобиль(и):: Pajero Sport 2011 комплектация S05
- Откуда: Москва
- Благодарил (а): 32 раза
- Поблагодарили: 90 раз
Re: Новое программное для пятиступенчатой АКПП 4D56 D-ID
По диаграммам блокировки ГТ не совсем понятно при каких оборотах и скорости происходит полная блокировка на 4 и 5 передачах. Можно прояснить? И как в торке увидеть насколько он заблокирован?
- Napic
- Сообщения: 5982
- Зарегистрирован: 29 июл 2010, 06:51
- Двигатель:: дизель 4d56
- Мой автомобиль(и):: НМПСпорт 2010
- Откуда: Сибирь
- Благодарил (а): 423 раза
- Поблагодарили: 1021 раз
Re: Новое программное для пятиступенчатой АКПП 4D56 D-ID
Включение блокировки на 4-ой и 5-ой передачах - оставлено полностью стоковое.molvinets писал(а):По диаграммам блокировки ГТ не совсем понятно при каких оборотах и скорости происходит полная блокировка на 4 и 5 передачах. Можно прояснить? И как в торке увидеть насколько он заблокирован?
Включение блокировки 3-ей передачи - также оставлено стоковое (включается только при перегреве АКПП)
Я оставил все стоковые скорости включения и стоковые нагрузки этих включений.
В торке возможно настроить соответствующий PID, показывающий в %-ах степень задействования клапана.
По пиду не подскажу.
НМПСпорт 2010 4d56 2500 дизель S05 5AT
лето BridgeStone HT 265/65R17, зима Hakka 5 SUV 265/65R17
Eberspacher Hydronic 5 кВт, доп. вентилятор кондиционера
Egr off + дроссель On (нержавейка + программное отключение)
лето BridgeStone HT 265/65R17, зима Hakka 5 SUV 265/65R17
Eberspacher Hydronic 5 кВт, доп. вентилятор кондиционера
Egr off + дроссель On (нержавейка + программное отключение)
-
Диснов
- Сообщения: 200
- Зарегистрирован: 19 авг 2016, 10:21
- Двигатель:: 4D56 Di-D
- Мой автомобиль(и):: NPS АКПП
- Откуда: Кашира
- Поблагодарили: 10 раз
Re: Новое программное для пятиступенчатой АКПП 4D56 D-ID
Так можно повлиять на время заполнения маслом канала управления. Но не давления.Serega77 писал(а):Насколько я понял, регулировка давления подразумевает под собой принцип частотного регулирования - в зависимости от частоты импулсов и их длительности, клапан приткрывается на определенный процент. Меняя длительность импульса, меняется провент открытия клапана И соответственно давления
"
ЕГР-нет, т-обменникЕГР-нет, др. заслонка-нет, р. балансир.-нет, катализатор-нет, прошивка сток, "колхоз"-ДА.
-
Диснов
- Сообщения: 200
- Зарегистрирован: 19 авг 2016, 10:21
- Двигатель:: 4D56 Di-D
- Мой автомобиль(и):: NPS АКПП
- Откуда: Кашира
- Поблагодарили: 10 раз
Re: Новое программное для пятиступенчатой АКПП 4D56 D-ID
Napic писал(а): Все правильно. У нас в АКПП используются самые передовые, интеллектуальные гидравлические соленоиды.
И ими можно управлять. Вернее настраивать. Заводскими калибровками
Napic ты в своём уме ?
Какой интеллект у соленоида ?
Все регулировки давлений в данной АКПП механические.
Оставил заблокированный ГТ во время переключения 4-5, так перенёс удар разности скоростей с трансформатора на фрикционы.
Круто подхват без пробуксовки все балдеют от прошивки.
Не греется, конечно ГТ не работает греть не чему.
Сделай все передачи на заблоке эффект динамики всех порадует, радиаторы все повыкидывают.
Правда радость не долгая.
Выше писали - человек с прицепом переключение 4-5 не понравилось.... теперь всё ясно.
ЕГР-нет, т-обменникЕГР-нет, др. заслонка-нет, р. балансир.-нет, катализатор-нет, прошивка сток, "колхоз"-ДА.
- Napic
- Сообщения: 5982
- Зарегистрирован: 29 июл 2010, 06:51
- Двигатель:: дизель 4d56
- Мой автомобиль(и):: НМПСпорт 2010
- Откуда: Сибирь
- Благодарил (а): 423 раза
- Поблагодарили: 1021 раз
Re: Новое программное для пятиступенчатой АКПП 4D56 D-ID
Никакого удара нет. Режим называется с частичным блокированием ГТ.Диснов писал(а): Оставил заблокированный ГТ во время переключения 4-5, так перенёс удар разности скоростей с трансформатора на фрикционы.
Частичное блокирование не происходит при повседневной езде, так как в драйве и автоматическом режиме, четвертая передача не блокируется.
Выше писали, что на пятую не переключается.Диснов писал(а): Выше писали - человек с прицепом переключение 4-5 не понравилось.... теперь всё ясно.
Ты же перевернул все с ног на голову!
НМПСпорт 2010 4d56 2500 дизель S05 5AT
лето BridgeStone HT 265/65R17, зима Hakka 5 SUV 265/65R17
Eberspacher Hydronic 5 кВт, доп. вентилятор кондиционера
Egr off + дроссель On (нержавейка + программное отключение)
лето BridgeStone HT 265/65R17, зима Hakka 5 SUV 265/65R17
Eberspacher Hydronic 5 кВт, доп. вентилятор кондиционера
Egr off + дроссель On (нержавейка + программное отключение)
-
Диснов
- Сообщения: 200
- Зарегистрирован: 19 авг 2016, 10:21
- Двигатель:: 4D56 Di-D
- Мой автомобиль(и):: NPS АКПП
- Откуда: Кашира
- Поблагодарили: 10 раз
Re: Новое программное для пятиступенчатой АКПП 4D56 D-ID
Удар незаметен, его сглаживают фрикционы, платя своим ресурсом.
Какая ещё частичная блокировка - опять ЭБУ давление регулирует ?
Какая ещё частичная блокировка - опять ЭБУ давление регулирует ?
Последний раз редактировалось Диснов 16 янв 2019, 14:51, всего редактировалось 1 раз.
ЕГР-нет, т-обменникЕГР-нет, др. заслонка-нет, р. балансир.-нет, катализатор-нет, прошивка сток, "колхоз"-ДА.
- sn1
- Сообщения: 7637
- Зарегистрирован: 23 авг 2010, 11:28
- Двигатель:: 4D56+
- Мой автомобиль(и):: Pajero Sport II
- Откуда: Византийская Империя
- Благодарил (а): 309 раз
- Поблагодарили: 673 раза
Re: Новое программное для пятиступенчатой АКПП 4D56 D-ID
Вот у меня по этому "удару" тоже есть вопрос. В стоке на 5 при отпускании газа в 100% случаев происходит разблокировка ГТ, а на тюне, как я понял, не происходит. Под сброс ведь тоже "удар". Фрикционам тоже достаётся?Диснов писал(а):Удар незаметен, его сглаживают фрикционы, платя своим ресурсом.
Говори правду, и тогда не придется ничего запоминать!
-
Диснов
- Сообщения: 200
- Зарегистрирован: 19 авг 2016, 10:21
- Двигатель:: 4D56 Di-D
- Мой автомобиль(и):: NPS АКПП
- Откуда: Кашира
- Поблагодарили: 10 раз
Re: Новое программное для пятиступенчатой АКПП 4D56 D-ID
Нет удара не будет, они замкнуты и если они исправны должны держать.sn1 писал(а):Вот у меня по этому "удару" тоже есть вопрос. В стоке на 5 при отпускании газа в 100% случаев происходит разблокировка ГТ, а на тюне, как я понял, не происходит. Под сброс ведь тоже "удар". Фрикционам тоже достаётся?Диснов писал(а):Удар незаметен, его сглаживают фрикционы, платя своим ресурсом.
Частичная блокировка - опять ЭБУ давление регулирует ?
Если бы они не держали торможение двигателем, то и резкое ускорение не удержали бы.
Ударчик на трансмиссию если только , зазоры главной пары долбить.
Хотя и внутренние зазоры АКПП так же долбить. От бублика до колёс.
ЕГР-нет, т-обменникЕГР-нет, др. заслонка-нет, р. балансир.-нет, катализатор-нет, прошивка сток, "колхоз"-ДА.
- Napic
- Сообщения: 5982
- Зарегистрирован: 29 июл 2010, 06:51
- Двигатель:: дизель 4d56
- Мой автомобиль(и):: НМПСпорт 2010
- Откуда: Сибирь
- Благодарил (а): 423 раза
- Поблагодарили: 1021 раз
Re: Новое программное для пятиступенчатой АКПП 4D56 D-ID
Я для кого писал, что частичное блокирование не происходит при повседневной езде, так как в драйве и автоматическом режиме, четвертая передача не блокируется.Диснов писал(а):Удар незаметен, его сглаживают фрикционы, платя своим ресурсом.
Именно. Блок управления регулирует давление.Диснов писал(а):Частичная блокировка - опять ЭБУ давление регулирует ?
Тебя нужно посадить в барокамеру и постепенно откачивать оттуда воздух. Только тогда ты успеешь понять как будет меняться твоё давление и какой интеллектуальный соленоид регулирует сей процесс.
НМПСпорт 2010 4d56 2500 дизель S05 5AT
лето BridgeStone HT 265/65R17, зима Hakka 5 SUV 265/65R17
Eberspacher Hydronic 5 кВт, доп. вентилятор кондиционера
Egr off + дроссель On (нержавейка + программное отключение)
лето BridgeStone HT 265/65R17, зима Hakka 5 SUV 265/65R17
Eberspacher Hydronic 5 кВт, доп. вентилятор кондиционера
Egr off + дроссель On (нержавейка + программное отключение)
-
Диснов
- Сообщения: 200
- Зарегистрирован: 19 авг 2016, 10:21
- Двигатель:: 4D56 Di-D
- Мой автомобиль(и):: NPS АКПП
- Откуда: Кашира
- Поблагодарили: 10 раз
Re: Новое программное для пятиступенчатой АКПП 4D56 D-ID
БУ регулирует давление - только в барокамере можно прийти к такому выводу.
Оценить интеллект соленоида.
Оценить интеллект соленоида.
ЕГР-нет, т-обменникЕГР-нет, др. заслонка-нет, р. балансир.-нет, катализатор-нет, прошивка сток, "колхоз"-ДА.
- OOO1965
- Сообщения: 437
- Зарегистрирован: 25 ноя 2013, 11:20
- Двигатель:: 4D56
- Мой автомобиль(и):: МПС-2 2013
- Откуда: Москва
- Благодарил (а): 84 раза
- Поблагодарили: 40 раз
Re: Новое программное для пятиступенчатой АКПП 4D56 D-ID
Эдуард, благодарю за разъяснения.Napic писал(а): В итоге, с новым программным обеспечением, при соблюдении определенных условий, стала возможна ситуация заехать на длинный, пологий тягун, используя четвертую и пятую передачи, а коробка при этом может даже остыть, причем это справедливо даже для автомобиля с прицепом.
Но стоковом ПО, очень часто возникает прямо противоположная ситуация, когда коробка просто уходит в защиту по перегреву.
PS. Защитный механизм по перегреву был оставлен полностью стоковым и без изменения.
Ответь пожалуйста еще на один вопрос, поскольку у меня за историю моего данного автомобиля коробка уходила в защиту от перегрева 3 раза (обычно вручную переключался на 4-ю, но иногда забывал это сделать и вот), причем в совершенно рядовой ситуации, когда я, хоть и летом, но с неполной загрузкой ехал в режиме D по однополосной дороге за грузовиком (там нет участков обгона) со скоростью 70-75 км/ч (по спидометру).
Причем, после первого раза я поменял масло в АКПП на 40 тыс. км - почернело. Остальные 2-раза - обошлось без замены.
Правильно ли я понял, что с новой прошивкой, указанный выше режим более гуманный для коробки, или все же, на всякий случай, стоит переключаться на 4-ю передачу или включить режим "не выше 4-й"?
Спасибо!
- Napic
- Сообщения: 5982
- Зарегистрирован: 29 июл 2010, 06:51
- Двигатель:: дизель 4d56
- Мой автомобиль(и):: НМПСпорт 2010
- Откуда: Сибирь
- Благодарил (а): 423 раза
- Поблагодарили: 1021 раз
Re: Новое программное для пятиступенчатой АКПП 4D56 D-ID
Мне стало не интересно тебе что-либо объяснять.Диснов писал(а):БУ регулирует давление - только в барокамере можно прийти к такому выводу.
Оценить интеллект соленоида.
Соленоид - это исполнительное устройство, которое вкупе с заложенной программой управления, становится умным smart- устройством.
Например умная розетка. Умный дом.
Блок управления (БУ) регулирует именно давления.
По оси ординат стоит давление.
Стоковая блокировка пятой передачи начинает работать примерно от 69-70 км/ч и в новом программном обеспечении были оставлены стоковые скорости её включения.OOO1965 писал(а): Эдуард, благодарю за разъяснения.
Ответь пожалуйста еще на один вопрос, поскольку у меня за историю моего данного автомобиля коробка уходила в защиту от перегрева 3 раза (обычно вручную переключался на 4-ю, но иногда забывал это сделать и вот), причем в совершенно рядовой ситуации, когда я, хоть и летом, но с неполной загрузкой ехал в режиме D по однополосной дороге за грузовиком (там нет участков обгона) со скоростью 70-75 км/ч (по спидометру).
Причем, после первого раза я поменял масло в АКПП на 40 тыс. км - почернело. Остальные 2-раза - обошлось без замены.
Правильно ли я понял, что с новой прошивкой, указанный выше режим более гуманный для коробки, или все же, на всякий случай, стоит переключаться на 4-ю передачу или включить режим "не выше 4-й"?
Спасибо!
При включенной блокировке дикого нагрева АКПП быть не должно.
Мне сложно что-либо сказать по конкретной твоей коробке, но определенно с новой прошивкой должно быть немного, но получше в плане температур.
Если уйти в ручной режим, то блокировка четвертой передачи начинает работать от 60 км/ч, что довольно часто по оборотам двигателя совпадает с неблокированной пятой передачей.
Смысла использования пятой передачи, которая лишь нагревает АКПП в этом случае никакого нет и у меня настроено так, что в автоматическом режиме предпочтение (если предварительно был ручной режим с блокированным ГТ) будет отдано именно четвертой передаче.
Именно это скорее всего и подтвердили отзывы выше, когда автомобиль с прицепом "не захотел" переключаться на пятую передачу.
Это просто такая фича нового программного обеспечения.
Насколько она была адекватно реализована - судить Вам.
НМПСпорт 2010 4d56 2500 дизель S05 5AT
лето BridgeStone HT 265/65R17, зима Hakka 5 SUV 265/65R17
Eberspacher Hydronic 5 кВт, доп. вентилятор кондиционера
Egr off + дроссель On (нержавейка + программное отключение)
лето BridgeStone HT 265/65R17, зима Hakka 5 SUV 265/65R17
Eberspacher Hydronic 5 кВт, доп. вентилятор кондиционера
Egr off + дроссель On (нержавейка + программное отключение)
- Napic
- Сообщения: 5982
- Зарегистрирован: 29 июл 2010, 06:51
- Двигатель:: дизель 4d56
- Мой автомобиль(и):: НМПСпорт 2010
- Откуда: Сибирь
- Благодарил (а): 423 раза
- Поблагодарили: 1021 раз
Re: Новое программное для пятиступенчатой АКПП 4D56 D-ID
Вот тебе обратная связь, про которую тебе Александр SNOOPER говорил.Диснов писал(а):Napic - где обратная связь ? Какие давления ? Заблуждение.
Коробка постоянно обучается в процессе езды. Всё это и многое другое было найдено в прошивке и проверено.
Неприятно конечно, когда огульно ставят под сомнение квалификацию проведенной работы по созданию нового программного обеспечения.
НМПСпорт 2010 4d56 2500 дизель S05 5AT
лето BridgeStone HT 265/65R17, зима Hakka 5 SUV 265/65R17
Eberspacher Hydronic 5 кВт, доп. вентилятор кондиционера
Egr off + дроссель On (нержавейка + программное отключение)
лето BridgeStone HT 265/65R17, зима Hakka 5 SUV 265/65R17
Eberspacher Hydronic 5 кВт, доп. вентилятор кондиционера
Egr off + дроссель On (нержавейка + программное отключение)
-
cergi123
- Сообщения: 500
- Зарегистрирован: 23 янв 2016, 14:31
- Двигатель:: 4D56, Дизель
- Мой автомобиль(и):: mitsubisi pajero sport
- Откуда: Краснодар
- Благодарил (а): 60 раз
- Поблагодарили: 15 раз
Re: Новое программное для пятиступенчатой АКПП 4D56 D-ID
Да не переживай ты так, всегда будут искать какие то изъяны, кстати отстегнул прицеп, как без него хорошо то, нет рывков при переключении, какое счастье видеть вторую передачу, но и с ней теперь нужно плавно работать особенно в пробке, чтобы не получать пенделя под зад.
Отправлено с моего MI 6 через Tapatalk
Отправлено с моего MI 6 через Tapatalk
