TRT - Вдоль р.Киржач. Для стандартных 4х4 (08.11.25) Форум Обсуждение FAQ
Отвечу на вопросы по автоэлектрике
Модераторы: SNOOPER, Nbf, Romik, BAlex
-
АнатольК
- Сообщения: 6
- Зарегистрирован: 01 мар 2018, 19:52
- Двигатель:: 6G72
- Мой автомобиль(и):: Montero Sport
- Откуда: Алматы
Re: Отвечу на вопросы по автоэлектрике
и еще вопрос по ходу. Туманки ставил сам на штатную проводку, впереди провода удлинил, поставил реле и подсоединил не родную кнопку со светодиодом. По поводу кнопки:( на схемах её не нашел), к ней подходит 4 провода. 2 провода идут на реле, от одного загораеся светодиод, а куда 4 -ый провод?
-
maudincev
- Сообщения: 138
- Зарегистрирован: 03 ноя 2014, 16:20
- Двигатель:: 4m41
- Мой автомобиль(и):: Pajero 3, 4m41
- Откуда: Екатеринбург
- Откуда: Екатеринбург
- Благодарил (а): 1 раз
- Поблагодарили: 10 раз
- Контактная информация:
Re: Отвечу на вопросы по автоэлектрике
А светодиод работает?
Так напришивается- одна пара цепь управления реле, вторая-светодиод
Отправлено с моего BBD100-6 через Tapatalk
Так напришивается- одна пара цепь управления реле, вторая-светодиод
Отправлено с моего BBD100-6 через Tapatalk
- dvm99
- Сообщения: 21742
- Зарегистрирован: 21 май 2012, 20:59
- Двигатель:: 6G72, 12клап.,
- Мой автомобиль(и):: Pajero2, Запорожец- Ланос
- Откуда: Свердловская обл.
- Благодарил (а): 706 раз
- Поблагодарили: 1028 раз
Re: Отвечу на вопросы по автоэлектрике
Подсветку кнопки забыли
Дмитрий
Боливар2 - П2, 92г., V43, 6G72(12V), V4AW2, RD/L, пруль (чистокровный японский рысак)
Боливар1 - П2, 93г., 6G72(12V), МКПП, V43, RD/L, Европа (славный был конь, но уже донор)
Боливар2 - П2, 92г., V43, 6G72(12V), V4AW2, RD/L, пруль (чистокровный японский рысак)
Боливар1 - П2, 93г., 6G72(12V), МКПП, V43, RD/L, Европа (славный был конь, но уже донор)
-
maudincev
- Сообщения: 138
- Зарегистрирован: 03 ноя 2014, 16:20
- Двигатель:: 4m41
- Мой автомобиль(и):: Pajero 3, 4m41
- Откуда: Екатеринбург
- Откуда: Екатеринбург
- Благодарил (а): 1 раз
- Поблагодарили: 10 раз
- Контактная информация:
Re: Отвечу на вопросы по автоэлектрике
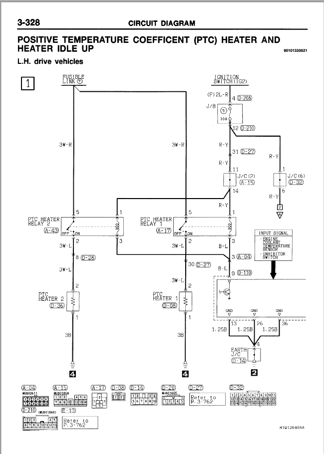
Вот ещё вопрос по электротенам в салоне pajero 3 - у кого есть схема? Нашёл их на исходе зимы, а как включается не ясно. Крутил климат и так и эдак и ни как, напряжение на клеммах так и не появилось.
Отправлено с моего BBD100-6 через Tapatalk
Отправлено с моего BBD100-6 через Tapatalk
-
Simply Man
- Сообщения: 291
- Зарегистрирован: 07 апр 2016, 08:04
- Двигатель:: 6G74
- Мой автомобиль(и):: Montero 3 Limited 2000
- Откуда: Пермь
- Благодарил (а): 12 раз
- Поблагодарили: 34 раза
-
steals2k
- Сообщения: 360
- Зарегистрирован: 29 авг 2016, 06:56
- Двигатель:: 4M41
- Мой автомобиль(и):: Mitsubishi Pajero3 Suzuki SX4
- Откуда: Ярославль
- Благодарил (а): 389 раз
- Поблагодарили: 8 раз
Re: Отвечу на вопросы по автоэлектрике
включается выключателем.
работает тогда, когда воздух вверх и в ноги. хоть на одно деление в ноги должно быть.
работает тогда, когда воздух вверх и в ноги. хоть на одно деление в ноги должно быть.
-
maudincev
- Сообщения: 138
- Зарегистрирован: 03 ноя 2014, 16:20
- Двигатель:: 4m41
- Мой автомобиль(и):: Pajero 3, 4m41
- Откуда: Екатеринбург
- Откуда: Екатеринбург
- Благодарил (а): 1 раз
- Поблагодарили: 10 раз
- Контактная информация:
Re: Отвечу на вопросы по автоэлектрике
Ранее так точно не включался, есть мысль, что он вообще не подключен, просто есть и ждёт "активации"steals2k писал(а):включается выключателем.
работает тогда, когда воздух вверх и в ноги. хоть на одно деление в ноги должно быть.
Отправлено с моего BBD100-6 через Tapatalk
- maddoc
- Сообщения: 354
- Зарегистрирован: 13 ноя 2016, 09:46
- Двигатель:: 6G72
- Мой автомобиль(и):: Паджеро 4
- Откуда: МО
- Благодарил (а): 5 раз
- Поблагодарили: 8 раз
Re: Отвечу на вопросы по автоэлектрике
Как проверить работоспособность электрического тена в Паджеро Спорт 2 2013 г. Калуга?( все пуски после прогрева Вебастой)На холодном пуске включить макс. температуру климата-должен пойти теплый воздух сразу? или путем измерения тока на клемме?тогда где и как?
-
maudincev
- Сообщения: 138
- Зарегистрирован: 03 ноя 2014, 16:20
- Двигатель:: 4m41
- Мой автомобиль(и):: Pajero 3, 4m41
- Откуда: Екатеринбург
- Откуда: Екатеринбург
- Благодарил (а): 1 раз
- Поблагодарили: 10 раз
- Контактная информация:
Re: Отвечу на вопросы по автоэлектрике
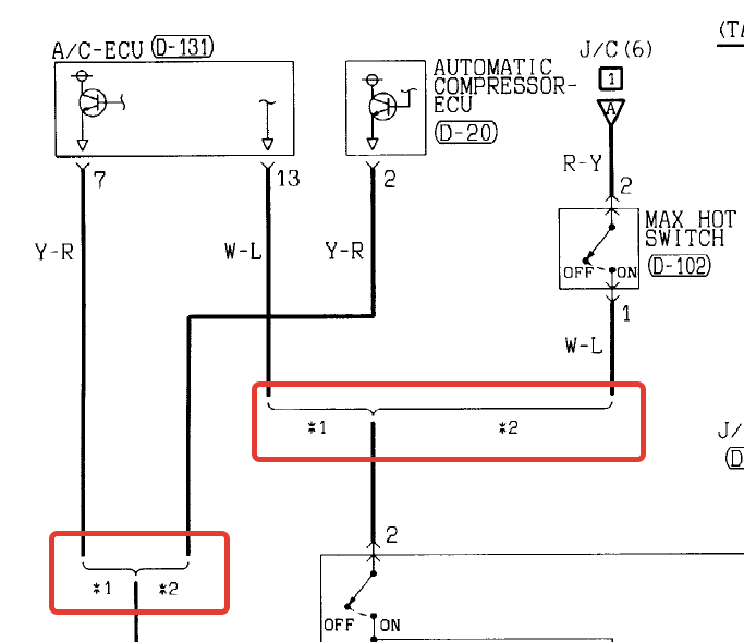
не хватает инфы:Simply Man писал(а):Вот схема
1. клеммы подключения непосредственно обогревателей вижу, а вот где стоит реле включение (колодки клеммные A17, A43)?
2. что за блок с клеммной колодкой D110 и D111?
3. кнопки Max HOT Swith у меня нет - она то куда подключается?
-
АнатольК
- Сообщения: 6
- Зарегистрирован: 01 мар 2018, 19:52
- Двигатель:: 6G72
- Мой автомобиль(и):: Montero Sport
- Откуда: Алматы
Re: Отвечу на вопросы по автоэлектрике
да, это подсветка.Если есть схема с кнопкой ПТФ скиньте пожалуйста. Повторю вопрос по предохранителям. №2 и №3 отключают ПТФ. На головной свет пред. №2 не реагируетdvm99 писал(а):Подсветку кнопки забыли
-
Ylzik
- Сообщения: 74
- Зарегистрирован: 19 июн 2016, 12:28
- Двигатель:: 6G72 12v
- Мой автомобиль(и):: MMC Pajero 2
- Откуда: Томск
- Поблагодарили: 2 раза
Re: Отвечу на вопросы по автоэлектрике
Всем привет! Может кто-нибудь подсказать как в оригинале проложена коса на стартер и ее точки крепления(если есть фотки то вообще замечательно). Хочу переделать весь колхоз от предыдущих владельцев ближе к оригиналу. По книжке со схемами не очень понятно. П2, пруль, мотор 6g72
- dvm99
- Сообщения: 21742
- Зарегистрирован: 21 май 2012, 20:59
- Двигатель:: 6G72, 12клап.,
- Мой автомобиль(и):: Pajero2, Запорожец- Ланос
- Откуда: Свердловская обл.
- Благодарил (а): 706 раз
- Поблагодарили: 1028 раз
Re: Отвечу на вопросы по автоэлектрике
Масса идёт от клеммы АКБ сначала на корпус машины (рядом с АКБ), потом опускается на раму, а с рамы на БЦ двигателя. Обычно больным местом является последний участок = переламывается возле клеммы рамы. С двигателя попадает масло, изоляция грубеет, и провод становится грубым как палка, поэтому переламывается.Ylzik писал(а):Всем привет! Может кто-нибудь подсказать как в оригинале проложена коса на стартер и ее точки крепления(если есть фотки то вообще замечательно). Хочу переделать весь колхоз от предыдущих владельцев ближе к оригиналу. По книжке со схемами не очень понятно. П2, пруль, мотор 6g72
ИМХО конечно, но этот последний участок нужно делать без изоляции (она вообще нафиг не нужна), тогда таких проблем не будет.
На первой своей машине у меня там масса отвалилась, поэтому имея печальный опыт, на второй машине я сразу же содрал изоляцию и не каюсь.
Дмитрий
Боливар2 - П2, 92г., V43, 6G72(12V), V4AW2, RD/L, пруль (чистокровный японский рысак)
Боливар1 - П2, 93г., 6G72(12V), МКПП, V43, RD/L, Европа (славный был конь, но уже донор)
Боливар2 - П2, 92г., V43, 6G72(12V), V4AW2, RD/L, пруль (чистокровный японский рысак)
Боливар1 - П2, 93г., 6G72(12V), МКПП, V43, RD/L, Европа (славный был конь, но уже донор)
-
Simply Man
- Сообщения: 291
- Зарегистрирован: 07 апр 2016, 08:04
- Двигатель:: 6G74
- Мой автомобиль(и):: Montero 3 Limited 2000
- Откуда: Пермь
- Благодарил (а): 12 раз
- Поблагодарили: 34 раза
Re: Отвечу на вопросы по автоэлектрике
1) А17 и А43 под капотом, в блоке предохранителей и реле скорее всего, или перед ним. 2) D110 & D111 - ЭБУ, электронный блок управления двигателем. Под панелью приборов на правой передней стойке.maudincev писал(а):
не хватает инфы:
1. клеммы подключения непосредственно обогревателей вижу, а вот где стоит реле включение (колодки клеммные A17, A43)?
2. что за блок с клеммной колодкой D110 и D111?
3. кнопки Max HOT Swith у меня нет - она то куда подключается?
3) - это в примечании указано. Подводя итог - за включение подогрева отвечает ЭБУ по сигналам от блока климата, кнопки включения, опираясь на температуру двигателя и положение селектора АКПП. Мануала П3 Дизельного у меня нет, чтобы посмотреть какая там логика включения.
-
Ylzik
- Сообщения: 74
- Зарегистрирован: 19 июн 2016, 12:28
- Двигатель:: 6G72 12v
- Мой автомобиль(и):: MMC Pajero 2
- Откуда: Томск
- Поблагодарили: 2 раза
Re: Отвечу на вопросы по автоэлектрике
Спасибо за ответ, с массой все понятноdvm99 писал(а):Масса идёт от клеммы АКБ сначала на корпус машины (рядом с АКБ), потом опускается на раму, а с рамы на БЦ двигателя. Обычно больным местом является последний участок = переламывается возле клеммы рамы. С двигателя попадает масло, изоляция грубеет, и провод становится грубым как палка, поэтому переламывается.Ylzik писал(а):Всем привет! Может кто-нибудь подсказать как в оригинале проложена коса на стартер и ее точки крепления(если есть фотки то вообще замечательно). Хочу переделать весь колхоз от предыдущих владельцев ближе к оригиналу. По книжке со схемами не очень понятно. П2, пруль, мотор 6g72
ИМХО конечно, но этот последний участок нужно делать без изоляции (она вообще нафиг не нужна), тогда таких проблем не будет.
На первой своей машине у меня там масса отвалилась, поэтому имея печальный опыт, на второй машине я сразу же содрал изоляцию и не каюсь.
Но меня больше интересует жгут указанный стрелкой на картинке, где он проложен(на моторном щите сверху или как идет у меня - от акб по моторному щиту вниз, потом над коробкой к стартеру) и точки его крепления (указаны красными кружками)
-
steals2k
- Сообщения: 360
- Зарегистрирован: 29 авг 2016, 06:56
- Двигатель:: 4M41
- Мой автомобиль(и):: Mitsubishi Pajero3 Suzuki SX4
- Откуда: Ярославль
- Благодарил (а): 389 раз
- Поблагодарили: 8 раз
Re: Отвечу на вопросы по автоэлектрике
на ходу оно тоже работает, лампа на выключателе о том говорит...
-
АнатольК
- Сообщения: 6
- Зарегистрирован: 01 мар 2018, 19:52
- Двигатель:: 6G72
- Мой автомобиль(и):: Montero Sport
- Откуда: Алматы
Re: Отвечу на вопросы по автоэлектрике
Добрый день. Подскажите пожалуйста грамотную схему подключения РХО 22 на монтеро спорт 2002. Заранее благодарю
- dvm99
- Сообщения: 21742
- Зарегистрирован: 21 май 2012, 20:59
- Двигатель:: 6G72, 12клап.,
- Мой автомобиль(и):: Pajero2, Запорожец- Ланос
- Откуда: Свердловская обл.
- Благодарил (а): 706 раз
- Поблагодарили: 1028 раз
Re: Отвечу на вопросы по автоэлектрике
На инжекторной машине можно вообще ничего не городить, а тупо подключить ДХО параллельно бензонасосу, естественно через предохранитель.АнатольК писал(а): Подскажите пожалуйста грамотную схему подключения РХО 22 на монтеро спорт 2002
Дмитрий
Боливар2 - П2, 92г., V43, 6G72(12V), V4AW2, RD/L, пруль (чистокровный японский рысак)
Боливар1 - П2, 93г., 6G72(12V), МКПП, V43, RD/L, Европа (славный был конь, но уже донор)
Боливар2 - П2, 92г., V43, 6G72(12V), V4AW2, RD/L, пруль (чистокровный японский рысак)
Боливар1 - П2, 93г., 6G72(12V), МКПП, V43, RD/L, Европа (славный был конь, но уже донор)
- ГАНС
- Сообщения: 4102
- Зарегистрирован: 07 июл 2011, 11:56
- Двигатель:: зажигалка
- Мой автомобиль(и):: паджеро-3
- Откуда: рАшА
- Благодарил (а): 967 раз
- Поблагодарили: 383 раза
Re: Отвечу на вопросы по автоэлектрике
Продолжение следует: Взял сегодня поменял генератор на контрактный, на холодную вольтаж 15.5 на прогретую 14.9-15.0, лампочки (аккумулятор и перегрев А/Т) на приборке как горели так и продолжают горетьГАНС писал(а):В субботу выбрал время полез в генератор, щётки были изношены торчали менее чем на миллиметр, поставил новое реле-регулятор со щёткамиГАНС писал(а):На прогретой машине с 15.8 падает до 15.2SNOOPER писал(а):Когда начинает напряжение уменьшатся?ничего не изменилось, лампочки аккумулятора и перегрев АКПП так и горят на приборке, зарядка по вольтметру кажет 15.6 на холодную, на прогретом пока не померил
чО там ещё могёт быть?
- ГАНС
- Сообщения: 4102
- Зарегистрирован: 07 июл 2011, 11:56
- Двигатель:: зажигалка
- Мой автомобиль(и):: паджеро-3
- Откуда: рАшА
- Благодарил (а): 967 раз
- Поблагодарили: 383 раза
Re: Отвечу на вопросы по автоэлектрике
СашSNOOPER писал(а):Приезжай))))
