TRT "107-108" Для стандарта и не только! (4.04.2026) Форум Обсуждение FAQ
Отвечу на вопросы по автоэлектрике
Модераторы: SNOOPER, Nbf, Romik, BAlex
-
сергей 59
- Сообщения: 6
- Зарегистрирован: 24 авг 2018, 21:44
- Двигатель:: 4м41
- Мой автомобиль(и):: паджеро 4 коротыш
- Откуда: Кировск
Re: Отвечу на вопросы по автоэлектрике
"А если реле ПТФ вытащить?"
Надо попробовать. Осталось только определить где оно.
Надо попробовать. Осталось только определить где оно.
- drcham
- Модератор
- Сообщения: 14458
- Зарегистрирован: 08 апр 2006, 13:42
- Двигатель:: Бензин
- Мой автомобиль(и):: Wrangler JLU Rubicon
- Откуда: Москва
- Откуда: Москва ЮЗАО
- Благодарил (а): 63 раза
- Поблагодарили: 231 раз
- Контактная информация:
Re: Отвечу на вопросы по автоэлектрике
были ДТП в переднюю часть? Могли криво косу уложить и она где-то перетерлась и легла на массу как вариант. Я хз управляет ETACS ПТФами или нет.сергей 59 писал(а):"А если реле ПТФ вытащить?"
Надо попробовать. Осталось только определить где оно.
4LO&GO! Wrangler JLU Rubicon
-
сергей 59
- Сообщения: 6
- Зарегистрирован: 24 авг 2018, 21:44
- Двигатель:: 4м41
- Мой автомобиль(и):: паджеро 4 коротыш
- Откуда: Кировск
Re: Отвечу на вопросы по автоэлектрике
ДТП не было.drcham писал(а):были ДТП в переднюю часть? Могли криво косу уложить и она где-то перетерлась и легла на массу как вариант. Я хз управляет ETACS ПТФами или нет.сергей 59 писал(а):"А если реле ПТФ вытащить?"
Надо попробовать. Осталось только определить где оно.
Вытащил реле. Результат тот же. Светят.
- drcham
- Модератор
- Сообщения: 14458
- Зарегистрирован: 08 апр 2006, 13:42
- Двигатель:: Бензин
- Мой автомобиль(и):: Wrangler JLU Rubicon
- Откуда: Москва
- Откуда: Москва ЮЗАО
- Благодарил (а): 63 раза
- Поблагодарили: 231 раз
- Контактная информация:
Re: Отвечу на вопросы по автоэлектрике
Такие проблемы бывают если кто-то что-то разбирал и потом нормально не закрепил. Проверяйте проводку в районе фар и далее по жгуту. Может разбирали или не так давно в этих местах ковырялись. Значит уделить пристальное внимание этим точкам.сергей 59 писал(а):ДТП не было.drcham писал(а):были ДТП в переднюю часть? Могли криво косу уложить и она где-то перетерлась и легла на массу как вариант. Я хз управляет ETACS ПТФами или нет.сергей 59 писал(а):"А если реле ПТФ вытащить?"
Надо попробовать. Осталось только определить где оно.
Вытащил реле. Результат тот же. Светят.
4LO&GO! Wrangler JLU Rubicon
-
сергей 59
- Сообщения: 6
- Зарегистрирован: 24 авг 2018, 21:44
- Двигатель:: 4м41
- Мой автомобиль(и):: паджеро 4 коротыш
- Откуда: Кировск
Re: Отвечу на вопросы по автоэлектрике
Такие проблемы бывают если кто-то что-то разбирал и потом нормально не закрепил. Проверяйте проводку в районе фар и далее по жгуту. Может разбирали или не так давно в этих местах ковырялись. Значит уделить пристальное внимание этим точкам.[/quote][/quote][/quote]
Примерно год назад менял лампочки ближнего света. Больше ни каких работ не проводилось. Но вариантов нет. Придется проверять проводку.
Примерно год назад менял лампочки ближнего света. Больше ни каких работ не проводилось. Но вариантов нет. Придется проверять проводку.
- drcham
- Модератор
- Сообщения: 14458
- Зарегистрирован: 08 апр 2006, 13:42
- Двигатель:: Бензин
- Мой автомобиль(и):: Wrangler JLU Rubicon
- Откуда: Москва
- Откуда: Москва ЮЗАО
- Благодарил (а): 63 раза
- Поблагодарили: 231 раз
- Контактная информация:
Re: Отвечу на вопросы по автоэлектрике
[/quote][/quote]сергей 59 писал(а):Такие проблемы бывают если кто-то что-то разбирал и потом нормально не закрепил. Проверяйте проводку в районе фар и далее по жгуту. Может разбирали или не так давно в этих местах ковырялись. Значит уделить пристальное внимание этим точкам.
Примерно год назад менял лампочки ближнего света. Больше ни каких работ не проводилось. Но вариантов нет. Придется проверять проводку.[/quote]
Надо бы схему глянуть. У меня на 4ку нет под рукой. По идее при вытащенном реле(при условии что это оно) остается только искать причину в проводке после.
4LO&GO! Wrangler JLU Rubicon
- drcham
- Модератор
- Сообщения: 14458
- Зарегистрирован: 08 апр 2006, 13:42
- Двигатель:: Бензин
- Мой автомобиль(и):: Wrangler JLU Rubicon
- Откуда: Москва
- Откуда: Москва ЮЗАО
- Благодарил (а): 63 раза
- Поблагодарили: 231 раз
- Контактная информация:
Re: Отвечу на вопросы по автоэлектрике
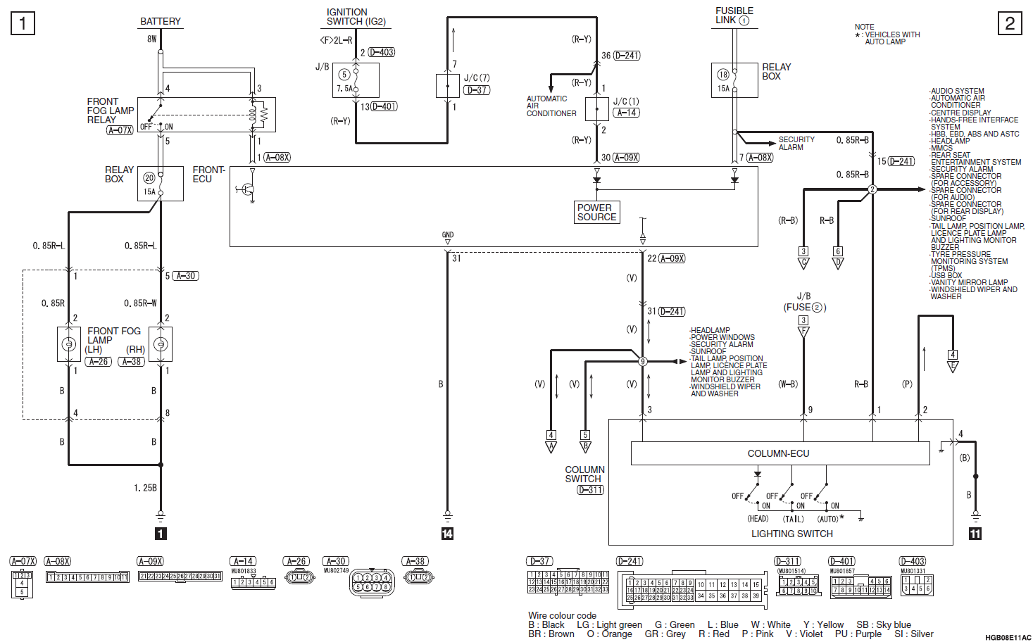
смотрим тут http://mmc-manuals.ru/manuals/pajero_iv ... dex_M1.htm далее смотрим саму картинку и видим:
По ней после реле элементов управления не остается. Значит 100% в проводку лезть.
Вы тот самый предохранитель вытаскивали ? №20 на 15А ?Тогда проверяйте цепь после него. Вообще странная история учитывая что управление лампами идет по плюсу и если бы проводка где-то протерлась и легла на массу наоборот бы ничего не горело т.к. разность потенциалов на лампе была бы 0 и горел предохранитель т.к. плюс лежал на массе. Вы точно вытаскивали нужные реле и преды ?
Опять же все мои высказывания выше полный бред если фары не горят постоянно. Запитаны они через реле напрямую от плюса. Если они не горят пока не включено зажигание - значит та цепь в порядке (нет коротышей и т.д.). Тот факт что они загораются после включения зажигания говорит о том что на реле приходит сигнал замыкания с мозгов.
p.s.2 Если еще немного подумать (загораются при включении зажигания). Значит из запитывает блок управления. Если не светится лампа - значит цепь которая зажигает лампу не виновата. И это наводит на мысли о проблемах в блоке управления "Front ECU".
Вся это логика верна только в случае совпадения Вашей схемы со схемой из мануала и отсутствия колхоза в этой цепи(нештатные светодиоды, ксенон и т.д.).
По ней после реле элементов управления не остается. Значит 100% в проводку лезть.
Вы тот самый предохранитель вытаскивали ? №20 на 15А ?Тогда проверяйте цепь после него. Вообще странная история учитывая что управление лампами идет по плюсу и если бы проводка где-то протерлась и легла на массу наоборот бы ничего не горело т.к. разность потенциалов на лампе была бы 0 и горел предохранитель т.к. плюс лежал на массе. Вы точно вытаскивали нужные реле и преды ?
Опять же все мои высказывания выше полный бред если фары не горят постоянно. Запитаны они через реле напрямую от плюса. Если они не горят пока не включено зажигание - значит та цепь в порядке (нет коротышей и т.д.). Тот факт что они загораются после включения зажигания говорит о том что на реле приходит сигнал замыкания с мозгов.
p.s.2 Если еще немного подумать (загораются при включении зажигания). Значит из запитывает блок управления. Если не светится лампа - значит цепь которая зажигает лампу не виновата. И это наводит на мысли о проблемах в блоке управления "Front ECU".
Вся это логика верна только в случае совпадения Вашей схемы со схемой из мануала и отсутствия колхоза в этой цепи(нештатные светодиоды, ксенон и т.д.).
4LO&GO! Wrangler JLU Rubicon
-
сергей 59
- Сообщения: 6
- Зарегистрирован: 24 авг 2018, 21:44
- Двигатель:: 4м41
- Мой автомобиль(и):: паджеро 4 коротыш
- Откуда: Кировск
Re: Отвечу на вопросы по автоэлектрике
День добрый. Я в электричестве полный ноль (ну розетку могу поставить, не больше) поэтому все по инструкции. И 10 раз продумать свои действия. Визуально колхоза нет. Все аккуратно, провода в обмотке, куча наклеек, шильдиков.drcham писал(а):смотрим тут http://mmc-manuals.ru/manuals/pajero_iv ... dex_M1.htm далее смотрим саму картинку и видим:
По ней после реле элементов управления не остается. Значит 100% в проводку лезть.
Вы тот самый предохранитель вытаскивали ? №20 на 15А ?Тогда проверяйте цепь после него. Вообще странная история учитывая что управление лампами идет по плюсу и если бы проводка где-то протерлась и легла на массу наоборот бы ничего не горело т.к. разность потенциалов на лампе была бы 0 и горел предохранитель т.к. плюс лежал на массе. Вы точно вытаскивали нужные реле и преды ?
Опять же все мои высказывания выше полный бред если фары не горят постоянно. Запитаны они через реле напрямую от плюса. Если они не горят пока не включено зажигание - значит та цепь в порядке (нет коротышей и т.д.). Тот факт что они загораются после включения зажигания говорит о том что на реле приходит сигнал замыкания с мозгов.
p.s.2 Если еще немного подумать (загораются при включении зажигания). Значит из запитывает блок управления. Если не светится лампа - значит цепь которая зажигает лампу не виновата. И это наводит на мысли о проблемах в блоке управления "Front ECU".
Вся это логика верна только в случае совпадения Вашей схемы со схемой из мануала и отсутствия колхоза в этой цепи(нештатные светодиоды, ксенон и т.д.).
Да предохранитель тот самый (по инструкции). Реле стоит рядом в блоке предохранителей. Это я нашел в (Устройстве и тех обслуживании МП модели с 2006 г. от Легион-Автодата).
Проверил утечку. (Проверял приятель электро-механик). В начале проверки обнаружилась утечка 1,4 А. Перебором предохранителей снизили утечку до 0,9 А. Убрали предохранитель №8 25 А. Розетка для подключения доп оборудования. Друг высказал предположение что проблема в блоке предохранителей. В общем как то так. Буду готовиться к ревизии блока предохранителей.
- drcham
- Модератор
- Сообщения: 14458
- Зарегистрирован: 08 апр 2006, 13:42
- Двигатель:: Бензин
- Мой автомобиль(и):: Wrangler JLU Rubicon
- Откуда: Москва
- Откуда: Москва ЮЗАО
- Благодарил (а): 63 раза
- Поблагодарили: 231 раз
- Контактная информация:
Re: Отвечу на вопросы по автоэлектрике
А Ваш друг проверял предохранители которые в салоне стоят? Что в машине стоит нештатного?
4LO&GO! Wrangler JLU Rubicon
-
сергей 59
- Сообщения: 6
- Зарегистрирован: 24 авг 2018, 21:44
- Двигатель:: 4м41
- Мой автомобиль(и):: паджеро 4 коротыш
- Откуда: Кировск
Re: Отвечу на вопросы по автоэлектрике
Да конечно проверял.drcham писал(а):А Ваш друг проверял предохранители которые в салоне стоят? Что в машине стоит нештатного?
Подключен видеорегистратор и перепрошита штатная магнитола (выведен шнур для подключения телефона). Всё больше ничего. Сделано это предыдущим хозяином более 5 лет назад. У меня машина 4 года.
- SAAM
- Сообщения: 34
- Зарегистрирован: 12 сен 2014, 15:36
- Двигатель:: 4D56, 99 л.с
- Мой автомобиль(и):: Pajero Sport 2005г
- Откуда: Мурманск
Re: Отвечу на вопросы по автоэлектрике
Добрый день.
Помогите люди добрые разобраться с кнопкой.
Поставил фары дополнительный дальний.
От фар все развёл, от реле и с реле тоже, а вот с кнопкой голову сломал.
Понимаю что один провод с кнопки идет на реле, один масса и два на плюс. А вот какой куда не разберусь.
Помогите люди добрые разобраться с кнопкой.
Поставил фары дополнительный дальний.
От фар все развёл, от реле и с реле тоже, а вот с кнопкой голову сломал.
Понимаю что один провод с кнопки идет на реле, один масса и два на плюс. А вот какой куда не разберусь.
-
алексей - Маленький Мук
- Модератор
- Сообщения: 20381
- Зарегистрирован: 11 дек 2008, 16:10
- Откуда: москва м Академическая
- Благодарил (а): 101 раз
- Поблагодарили: 1340 раз
Re: Отвечу на вопросы по автоэлектрике
Ну скорей всего два это разрыв (предположим )красный и желтый а два других это подсветка кнопки( если там есть лампочка) черный на минус а зеленый на + от габаритов. тестер в руки и прозвони
Всем добра.......
- SAAM
- Сообщения: 34
- Зарегистрирован: 12 сен 2014, 15:36
- Двигатель:: 4D56, 99 л.с
- Мой автомобиль(и):: Pajero Sport 2005г
- Откуда: Мурманск
Re: Отвечу на вопросы по автоэлектрике
Большое человеческое спасибо!алексей - Маленький Мук писал(а):Ну скорей всего два это разрыв (предположим )красный и желтый а два других это подсветка кнопки( если там есть лампочка) черный на минус а зеленый на + от габаритов. тестер в руки и прозвони
К сожалению я с тестером не очень дружу.
То что два на подсветку это понятно.
И если предположить что красный и желтый на разрыв, то есть разница какой из них куда подсоединять? Например красный на + , а желтый на реле?
И ещё, откуда лучше взять + при условии что кнопка включения фар расположится справа, под кнопкой обогрева заднего стекла.
-
Simply Man
- Сообщения: 291
- Зарегистрирован: 07 апр 2016, 08:04
- Двигатель:: 6G74
- Мой автомобиль(и):: Montero 3 Limited 2000
- Откуда: Пермь
- Благодарил (а): 12 раз
- Поблагодарили: 34 раза
Re: Отвечу на вопросы по автоэлектрике
Смотрел аналоги https://ru.aliexpress.com/item/DRL/3284 ... 6943c3a3cb, похоже что черный масса, желтый плюс подсветки, красный - плюс, зеленый - выход плюса с красного на фонари (или на реле).
-
алексей - Маленький Мук
- Модератор
- Сообщения: 20381
- Зарегистрирован: 11 дек 2008, 16:10
- Откуда: москва м Академическая
- Благодарил (а): 101 раз
- Поблагодарили: 1340 раз
Re: Отвечу на вопросы по автоэлектрике
Штатные туманки стоят? проводка может быть заложена( если фар нет) вот от нее и запитай,SAAM писал(а):Большое человеческое спасибо!алексей - Маленький Мук писал(а):Ну скорей всего два это разрыв (предположим )красный и желтый а два других это подсветка кнопки( если там есть лампочка) черный на минус а зеленый на + от габаритов. тестер в руки и прозвони
К сожалению я с тестером не очень дружу.
То что два на подсветку это понятно.
И если предположить что красный и желтый на разрыв, то есть разница какой из них куда подсоединять? Например красный на + , а желтый на реле?
И ещё, откуда лучше взять + при условии что кнопка включения фар расположится справа, под кнопкой обогрева заднего стекла.
Всем добра.......
-
Renegade
- Сообщения: 10
- Зарегистрирован: 10 янв 2018, 15:16
- Двигатель:: 4M41
- Мой автомобиль(и):: Mitsubishi Pajero Sport 2
- Откуда: Москва
- Откуда: Москва
Re: Отвечу на вопросы по автоэлектрике
Добрый день. Купил машину год назад (спорт2-2008 года , 3,2 дизель). Как то не обращал никогда внимания что при включении зажигания у меня не загорается на приборке джеки чан. По мере знакомства с машиной обратил на это внимание и меня стало это напрягать. Пытаюсь разобраться.Была снята и разобрана приборка. Разобрана правда не до конца, стрелки с приборов не смог снять. По внешнему виду вмешательств в схеме нету. По книжке нашел куда приходит провод к ЭБУ, пытался прозвонить. В мурзилке написано что при горящей лампе должно быть 1В при потушенной напряжение сети то есть 12В. Во всех случаях напряжения составляло миливольты. Вопрос что может быть? Что ещё можно проверить почему диод не горит? Можно джеки чана потушить прошив это в ЭБУ дабы просто продать машину с не горящей лампой?
-
qwerty240560
- Сообщения: 2
- Зарегистрирован: 10 сен 2018, 15:48
- Двигатель:: 4D56
- Мой автомобиль(и):: MMC Pajero Sport 2
- Откуда: Прокопьевск
Re: Отвечу на вопросы по автоэлектрике
Загорелся ЧЕК на панели приборов, (ошибка Р 0705 по OBD II). При установке рычага селектора АКПП в положение Р (парковка) индикации Р на панели нет. Остальные индикации при переключении работают. Коробка работает без видимых недостатков, с момента загорания ошибки перестал работать круиз-контроль, турботаймер сигнализации старлайн. Также при дистанционном запуске с брелка, двигатель заводится и через секунды две три глохнет. С ключа заводится нормально. Ошибка трансмиссии не убирается. Подскажите пожалуйста в чем может быть причина, и где ее искать и как устранить? Спасибо.
MMC Pаjero Sport II, 2013 г. 4D-56 АКПП.
MMC Pаjero Sport II, 2013 г. 4D-56 АКПП.
-
aaaalexx
- Сообщения: 15
- Зарегистрирован: 18 янв 2013, 20:13
- Двигатель:: 4M40
- Мой автомобиль(и):: Pajero 2 серии
- Откуда: караганда
Re: Отвечу на вопросы по автоэлектрике
Всем доброго времени суток. Народ, подскажите, падает напряжение на 2 вольта при включении правого поворотника. также перестала работать аварийка. С левым поворотникам всё ок.
-
АлекC 1981
- Сообщения: 3
- Зарегистрирован: 20 сен 2018, 00:15
- Двигатель:: 4m40 дизель
- Мой автомобиль(и):: Паджеро2
- Откуда: Провидения
Re: Отвечу на вопросы по автоэлектрике
Здравствуйте, подскажите пожалуйста, не работает одометр, спидометр и тахометр, датчики рабочие, приборку менял, машина паджеро 2, 1996 г.в. 4м40, правый руль
-
anri36
- Сообщения: 27
- Зарегистрирован: 14 янв 2018, 17:50
- Двигатель:: 6G72
- Мой автомобиль(и):: Mitsubishi Pajero 2006
- Откуда: Dubai
- Благодарил (а): 12 раз
- Поблагодарили: 2 раза
Датчик уровня топлива.
Сергей приветствую! машина Паджеро 3 2006год win JMYMRV63W6J708730
Начал врать датчик контроля топлива. Медленно поднимается после заправки от 40 минут до часа. И не опускается до конца и не показывает что бензин заканчивается.
Сталкивались с такой проблемой?
Как залезть в бак? И есть ли смысл что то колдовать с реостатом и поплавком или сразу искать замену?
Заранее благодарен
Начал врать датчик контроля топлива. Медленно поднимается после заправки от 40 минут до часа. И не опускается до конца и не показывает что бензин заканчивается.
Сталкивались с такой проблемой?
Как залезть в бак? И есть ли смысл что то колдовать с реостатом и поплавком или сразу искать замену?
Заранее благодарен
