TRT - Вдоль р.Киржач. Для стандартных 4х4 (08.11.25) Форум Обсуждение FAQ

Отвечу на вопросы по автоэлектрике

Электрика в Pajero

Модераторы: SNOOPER, Nbf, Romik, BAlex

Tavr
Сообщения: 271
Зарегистрирован: 10 фев 2012, 20:29
Двигатель:: МПС 6G72 бензин
Мой автомобиль(и):: МПС 08г 6G72 бензин акпп
Откуда: Нью Москва
Откуда: Нью Москва
Благодарил (а): 9 раз
Поблагодарили: 5 раз

Re: Отвечу на вопросы по автоэлектрике

Сообщение Tavr »

Всем доброго дня.
Комп мультик стал показывать перезаряд,даже ругаеться. Поменял гену,некоторое время норм. потом все заново.
Почистил-помазал-подергал.....
Комп показывает 15,3-15,5 ДВА тэстера 14,6-14,7
Кому верить :*DONT_KNOW*:
Был П2 93г GLS 5 дв, ss,зад.блок,мех.бензин 12 кл
МПС 08,акпп, 3л.
Нажатие на педаль газа даёт колесам команду-:копать тут!
Tavr
Сообщения: 271
Зарегистрирован: 10 фев 2012, 20:29
Двигатель:: МПС 6G72 бензин
Мой автомобиль(и):: МПС 08г 6G72 бензин акпп
Откуда: Нью Москва
Откуда: Нью Москва
Благодарил (а): 9 раз
Поблагодарили: 5 раз

Re: Отвечу на вопросы по автоэлектрике

Сообщение Tavr »

Пришёл к выводу что врёт комп.
На заглушенной показывает 13,2......
Был П2 93г GLS 5 дв, ss,зад.блок,мех.бензин 12 кл
МПС 08,акпп, 3л.
Нажатие на педаль газа даёт колесам команду-:копать тут!
Аватара пользователя
-General-
Сообщения: 172
Зарегистрирован: 31 июл 2013, 15:22
Двигатель:: 4м40
Мой автомобиль(и):: Pajero 2
Откуда: Н.Новгород
Благодарил (а): 8 раз
Поблагодарили: 7 раз

Re: Отвечу на вопросы по автоэлектрике

Сообщение -General- »

4m40 П2
Приборка от рестайла, тахометр работает только на холодную, когда салон прогревается перестает работать. Горит лампа уровня охлаждайки, хотя уровень в норме. Подскажите куда копать?
Наш YouTube канал о путешествиях, рейдах и соревнованиях OffroadNN, подписывайся, чтоб ничего не пропустить )))
Аватара пользователя
Deem-On
Сообщения: 1014
Зарегистрирован: 18 мар 2011, 17:49
Двигатель:: 4M40
Мой автомобиль(и):: Паджеро 2, был
Откуда: Ярославль
Благодарил (а): 8 раз
Поблагодарили: 95 раз

Re: Отвечу на вопросы по автоэлектрике

Сообщение Deem-On »

-General- писал(а):4m40 П2
Приборка от рестайла, тахометр работает только на холодную, когда салон прогревается перестает работать. Горит лампа уровня охлаждайки, хотя уровень в норме. Подскажите куда копать?
Тахометр это болезнь :]:-O: , снимать саму плату тахометра и тщательно пропаивать, тема отдельная была, как и что делать.
А лампа это не охлаждайка, а уровень жидкости в бачке фароомывателя ::-D: , долить. :*BYE*:
П-2 1994 длинный,GLS,4М40,АКПП,SS,А/Т32"-увы, уже донор
redrat
Сообщения: 51
Зарегистрирован: 03 сен 2014, 15:48
Двигатель:: 6G72
Мой автомобиль(и):: Mitsubishi Pajero 2
Откуда: Севастополь
Благодарил (а): 1 раз

Re: Отвечу на вопросы по автоэлектрике

Сообщение redrat »

День добрый, помогите советом. Разом перестали работать аварийка и поворотники. Проверил первым делом предохранитель №15. Реле и Кнопку все рабочее. Смущает что на контактах реле постоянное напряжение 12в, а на контактах кнопки (черный и красный) около 2в, так и должно быть? Вообще не понятно куда дальше копать? Откуда начинать прозванивать цепь? Заранее спасибо.
(1993г.в.Лев. руль, 2-х двер., 6g72, АКПП)
алексей - Маленький Мук
Модератор
Сообщения: 20298
Зарегистрирован: 11 дек 2008, 16:10
Откуда: москва м Академическая
Благодарил (а): 101 раз
Поблагодарили: 1323 раза

Re: Отвечу на вопросы по автоэлектрике

Сообщение алексей - Маленький Мук »

Релюхи управляются минусом( плюс там постоянный) искать куды убежал минус :)
Всем добра.......
Аватара пользователя
dvm99
Сообщения: 21741
Зарегистрирован: 21 май 2012, 20:59
Двигатель:: 6G72, 12клап.,
Мой автомобиль(и):: Pajero2, Запорожец- Ланос
Откуда: Свердловская обл.
Благодарил (а): 706 раз
Поблагодарили: 1028 раз

Re: Отвечу на вопросы по автоэлектрике

Сообщение dvm99 »

И схема твоя не бьётся, с реалией... преда №15 в цепи поворотников нету!
Смотри всё вокруг реле и само реле, засада где-то там. На его выводе №2 при нажатой аварийке должен быть +12В при любом раскладе.
Вложения
22222222.gif
Дмитрий

Боливар2 - П2, 92г., V43, 6G72(12V), V4AW2, RD/L, пруль (чистокровный японский рысак)
Боливар1 - П2, 93г., 6G72(12V), МКПП, V43, RD/L, Европа (славный был конь, но уже донор)
Аватара пользователя
-General-
Сообщения: 172
Зарегистрирован: 31 июл 2013, 15:22
Двигатель:: 4м40
Мой автомобиль(и):: Pajero 2
Откуда: Н.Новгород
Благодарил (а): 8 раз
Поблагодарили: 7 раз

Re: Отвечу на вопросы по автоэлектрике

Сообщение -General- »

Deem-On писал(а):
-General- писал(а):4m40 П2
Приборка от рестайла, тахометр работает только на холодную, когда салон прогревается перестает работать. Горит лампа уровня охлаждайки, хотя уровень в норме. Подскажите куда копать?
Тахометр это болезнь :]:-O: , снимать саму плату тахометра и тщательно пропаивать, тема отдельная была, как и что делать.
А лампа это не охлаждайка, а уровень жидкости в бачке фароомывателя ::-D: , долить. :*BYE*:
Проверил жидкость залита до горлышка, датчик на замену?
Наш YouTube канал о путешествиях, рейдах и соревнованиях OffroadNN, подписывайся, чтоб ничего не пропустить )))
Пересыпкин Сергей
Сообщения: 11
Зарегистрирован: 10 янв 2018, 19:54
Двигатель:: 4М40
Мой автомобиль(и):: Mitsubishi Pajero II
Откуда: Ростов-на-Дону

Re: Отвечу на вопросы по автоэлектрике

Сообщение Пересыпкин Сергей »

подскажите пожалуйста проблема с подсветкой щитка приборов. все горело хорошо, до определенного момента, все погасло за исключением лампочки в пепельнице, что только не делал все равно не дам ума, все предохранители проверил, все цело, габариты все горят, панель полностью вся функцианирует нормально за исключением подсветки.
Аватара пользователя
Deem-On
Сообщения: 1014
Зарегистрирован: 18 мар 2011, 17:49
Двигатель:: 4M40
Мой автомобиль(и):: Паджеро 2, был
Откуда: Ярославль
Благодарил (а): 8 раз
Поблагодарили: 95 раз

Re: Отвечу на вопросы по автоэлектрике

Сообщение Deem-On »

-General- писал(а): Проверил жидкость залита до горлышка, датчик на замену?
Я извиняюсь, конечно, но спрошу, на всяк случай, жидкость залил именно в бачок омывателя фар? Иппонские инженеры имхо, и тут перемудрили, и поставили датчик уровня именно только в этот бачок :*DONT_KNOW*: , в других бачках датчиков нема, какими соображениями их узкоглазые головы руководствовались? Если все сделал правильно, то вероятно да, это датчик залип, хотя учитывая что на улице минус, возможно банально замерз. Менять или нет? Тут личное дело, я б не стал, уж больно геморно туда добираться, и ради чего? лампочку выкрути и забей.
П-2 1994 длинный,GLS,4М40,АКПП,SS,А/Т32"-увы, уже донор
Аватара пользователя
Deem-On
Сообщения: 1014
Зарегистрирован: 18 мар 2011, 17:49
Двигатель:: 4M40
Мой автомобиль(и):: Паджеро 2, был
Откуда: Ярославль
Благодарил (а): 8 раз
Поблагодарили: 95 раз

Re: Отвечу на вопросы по автоэлектрике

Сообщение Deem-On »

Пересыпкин Сергей писал(а):подскажите пожалуйста проблема с подсветкой щитка приборов. все горело хорошо, до определенного момента, все погасло за исключением лампочки в пепельнице, что только не делал все равно не дам ума, все предохранители проверил, все цело, габариты все горят, панель полностью вся функцианирует нормально за исключением подсветки.
Обрати внимание на реостат, что регулирует яркость подсветки, скорее всего дело в нем.
П-2 1994 длинный,GLS,4М40,АКПП,SS,А/Т32"-увы, уже донор
Пересыпкин Сергей
Сообщения: 11
Зарегистрирован: 10 янв 2018, 19:54
Двигатель:: 4М40
Мой автомобиль(и):: Mitsubishi Pajero II
Откуда: Ростов-на-Дону

Re: Отвечу на вопросы по автоэлектрике

Сообщение Пересыпкин Сергей »

блин пытался перемыкать клемы на реостате , чтобы обойти его, ничего не получилось...
Аватара пользователя
Deem-On
Сообщения: 1014
Зарегистрирован: 18 мар 2011, 17:49
Двигатель:: 4M40
Мой автомобиль(и):: Паджеро 2, был
Откуда: Ярославль
Благодарил (а): 8 раз
Поблагодарили: 95 раз

Re: Отвечу на вопросы по автоэлектрике

Сообщение Deem-On »

Пересыпкин Сергей писал(а):блин пытался перемыкать клемы на реостате , чтобы обойти его, ничего не получилось...
Конкретно что не получилось? На реостате трехконтактный разъем, его надо снять с реостата и на самом разъеме перемкнуть два контакта, к которым подходит черный и черный-с-желтым провода, вот и весь обход.
П-2 1994 длинный,GLS,4М40,АКПП,SS,А/Т32"-увы, уже донор
Пересыпкин Сергей
Сообщения: 11
Зарегистрирован: 10 янв 2018, 19:54
Двигатель:: 4М40
Мой автомобиль(и):: Mitsubishi Pajero II
Откуда: Ростов-на-Дону

Re: Отвечу на вопросы по автоэлектрике

Сообщение Пересыпкин Сергей »

да замкнул, подсветка не появилась....
Аватара пользователя
dvm99
Сообщения: 21741
Зарегистрирован: 21 май 2012, 20:59
Двигатель:: 6G72, 12клап.,
Мой автомобиль(и):: Pajero2, Запорожец- Ланос
Откуда: Свердловская обл.
Благодарил (а): 706 раз
Поблагодарили: 1028 раз

Re: Отвечу на вопросы по автоэлектрике

Сообщение dvm99 »

Deem-On писал(а):
Пересыпкин Сергей писал(а):блин пытался перемыкать клемы на реостате , чтобы обойти его, ничего не получилось...
Конкретно что не получилось? На реостате трехконтактный разъем, его надо снять с реостата и на самом разъеме перемкнуть два контакта, к которым подходит черный и черный-с-желтым провода, вот и весь обход.
У него в пепельнице лампа горит, значит реостат в норме, она тоже в цепи реостата должна быть, хотя ХЗ... Вопрошающий год машины не сообщает, а пять схем курить неохота.. .
Дмитрий

Боливар2 - П2, 92г., V43, 6G72(12V), V4AW2, RD/L, пруль (чистокровный японский рысак)
Боливар1 - П2, 93г., 6G72(12V), МКПП, V43, RD/L, Европа (славный был конь, но уже донор)
Аватара пользователя
Deem-On
Сообщения: 1014
Зарегистрирован: 18 мар 2011, 17:49
Двигатель:: 4M40
Мой автомобиль(и):: Паджеро 2, был
Откуда: Ярославль
Благодарил (а): 8 раз
Поблагодарили: 95 раз

Re: Отвечу на вопросы по автоэлектрике

Сообщение Deem-On »

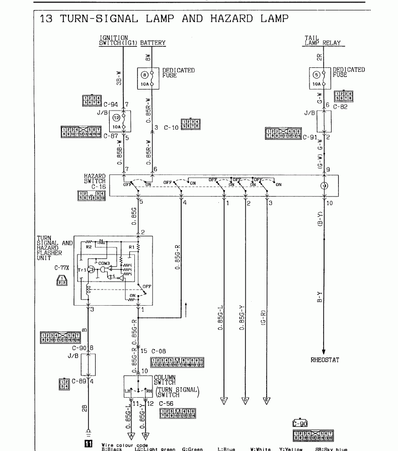
Посмотрел в схему, пепельница(ashtray) как раз идет напрямую, без реостата, а вот все подсветки через него. Плюс на подсветки идет с реле габаритов на салонный блок предохранителей, в нем разбегается по разным разъемам и уже с них идет в каждое место своим отдельным проводом, в т.ч. и на пепельницу( а она светится), поэтому логично предположить, что там все в порядке. А вот минус подсветки идет через реостат, причем на его разъем (1-й пин) приходит два провода(черножелтых), один на приборку другой на подсветку кнопок и тп., соответственно это единственное общее место, где все сходится, и плясать надо именно оттуда. Может он что перемыкал не так? Кстати, еще вариант- масса на реостат не приходит, надо проверить обязательно. Взять отдельный провод, подцепиться на заведомо хорошую массу и ткнуть в разъем реостата, на который те самые два провода приходят,и тогда все станет ясно.
П-2 1994 длинный,GLS,4М40,АКПП,SS,А/Т32"-увы, уже донор
Аватара пользователя
-General-
Сообщения: 172
Зарегистрирован: 31 июл 2013, 15:22
Двигатель:: 4м40
Мой автомобиль(и):: Pajero 2
Откуда: Н.Новгород
Благодарил (а): 8 раз
Поблагодарили: 7 раз

Re: Отвечу на вопросы по автоэлектрике

Сообщение -General- »

Deem-On писал(а):
-General- писал(а): Проверил жидкость залита до горлышка, датчик на замену?
Я извиняюсь, конечно, но спрошу, на всяк случай, жидкость залил именно в бачок омывателя фар? Иппонские инженеры имхо, и тут перемудрили, и поставили датчик уровня именно только в этот бачок :*DONT_KNOW*: , в других бачках датчиков нема, какими соображениями их узкоглазые головы руководствовались? Если все сделал правильно, то вероятно да, это датчик залип, хотя учитывая что на улице минус, возможно банально замерз. Менять или нет? Тут личное дело, я б не стал, уж больно геморно туда добираться, и ради чего? лампочку выкрути и забей.
Да именно в него. Который у правого крыла. Придется так и сделать, зачем они туда датчик впихнули мне непонятно)))
Наш YouTube канал о путешествиях, рейдах и соревнованиях OffroadNN, подписывайся, чтоб ничего не пропустить )))
Аватара пользователя
dvm99
Сообщения: 21741
Зарегистрирован: 21 май 2012, 20:59
Двигатель:: 6G72, 12клап.,
Мой автомобиль(и):: Pajero2, Запорожец- Ланос
Откуда: Свердловская обл.
Благодарил (а): 706 раз
Поблагодарили: 1028 раз

Re: Отвечу на вопросы по автоэлектрике

Сообщение dvm99 »

Deem-On писал(а):Посмотрел в схему, пепельница(ashtray) как раз идет напрямую, без реостата
Сейчас глянул... Да, действительно на схеме 94г идёт напрямую...
Схему изменили по сравнению с 93г, там через реостат было.
Дмитрий

Боливар2 - П2, 92г., V43, 6G72(12V), V4AW2, RD/L, пруль (чистокровный японский рысак)
Боливар1 - П2, 93г., 6G72(12V), МКПП, V43, RD/L, Европа (славный был конь, но уже донор)
Пересыпкин Сергей
Сообщения: 11
Зарегистрирован: 10 янв 2018, 19:54
Двигатель:: 4М40
Мой автомобиль(и):: Mitsubishi Pajero II
Откуда: Ростов-на-Дону

Re: Отвечу на вопросы по автоэлектрике

Сообщение Пересыпкин Сергей »

97 года машина, 4м40
Аватара пользователя
Thug
Сообщения: 238
Зарегистрирован: 04 сен 2014, 11:20
Двигатель:: 6G72
Мой автомобиль(и):: Montero Sport LS
Откуда: РФ, Мск
Благодарил (а): 3 раза
Поблагодарили: 4 раза
Контактная информация:

Re: Отвечу на вопросы по автоэлектрике

Сообщение Thug »

Доброго, господа.
Возможно, вопрос уже обсуждался, но что-то не находится ответ по моим кривым запросам. Montero Sport 6g72 1999 LS. Куда бы подключить "+" рации (Midland M20 до 8 Вт) малой кровью, чтобы ентот плюс появлялся только на заведенном двигателе? Ставить хочу под магнитолу, там варварски порезан жгут и посажен стандартный разъем, можно оттуда взять "горячий" плюс. Но не будет ли наводок? Может, есть более верный способ?
Что джиперу ни дай - все в эндуро превратится.
Ответить

Вернуться в «Электрика»