Вовсе нет, не прикалываюсь. Хочу расширить кругозор. Думаю, и другим читающим комрадам будет полезно разобраться с особенностями зарядки АКБ. А то, вон, 2 АКБ разного размера и емкости, уже норма жизни. Что касаемо таблицы, так ее нужно рассматривать в контексте. А то ведь на заборе тоже бывает написано, размашистым, уверенным почерком. А там, при проверке, одни дрова. Даешь базу знаний в массы!Ты так прикалываешься?! Тебе вчера таблицу в 9 утра показали там по русски написано
TRT - Вдоль р.Киржач. Для стандартных 4х4 (08.11.25) Форум Обсуждение FAQ
	Отвечу на вопросы по автоэлектрике
Модераторы: SNOOPER, Nbf, Romik, BAlex
- Dizel Man
 - Сообщения: 5297
 - Зарегистрирован: 16 янв 2005, 13:23
 - Двигатель:: 4М41
 - Мой автомобиль(и):: Mitsubishi Pajero 3, TLC-60, TLC-78, IFA W50
 - Откуда: МО, Мытищи
 - Откуда: Мытищи МО
 - Благодарил (а): 10 раз
 - Поблагодарили: 223 раза
 
Отвечу на вопросы по автоэлектрике
С уважением, Сергей. Все что мной написано исключительно ИМХО, наработанное годами творческих экспериментов!!!
			
						- 
				Неофит
 - Сообщения: 963
 - Зарегистрирован: 28 ноя 2014, 09:03
 - Двигатель:: 4D56T; 6VD1, G63B
 - Мой автомобиль(и):: Pajero 1,L149G,двухпедальный; Isuzu VehiCROSS, Delica L037G.
 - Откуда: край вулканов(сейчас)
 - Откуда: Калининград(малая родина)
 - Благодарил (а): 17 раз
 - Поблагодарили: 116 раз
 
Отвечу на вопросы по автоэлектрике
Ага. Подключили как-то дополнительный стоп-сигнал в мой П1. Проверил нажатием на педаль тормоза,работает. Случайно на АЗС во время заправки увидел,что доп.стоп горит постоянно(ближний свет фар тоже включен). Приехал к электрику,начали черепить,звонить проводку,искать обрывы,плохие контакты. По итогу всё оказалось проще: светодиодные лампы(габариты/стопы) в задних фонарях. Поменяли их на лампы накаливания - всё заработало как надо.
На любой вопрос даю любой ответ. C приветом - Андрей !
			
						- dvm99
 - Сообщения: 21741
 - Зарегистрирован: 21 май 2012, 20:59
 - Двигатель:: 6G72, 12клап.,
 - Мой автомобиль(и):: Pajero2, Запорожец- Ланос
 - Откуда: Свердловская обл.
 - Благодарил (а): 706 раз
 - Поблагодарили: 1028 раз
 
Отвечу на вопросы по автоэлектрике
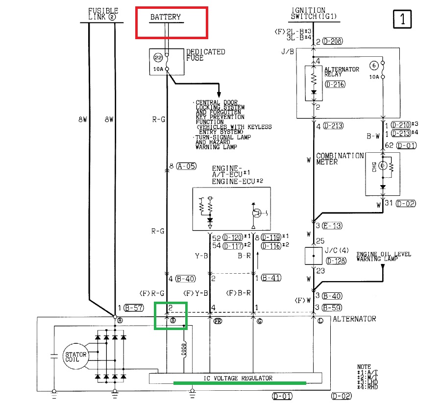
Вот это мне не нравится (подчеркнул на фотке). Порядок контактов у тебя перепутан, т.е. 1- это 4, а 2- это 3...ConstantinRus писал(а): ↑ Меняются только эти значения.
Но это не страшно...
На выводе, который подчеркнул, не должно появляться напряжение!
Кстати, вчера я массу 11 пофоткал.
Добираться тяжело, но если снять решётку динамика и динамик, открутить реле, то вполне реально долезть, не снимая панель.
Дмитрий
Боливар2 - П2, 92г., V43, 6G72(12V), V4AW2, RD/L, пруль (чистокровный японский рысак)
Боливар1 - П2, 93г., 6G72(12V), МКПП, V43, RD/L, Европа (славный был конь, но уже донор)
			
						Боливар2 - П2, 92г., V43, 6G72(12V), V4AW2, RD/L, пруль (чистокровный японский рысак)
Боливар1 - П2, 93г., 6G72(12V), МКПП, V43, RD/L, Европа (славный был конь, но уже донор)
- dvm99
 - Сообщения: 21741
 - Зарегистрирован: 21 май 2012, 20:59
 - Двигатель:: 6G72, 12клап.,
 - Мой автомобиль(и):: Pajero2, Запорожец- Ланос
 - Откуда: Свердловская обл.
 - Благодарил (а): 706 раз
 - Поблагодарили: 1028 раз
 
Отвечу на вопросы по автоэлектрике
Дык весь контекст Снупером расписан, чего ещё-то? Есть, что добавить, так добавляй, а чего кругами-то ходить!
ЗЫ
Вот схема Явы, дык даж на ней можно заметить терморезистор
http://dnepral.blogspot.com/p/6_04.html?m=1
Дмитрий
Боливар2 - П2, 92г., V43, 6G72(12V), V4AW2, RD/L, пруль (чистокровный японский рысак)
Боливар1 - П2, 93г., 6G72(12V), МКПП, V43, RD/L, Европа (славный был конь, но уже донор)
			
						Боливар2 - П2, 92г., V43, 6G72(12V), V4AW2, RD/L, пруль (чистокровный японский рысак)
Боливар1 - П2, 93г., 6G72(12V), МКПП, V43, RD/L, Европа (славный был конь, но уже донор)
- Nbf
 - Дикий Админ
 - Сообщения: 27338
 - Зарегистрирован: 30 авг 2006, 17:58
 - Двигатель:: 4D56t,
 - Мой автомобиль(и):: L200'Беззубик Citroen'Мария
 - Откуда: из тех ворот, что и весь народ
 - Откуда: Ст.Купавна, Балашиха-1
 - Благодарил (а): 1080 раз
 - Поблагодарили: 1421 раз
 - Контактная информация:
 
Отвечу на вопросы по автоэлектрике
Вы так легко Дизельмена не возьмёте.
В свое время не удалось его убедить, что если на 6 вольтовые свечи подать на минуту 12в, то они сгорят. Он утверждал, что 6в свечи от 12в могут работать неограниченно долго...)))
А вы тут с какими-то таблицами....))))
			
			
									
						В свое время не удалось его убедить, что если на 6 вольтовые свечи подать на минуту 12в, то они сгорят. Он утверждал, что 6в свечи от 12в могут работать неограниченно долго...)))
А вы тут с какими-то таблицами....))))
Павел.
Терпение и труд - мне не идут!
______________
L-200, '08, SS, АКПП, 4D56t, MT 285/75/16, EW-12000.
тел. (Ч95)6Ч2ЗО92
Юридические услуги http://www.expertcity.ru
Группа Паджеро в ТГ: https://t.me/pajeroclubru
Группа Паджеро в VK: https://vk.com/pajerorussia
			
						Терпение и труд - мне не идут!
______________
L-200, '08, SS, АКПП, 4D56t, MT 285/75/16, EW-12000.
тел. (Ч95)6Ч2ЗО92
Юридические услуги http://www.expertcity.ru
Группа Паджеро в ТГ: https://t.me/pajeroclubru
Группа Паджеро в VK: https://vk.com/pajerorussia
- Dizel Man
 - Сообщения: 5297
 - Зарегистрирован: 16 янв 2005, 13:23
 - Двигатель:: 4М41
 - Мой автомобиль(и):: Mitsubishi Pajero 3, TLC-60, TLC-78, IFA W50
 - Откуда: МО, Мытищи
 - Откуда: Мытищи МО
 - Благодарил (а): 10 раз
 - Поблагодарили: 223 раза
 
Отвечу на вопросы по автоэлектрике
Павел, вот только "горбатого лепить" не нужно. Такие обвинения озвучивают, и прикладывают ссылку на переписку с такими моими утверждениями. А то получится, что в ней именно Вы это утверждали. Разве не так?В свое время не удалось его убедить, что если на 6 вольтовые свечи подать на минуту 12в, то они сгорят. Он утверждал, что 6в свечи от 12в могут работать неограниченно долго...)))
					Последний раз редактировалось Dizel Man 30 ноя 2019, 11:04, всего редактировалось 1 раз.
									
			
						С уважением, Сергей. Все что мной написано исключительно ИМХО, наработанное годами творческих экспериментов!!!
			
						- Dizel Man
 - Сообщения: 5297
 - Зарегистрирован: 16 янв 2005, 13:23
 - Двигатель:: 4М41
 - Мой автомобиль(и):: Mitsubishi Pajero 3, TLC-60, TLC-78, IFA W50
 - Откуда: МО, Мытищи
 - Откуда: Мытищи МО
 - Благодарил (а): 10 раз
 - Поблагодарили: 223 раза
 
Отвечу на вопросы по автоэлектрике
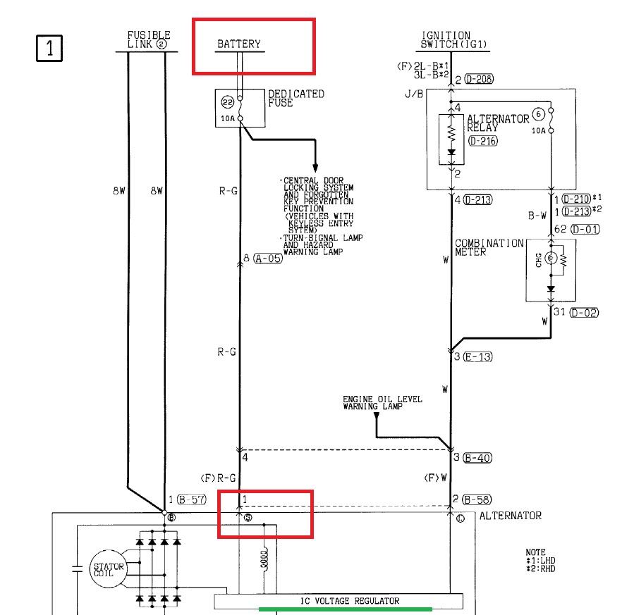
И, для завершения диспута по принципам заряда АКБ. АКБ заряжаются током! Ток текущий в цепи при заряде АКБ, есть следствие поданного на него напряжения и, СОПРОТИВЛЕНИЯ электролита. В зависимости от степени заряда АКБ меняется плотность электролита и его сопротивление. При изменении температуры под капотом, меняется температура электролита. И как следствие, его плотность. И как следствие, напряжение на выходе генератора и ток заряда. За этим следит регулятор/"таблетка". Все что связано с активным привлечением температуры для изменения/коррекции тока заряда, это уже тема сегодняшнего дня. Правда, встречается и в некоторых относительных "старичках". В современных авто нет даже интегрального регулятора в генераторе. Там все функции отданы центральному ЭБУ. И он уже, собрав все данные от датчиков, оптимизирует процесс заряда, и как следствие, сбережение АКБ. И это, придумал не я. И чтобы локализовать диспут, напомню, началось все с моего сообщения о способе повышения напряжения на выходе генератора у ПАДЖЕРО-3, посредством разрыва цепи обратной связи идущей от замка зажигания. Это так, что бы не валить все в одну кучу...    
			
			
									
						С уважением, Сергей. Все что мной написано исключительно ИМХО, наработанное годами творческих экспериментов!!!
			
						- SNOOPER
 - Модератор
 - Сообщения: 56894
 - Зарегистрирован: 11 дек 2004, 19:49
 - Двигатель:: 4D56
 - Мой автомобиль(и):: NewMPS
 - Откуда: 78
 - Откуда: Spb
 - Благодарил (а): 1007 раз
 - Поблагодарили: 4665 раз
 
Отвечу на вопросы по автоэлектрике
Именно с него.
Ты так схему и не приложил что "с замка", это всё твои пустые слова, коих ты тут наплёл изрядно......
Если бы ты слышал не только себя, глядишь и не было бы таких ляпов, и попыток съехать.....
Вот схемы П3 бензин и дизель М41 на П3 с 56-м точно так же.
Найди там замок в цепи S-контакта? ))
- Nbf
 - Дикий Админ
 - Сообщения: 27338
 - Зарегистрирован: 30 авг 2006, 17:58
 - Двигатель:: 4D56t,
 - Мой автомобиль(и):: L200'Беззубик Citroen'Мария
 - Откуда: из тех ворот, что и весь народ
 - Откуда: Ст.Купавна, Балашиха-1
 - Благодарил (а): 1080 раз
 - Поблагодарили: 1421 раз
 - Контактная информация:
 
Отвечу на вопросы по автоэлектрике
Сергей, диктофона у меня тогда при себе не было.
Я имею в виду случай, когда на свечи накала на моей машине, оборудованной системой SQG, твои сотрудники подали 12в при попытке запуска. Они закономерно сгорели, а когда я приехал за машиной, ты сообщил мне, что я приехал к тебе на машине с уже сгоревшими свечами (как я при этом смог для этого запустить машину в 18 градусный мороз ты объяснять отказался).
Вот тогда-то я и узнал от тебя, что 12в на эти свечи можно подавать сколь угодно долго, так как "любое оборудование рассчитано в машине на 12в не зависимо от того, что написано, а надпись 6в - это просто служебная информация".
Результатом многочасовой дискуссии стало следующее: стоимость свечей была зачтена в стоимость тех работ, с которыми и попала к тебе машина, кроме того на машину безвозмездно были установлены собранные по углам 11в и 12в свечи и временный тумблер для их включения под капотом. Я со своей стороны по твоему требованию взял на себя обязательство более никогда не пригонять машину к тебе на ремонт.
Павел.
Терпение и труд - мне не идут!
______________
L-200, '08, SS, АКПП, 4D56t, MT 285/75/16, EW-12000.
тел. (Ч95)6Ч2ЗО92
Юридические услуги http://www.expertcity.ru
Группа Паджеро в ТГ: https://t.me/pajeroclubru
Группа Паджеро в VK: https://vk.com/pajerorussia
			
						Терпение и труд - мне не идут!
______________
L-200, '08, SS, АКПП, 4D56t, MT 285/75/16, EW-12000.
тел. (Ч95)6Ч2ЗО92
Юридические услуги http://www.expertcity.ru
Группа Паджеро в ТГ: https://t.me/pajeroclubru
Группа Паджеро в VK: https://vk.com/pajerorussia
- ConstantinRus
 - Сообщения: 75
 - Зарегистрирован: 23 ноя 2018, 13:39
 - Двигатель:: 4D56Т
 - Мой автомобиль(и):: Pajero 2
 - Откуда: Оренбург
 - Благодарил (а): 3 раза
 
Отвечу на вопросы по автоэлектрике
Теперь понял, о каких лампах идёт речь. Таких нет, везде стоят лампы накаливания.
П2 коротыш 4д56 А/Т 1992 Пруль
			
						- ConstantinRus
 - Сообщения: 75
 - Зарегистрирован: 23 ноя 2018, 13:39
 - Двигатель:: 4D56Т
 - Мой автомобиль(и):: Pajero 2
 - Откуда: Оренбург
 - Благодарил (а): 3 раза
 
Отвечу на вопросы по автоэлектрике
После этой процедуры, с перемычкой и без, значения было 0.03 и росло до 0.16в на этой цифре остановилось и больше не двигалось.
П2 коротыш 4д56 А/Т 1992 Пруль
			
						- ConstantinRus
 - Сообщения: 75
 - Зарегистрирован: 23 ноя 2018, 13:39
 - Двигатель:: 4D56Т
 - Мой автомобиль(и):: Pajero 2
 - Откуда: Оренбург
 - Благодарил (а): 3 раза
 
Отвечу на вопросы по автоэлектрике
Спасибо за фото! К сожалению у меня на этом месте, нет ни реле, ни проводов массы.
П2 коротыш 4д56 А/Т 1992 Пруль
			
						- Dizel Man
 - Сообщения: 5297
 - Зарегистрирован: 16 янв 2005, 13:23
 - Двигатель:: 4М41
 - Мой автомобиль(и):: Mitsubishi Pajero 3, TLC-60, TLC-78, IFA W50
 - Откуда: МО, Мытищи
 - Откуда: Мытищи МО
 - Благодарил (а): 10 раз
 - Поблагодарили: 223 раза
 
Отвечу на вопросы по автоэлектрике
Тогда это голословное утверждение. Я радиолюбитель с более чем 30 летним стажем. Закон Ома мне вбили в голову еще до армии. То, что 6-ти вольтовые свечи сгорят при подачи на них напряжение превышающее порог в 2 раза, я говорю сейчас, и говорил тогда. Иного быть не может. И тут, либо Вы меня не услышали, либо..... В любом случае, эта ситуация плоха, а то, что мы нашли замену и установили бесплатно свечи, это уже хорошо...Сергей, диктофона у меня тогда при себе не было.
Саш, ты докапался до сочетания "замок зажигания"? Я описал принцип, а не дал рекомендацию перерезать черно-оранжевый провод, и врезать в него тумблер. Если тебя так это тревожит, пусть будет MAIN RELE...Найди там замок в цепи S-контакта?
С уважением, Сергей. Все что мной написано исключительно ИМХО, наработанное годами творческих экспериментов!!!
			
						- Dizel Man
 - Сообщения: 5297
 - Зарегистрирован: 16 янв 2005, 13:23
 - Двигатель:: 4М41
 - Мой автомобиль(и):: Mitsubishi Pajero 3, TLC-60, TLC-78, IFA W50
 - Откуда: МО, Мытищи
 - Откуда: Мытищи МО
 - Благодарил (а): 10 раз
 - Поблагодарили: 223 раза
 
Отвечу на вопросы по автоэлектрике
Стоит попробовать сменить алгоритм поиска. Ток потребляет некое устройство, не провода. Если ток потребляет плохой контакт, значит будет выделяться тепловая энергия. Т.е., точка утечки будет греться. Если потребляет устройство, а потребляет оно в Вашем случае прилично, то отсечь его можно только методом отключения и локализации. Если предположить что проблема в минусовой шине, тогда, скорее всего, она в физическом обрыве, и ток течет через соседние устройства. Это могут быть спирали ламп и катушки реле. Плохой контакт даст плавающее значение тока утечки...Спасибо за фото! К сожалению у меня на этом месте, нет ни реле, ни проводов массы.
С уважением, Сергей. Все что мной написано исключительно ИМХО, наработанное годами творческих экспериментов!!!
			
						- ConstantinRus
 - Сообщения: 75
 - Зарегистрирован: 23 ноя 2018, 13:39
 - Двигатель:: 4D56Т
 - Мой автомобиль(и):: Pajero 2
 - Откуда: Оренбург
 - Благодарил (а): 3 раза
 
Отвечу на вопросы по автоэлектрике
Потихоньку прихожу к выводу, что нужно потерпеть до лета, скидывать весь пластик и методично лопатить.Dizel Man писал(а): ↑ Стоит попробовать сменить алгоритм поиска. Ток потребляет некое устройство, не провода. Если ток потребляет плохой контакт, значит будет выделяться тепловая энергия. Т.е., точка утечки будет греться. Если потребляет устройство, а потребляет оно в Вашем случае прилично, то отсечь его можно только методом отключения и локализации. Если предположить что проблема в минусовой шине, тогда, скорее всего, она в физическом обрыве, и ток течет через соседние устройства. Это могут быть спирали ламп и катушки реле. Плохой контакт даст плавающее значение тока утечки...
П2 коротыш 4д56 А/Т 1992 Пруль
			
						- Nbf
 - Дикий Админ
 - Сообщения: 27338
 - Зарегистрирован: 30 авг 2006, 17:58
 - Двигатель:: 4D56t,
 - Мой автомобиль(и):: L200'Беззубик Citroen'Мария
 - Откуда: из тех ворот, что и весь народ
 - Откуда: Ст.Купавна, Балашиха-1
 - Благодарил (а): 1080 раз
 - Поблагодарили: 1421 раз
 - Контактная информация:
 
Отвечу на вопросы по автоэлектрике
Павел.
Терпение и труд - мне не идут!
______________
L-200, '08, SS, АКПП, 4D56t, MT 285/75/16, EW-12000.
тел. (Ч95)6Ч2ЗО92
Юридические услуги http://www.expertcity.ru
Группа Паджеро в ТГ: https://t.me/pajeroclubru
Группа Паджеро в VK: https://vk.com/pajerorussia
			
						Терпение и труд - мне не идут!
______________
L-200, '08, SS, АКПП, 4D56t, MT 285/75/16, EW-12000.
тел. (Ч95)6Ч2ЗО92
Юридические услуги http://www.expertcity.ru
Группа Паджеро в ТГ: https://t.me/pajeroclubru
Группа Паджеро в VK: https://vk.com/pajerorussia
- Dizel Man
 - Сообщения: 5297
 - Зарегистрирован: 16 янв 2005, 13:23
 - Двигатель:: 4М41
 - Мой автомобиль(и):: Mitsubishi Pajero 3, TLC-60, TLC-78, IFA W50
 - Откуда: МО, Мытищи
 - Откуда: Мытищи МО
 - Благодарил (а): 10 раз
 - Поблагодарили: 223 раза
 
Отвечу на вопросы по автоэлектрике
Павел, все это было давно. Подтвердить не может никто. Зачем эту тухлятину вынимать и обсуждать? Будем считать, что все поросло быльем и неправда. Так думаю будет правильно...   
			
			
									
						С уважением, Сергей. Все что мной написано исключительно ИМХО, наработанное годами творческих экспериментов!!!
			
						- SNOOPER
 - Модератор
 - Сообщения: 56894
 - Зарегистрирован: 11 дек 2004, 19:49
 - Двигатель:: 4D56
 - Мой автомобиль(и):: NewMPS
 - Откуда: 78
 - Откуда: Spb
 - Благодарил (а): 1007 раз
 - Поблагодарили: 4665 раз
 
Отвечу на вопросы по автоэлектрике
Слышь радиолюбитель, ты схемы по русски только читаешь?
Где там указывается про главное реле?
Говорю завязывай.
Насчет лампочек.
Была тут машинка. Люся на автомате без наворотов. Так из за лампочки мотор терял тягу. Я вот просто уверен что ты бы не в жизнь не нашёл, ты же по светодиодам..........
ПС Если даёшь советы, то давай их правильно.
Хотя что с любителя взять........
- ConstantinRus
 - Сообщения: 75
 - Зарегистрирован: 23 ноя 2018, 13:39
 - Двигатель:: 4D56Т
 - Мой автомобиль(и):: Pajero 2
 - Откуда: Оренбург
 - Благодарил (а): 3 раза
 
Отвечу на вопросы по автоэлектрике
Решётка то целая, без салонного фильтра очень много мусора внутрь летит.
					Последний раз редактировалось ConstantinRus 01 дек 2019, 01:00, всего редактировалось 1 раз.
									
			
						П2 коротыш 4д56 А/Т 1992 Пруль
			
						- SNOOPER
 - Модератор
 - Сообщения: 56894
 - Зарегистрирован: 11 дек 2004, 19:49
 - Двигатель:: 4D56
 - Мой автомобиль(и):: NewMPS
 - Откуда: 78
 - Откуда: Spb
 - Благодарил (а): 1007 раз
 - Поблагодарили: 4665 раз
 
Отвечу на вопросы по автоэлектрике
Его и не должно быть. Ибо нечего им рылеить.))ConstantinRus писал(а): ↑ Спасибо за фото! К сожалению у меня на этом месте, нет ни реле, ни проводов массы.
