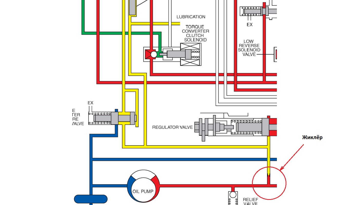
Выход из кулера видите - уходит в никуда - это и есть канал смазки. В мануале схема не очень удобная - к тому же упрощенная, поэтому даю кусочек из другого источника - там всё подписано и в цвете слово Lubrication думаю переводить не нужно....так что лыжи едут.....SNOOPER писал(а): Вот сижу и думаю: Почему это вдруг, или лыжи не едут.....................
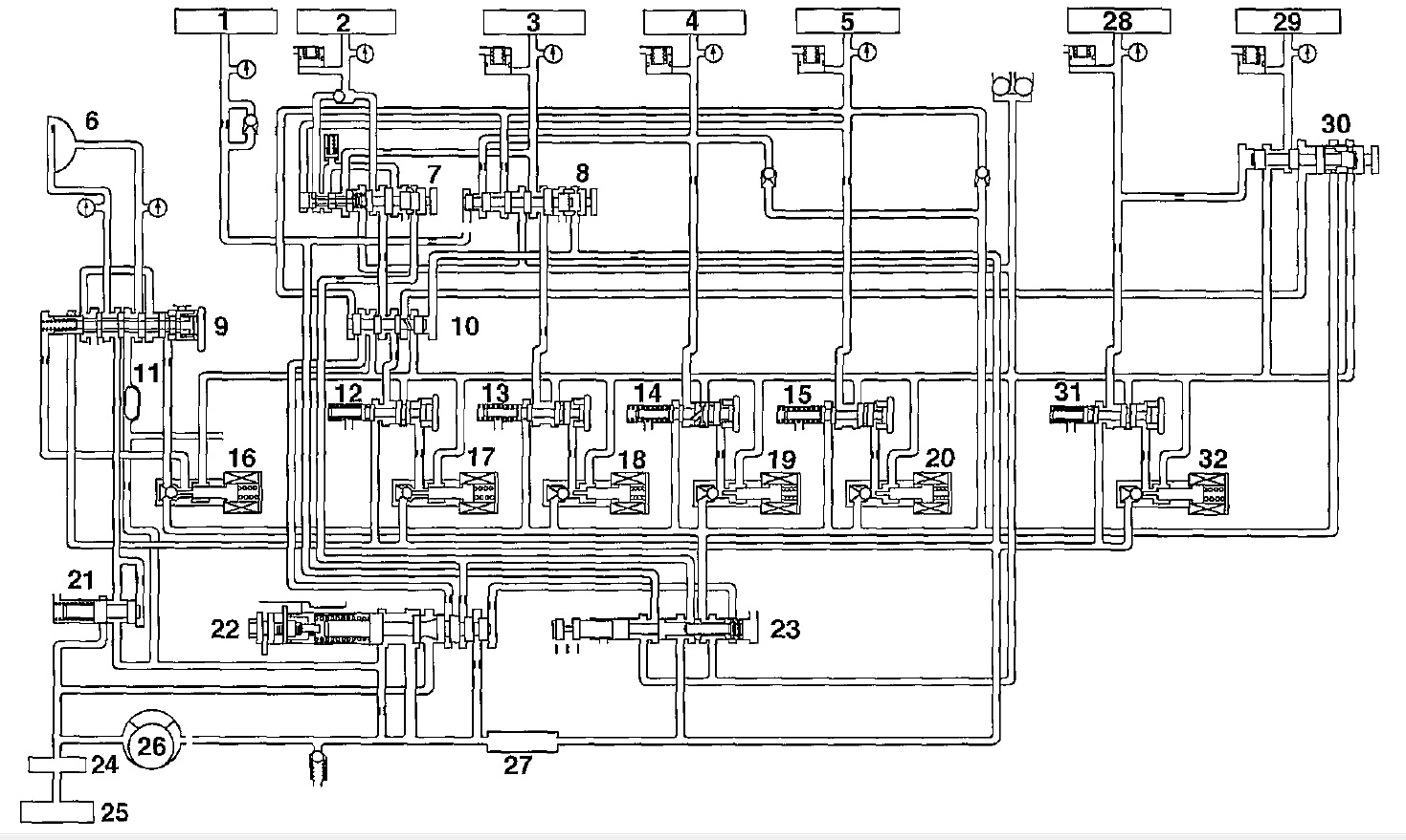
Вот кусочек нашей гидросхемы, и где на ней "направление в систему смазки" если за номером 11 маслянный кулер, то в какую такую "систему" из него выход?
TRT "107-108" Для стандарта и не только! (4.04.2026) Форум Обсуждение FAQ
Доп. радиатор, термостат и прочее охлаждение АКПП
Модераторы: SNOOPER, Alex_SH, Nbf, BAlex, drcham, SoundSpeed
Правила форума
Дорогие друзья!
Пожалуйста, при создании и поиске сообщений не забывайте пользоваться гиперссылками на тематические разделы, расположенными на главной странице раздела "Новый Pajero Sport"
Дорогие друзья!
Пожалуйста, при создании и поиске сообщений не забывайте пользоваться гиперссылками на тематические разделы, расположенными на главной странице раздела "Новый Pajero Sport"
- atservice
- Сообщения: 798
- Зарегистрирован: 16 янв 2011, 09:24
- Двигатель:: 4D56
- Мой автомобиль(и):: Mitsubishi Pajero Sport 2010
- Откуда: Новокузнецк
- Благодарил (а): 2 раза
- Поблагодарили: 182 раза
- Контактная информация:
Re: дополнительный радиатор АКПП
Последний раз редактировалось atservice 09 янв 2012, 03:06, всего редактировалось 1 раз.
НМПС белый 5А/Т, 2,5. зима Hankook RW11, лето - сток.
- atservice
- Сообщения: 798
- Зарегистрирован: 16 янв 2011, 09:24
- Двигатель:: 4D56
- Мой автомобиль(и):: Mitsubishi Pajero Sport 2010
- Откуда: Новокузнецк
- Благодарил (а): 2 раза
- Поблагодарили: 182 раза
- Контактная информация:
Re: дополнительный радиатор АКПП
Да никакая не засада.Я уже писал это достаточно НАДЁЖНАЯ И ХОРОШАЯ АКПП. Давно отработанная конструкция детские болезни изжиты. В ремонте бывает достаточно редко. И как правило по вине владельцев. Нужно всего то соблюдать ЭЛЕМЕНТАРНЫЕ правила - только и всего.Свят писал(а):Вот блина у нас машина! Куда не сунься- везде засада![]()
НМПС белый 5А/Т, 2,5. зима Hankook RW11, лето - сток.
- Свят
- Сообщения: 6581
- Зарегистрирован: 27 авг 2010, 20:08
- Двигатель:: дизель
- Мой автомобиль(и):: Pajero Sport NEW 2.5 AT
- Откуда: Калининград
- Откуда: Мурманск
- Благодарил (а): 438 раз
- Поблагодарили: 1135 раз
Re: дополнительный радиатор АКПП
Яишница не пожарится, пока яйца не разобьёшьSNOOPER писал(а): Просто не умеете её готовить
S09 2010, LINE-X, 4D56 power by APC&FGC&overboost, мосты 4,272, прямоток, шнорк, body lift, Lovells, 35", без заднего стаба, железо по кругу, Come Up 9.5
+7921 030четыре030 Святослав
ФАНТОМ
Toyota Tundra
+7921 030четыре030 Святослав
ФАНТОМ
Toyota Tundra
- Napic
- Сообщения: 5982
- Зарегистрирован: 29 июл 2010, 06:51
- Двигатель:: дизель 4d56
- Мой автомобиль(и):: НМПСпорт 2010
- Откуда: Сибирь
- Благодарил (а): 423 раза
- Поблагодарили: 1021 раз
Re: дополнительный радиатор АКПП
Есть еще одно ответвление на моей схеме.atservice писал(а): Выход из кулера видите - уходит в никуда - это и есть канал смазки. В мануале схема не очень удобная - к тому же упрощенная, поэтому даю кусочек из другого источника - там всё подписано и в цвете слово Lubrication думаю переводить не нужно....так что лыжи едут.....))
Что это ответвление означает и есть ли оно на самом деле у нас, лишенных радиатора АТ - я не знаю
НМПСпорт 2010 4d56 2500 дизель S05 5AT
лето BridgeStone HT 265/65R17, зима Hakka 5 SUV 265/65R17
Eberspacher Hydronic 5 кВт, доп. вентилятор кондиционера
Egr off + дроссель On (нержавейка + программное отключение)
лето BridgeStone HT 265/65R17, зима Hakka 5 SUV 265/65R17
Eberspacher Hydronic 5 кВт, доп. вентилятор кондиционера
Egr off + дроссель On (нержавейка + программное отключение)
- atservice
- Сообщения: 798
- Зарегистрирован: 16 янв 2011, 09:24
- Двигатель:: 4D56
- Мой автомобиль(и):: Mitsubishi Pajero Sport 2010
- Откуда: Новокузнецк
- Благодарил (а): 2 раза
- Поблагодарили: 182 раза
- Контактная информация:
Re: дополнительный радиатор АКПП
На вашей схеме 4хступенчатая АКПП. Но по сути это ничего не меняет - этот канал принимает масло, а не подаёт его.Napic писал(а): Есть еще одно ответвление на моей схеме.
Что это ответвление означает и есть ли оно на самом деле у нас, лишенных радиатора АТ - я не знаюХорошо это или плохо?
НМПС белый 5А/Т, 2,5. зима Hankook RW11, лето - сток.
- Napic
- Сообщения: 5982
- Зарегистрирован: 29 июл 2010, 06:51
- Двигатель:: дизель 4d56
- Мой автомобиль(и):: НМПСпорт 2010
- Откуда: Сибирь
- Благодарил (а): 423 раза
- Поблагодарили: 1021 раз
Re: дополнительный радиатор АКПП
Да, это действительно 4АТ, на 5АТ нет этого канала!!!atservice писал(а): На вашей схеме 4хступенчатая АКПП. Но по сути это ничего не меняет - этот канал принимает масло, а не подаёт его.
Получается, что на 4АТ можно и радиатор дополнительный ставить - ничего не перемерзнет, т.к. система смазки все равно получит горячую жидкость из насоса, который насосет из теплого поддона.
На 5АТ при перемерзании доп. радиатора коробка останется без смазки!!! Так?
PS. Для чего Митцу вредительством занимается?...
НМПСпорт 2010 4d56 2500 дизель S05 5AT
лето BridgeStone HT 265/65R17, зима Hakka 5 SUV 265/65R17
Eberspacher Hydronic 5 кВт, доп. вентилятор кондиционера
Egr off + дроссель On (нержавейка + программное отключение)
лето BridgeStone HT 265/65R17, зима Hakka 5 SUV 265/65R17
Eberspacher Hydronic 5 кВт, доп. вентилятор кондиционера
Egr off + дроссель On (нержавейка + программное отключение)
- К.Резник
- Сообщения: 976
- Зарегистрирован: 12 ноя 2010, 13:48
- Двигатель:: 4D56U, дизель
- Мой автомобиль(и):: Mitsubishi Pajero Sport New
- Откуда: Новосибирск
- Откуда: Новосибирск
- Благодарил (а): 238 раз
- Поблагодарили: 208 раз
Re: дополнительный радиатор АКПП
Похоже, как не обидно для всех нас это звучит, страны с холодным климатом не рассматривались изначально в качестве основного рынка. Поэтому и проблемы на Эльке с перемерзанием АКПП из-за доп. радиатора (в результате чего оный просто выкинули), и отсутствие доп. вентилятора охлаждения испарителя кондиционера, и т.д. и т.п. А если бы полгода, а лучше год, машину потестили во всех наших климатических зонах (а не только в Таиланде и Австралии с Бразилией), то, наверное, таких бы ляпов и было. Размечтался, блинNapic писал(а):Да, это действительно 4АТ, на 5АТ нет этого канала!!!atservice писал(а): На вашей схеме 4хступенчатая АКПП. Но по сути это ничего не меняет - этот канал принимает масло, а не подаёт его.
Получается, что на 4АТ можно и радиатор дополнительный ставить - ничего не перемерзнет, т.к. система смазки все равно получит горячую жидкость из насоса, который насосет из теплого поддона.
На 5АТ при перемерзании доп. радиатора коробка останется без смазки!!! Так?
PS. Для чего Митцу вредительством занимается?...
Некрасивый самолёт не летает
НМПС, 2.5 дизель S09, лифт подвески Lovells Suspension, бампер ARB, леб.Ramsey REP 9.5, шноркель Safari 660, защита ARB, БК RC-700, резина МТ ATZ 285х75х16, диски DOTZ, задний силовик и калитка от МШУ, доп.бак 75 л.
НМПС, 2.5 дизель S09, лифт подвески Lovells Suspension, бампер ARB, леб.Ramsey REP 9.5, шноркель Safari 660, защита ARB, БК RC-700, резина МТ ATZ 285х75х16, диски DOTZ, задний силовик и калитка от МШУ, доп.бак 75 л.
- SNOOPER
- Модератор
- Сообщения: 57314
- Зарегистрирован: 11 дек 2004, 19:49
- Двигатель:: 4D56
- Мой автомобиль(и):: NewMPS
- Откуда: 78
- Откуда: Spb
- Благодарил (а): 1020 раз
- Поблагодарили: 4762 раза
Re: дополнительный радиатор АКПП
Не убедилatservice писал(а):Выход из кулера видите - уходит в никуда - это и есть канал смазки. В мануале схема не очень удобная - к тому же упрощенная, поэтому даю кусочек из другого источника - там всё подписано и в цвете слово Lubrication думаю переводить не нужно....так что лыжи едут.....SNOOPER писал(а): Вот сижу и думаю: Почему это вдруг, или лыжи не едут.....................
Вот кусочек нашей гидросхемы, и где на ней "направление в систему смазки" если за номером 11 маслянный кулер, то в какую такую "систему" из него выход?))
Это источник у меня тоже есть. И перевод не означает ровным счётом ничего
- Napic
- Сообщения: 5982
- Зарегистрирован: 29 июл 2010, 06:51
- Двигатель:: дизель 4d56
- Мой автомобиль(и):: НМПСпорт 2010
- Откуда: Сибирь
- Благодарил (а): 423 раза
- Поблагодарили: 1021 раз
Re: дополнительный радиатор АКПП
на самом первом 2008 года, "сыром" НМПС естьК.Резник писал(а): Похоже, как не обидно для всех нас это звучит, страны с холодным климатом не рассматривались изначально в качестве основного рынка. Поэтому и проблемы на Эльке с перемерзанием АКПП из-за доп. радиатора (в результате чего оный просто выкинули), и отсутствие доп. вентилятора охлаждения испарителя кондиционера, и т.д. и т.п. А если бы полгода, а лучше год, машину потестили во всех наших климатических зонах (а не только в Таиланде и Австралии с Бразилией), то, наверное, таких бы ляпов и было. Размечтался, блин
1) 3.2 дизель
2) евро-3 (нормы только после прогрева)
3) Доп вентилятор кондиционера
4) 4АТ с неперемерзающей жидкостью - возможно установить доп. радиатор коробки
5) нет глюка 5АТ
6) есть отдельный термометр уличной температуры.
Более продвинутый НМПС с 5АТ с 2010 года не только не улучшил положение дел, но и привнес свои болячки и стал хуже.
Единственное что лучше стало - так это VGT, система курсовой устойчивости и задние дисковые тормоза. Все остальное только хуже!!! а прошло целых 2 года "испытаний"...
НМПСпорт 2010 4d56 2500 дизель S05 5AT
лето BridgeStone HT 265/65R17, зима Hakka 5 SUV 265/65R17
Eberspacher Hydronic 5 кВт, доп. вентилятор кондиционера
Egr off + дроссель On (нержавейка + программное отключение)
лето BridgeStone HT 265/65R17, зима Hakka 5 SUV 265/65R17
Eberspacher Hydronic 5 кВт, доп. вентилятор кондиционера
Egr off + дроссель On (нержавейка + программное отключение)
- atservice
- Сообщения: 798
- Зарегистрирован: 16 янв 2011, 09:24
- Двигатель:: 4D56
- Мой автомобиль(и):: Mitsubishi Pajero Sport 2010
- Откуда: Новокузнецк
- Благодарил (а): 2 раза
- Поблагодарили: 182 раза
- Контактная информация:
Re: дополнительный радиатор АКПП
Вообще если внимательно рассмотрите участок схемы,то увидите что между каналом линейного давления и каналом от радиатора (там где масло меняет цвет с красного на жёлтый) есть жиклёр. Пропускная способность его настолько мала, что для смазки масла физически не хватит.Napic писал(а): Да, это действительно 4АТ, на 5АТ нет этого канала!!!
Получается, что на 4АТ можно и радиатор дополнительный ставить - ничего не перемерзнет, т.к. система смазки все равно получит горячую жидкость из насоса, который насосет из теплого поддона.
На 5АТ при перемерзании доп. радиатора коробка останется без смазки!!! Так?
PS. Для чего Митцу вредительством занимается?...
Кроме того в мануале есть какое то несоответствие. Вот схема 5АТ - и на ней есть этот канал.Но это всё теория - если разобрать саму АКПП и продувая каналы воздухом всё чётко видно - что куда идёт.
НМПС белый 5А/Т, 2,5. зима Hankook RW11, лето - сток.
- atservice
- Сообщения: 798
- Зарегистрирован: 16 янв 2011, 09:24
- Двигатель:: 4D56
- Мой автомобиль(и):: Mitsubishi Pajero Sport 2010
- Откуда: Новокузнецк
- Благодарил (а): 2 раза
- Поблагодарили: 182 раза
- Контактная информация:
Re: дополнительный радиатор АКПП
Да не стоит драматизировать - что, разве замечен МАССОВЫЙ выход из строя АКПП на НМПС? Нет такого. Мы пока что рассуждали - могут ли появиться проблемы после установки доп.радиатора. Мой ответ - да, могут. НО!!!их легко избежать. И для их появления - надо уж сильно постараться....не заметить, не услышать,забыть, проигнорировать....Napic писал(а):на самом первом 2008 года, "сыром" НМПС естьК.Резник писал(а): Похоже, как не обидно для всех нас это звучит, страны с холодным климатом не рассматривались изначально в качестве основного рынка. Поэтому и проблемы на Эльке с перемерзанием АКПП из-за доп. радиатора (в результате чего оный просто выкинули), и отсутствие доп. вентилятора охлаждения испарителя кондиционера, и т.д. и т.п. А если бы полгода, а лучше год, машину потестили во всех наших климатических зонах (а не только в Таиланде и Австралии с Бразилией), то, наверное, таких бы ляпов и было. Размечтался, блин
1) 3.2 дизель
2) евро-3 (нормы только после прогрева)
3) Доп вентилятор кондиционера
4) 4АТ с неперемерзающей жидкостью - возможно установить доп. радиатор коробки
5) нет глюка 5АТ
6) есть отдельный термометр уличной температуры.
Более продвинутый НМПС с 5АТ с 2010 года не только не улучшил положение дел, но и привнес свои болячки и стал хуже.
Единственное что лучше стало - так это VGT, система курсовой устойчивости и задние дисковые тормоза. Все остальное только хуже!!! а прошло целых 2 года "испытаний"...
Перед тем как покупать НМПС я естесственно переговорил с официалами владеющими информацией по всей России. И услышал примерно следующее - гораздо больше обращений с МКПП (вой), мостами, рейками, рулевыми колонками. Проблем с АКПП они вообще не припомнили. Проблемы с 5АТ на Паджеро4 бывают - но их очень мало.
Не знаю как вы - но я машиной доволен. И катаясь на ней я полусаю удовольствие, а не думаю о возможных проблемах.
НМПС белый 5А/Т, 2,5. зима Hankook RW11, лето - сток.
- atservice
- Сообщения: 798
- Зарегистрирован: 16 янв 2011, 09:24
- Двигатель:: 4D56
- Мой автомобиль(и):: Mitsubishi Pajero Sport 2010
- Откуда: Новокузнецк
- Благодарил (а): 2 раза
- Поблагодарили: 182 раза
- Контактная информация:
Re: дополнительный радиатор АКПП
Да собственно не проповедник чтоб убеждать. Если есть эта схема в полном размере - то увидите что на ней есть пояснения. Там расписано какой цвет что обозначает и для чего используется.SNOOPER писал(а): Не убедил
Это источник у меня тоже есть. И перевод не означает ровным счётом ничего
НМПС белый 5А/Т, 2,5. зима Hankook RW11, лето - сток.
- Napic
- Сообщения: 5982
- Зарегистрирован: 29 июл 2010, 06:51
- Двигатель:: дизель 4d56
- Мой автомобиль(и):: НМПСпорт 2010
- Откуда: Сибирь
- Благодарил (а): 423 раза
- Поблагодарили: 1021 раз
Re: дополнительный радиатор АКПП
Означает ли это, что на НМПС без доп. радиатора проблем не будет вообще, а с доп. радиатором (на примере П45АТ) - будет, но очень мало? (риторический вопросatservice писал(а): Да не стоит драматизировать - что, разве замечен МАССОВЫЙ выход из строя АКПП на НМПС? Нет такого. Мы пока что рассуждали - могут ли появиться проблемы после установки доп.радиатора. Мой ответ - да, могут. НО!!!их легко избежать. И для их появления - надо уж сильно постараться....не заметить, не услышать,забыть, проигнорировать....
[skip]
Проблемы с 5АТ на Паджеро4 бывают - но их очень мало.
А вообще хорошо, что я ошибся, что канала нет. Понятно, что жиклер скорее всего подобран так, чтобы приоритет отдавался ветви с доп. радиатором...
доп. радиатор хотим ставить для безопасного для АКПП вылазок на бездорожье. Если это не планируется - то можно и не ставить и ездить так - ничего не случится!
Но можно для тех кто в говнах или снегах Сибири задать тебе вопрос:
так ставим доп. радиатор или нет? и если ставим - то с байпасом (относительный колхоз) или и так можно (оригинальная версия для теплых стран)?
НМПСпорт 2010 4d56 2500 дизель S05 5AT
лето BridgeStone HT 265/65R17, зима Hakka 5 SUV 265/65R17
Eberspacher Hydronic 5 кВт, доп. вентилятор кондиционера
Egr off + дроссель On (нержавейка + программное отключение)
лето BridgeStone HT 265/65R17, зима Hakka 5 SUV 265/65R17
Eberspacher Hydronic 5 кВт, доп. вентилятор кондиционера
Egr off + дроссель On (нержавейка + программное отключение)
- Семнадцатый
- Сообщения: 1651
- Зарегистрирован: 17 ноя 2010, 20:22
- Двигатель:: 4D56
- Мой автомобиль(и):: Pajero Sport II
- Благодарил (а): 11 раз
- Поблагодарили: 130 раз
- Контактная информация:
Re: дополнительный радиатор АКПП
Napic я наверное буду ставить с байпасом, причём брать буду не оригинал. Но тут есть 3 варианта:
1) С краником. Когда надо открыл, когда не надо - закрыл.
2) Напрямую.
3) Мудрить с термостатом, ибо пообщавшись с уважаемым человеком было сказано что АТФ выходит в районе 200градусов, и тут термастата точно нет. И как вариант - электромагнитный клапан с термодатчиком.
В любом случаи я обращусь к одному спецу, опять же по совету уважаемого человека, и будим думать уже на месте. А пока зима - езжу так.
1) С краником. Когда надо открыл, когда не надо - закрыл.
2) Напрямую.
3) Мудрить с термостатом, ибо пообщавшись с уважаемым человеком было сказано что АТФ выходит в районе 200градусов, и тут термастата точно нет. И как вариант - электромагнитный клапан с термодатчиком.
В любом случаи я обращусь к одному спецу, опять же по совету уважаемого человека, и будим думать уже на месте. А пока зима - езжу так.
Есть направления, а дорогу выберет каждый свою....
BFG MT KM2 265/75 R16 | 605 Hi-Lift X-TREME Jack | Tmax 9500 на съёмной площадке
BFG MT KM2 265/75 R16 | 605 Hi-Lift X-TREME Jack | Tmax 9500 на съёмной площадке
- atservice
- Сообщения: 798
- Зарегистрирован: 16 янв 2011, 09:24
- Двигатель:: 4D56
- Мой автомобиль(и):: Mitsubishi Pajero Sport 2010
- Откуда: Новокузнецк
- Благодарил (а): 2 раза
- Поблагодарили: 182 раза
- Контактная информация:
Re: дополнительный радиатор АКПП
Я в говна не лажу - но друзей таковых имею. Как они говорят - глубокий снег хуже песка (не проверял, не знаю). Так что перегреть коробку можно и в снегу. Поэтому если лазаете по бездорожью - доп.радиатор вещь полезная.Napic писал(а):atservice писал(а): Означает ли это, что на НМПС без доп. радиатора проблем не будет вообще, а с доп. радиатором (на примере П45АТ) - будет, но очень мало? (риторический вопрос)
А вообще хорошо, что я ошибся, что канала нет. Понятно, что жиклер скорее всего подобран так, чтобы приоритет отдавался ветви с доп. радиатором...
доп. радиатор хотим ставить для безопасного для АКПП вылазок на бездорожье. Если это не планируется - то можно и не ставить и ездить так - ничего не случится!
Но можно для тех кто в говнах или снегах Сибири задать тебе вопрос:
так ставим доп. радиатор или нет? и если ставим - то с байпасом (относительный колхоз) или и так можно (оригинальная версия для теплых стран)?
Я уже писал - тут люди грамотные (это по вопросам видно) - поэтому понимаете, когда есть опасность переморозить - радиатор надо прикрыть, полезли в говны - откройте. Ставить ли перепускной клапан или термостат - решает каждый сам. Штука это хорошая - но и элемент ненадёжности тоже. Что для вас важнее - решать тоже вам.
Ну и напоследок - масса автомобилей катается по дорогам без дополнительных радиаторов (ну не предусмотрены они там, даже наш НМПС в жаркие страны идёт без доп.радиатора) - и ничего, ездят. Много машин, где радиатор стоит с завода (L200 например) - и ничего, катаются. Да, возможен перегрев коробки без доп.радиатора, но это в ТЯЖЁЛЫХ и ЭКСТРЕМАЛЬНЫХ условиях. Да, возможно перемерзание линии охлаждения (особенно с доп.радиатором), но опять же в условиях КРАЙНЕ НИЗКИХ ТЕМПЕРАТУР и беспечности хозяина, либо критической ситуации (если есть риск замёрзнуть - то извините за грубость - пох на железо, жизнь дороже). Но как правило человек установивший радиатор знает о возможный рисках - а значит вооружён и предупреждён. И как правило такой человек ко всему подготовлен.
И ещё - как я заметил, практически все ставят доп. защиты - а это хоть как то, но направляет тёплый воздух из подкапотного пространства на агрегаты. Возможно это повышает риск перегрева на бездорожье (вот тут то и поможет доп.радиатор), но возможно добавит несколько градусов (а они могут оказаться решающими) в мороз.
НМПС белый 5А/Т, 2,5. зима Hankook RW11, лето - сток.
- Семнадцатый
- Сообщения: 1651
- Зарегистрирован: 17 ноя 2010, 20:22
- Двигатель:: 4D56
- Мой автомобиль(и):: Pajero Sport II
- Благодарил (а): 11 раз
- Поблагодарили: 130 раз
- Контактная информация:
Re: дополнительный радиатор АКПП
Значит краник с электромагнитном клапаном в скупе)
atservice расскажи лучше бывают ли термостаты и т.п. для них, или только клапана с рэлюшкой?
atservice расскажи лучше бывают ли термостаты и т.п. для них, или только клапана с рэлюшкой?
Есть направления, а дорогу выберет каждый свою....
BFG MT KM2 265/75 R16 | 605 Hi-Lift X-TREME Jack | Tmax 9500 на съёмной площадке
BFG MT KM2 265/75 R16 | 605 Hi-Lift X-TREME Jack | Tmax 9500 на съёмной площадке
- Napic
- Сообщения: 5982
- Зарегистрирован: 29 июл 2010, 06:51
- Двигатель:: дизель 4d56
- Мой автомобиль(и):: НМПСпорт 2010
- Откуда: Сибирь
- Благодарил (а): 423 раза
- Поблагодарили: 1021 раз
Re: дополнительный радиатор АКПП
Где-то слышал, что АКПП очень чувствительна к различного рода примесям в масле. Т.е. даже уровень масла в АКПП надо проверять вытирая щуп идеально чистой тряпочкой на которой нет и намека на различные ворсинкиСемнадцатый писал(а):Napic я наверное буду ставить с байпасом, причём брать буду не оригинал. Но тут есть 3 варианта:
1) С краником. Когда надо открыл, когда не надо - закрыл.
2) Напрямую.
3) Мудрить с термостатом, ибо пообщавшись с уважаемым человеком было сказано что АТФ выходит в районе 200градусов, и тут термастата точно нет. И как вариант - электромагнитный клапан с термодатчиком.
В любом случаи я обращусь к одному спецу, опять же по совету уважаемого человека, и будим думать уже на месте. А пока зима - езжу так.
В ситуации с краником или термостатом есть мнение, что жидкость должна по трубкам циркулировать! Т.е. нельзя чтобы трубки были в масле без движения самого масла. Т.е. краник на зиму отпадает, да и зимой лазить под капот, чтобы открыть кран съезжая с дороги - не камильфо
Остается байпас нормируемого диаметра, но на НМПС байпаса, в отличии от Паджеро-4 не предусмотрено. Куда его колхозить? На П4 трубки разведены на большое расстояние и байпас достаточной длины. На НМПС его можно поставить только сантиметров 5 длиной...
atservice, Спасибо за ответ!
НМПСпорт 2010 4d56 2500 дизель S05 5AT
лето BridgeStone HT 265/65R17, зима Hakka 5 SUV 265/65R17
Eberspacher Hydronic 5 кВт, доп. вентилятор кондиционера
Egr off + дроссель On (нержавейка + программное отключение)
лето BridgeStone HT 265/65R17, зима Hakka 5 SUV 265/65R17
Eberspacher Hydronic 5 кВт, доп. вентилятор кондиционера
Egr off + дроссель On (нержавейка + программное отключение)
- atservice
- Сообщения: 798
- Зарегистрирован: 16 янв 2011, 09:24
- Двигатель:: 4D56
- Мой автомобиль(и):: Mitsubishi Pajero Sport 2010
- Откуда: Новокузнецк
- Благодарил (а): 2 раза
- Поблагодарили: 182 раза
- Контактная информация:
Re: дополнительный радиатор АКПП
Кран можно поставить параллельно доп радиатору - открыл и масло пошло через кран, закрыл - только через радиатор.Семнадцатый писал(а):Napic я наверное буду ставить с байпасом, причём брать буду не оригинал. Но тут есть 3 варианта:
1) С краником. Когда надо открыл, когда не надо - закрыл.
2) Напрямую.
3) Мудрить с термостатом, ибо пообщавшись с уважаемым человеком было сказано что АТФ выходит в районе 200градусов, и тут термастата точно нет. И как вариант - электромагнитный клапан с термодатчиком.
В любом случаи я обращусь к одному спецу, опять же по совету уважаемого человека, и будим думать уже на месте. А пока зима - езжу так.
Побойтесь Бога - какие 200 градусов! Термозащита настроена на 125. При 200 градусах, во первых в радиаторе закипит антифриз (теплообменник то в антифризе купается), во вторых - при такой температуре коробка сгорит очень быстро. Может 200 по Фаренгейту? Тогда это 93,33 по Цельсию - очень похоже на истину. Кстати - у уважаемого человека может американский автомобиль? На них частенько стоит датчик температуры трансмиссии проградуированный именно в Фаренгейтах.
НМПС белый 5А/Т, 2,5. зима Hankook RW11, лето - сток.
- atservice
- Сообщения: 798
- Зарегистрирован: 16 янв 2011, 09:24
- Двигатель:: 4D56
- Мой автомобиль(и):: Mitsubishi Pajero Sport 2010
- Откуда: Новокузнецк
- Благодарил (а): 2 раза
- Поблагодарили: 182 раза
- Контактная информация:
Re: дополнительный радиатор АКПП
Я всегда щуп просто пальцами протираю - понимаю негигиенично - но привык. На наших машинах фильтр фетровый - он не пропустит ворсинки. А вот на тех, где в фильтре металлическая сетка, действительно ворсинки могут пролететь через сетку и подклинить какой нибудь плунжер в гидроблоке. Но для этого ворсинок должно быть много. Поэтому не ищите батист, вытирайте чем придётся, лишь бы чистым.Napic писал(а): Где-то слышал, что АКПП очень чувствительна к различного рода примесям в масле. Т.е. даже уровень масла в АКПП надо проверять вытирая щуп идеально чистой тряпочкой на которой нет и намека на различные ворсинки
В ситуации с краником или термостатом есть мнение, что жидкость должна по трубкам циркулировать! Т.е. нельзя чтобы трубки были в масле без движения самого масла. Т.е. краник на зиму отпадает, да и зимой лазить под капот, чтобы открыть кран съезжая с дороги - не камильфо![]()
Остается байпас нормируемого диаметра, но на НМПС байпаса, в отличии от Паджеро-4 не предусмотрено. Куда его колхозить? На П4 трубки разведены на большое расстояние и байпас достаточной длины. На НМПС его можно поставить только сантиметров 5 длиной...
atservice, Спасибо за ответ!
НМПС белый 5А/Т, 2,5. зима Hankook RW11, лето - сток.
- atservice
- Сообщения: 798
- Зарегистрирован: 16 янв 2011, 09:24
- Двигатель:: 4D56
- Мой автомобиль(и):: Mitsubishi Pajero Sport 2010
- Откуда: Новокузнецк
- Благодарил (а): 2 раза
- Поблагодарили: 182 раза
- Контактная информация:
Re: дополнительный радиатор АКПП
Бывают - вот примерСемнадцатый писал(а):Значит краник с электромагнитном клапаном в скупе)
atservice расскажи лучше бывают ли термостаты и т.п. для них, или только клапана с рэлюшкой?
http://www.sti-club.su/showthread.php?t ... =mishimoto
Клапанов с релюшкой я не видел, но может и есть.
Радиаторов много здесь - http://www.transparts.ru/?id=radiators
и здесь - http://transdetail.ru/
НМПС белый 5А/Т, 2,5. зима Hankook RW11, лето - сток.
