TRT - Вдоль р.Киржач. Для стандартных 4х4 (08.11.25) Форум Обсуждение FAQ
Отвечу на вопросы по автоэлектрике
Модераторы: SNOOPER, Nbf, Romik, BAlex
- SNOOPER
- Модератор
- Сообщения: 56894
- Зарегистрирован: 11 дек 2004, 19:49
- Двигатель:: 4D56
- Мой автомобиль(и):: NewMPS
- Откуда: 78
- Откуда: Spb
- Благодарил (а): 1007 раз
- Поблагодарили: 4665 раз
Отвечу на вопросы по автоэлектрике
С Вашим подходом, нужно стучать по колёсам.......))
А серьёзно: Нужно проверить проводку и сам датчик температуры двигателя. (Двух контактный, под патрубком охлаждения.)
А серьёзно: Нужно проверить проводку и сам датчик температуры двигателя. (Двух контактный, под патрубком охлаждения.)
- Dizel Man
- Сообщения: 5297
- Зарегистрирован: 16 янв 2005, 13:23
- Двигатель:: 4М41
- Мой автомобиль(и):: Mitsubishi Pajero 3, TLC-60, TLC-78, IFA W50
- Откуда: МО, Мытищи
- Откуда: Мытищи МО
- Благодарил (а): 10 раз
- Поблагодарили: 223 раза
Отвечу на вопросы по автоэлектрике
Почему Вы считаете напряжение в 14,4 вольта нормальным? Напряжение заряда зависит от состояния/разряда АКБ. Время активного состояния системы накала свечей зависит от датчика температуры в ГБЦ. Если это время увеличено и поднимаются обороты, значит ЭБУ видит что двигатель имеет низкую температуру. Эту проблему хорошо видит любая доступная диагностика....
С уважением, Сергей. Все что мной написано исключительно ИМХО, наработанное годами творческих экспериментов!!!
- SNOOPER
- Модератор
- Сообщения: 56894
- Зарегистрирован: 11 дек 2004, 19:49
- Двигатель:: 4D56
- Мой автомобиль(и):: NewMPS
- Откуда: 78
- Откуда: Spb
- Благодарил (а): 1007 раз
- Поблагодарили: 4665 раз
Отвечу на вопросы по автоэлектрике
Это и является именно нормальным напряжением.
Но к данному вопросу это не относится, ни каким образом.
Так и вывод о неисправности генератора. Но это они уже проверили.......
-
Erlasel
- Сообщения: 5
- Зарегистрирован: 15 фев 2020, 18:20
- Двигатель:: 6G72 Паджеро4 2007 года, араб
- Мой автомобиль(и):: Паджеро
- Откуда: Семей
- Благодарил (а): 2 раза
Отвечу на вопросы по автоэлектрике
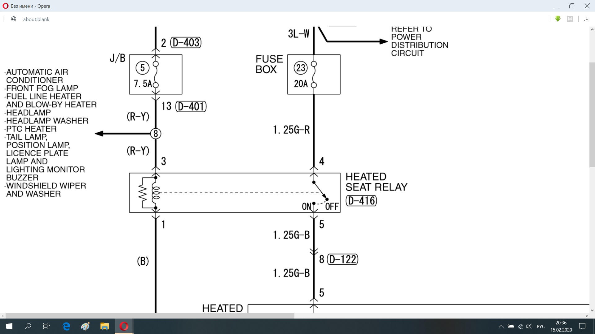
Всем доброго времени суток!!! Помогите чайнику пожалуйста!!! Купил в сентябре 2019 года паджеро 4 2007 год, араб в коже и тд, так вот на нем не работал подогрев сидений. Он как бы есть с завода, но почему то не работал, на кнопках светились только подсветки, на включение никак не реагировали. Предохранитель целый. Сегодня надоело морозить попу, нашел по объявлениям электрика поехал смотреть. Звоним кнопки, питания нет, звоним на предохранителе, ток есть, но до кнопок не доходит. Электрик не захотел вскрывать панель, предложил кинуть прямой провод от предохранителя до кнопки, то есть вроде как никакого криминала, реле у них нет, предохранитель в сети. Я согласился, он кинул, все заработало, я счастливый сел, завёл и тут увидел, что загорелся значок айрбеги, отчего непонятно, приехал домой с теплой попой, заглушил машину и тут только понял, что подогрев еще и на зажигание не реагирует, то есть если кнопка включена то он греет напрямую от акума, не думаю, что это правильно, но не могу понять почему, разве замок зажигания в цепи стоит после предохранителя?
- SNOOPER
- Модератор
- Сообщения: 56894
- Зарегистрирован: 11 дек 2004, 19:49
- Двигатель:: 4D56
- Мой автомобиль(и):: NewMPS
- Откуда: 78
- Откуда: Spb
- Благодарил (а): 1007 раз
- Поблагодарили: 4665 раз
-
Erlasel
- Сообщения: 5
- Зарегистрирован: 15 фев 2020, 18:20
- Двигатель:: 6G72 Паджеро4 2007 года, араб
- Мой автомобиль(и):: Паджеро
- Откуда: Семей
- Благодарил (а): 2 раза
Отвечу на вопросы по автоэлектрике
Блин, вот этой схемы мы найти и не смогли, те что были в инете показывали, что сперва идет замок зажигания, потом предохранитель и только потом кнопки. Что делать? Бомбить панель, неохото да и холодно, пластик весь переломают.
- Dizel Man
- Сообщения: 5297
- Зарегистрирован: 16 янв 2005, 13:23
- Двигатель:: 4М41
- Мой автомобиль(и):: Mitsubishi Pajero 3, TLC-60, TLC-78, IFA W50
- Откуда: МО, Мытищи
- Откуда: Мытищи МО
- Благодарил (а): 10 раз
- Поблагодарили: 223 раза
Отвечу на вопросы по автоэлектрике
Завести машину, прогреть салон, разобрать/собрать/исправить....
С уважением, Сергей. Все что мной написано исключительно ИМХО, наработанное годами творческих экспериментов!!!
- SNOOPER
- Модератор
- Сообщения: 56894
- Зарегистрирован: 11 дек 2004, 19:49
- Двигатель:: 4D56
- Мой автомобиль(и):: NewMPS
- Откуда: 78
- Откуда: Spb
- Благодарил (а): 1007 раз
- Поблагодарили: 4665 раз
-
Виктор161
- Сообщения: 105
- Зарегистрирован: 25 сен 2018, 21:09
- Двигатель:: 4D56 дизель
- Мой автомобиль(и):: Mitsubishi Pajero Sport
- Откуда: Ростов-на-Дону
- Благодарил (а): 16 раз
Отвечу на вопросы по автоэлектрике
Добрый вечер ,спасибо всем кто помог разобраться с моей проблемой .Проблема найдена ,предыдущий хозяин ,что очень мощное подключал на плюсовой провод магнитофона провода по плавились ,пришлось снят пар приз и разрывать все провода ,теперь всё работает и обороты не падают при включение габаритов и фар ,осталось все по плавленые провода за изолировать и собрать всё на место.kkursor писал(а): ↑ проверил ,что на одном предохранителе сидит левая фара и задние габариты ,правая отдельно
Быть такого не может.
Фары всю жизнь отдельно идут. Отдельно левая, правая и габариты левого и правого борта. И по предохранителю на каждую переднюю ПТФ, если есть (всего 6 предохранителей)
На п3 на правый габарит ещё подсветки салона заведены.
Если у тебя действительно так, как написано, то там кто-то очень здорово поковырялся в электрике и без поллитры разобраться будет несколько затруднительно

- Dizel Man
- Сообщения: 5297
- Зарегистрирован: 16 янв 2005, 13:23
- Двигатель:: 4М41
- Мой автомобиль(и):: Mitsubishi Pajero 3, TLC-60, TLC-78, IFA W50
- Откуда: МО, Мытищи
- Откуда: Мытищи МО
- Благодарил (а): 10 раз
- Поблагодарили: 223 раза
Отвечу на вопросы по автоэлектрике
Поздравляю! Хорошо то, что хорошо заканчивается...
С уважением, Сергей. Все что мной написано исключительно ИМХО, наработанное годами творческих экспериментов!!!
-
happyPanda
- Сообщения: 2
- Зарегистрирован: 18 фев 2020, 19:20
- Двигатель:: 4m41
- Мой автомобиль(и):: pajero 4
- Откуда: Красногорск
Отвечу на вопросы по автоэлектрике
Добрый день.
У меня проблема c подсветкой климата на pajero 4.
Когда ключ в замке в положении acc/on и включены габариты/ближний свет, то подсветки кнопок/крутилок климата нет, но стоит повернуть выключатель света в положение off или вариант глушу двигатель, вынимаю ключ из замка зажигания в это время крутилка в положении габариты/ ближний свет далее открываю дверь -> подсветка климата включается. При поставку на охрану, подсветка климата также работает.
До возникновения этой неисправности ставил андроид магнитолу.
Вначале для земли магнитолы использовал по мануалу контакт power ground с родного коннектора-кабеля магнитолы, но в процессе монтажа заметил, как исчезла подсветка приборной панели и спидометр перестал работать. После взял землю с корпуса, спидометр и подсветка заработали. Но с подсветкой климата случился казус выше.
Полагаю, что причина проблемы выше - кривизна моих рук. При отключении магнитолы ничего не меняется, подсветка климата так же себя ведёт.
Отпишите пожалуйста, как это пофиксить.
Спасибо.
У меня проблема c подсветкой климата на pajero 4.
Когда ключ в замке в положении acc/on и включены габариты/ближний свет, то подсветки кнопок/крутилок климата нет, но стоит повернуть выключатель света в положение off или вариант глушу двигатель, вынимаю ключ из замка зажигания в это время крутилка в положении габариты/ ближний свет далее открываю дверь -> подсветка климата включается. При поставку на охрану, подсветка климата также работает.
До возникновения этой неисправности ставил андроид магнитолу.
Вначале для земли магнитолы использовал по мануалу контакт power ground с родного коннектора-кабеля магнитолы, но в процессе монтажа заметил, как исчезла подсветка приборной панели и спидометр перестал работать. После взял землю с корпуса, спидометр и подсветка заработали. Но с подсветкой климата случился казус выше.
Полагаю, что причина проблемы выше - кривизна моих рук. При отключении магнитолы ничего не меняется, подсветка климата так же себя ведёт.
Отпишите пожалуйста, как это пофиксить.
Спасибо.
- .kkursor
- Сообщения: 1508
- Зарегистрирован: 21 авг 2014, 10:37
- Двигатель:: 4M41 VRZ
- Мой автомобиль(и):: тыр-тыр 16 дыр
- Откуда: Москвачкала
- Благодарил (а): 154 раза
- Поблагодарили: 113 раз
Отвечу на вопросы по автоэлектрике
happyPanda, все адаптеры с мицубиси на исо для магнитол, которые прошли через мои руки, имели перепутанные красный (АСС) и жёлтый (+12 постоянно) провода.
Возможно, дело в этом
Возможно, дело в этом
А давайте на *ты*, а? А то все серьёзные такие, я не могу. Фу такими быть!
- Dizel Man
- Сообщения: 5297
- Зарегистрирован: 16 янв 2005, 13:23
- Двигатель:: 4М41
- Мой автомобиль(и):: Mitsubishi Pajero 3, TLC-60, TLC-78, IFA W50
- Откуда: МО, Мытищи
- Откуда: Мытищи МО
- Благодарил (а): 10 раз
- Поблагодарили: 223 раза
Отвечу на вопросы по автоэлектрике
Стоит зайти диагностикой в блок ETACS и глянуть есть ли ошибки...
С уважением, Сергей. Все что мной написано исключительно ИМХО, наработанное годами творческих экспериментов!!!
-
Erlasel
- Сообщения: 5
- Зарегистрирован: 15 фев 2020, 18:20
- Двигатель:: 6G72 Паджеро4 2007 года, араб
- Мой автомобиль(и):: Паджеро
- Откуда: Семей
- Благодарил (а): 2 раза
Отвечу на вопросы по автоэлектрике
Так все таки, реле у него получается есть, соответственно я сейчас от предохранителя напрямую на кнопки выйдя обошел и замок зажигания и реле или только замок?
-
happyPanda
- Сообщения: 2
- Зарегистрирован: 18 фев 2020, 19:20
- Двигатель:: 4m41
- Мой автомобиль(и):: pajero 4
- Откуда: Красногорск
Отвечу на вопросы по автоэлектрике
Спасибо.
Попробовал зайти с помощью MMCodingWriter2.1 через mini-vci J2534 - двигатель видит, пару дней назад выскочила ошибка check engine (замена топливного фильтра) эту ошибку потер, а к etacs не смог подключиться. Полагаю этот шнурок не умеет к etacs подключаться, как и elm 327 v1.5. Придется искать сервис с mut 3
- SNOOPER
- Модератор
- Сообщения: 56894
- Зарегистрирован: 11 дек 2004, 19:49
- Двигатель:: 4D56
- Мой автомобиль(и):: NewMPS
- Откуда: 78
- Откуда: Spb
- Благодарил (а): 1007 раз
- Поблагодарили: 4665 раз
Отвечу на вопросы по автоэлектрике
Не надо искать сервис. Так как там ничего интересного связанного с Вашей проблемой нет.happyPanda писал(а): ↑ Придется искать сервис с mut 3
Берите схемы, и прозванивайте проводку.
Только аккуратно, чтоб ничего не спалить. Етакс больно нежный.....)
Хотя в данном случае он не имеет отношения.
За иллюминацию отвечает щиток приборов.
Так что ищите где лазили.....
- Dizel Man
- Сообщения: 5297
- Зарегистрирован: 16 янв 2005, 13:23
- Двигатель:: 4М41
- Мой автомобиль(и):: Mitsubishi Pajero 3, TLC-60, TLC-78, IFA W50
- Откуда: МО, Мытищи
- Откуда: Мытищи МО
- Благодарил (а): 10 раз
- Поблагодарили: 223 раза
Отвечу на вопросы по автоэлектрике
https://www.drive2.ru/l/498309116142288933/ETACS или Electronic Total Automobile Control System известна, как система полного контроля автомобиля. Чаще всего этот термин фигурирует в марке Mitsubishi, однако система не является изобретением компании Mitsubishi, она встречается во многих современных автомобилях под общим названием «модуль комфорта».
Система ETACS представляет собой электронный блок управления, который отвечает за согласование и корректную работу всех электронных систем, которые есть в автомобиле. Расположена она под рулевым колесом (в Паджере прямо с обратной стороны блока предохранителей). В ETACS поступает информация от всех электронных систем, после чего на основе полученных сведений ETACS управляет электропитанием, освещением, работой омывателей, стеклоочистителей и так далее.
С уважением, Сергей. Все что мной написано исключительно ИМХО, наработанное годами творческих экспериментов!!!
- SNOOPER
- Модератор
- Сообщения: 56894
- Зарегистрирован: 11 дек 2004, 19:49
- Двигатель:: 4D56
- Мой автомобиль(и):: NewMPS
- Откуда: 78
- Откуда: Spb
- Благодарил (а): 1007 раз
- Поблагодарили: 4665 раз
Отвечу на вопросы по автоэлектрике
Серёжа ты что этим хотел сказать?
Открой схемы по П4, изучи.
С етакса идёт постоянный плюс, ВСЕГДА.
Включает и выключает подсветку на климате и музоне, верхнем дисплее щиток приборов.......
Открой схемы по П4, изучи.
С етакса идёт постоянный плюс, ВСЕГДА.
Включает и выключает подсветку на климате и музоне, верхнем дисплее щиток приборов.......
- Dizel Man
- Сообщения: 5297
- Зарегистрирован: 16 янв 2005, 13:23
- Двигатель:: 4М41
- Мой автомобиль(и):: Mitsubishi Pajero 3, TLC-60, TLC-78, IFA W50
- Откуда: МО, Мытищи
- Откуда: Мытищи МО
- Благодарил (а): 10 раз
- Поблагодарили: 223 раза
Отвечу на вопросы по автоэлектрике
Что у него там погорело не известно. Я не настаиваю, я предлагаю провести корректную диагностику и локализовать проблему...
С уважением, Сергей. Все что мной написано исключительно ИМХО, наработанное годами творческих экспериментов!!!
